dialkový odpínač a podpäťová spúštou eaton
Souhrn tématu
Diskuze se věnuje principu fungování dialkového odpínače s podpäťovou spúštou Eaton, který automaticky vypíná solární panely při výpadku napájení z veřejné sítě nebo při aktivaci nouzového vypínače. Uživatelé radí, jak správně zapojit odpínač s ohledem na napájení z hlavního jističe či měniče a jaké jsou možnosti nouzového vypnutí v různých situacích, včetně požáru. Probírá se také rozdíl mezi podpäťovými a napěťovými spouštěmi a jejich vhodnost pro fotovoltaické systémy.
- hardcore
- Příspěvky: 29
- Registrován: stř říj 12, 2022 6:07 am
- Reputace:0
dialkový odpínač a podpäťová spúštou eaton
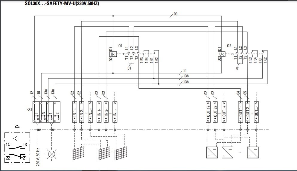
zdravím vás chcel by som sa poradiť na akom príncipe vlastne pracuje dialkový odpínač s podpäťová spúštou eaton keď na svorky privediem 230V z verejnej siete X1 12-L 10-N na L-fázu dám do série núdzový odpínač Eaton M22-SOL-PVT45PMPI11Q
nastane výpadok vo verejnej siete tak my vlastne potom aj automaticky vypne panely
a keby som tam priviedol 230V s meniča tak ich vlastne vypnem len cez núdzový odpínač
nastane výpadok vo verejnej siete tak my vlastne potom aj automaticky vypne panely
a keby som tam priviedol 230V s meniča tak ich vlastne vypnem len cez núdzový odpínač
- cipis
- Moderátor
- Příspěvky: 6955
- Registrován: pon srp 16, 2021 9:31 pm
- Reputace:979
- Lokalita: blízko Brna
- Systémové napětí: 24V
- Výkon panelů [Wp]: 13+ kWp
- Kapacita baterie [kWh]: 40+26
- Chci prodávat energii: NE
- Chci/Mám dotaci: NE
- Bydliště: blízko Brna
Re: dialkový odpínač a podpäťová spúštou eaton
A jake je teda zadani? Co chces, aby to delalo?
Ony se totiz delaji ty spouste i napetove.
Ony se totiz delaji ty spouste i napetove.
16+ kWp: 9850 Wp Jih, 2040 Wp Východ, 1490 Wp Západ, 2700 Wp mikroinvertory
Regulátory Epever a Victron
MP 24/5000 + Deye mikroinvertory 1+2,2 kW (můj byt + máti byt)
MP 24/1200 inet, sit, kamery atd.
Phoenix 24/5000 vytěžování do akumulačních kamen
Epever 3kW vytěžování do bojlerů + žebříky
1 kW "nabíječka" 24 V
40+ kWh staré olovo 26+ kWh Li-Ion
několik dalších MP jako záložní zdroje na různých místech
Modře píši jako moderátor, černě jako člen.
Regulátory Epever a Victron
MP 24/5000 + Deye mikroinvertory 1+2,2 kW (můj byt + máti byt)
MP 24/1200 inet, sit, kamery atd.
Phoenix 24/5000 vytěžování do akumulačních kamen
Epever 3kW vytěžování do bojlerů + žebříky
1 kW "nabíječka" 24 V
40+ kWh staré olovo 26+ kWh Li-Ion
několik dalších MP jako záložní zdroje na různých místech
Modře píši jako moderátor, černě jako člen.
- ElektroEzs
- Příspěvky: 2975
- Registrován: stř zář 21, 2022 10:03 am
- Reputace:112
- Lokalita: okolí Teplic
- Systémové napětí: 48V
- Výkon panelů [Wp]: 8340
- Kapacita baterie [kWh]: 14,4
- Chci prodávat energii: NE
- Chci/Mám dotaci: NE
Re: dialkový odpínač a podpäťová spúštou eaton
Spravne by mela jako nouzove vypnuti byt pouzita podpetova civka ale vetsina pouziva napetovou u FVE
1: JZ 5460 Wp Ja Solar, JV 960 Wp Leapton, SV 1920 Wp Leapton, MPPT 250/100, MPPT 150/35, MPPT 150/45, 2x parallel Multiplus 2 5000VA, Cerbo GX + touch LCD, 2x 16 x EVE 332Ah LiFePO4 + JK BMS 200A + SmartShunt 500A
2: JZ 3600 Wp Canadian Solar, V 1800 Wp Canadian Solar, MPPT 150/70, MPPT 150/35, Multiplus 2 5000VA, Cerbo GX + touch LCD, 16 x EVE 280Ah LiFePO4 + JK BMS 200A + BMV700
2: JZ 3600 Wp Canadian Solar, V 1800 Wp Canadian Solar, MPPT 150/70, MPPT 150/35, Multiplus 2 5000VA, Cerbo GX + touch LCD, 16 x EVE 280Ah LiFePO4 + JK BMS 200A + BMV700
- cipis
- Moderátor
- Příspěvky: 6955
- Registrován: pon srp 16, 2021 9:31 pm
- Reputace:979
- Lokalita: blízko Brna
- Systémové napětí: 24V
- Výkon panelů [Wp]: 13+ kWp
- Kapacita baterie [kWh]: 40+26
- Chci prodávat energii: NE
- Chci/Mám dotaci: NE
- Bydliště: blízko Brna
Re: dialkový odpínač a podpäťová spúštou eaton
Ono je to asi jedno, zalezi, nac a proc to tam ma, to tam nenapsal.
Ja budu mit 24V napetove spouste, k tomu jsou tusim i nejake "zalozni" zdroje z kondenzatoru, co to spolehlive vypnou, kdyz by nahodou odesly baterky. Ale ty spouste reaguji od nekolika Voltu.
Central stop, total stop a fve stop.
Ja budu mit 24V napetove spouste, k tomu jsou tusim i nejake "zalozni" zdroje z kondenzatoru, co to spolehlive vypnou, kdyz by nahodou odesly baterky. Ale ty spouste reaguji od nekolika Voltu.
Central stop, total stop a fve stop.
16+ kWp: 9850 Wp Jih, 2040 Wp Východ, 1490 Wp Západ, 2700 Wp mikroinvertory
Regulátory Epever a Victron
MP 24/5000 + Deye mikroinvertory 1+2,2 kW (můj byt + máti byt)
MP 24/1200 inet, sit, kamery atd.
Phoenix 24/5000 vytěžování do akumulačních kamen
Epever 3kW vytěžování do bojlerů + žebříky
1 kW "nabíječka" 24 V
40+ kWh staré olovo 26+ kWh Li-Ion
několik dalších MP jako záložní zdroje na různých místech
Modře píši jako moderátor, černě jako člen.
Regulátory Epever a Victron
MP 24/5000 + Deye mikroinvertory 1+2,2 kW (můj byt + máti byt)
MP 24/1200 inet, sit, kamery atd.
Phoenix 24/5000 vytěžování do akumulačních kamen
Epever 3kW vytěžování do bojlerů + žebříky
1 kW "nabíječka" 24 V
40+ kWh staré olovo 26+ kWh Li-Ion
několik dalších MP jako záložní zdroje na různých místech
Modře píši jako moderátor, černě jako člen.
- hardcore
- Příspěvky: 29
- Registrován: stř říj 12, 2022 6:07 am
- Reputace:0
Re: dialkový odpínač a podpäťová spúštou eaton
je tam použitá podpäťová EATON P-SOL-XUVRD ide my o to ako to správne zapojiť aj s núdzový odpínačom a s kade to hlavne napájať či priamo od hlavného ističa
ono to vlastne pracuje na takom príncipe keď tam privediem 220V tak budú panely v prevádzke keby vyznikol požiar panelu aby sa mohol hasiť tak sa to vypne núdzový odpínačom
ale keď sa vypne hlavný istič tak panely nebudú aj tak v prevádzke
ono to vlastne pracuje na takom príncipe keď tam privediem 220V tak budú panely v prevádzke keby vyznikol požiar panelu aby sa mohol hasiť tak sa to vypne núdzový odpínačom
ale keď sa vypne hlavný istič tak panely nebudú aj tak v prevádzke
- cipis
- Moderátor
- Příspěvky: 6955
- Registrován: pon srp 16, 2021 9:31 pm
- Reputace:979
- Lokalita: blízko Brna
- Systémové napětí: 24V
- Výkon panelů [Wp]: 13+ kWp
- Kapacita baterie [kWh]: 40+26
- Chci prodávat energii: NE
- Chci/Mám dotaci: NE
- Bydliště: blízko Brna
Re: dialkový odpínač a podpäťová spúštou eaton
Vsak to napajej z menice, jeden rozpinaci kontakt pozarka, druhy rozpinaci kontakt hribek.
Tim shodis panely. Co dalsiho tam potrebujes resit?
Ma to shazovat i privody z DS a elektrarny? Tak tam pak potrebujes dalsi spouste a vypinace.
Central stop shazuje vsechny byty krom spolecnych a kritickych veci, total stop shodi i to ostatni.
Je to jak u blbejch, tri hribky (fve, central, total).
Tak si namysli, co chces jak shazovat a proc, no a podle toho to zapoj.
Tim shodis panely. Co dalsiho tam potrebujes resit?
Ma to shazovat i privody z DS a elektrarny? Tak tam pak potrebujes dalsi spouste a vypinace.
Central stop shazuje vsechny byty krom spolecnych a kritickych veci, total stop shodi i to ostatni.
Je to jak u blbejch, tri hribky (fve, central, total).
Tak si namysli, co chces jak shazovat a proc, no a podle toho to zapoj.
16+ kWp: 9850 Wp Jih, 2040 Wp Východ, 1490 Wp Západ, 2700 Wp mikroinvertory
Regulátory Epever a Victron
MP 24/5000 + Deye mikroinvertory 1+2,2 kW (můj byt + máti byt)
MP 24/1200 inet, sit, kamery atd.
Phoenix 24/5000 vytěžování do akumulačních kamen
Epever 3kW vytěžování do bojlerů + žebříky
1 kW "nabíječka" 24 V
40+ kWh staré olovo 26+ kWh Li-Ion
několik dalších MP jako záložní zdroje na různých místech
Modře píši jako moderátor, černě jako člen.
Regulátory Epever a Victron
MP 24/5000 + Deye mikroinvertory 1+2,2 kW (můj byt + máti byt)
MP 24/1200 inet, sit, kamery atd.
Phoenix 24/5000 vytěžování do akumulačních kamen
Epever 3kW vytěžování do bojlerů + žebříky
1 kW "nabíječka" 24 V
40+ kWh staré olovo 26+ kWh Li-Ion
několik dalších MP jako záložní zdroje na různých místech
Modře píši jako moderátor, černě jako člen.
Kdo je online
Uživatelé procházející toto fórum: Claudebot [Bot]
