Multiplus-start generator
Souhrn tématu
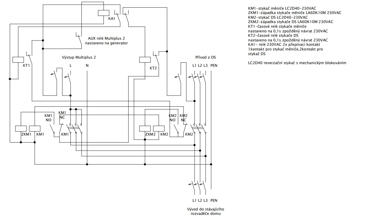
Diskuze řeší správné zapojení Multiplus s funkcí start generatoru a přepínačem sítí s reverzačními stykači. Uživatelé doporučují připojit AC IN, aby měnič správně reagoval na výpadek proudu i při střední úrovni nabití baterie (SOC). Bez AC IN měnič nemusí výpadek rozpoznat a čeká na dobití baterie nad 70 %, což může způsobit výpadek napájení. Připojení AC IN tak zajišťuje spolehlivý přechod mezi zdroji a ochranu baterie.
- ElektroEzs
- Příspěvky: 2990
- Registrován: stř zář 21, 2022 10:03 am
- Reputace:113
- Lokalita: okolí Teplic
- Systémové napětí: 48V
- Výkon panelů [Wp]: 8340
- Kapacita baterie [kWh]: 14,4
- Chci prodávat energii: NE
- Chci/Mám dotaci: NE
Multiplus-start generator
Ahoj mám k rodičům postavený přepínač sítí s reverzačními stykači viz příloha. Původně jsem myslel že nebudu připojovat AC IN do Multiplusu protože budu používat na přepínání relé Multiplusu nastavené na start generator. V plánu je nastavit při SOC pod 30% přepnout na DS a při SOC nad 70% přepnout na měnič ale když nastane situace že bude baterka třeba 55% a vypadne proud tak když nebude připojené AC IN měnič výpadek nepozná a bude čekat než ho MPPT nabije nad 70%. Jde to ošetřit jinak nebo prostě budu muset AC IN připojit? Díky moc
1: JZ 5460 Wp Ja Solar, JV 960 Wp Leapton, SV 1920 Wp Leapton, MPPT 250/100, MPPT 150/35, MPPT 150/45, 2x parallel Multiplus 2 5000VA, Cerbo GX + touch LCD, 2x 16 x EVE 332Ah LiFePO4 + JK BMS 200A + SmartShunt 500A
2: JZ 3600 Wp Canadian Solar, V 1800 Wp Canadian Solar, MPPT 150/70, MPPT 150/35, Multiplus 2 5000VA, Cerbo GX + touch LCD, 16 x EVE 280Ah LiFePO4 + JK BMS 200A + BMV700
2: JZ 3600 Wp Canadian Solar, V 1800 Wp Canadian Solar, MPPT 150/70, MPPT 150/35, Multiplus 2 5000VA, Cerbo GX + touch LCD, 16 x EVE 280Ah LiFePO4 + JK BMS 200A + BMV700
- FRSO
- Příspěvky: 2472
- Registrován: ned srp 14, 2011 10:13 pm
- Reputace:163
- Lokalita: poblíž Hodonína
- Systémové napětí: >48V
- Výkon panelů [Wp]: 7200
- Kapacita baterie [kWh]: 9
Re: Multiplus-start generator
Když bude připojen AC in, tak při výpadku DS se měnič přepne na aku a pojede až na těch 30% a pak tma.ElektroEzs píše:Ahoj mám k rodičům postavený přepínač sítí s reverzačními stykači viz příloha. Původně jsem myslel že nebudu připojovat AC IN do Multiplusu protože budu používat na přepínání relé Multiplusu nastavené na start generator. V plánu je nastavit při SOC pod 30% přepnout na DS a při SOC nad 70% přepnout na měnič ale když nastane situace že bude baterka třeba 55% a vypadne proud tak když nebude připojené AC IN měnič výpadek nepozná a bude čekat než ho MPPT nabije nad 70%. Jde to ošetřit jinak nebo prostě budu muset AC IN připojit? Díky moc
5,4 kWp JJZ 4deg,1,8kWp JV 24deg, do 13.8.2022 bylo 3,6 kWp, MPII 5k, Victron MPPT 250/85-TR, aku 9,45 kWh Lion 15S, BMS 200A, Smart Shunt 500A.
k 27.3.2025 13250kWh
K 22.10.2025 16550kWh
k 27.3.2025 13250kWh
K 22.10.2025 16550kWh
- ElektroEzs
- Příspěvky: 2990
- Registrován: stř zář 21, 2022 10:03 am
- Reputace:113
- Lokalita: okolí Teplic
- Systémové napětí: 48V
- Výkon panelů [Wp]: 8340
- Kapacita baterie [kWh]: 14,4
- Chci prodávat energii: NE
- Chci/Mám dotaci: NE
Re: Multiplus-start generator
Takže AC IN musím připojit jinak se připravím o tuhle funkci. U sebe když mu shodím jistič tak na SOC nekouká ale jede až do napětí nastaveném pro vypnutí měniče, podle SOC se řídí jen přepínaní pokud má k dispozici DS. Tak zítra ještě musím dodělat jistič pro AC IN. Díky
1: JZ 5460 Wp Ja Solar, JV 960 Wp Leapton, SV 1920 Wp Leapton, MPPT 250/100, MPPT 150/35, MPPT 150/45, 2x parallel Multiplus 2 5000VA, Cerbo GX + touch LCD, 2x 16 x EVE 332Ah LiFePO4 + JK BMS 200A + SmartShunt 500A
2: JZ 3600 Wp Canadian Solar, V 1800 Wp Canadian Solar, MPPT 150/70, MPPT 150/35, Multiplus 2 5000VA, Cerbo GX + touch LCD, 16 x EVE 280Ah LiFePO4 + JK BMS 200A + BMV700
2: JZ 3600 Wp Canadian Solar, V 1800 Wp Canadian Solar, MPPT 150/70, MPPT 150/35, Multiplus 2 5000VA, Cerbo GX + touch LCD, 16 x EVE 280Ah LiFePO4 + JK BMS 200A + BMV700
Kdo je online
Uživatelé procházející toto fórum: Bing [Bot], Claudebot [Bot], Mex, OAI-SearchBot, Yandex [Bot]
