Od pokusů ke specifickému řešení
-
- Příspěvky: 22
- Registrován: úte pro 06, 2022 6:41 pm
- Reputace: 1
- Lokalita: Ostrava
Od pokusů ke specifickému řešení
Ahoj, Zkusím zde přidat můj přehled jak jsem se dostal k současnému řešení.
Zatím nemám vše sepsané a zkusím postupně doplnit.
Moje začáteční spíš neúspěchy:
Dnes to již není aktuální, ake může být pro nadšence odrazení od podobných pokusů.
Základním požadavkem byla úspora spotřebované energie. Jelikož jsem vůbec nic nevědě o FVE tak jsem chtěl poznat jak to funguje.
Solární panely:
3x Vlastnoruční výroba, články 0.5V/8A 6*6 na panel o rozměru 100x100cm.
- Spoje mezi články jsem dělal odizolovanými drátky z UTP kabelu a pak i origoš pásky. Líp se mi to vyrábělo z těch drátků.
- Spájené pásy jsem ukládal na paropropustnou fólii – osvědčilo se.
- Pak na plastové kostky – ty se neosvědčily pod teplem se ohýbaly. Další už pak na polykarbonát.
- Celé to jsem dával do znýtovaného hliníkového (U profil 10x10x1mm) rámu.
- Zasklení z 4mm tlustého kaleného skla. Obyčejné sklo časem prasklo. A hlníkový (L 15x15x1mm) rám co držel sklo.
- Pokud se správně zasilikonovalo vydržely přes 10let a asi by ještě jely.
Baterie: Zvolen 12V systém. S tím jsem měl v té době největší zkušenosti.
- Autobaterie 55Ah + 85Ah
Elektronika: Koupen solární regulátor 12/24V 60A.
Po domě natažen 12V na zejména světla – led žárovky. A napájení routrů, AP a podobně.
Samozřejmě se ukázalo že je toto na hraní, ale není to na trvalý ostrovní provoz. Když bylo 2 dny zataženo tak jsem byl bez štávy.
Bylo potřeba měření a začít počítat. V té době zvolen notebook (napájen z 12V systému) a první pokusy programování pod DOSem v qbasic. Taky jsem si koupil pro mě revoluční knihu „Elektronika pro kemping a karavan“.
Dokoupil jsem 4x polykrystalické 140W panely. První hezké dny a uvařil jsem baterie
Levný regulátor se po nabití baterií přepnul na 24V a z baterek začal stříkat eloektrolyt přes odvzdušnovací dírky. Naštěstí jsem byl doma - tohle se nesmí opakovat.
Vyrobil jsem si bezpečnostní odpojovač baterií a koupil jsem trakční baterie 2x180Ah, Taktéž jsem si vyrobil vlastní nabíjecí regulátor.
Následně jsem si udělal řídící jednotku, která mi začala měřit a přes 232 komunikaci data posílat do displeje 4D 3,2palců a do notebooku. Nastalo zděšení. Když svítí slunce tak baterky jsem nabíjel příliš vysokým proudem a většinu dne šla energie dovzduchu.
Chce to měnič a napájet něco napřímo. Lednička je ideální volba. Po tom co se mi 2x roztekla lednice kvůli vyhořelému měniči jsem začal poprvé uvažovat o GridTie. Překvapení bylo že jsou poměrně levné. Ale jak zajistit aby nic nešlo do sítě. Limiter? V té době jsem nic nenašel. A začala vznikat moje první GridTie elektrárna vedle které běžel paralelně 12V systém, který již měl zálohu 100W trafa.
Zatím nemám vše sepsané a zkusím postupně doplnit.
Moje začáteční spíš neúspěchy:
Dnes to již není aktuální, ake může být pro nadšence odrazení od podobných pokusů.
Základním požadavkem byla úspora spotřebované energie. Jelikož jsem vůbec nic nevědě o FVE tak jsem chtěl poznat jak to funguje.
Solární panely:
3x Vlastnoruční výroba, články 0.5V/8A 6*6 na panel o rozměru 100x100cm.
- Spoje mezi články jsem dělal odizolovanými drátky z UTP kabelu a pak i origoš pásky. Líp se mi to vyrábělo z těch drátků.
- Spájené pásy jsem ukládal na paropropustnou fólii – osvědčilo se.
- Pak na plastové kostky – ty se neosvědčily pod teplem se ohýbaly. Další už pak na polykarbonát.
- Celé to jsem dával do znýtovaného hliníkového (U profil 10x10x1mm) rámu.
- Zasklení z 4mm tlustého kaleného skla. Obyčejné sklo časem prasklo. A hlníkový (L 15x15x1mm) rám co držel sklo.
- Pokud se správně zasilikonovalo vydržely přes 10let a asi by ještě jely.
Baterie: Zvolen 12V systém. S tím jsem měl v té době největší zkušenosti.
- Autobaterie 55Ah + 85Ah
Elektronika: Koupen solární regulátor 12/24V 60A.
Po domě natažen 12V na zejména světla – led žárovky. A napájení routrů, AP a podobně.
Samozřejmě se ukázalo že je toto na hraní, ale není to na trvalý ostrovní provoz. Když bylo 2 dny zataženo tak jsem byl bez štávy.
Bylo potřeba měření a začít počítat. V té době zvolen notebook (napájen z 12V systému) a první pokusy programování pod DOSem v qbasic. Taky jsem si koupil pro mě revoluční knihu „Elektronika pro kemping a karavan“.
Dokoupil jsem 4x polykrystalické 140W panely. První hezké dny a uvařil jsem baterie
Levný regulátor se po nabití baterií přepnul na 24V a z baterek začal stříkat eloektrolyt přes odvzdušnovací dírky. Naštěstí jsem byl doma - tohle se nesmí opakovat.
Vyrobil jsem si bezpečnostní odpojovač baterií a koupil jsem trakční baterie 2x180Ah, Taktéž jsem si vyrobil vlastní nabíjecí regulátor.
Následně jsem si udělal řídící jednotku, která mi začala měřit a přes 232 komunikaci data posílat do displeje 4D 3,2palců a do notebooku. Nastalo zděšení. Když svítí slunce tak baterky jsem nabíjel příliš vysokým proudem a většinu dne šla energie dovzduchu.
Chce to měnič a napájet něco napřímo. Lednička je ideální volba. Po tom co se mi 2x roztekla lednice kvůli vyhořelému měniči jsem začal poprvé uvažovat o GridTie. Překvapení bylo že jsou poměrně levné. Ale jak zajistit aby nic nešlo do sítě. Limiter? V té době jsem nic nenašel. A začala vznikat moje první GridTie elektrárna vedle které běžel paralelně 12V systém, který již měl zálohu 100W trafa.
GoodWE10K-ET, BMS SC0500-100 + 7 pylontech H48050, 6,4KW
-
- Příspěvky: 4506
- Registrován: úte dub 23, 2013 10:21 am
- Reputace: 815
- Lokalita: Kousek od Lysé nad Labem
- Systémové napětí: 48V
- Výkon panelů [Wp]: 46000
- Kapacita baterie [kWh]: 40
- Chci prodávat energii: NE
- Chci/Mám dotaci: NE
- Bydliště: Kousek od Lysé nad Labem
Re: Od pokusů ke specifickému řešení
Takže tě ještě čeká poznání, že gridtie je slepá ulička.
_______________________________________________________________________
43 kWp, LiFePO4 62 kWh,
EPSolar 60 A/150 V ET6415N + 3x Isolar SM II (5 kW, 450 V, 80 A) + Axpert PIP 5048MS
43 kWp, LiFePO4 62 kWh,
EPSolar 60 A/150 V ET6415N + 3x Isolar SM II (5 kW, 450 V, 80 A) + Axpert PIP 5048MS
-
- Příspěvky: 3175
- Registrován: stř úno 02, 2022 10:30 am
- Reputace: 387
- Lokalita: okolí Mělníka
- Systémové napětí: 48V
- Výkon panelů [Wp]: 13000
- Kapacita baterie [kWh]: 15
Re: Od pokusů ke specifickému řešení
nenirva píše:Takže tě ještě čeká poznání, že gridtie je slepá ulička.

-
- Příspěvky: 4405
- Registrován: pon úno 07, 2022 10:11 pm
- Reputace: 289
- Lokalita: Zlaté Hory / Olomouc
- Systémové napětí: 24V
- Výkon panelů [Wp]: 3600
- Kapacita baterie [kWh]: 16
- Chci prodávat energii: NE
- Chci/Mám dotaci: NE
- Bydliště: Zlaté Hory
Re: Od pokusů ke specifickému řešení
U nás zatím je!
A má to nevýhodu potřebuje to DS i když svítí, bez DS jseš bez proudu.
A má to nevýhodu potřebuje to DS i když svítí, bez DS jseš bez proudu.
3,6kWp
| 2x MUST PV18-3024 VHM, 3kW/24V | 16kWh 


-
- Příspěvky: 22
- Registrován: úte pro 06, 2022 6:41 pm
- Reputace: 1
- Lokalita: Ostrava
Re: Od pokusů ke specifickému řešení
GridTie řešení:
Jako první jsem objednal GridTie 300W. Po tom co jsem zjistil jak funguje jsem začal se stavbou neinvazivního limiteru tak, aby se dalo aplikovat na různé levné měniče.
Základem je procesor PIC který na základě 2x proudových traf generuje PWM do výkonové jednotky. Mimo to ještě hledá maximální účinnost solárních panelů.
Pro samotné měření výroby a spotřeby pro statistiku jsem použil jednofázové měřiče s pulsním výstupem. Celý sestém byl rozdělen na 3 samostatné okruhy. Jeden se staral o výrobu, druhý o poskytování informací a třetí je 12V systém se zálohou.
Výkonová jednotka je složená pouze s výkonových tranzistorů s chlazením, ochran a vyhlazení napětí. První GridTie je na 14-18V takže jsem odpojil vlastnoručně vyrobené panely od 12V systému a začala výroba 230V. Jednotku jsem postupem času upravil tak aby na přetoky reagovala do 0.5-2s. Nájezd na plný výkon trval 10s až 2minuty podle samotného GridTie.
Tento způsob jsem měl aplikovaný přes 10let. Postupně jsem se dostal na roční úsporu spotřeby el.energie až na 1.5MW. Při instalovaných:
Panely 4x 140W a 1x500W GridTie
Panyly 5x125W amorfní panely a 1x500WgridTie
Panyl 2x240W mono a a 1x500WgridTie.
GridTie tímto způsobem fungoval skvěle. Krásně pokryl spotřebu bazénového čarpadla, které mělo také svou automatiku a tedy když svítilo slunce tak jelo čerpadlo a GridTie měniče pěkně makaly. Nevýhody tohoto řešení byly dvě. 1) celý systém musel běžet na jedné fázi aby se maximalizovalo využití GridTie. 2) neumělo to shromažďovat přebytky byť alespoň trochu.
Směsice různých panelů s různými napájením a taktéž různé GridTie mi komplikovaly celý systém. Taktéž po narození dítěte už není volný čas na kutilské řešení. Proto jsem se minulým rokem rozhodl o rázný krok a pořídil jsem si FVE firmou. Podmínka byla aby to bylo profi řešení a bezúdržbové.. No jenže když ptáčka chytali pěkně mu zpívali.
Vývoj výkonové desky:
Infopanel;
Tento způsob jsem měl aplikovaný přes 10let. Postupně jsem se dostal na roční úsporu spotřeby el.energie až na 1.5MW. Při instalovaných:
Panely 4x 140W a 1x500W GridTie
Panyly 5x125W amorfní panely a 1x500WgridTie
Panyl 2x240W mono a a 1x500WgridTie.
GridTie tímto způsobem fungoval skvěle. Krásně pokryl spotřebu bazénového čarpadla, které mělo také svou automatiku a tedy když svítilo slunce tak jelo čerpadlo a GridTie měniče pěkně makaly. Nevýhody tohoto řešení byly dvě. 1) celý systém musel běžet na jedné fázi aby se maximalizovalo využití GridTie. 2) neumělo to shromažďovat přebytky byť alespoň trochu.
Směsice různých panelů s různými napájením a taktéž různé GridTie mi komplikovaly celý systém. Taktéž po narození dítěte už není volný čas na kutilské řešení. Proto jsem se minulým rokem rozhodl o rázný krok a pořídil jsem si FVE firmou. Podmínka byla aby to bylo profi řešení a bezúdržbové.. No jenže když ptáčka chytali pěkně mu zpívali.
Jako první jsem objednal GridTie 300W. Po tom co jsem zjistil jak funguje jsem začal se stavbou neinvazivního limiteru tak, aby se dalo aplikovat na různé levné měniče.
Základem je procesor PIC který na základě 2x proudových traf generuje PWM do výkonové jednotky. Mimo to ještě hledá maximální účinnost solárních panelů.
Pro samotné měření výroby a spotřeby pro statistiku jsem použil jednofázové měřiče s pulsním výstupem. Celý sestém byl rozdělen na 3 samostatné okruhy. Jeden se staral o výrobu, druhý o poskytování informací a třetí je 12V systém se zálohou.
Výkonová jednotka je složená pouze s výkonových tranzistorů s chlazením, ochran a vyhlazení napětí. První GridTie je na 14-18V takže jsem odpojil vlastnoručně vyrobené panely od 12V systému a začala výroba 230V. Jednotku jsem postupem času upravil tak aby na přetoky reagovala do 0.5-2s. Nájezd na plný výkon trval 10s až 2minuty podle samotného GridTie.
Tento způsob jsem měl aplikovaný přes 10let. Postupně jsem se dostal na roční úsporu spotřeby el.energie až na 1.5MW. Při instalovaných:
Panely 4x 140W a 1x500W GridTie
Panyly 5x125W amorfní panely a 1x500WgridTie
Panyl 2x240W mono a a 1x500WgridTie.
GridTie tímto způsobem fungoval skvěle. Krásně pokryl spotřebu bazénového čarpadla, které mělo také svou automatiku a tedy když svítilo slunce tak jelo čerpadlo a GridTie měniče pěkně makaly. Nevýhody tohoto řešení byly dvě. 1) celý systém musel běžet na jedné fázi aby se maximalizovalo využití GridTie. 2) neumělo to shromažďovat přebytky byť alespoň trochu.
Směsice různých panelů s různými napájením a taktéž různé GridTie mi komplikovaly celý systém. Taktéž po narození dítěte už není volný čas na kutilské řešení. Proto jsem se minulým rokem rozhodl o rázný krok a pořídil jsem si FVE firmou. Podmínka byla aby to bylo profi řešení a bezúdržbové.. No jenže když ptáčka chytali pěkně mu zpívali.
Vývoj výkonové desky:
Infopanel;
Tento způsob jsem měl aplikovaný přes 10let. Postupně jsem se dostal na roční úsporu spotřeby el.energie až na 1.5MW. Při instalovaných:
Panely 4x 140W a 1x500W GridTie
Panyly 5x125W amorfní panely a 1x500WgridTie
Panyl 2x240W mono a a 1x500WgridTie.
GridTie tímto způsobem fungoval skvěle. Krásně pokryl spotřebu bazénového čarpadla, které mělo také svou automatiku a tedy když svítilo slunce tak jelo čerpadlo a GridTie měniče pěkně makaly. Nevýhody tohoto řešení byly dvě. 1) celý systém musel běžet na jedné fázi aby se maximalizovalo využití GridTie. 2) neumělo to shromažďovat přebytky byť alespoň trochu.
Směsice různých panelů s různými napájením a taktéž různé GridTie mi komplikovaly celý systém. Taktéž po narození dítěte už není volný čas na kutilské řešení. Proto jsem se minulým rokem rozhodl o rázný krok a pořídil jsem si FVE firmou. Podmínka byla aby to bylo profi řešení a bezúdržbové.. No jenže když ptáčka chytali pěkně mu zpívali.
- Přílohy
-
- Schéma zapojení proudových cívek
- Zapojeni_Civek.PNG (36.82 KiB) Zobrazeno 823 x
GoodWE10K-ET, BMS SC0500-100 + 7 pylontech H48050, 6,4KW
-
- Příspěvky: 22
- Registrován: úte pro 06, 2022 6:41 pm
- Reputace: 1
- Lokalita: Ostrava
Re: Od pokusů ke specifickému řešení
Nejsem žádný pisálek tak se omlouvám když tomu výše nebudete rozumět. Při psaní jsem zjistil že mám minimální fotodokumentaci z mých kutilských řešení nezdarů či zdarů což je pro mě přínosem. Taktéž jsem překvapen že přes 10let „vývoje“ se dá shrnout do jedné stránky.
No a po roce čekání na realizaci FVE, která stále není úplně dokončená jsem se oběvil zde.
Dovedl mě k vám google při hledání porozumění pylontechům a GoodWe. Taktéž mi chybí online informace z FVE. HomeAsistant a různé další mi nevyhovovaly – jsou příliš náročné na HW a přitom nic nedělají. Raspbery ano ale ne jen na HA.
Z předchozí realizace mi zbyl 7“ palcový display, raspbery a kabeláže. Takže jak to zužitkovat? Komunikace modbus po 485 na GoodWe je paráda a vlastně po malých úpravách starého infosystému jsem aktualizoval do současné podoby.
Panely 6,4KW, GoodWe 10K, 7xPylontech (16,8KW), BMS SC0500. Komunikace z raspbery 3 po 485 na Goodwe a po 232 na display 7“.
No a po roce čekání na realizaci FVE, která stále není úplně dokončená jsem se oběvil zde.
Dovedl mě k vám google při hledání porozumění pylontechům a GoodWe. Taktéž mi chybí online informace z FVE. HomeAsistant a různé další mi nevyhovovaly – jsou příliš náročné na HW a přitom nic nedělají. Raspbery ano ale ne jen na HA.
Z předchozí realizace mi zbyl 7“ palcový display, raspbery a kabeláže. Takže jak to zužitkovat? Komunikace modbus po 485 na GoodWe je paráda a vlastně po malých úpravách starého infosystému jsem aktualizoval do současné podoby.
Panely 6,4KW, GoodWe 10K, 7xPylontech (16,8KW), BMS SC0500. Komunikace z raspbery 3 po 485 na Goodwe a po 232 na display 7“.
- Přílohy
-
- Info_Panel_7.PNG (357.72 KiB) Zobrazeno 792 x
-
- Vlastní rozšíření na raspbery. Plošnák za babku z číny :)
- Raspbery.PNG (418.73 KiB) Zobrazeno 792 x
GoodWE10K-ET, BMS SC0500-100 + 7 pylontech H48050, 6,4KW
-
- Příspěvky: 3175
- Registrován: stř úno 02, 2022 10:30 am
- Reputace: 387
- Lokalita: okolí Mělníka
- Systémové napětí: 48V
- Výkon panelů [Wp]: 13000
- Kapacita baterie [kWh]: 15
Re: Od pokusů ke specifickému řešení
nechces se podelit o schemata tech gridtie? Vykoneve desky a rizeni a pripadne co k tomu jeste je? Docela by me to zajimalo
-
- Příspěvky: 22
- Registrován: úte pro 06, 2022 6:41 pm
- Reputace: 1
- Lokalita: Ostrava
Re: Od pokusů ke specifickému řešení
Určitě, ale mějte napaměti že nejsem žádný odborník. Za případné neúspěchy nepřebírám odpovědnost.
Schémata jsou ve Formice pouze PCB a nejsou tam uvedeny součástky. Ty znám zpaměti. Jsou víceméně standartní smd součástky
PCB jsem kreslil pouze na předvrtání děr a pak jsem kreslil centrofixem na očištěný a předvrtaný PCB.
Pár desek mi zbylo (nedělal jsem to jen pro sebe) a jak postupně někteří přecházejí na větší FVE a dostanou čtyřkvadrant tak už nepotřebují regulaci a vracejí mi to. Na nějaké pokusy se to stále hodí
Schémata jsou ve Formice pouze PCB a nejsou tam uvedeny součástky. Ty znám zpaměti. Jsou víceméně standartní smd součástky
PCB jsem kreslil pouze na předvrtání děr a pak jsem kreslil centrofixem na očištěný a předvrtaný PCB.
Pár desek mi zbylo (nedělal jsem to jen pro sebe) a jak postupně někteří přecházejí na větší FVE a dostanou čtyřkvadrant tak už nepotřebují regulaci a vracejí mi to. Na nějaké pokusy se to stále hodí

GoodWE10K-ET, BMS SC0500-100 + 7 pylontech H48050, 6,4KW
-
- Příspěvky: 3175
- Registrován: stř úno 02, 2022 10:30 am
- Reputace: 387
- Lokalita: okolí Mělníka
- Systémové napětí: 48V
- Výkon panelů [Wp]: 13000
- Kapacita baterie [kWh]: 15
Re: Od pokusů ke specifickému řešení
no ... zajimalo me spis schema
klidne i na papire
Tohle je vicemene k prdu 



-
- Příspěvky: 22
- Registrován: úte pro 06, 2022 6:41 pm
- Reputace: 1
- Lokalita: Ostrava
Re: Od pokusů ke specifickému řešení
No vidíš není schéma jako schéma 
jinak měnič s limiterem je již dnes dostupný třeba: https://www.i4wifi.cz/cs/211125-xtend-s ... dfree-2000
Zkusím něco zmastit. tedy blokové schéma

jinak měnič s limiterem je již dnes dostupný třeba: https://www.i4wifi.cz/cs/211125-xtend-s ... dfree-2000
Zkusím něco zmastit. tedy blokové schéma
GoodWE10K-ET, BMS SC0500-100 + 7 pylontech H48050, 6,4KW
-
- Příspěvky: 3175
- Registrován: stř úno 02, 2022 10:30 am
- Reputace: 387
- Lokalita: okolí Mělníka
- Systémové napětí: 48V
- Výkon panelů [Wp]: 13000
- Kapacita baterie [kWh]: 15
Re: Od pokusů ke specifickému řešení
ty mam doma tridigital píše:No vidíš není schéma jako schéma
jinak měnič s limiterem je již dnes dostupný třeba: https://www.i4wifi.cz/cs/211125-xtend-s ... dfree-2000
Zkusím něco zmastit. tedy blokové schéma

-
- Příspěvky: 503
- Registrován: stř bře 01, 2017 8:06 am
- Reputace: 92
- Bydliště: Rosovice
Re: Od pokusů ke specifickému řešení
Poprosil by som tiez o schema zapojenia. Zdokumentovat a spristupnit desat rokov prace asi nie je zbytocne vynalozeny cas.digital píše:...
Zkusím něco zmastit. tedy blokové schéma
-
- Příspěvky: 22
- Registrován: úte pro 06, 2022 6:41 pm
- Reputace: 1
- Lokalita: Ostrava
Re: Od pokusů ke specifickému řešení
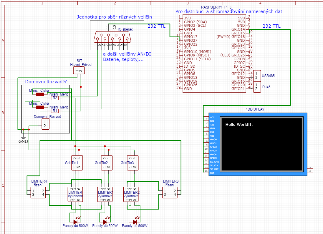
Něco jsem načrtnul. Je to narychlo ale snad z toho pochopíte jak to je.
Bohužel dokumentaci mám jen to co bylo nezbytně nutné. To co jsem kdysi maloval na papír je dávno pryč.
Bohužel dokumentaci mám jen to co bylo nezbytně nutné. To co jsem kdysi maloval na papír je dávno pryč.
GoodWE10K-ET, BMS SC0500-100 + 7 pylontech H48050, 6,4KW
Kdo je online
Uživatelé prohlížející si toto fórum: Claudebot [Bot], Seznam [Bot] a 0 hostů