Dva měniče EASUN Isolar smh III 4,2 kw (ne)paralelně?
Souhrn tématu
Diskuze se věnuje možnosti paralelního zapojení dvou měničů EASUN Isolar SMH III 4,2 kW v offgrid fotovoltaické elektrárně. Uživatelé řeší, zda lze druhý měnič použít pouze jako nabíječku baterie bez připojení k zátěži a jaká rizika či omezení takové zapojení přináší. Součástí jsou i technické detaily a zkušenosti s komunikací a opravou měničů.
- Soban
- Příspěvky: 4639
- Registrován: pon úno 07, 2022 10:11 pm
- Reputace:310
- Lokalita: Zlaté Hory / Olomouc
- Systémové napětí: 24V
- Výkon panelů [Wp]: 3600
- Kapacita baterie [kWh]: 16
- Chci prodávat energii: NE
- Chci/Mám dotaci: NE
- Bydliště: Zlaté Hory
Re: Dva měniče EASUN Isolar smh III 4,2 kw (ne)paralelně?
Ty diody jsou po smrti jak mají prasklé pouzdro což vypadá že mají.
To že se při malém napětí zdá že fungují je možné, skus je zatížit a určitě fungovat nebudou.....
To že se při malém napětí zdá že fungují je možné, skus je zatížit a určitě fungovat nebudou.....
3,6kWp
| 2x MUST PV18-3024 VHM, 3kW/24V | 1x INVERTER 5kW/24V | 16kWh
- kuba47
- Příspěvky: 218
- Registrován: pát dub 18, 2025 10:09 am
- Reputace:48
- Lokalita: Krušné hory
- Systémové napětí: 48V
- Chci prodávat energii: NE
- Chci/Mám dotaci: NE
Re: Dva měniče EASUN Isolar smh III 4,2 kw (ne)paralelně?
Mě se to už předtím zdálo divný, dioda je v sérii s primárem, čekal bych, že zdroj naběhne, i kdyby byla zkratovaná. Pokud je na sekundáru vše ok, tak mě napadá jedině mezizávitový zkrat na trafu. Jak vypadá odpor mezi primárem a sekundárem?
8.8kWp @ Anern SCI-MAX-10200, LiFePO4 280Ah 16s2p, JK PB2A16S20P, AC nabíječka Easun SMH
3.6kWp @ Siton 210 SMD
3.6kWp @ Siton 210 SMD
- Soban
- Příspěvky: 4639
- Registrován: pon úno 07, 2022 10:11 pm
- Reputace:310
- Lokalita: Zlaté Hory / Olomouc
- Systémové napětí: 24V
- Výkon panelů [Wp]: 3600
- Kapacita baterie [kWh]: 16
- Chci prodávat energii: NE
- Chci/Mám dotaci: NE
- Bydliště: Zlaté Hory
Re: Dva měniče EASUN Isolar smh III 4,2 kw (ne)paralelně?
V serii s primárem ? Co by tam dělala usměrňovací diody jsou na výstupu z trafa ne takže sekundár a pokud sekundár nedá spětnou vazbu na ovládání primáru tak ten zdroj nebude fungovat a když není napájení pro obvody......
3,6kWp
| 2x MUST PV18-3024 VHM, 3kW/24V | 1x INVERTER 5kW/24V | 16kWh
- gupa
- Příspěvky: 3901
- Registrován: sob pro 29, 2012 10:22 pm
- Reputace:177
- Lokalita: pod Brnem
- Systémové napětí: 24V
Re: Dva měniče EASUN Isolar smh III 4,2 kw (ne)paralelně?
A co napájí na výstupu ta dioda? Řekl bych, že je součástí tlumiče toho primáru a zprovozňuje část zdroje který ovšem není na dané desce.
3x2000VA-VMP-par, NiCd 24V, 22x210-320Wp, 2x85A-VMPPT, ABC-&-XYZ mypower.czAť ti to běží jako hodinky na baterku s čerstvou expirací! Zdejší slova: To by bylo, abychom na tom šetření nevydělali! Nový a aktuálně platný je termín v diskuzích na Seznam.cz mediokratická totalita.
- Lubik
- Příspěvky: 622
- Registrován: pon úno 15, 2021 10:04 pm
- Reputace:33
- Lokalita: Praha
- Chci prodávat energii: NE
- Chci/Mám dotaci: NE
- Bydliště: Praha
Re: Dva měniče EASUN Isolar smh III 4,2 kw (ne)paralelně?
Diody jsou opravdu funkční.
1A/ 0.9V 30V/50nA
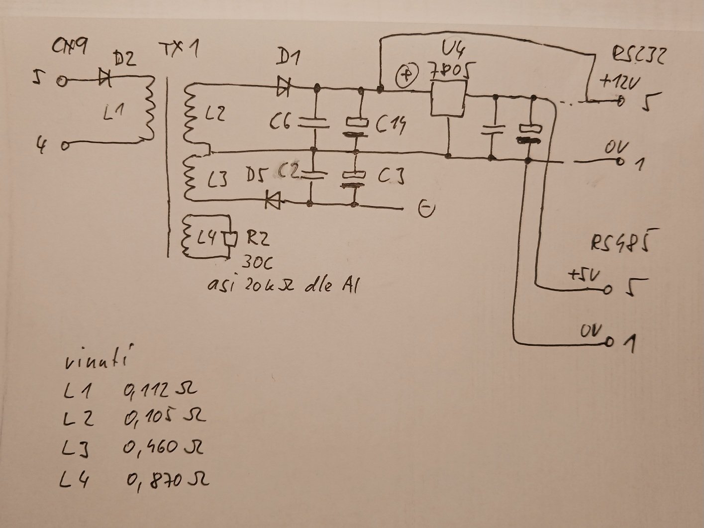
Hodím sem schéma, protože papír určitě někde zmizí. Mám stejný měnič. Možná zkusím změřit co leze na vstup trafa, ale moc se mi v tom nechce vrtat. Nerad bych měl blackout.
1A/ 0.9V 30V/50nA
Hodím sem schéma, protože papír určitě někde zmizí. Mám stejný měnič. Možná zkusím změřit co leze na vstup trafa, ale moc se mi v tom nechce vrtat. Nerad bych měl blackout.
Panely 4x 280W , 4x330W Isolar 6kW,48V Lifepo 460 Ah
- PetrDubi
- Příspěvky: 1900
- Registrován: úte říj 12, 2021 10:43 am
- Reputace:332
- Lokalita: Blízko Ústí nad Labem
- Systémové napětí: 48V
- Výkon panelů [Wp]: 10790
- Kapacita baterie [kWh]: 13
- Chci prodávat energii: NE
- Chci/Mám dotaci: NE
Re: Dva měniče EASUN Isolar smh III 4,2 kw (ne)paralelně?
mobilní elektrárna 3x Uni-solar PVL-68 a Victron 75/15 MPPT
doma 3280 Wp JV, 3810 Wp JZ, 3690 Wp SZ, Easun SMW 8k (rebrandovaný MAX 8 kW), aku 13kWh 16s LiFePO4
doma 3280 Wp JV, 3810 Wp JZ, 3690 Wp SZ, Easun SMW 8k (rebrandovaný MAX 8 kW), aku 13kWh 16s LiFePO4
- kuba47
- Příspěvky: 218
- Registrován: pát dub 18, 2025 10:09 am
- Reputace:48
- Lokalita: Krušné hory
- Systémové napětí: 48V
- Chci prodávat energii: NE
- Chci/Mám dotaci: NE
Re: Dva měniče EASUN Isolar smh III 4,2 kw (ne)paralelně?
Tohle není normální zdroj. Je to jen trafo napájený střídavinou z 12V vinutí hlavního zdroje. Žádnou zpětnou vazbu nemá.
To, co mají ve schématu označené HPFW+/HPFW- je přívod střídavých 12V. Dioda tam je, aby se vinutí vzájemně neovlivňovala, protože obě trafa pracují v režimu flyback. Ale s velkou pravděpodobností by se to rozběhlo, i kdyby měla zkrat. Pokud má ale trafo mezizávitový zkrat, tak se hlavní zdroj určitě nerozběhne - bude mít zkratované 12V vinutí.
To, co mají ve schématu označené HPFW+/HPFW- je přívod střídavých 12V. Dioda tam je, aby se vinutí vzájemně neovlivňovala, protože obě trafa pracují v režimu flyback. Ale s velkou pravděpodobností by se to rozběhlo, i kdyby měla zkrat. Pokud má ale trafo mezizávitový zkrat, tak se hlavní zdroj určitě nerozběhne - bude mít zkratované 12V vinutí.
8.8kWp @ Anern SCI-MAX-10200, LiFePO4 280Ah 16s2p, JK PB2A16S20P, AC nabíječka Easun SMH
3.6kWp @ Siton 210 SMD
3.6kWp @ Siton 210 SMD
- Lubik
- Příspěvky: 622
- Registrován: pon úno 15, 2021 10:04 pm
- Reputace:33
- Lokalita: Praha
- Chci prodávat energii: NE
- Chci/Mám dotaci: NE
- Bydliště: Praha
Re: Dva měniče EASUN Isolar smh III 4,2 kw (ne)paralelně?
Asi se zkratoval výstup z desky 12 nebo 5V . Ale žádné stopy po přehřátí mimo diody nejsou vidět.
Měli dát na výstup pojistku nebo 0 odpor, ale to je moc drahé.
Měli dát na výstup pojistku nebo 0 odpor, ale to je moc drahé.
Panely 4x 280W , 4x330W Isolar 6kW,48V Lifepo 460 Ah
- kuba47
- Příspěvky: 218
- Registrován: pát dub 18, 2025 10:09 am
- Reputace:48
- Lokalita: Krušné hory
- Systémové napětí: 48V
- Chci prodávat energii: NE
- Chci/Mám dotaci: NE
Re: Dva měniče EASUN Isolar smh III 4,2 kw (ne)paralelně?
To je možný, a nebo to jiskřilo mezi primárem a sekundárem, třeba výrobce podcenil izolaci. Pokud střídače neměly navzájem propojený "N", neběžely ve fázi, a zároveň byly sériové porty propojené na společnou zem, tak na tom trafu mohl být docela velký rozdíl napětí.
8.8kWp @ Anern SCI-MAX-10200, LiFePO4 280Ah 16s2p, JK PB2A16S20P, AC nabíječka Easun SMH
3.6kWp @ Siton 210 SMD
3.6kWp @ Siton 210 SMD
- Soban
- Příspěvky: 4639
- Registrován: pon úno 07, 2022 10:11 pm
- Reputace:310
- Lokalita: Zlaté Hory / Olomouc
- Systémové napětí: 24V
- Výkon panelů [Wp]: 3600
- Kapacita baterie [kWh]: 16
- Chci prodávat energii: NE
- Chci/Mám dotaci: NE
- Bydliště: Zlaté Hory
Re: Dva měniče EASUN Isolar smh III 4,2 kw (ne)paralelně?
Kdyby byl skrat na zdroji na výstupu (sekundár) tak by odešly diody tam, a podle zapojení je pojistka na konektoru z napájení.....
Pak mě napadá že je tedy KO to trafo a jak by se to stalo jedině přepětí mezi zemí kde žádná pojistka není a nějakým přívodem na primáru toho trafa a jak by se tam vzalo to by muselo být zase v řádu 100V a víš aby to prorazilo izolaci na trafu.
Chce to změřit izolaci mezi primárem a sekundárem......
Pak mě napadá že je tedy KO to trafo a jak by se to stalo jedině přepětí mezi zemí kde žádná pojistka není a nějakým přívodem na primáru toho trafa a jak by se tam vzalo to by muselo být zase v řádu 100V a víš aby to prorazilo izolaci na trafu.
Chce to změřit izolaci mezi primárem a sekundárem......
3,6kWp
| 2x MUST PV18-3024 VHM, 3kW/24V | 1x INVERTER 5kW/24V | 16kWh
- gupa
- Příspěvky: 3901
- Registrován: sob pro 29, 2012 10:22 pm
- Reputace:177
- Lokalita: pod Brnem
- Systémové napětí: 24V
Re: Dva měniče EASUN Isolar smh III 4,2 kw (ne)paralelně?
Ve schématu ale jednu pojistku vidím. Není spálená? Asi to chce prostě zasunout konektory a vše přeměřit a zjistit co je mrtvé. Ta dioda proč se přetížila je zatím nejasné.
3x2000VA-VMP-par, NiCd 24V, 22x210-320Wp, 2x85A-VMPPT, ABC-&-XYZ mypower.czAť ti to běží jako hodinky na baterku s čerstvou expirací! Zdejší slova: To by bylo, abychom na tom šetření nevydělali! Nový a aktuálně platný je termín v diskuzích na Seznam.cz mediokratická totalita.
- Lubik
- Příspěvky: 622
- Registrován: pon úno 15, 2021 10:04 pm
- Reputace:33
- Lokalita: Praha
- Chci prodávat energii: NE
- Chci/Mám dotaci: NE
- Bydliště: Praha
Re: Dva měniče EASUN Isolar smh III 4,2 kw (ne)paralelně?
Schéma od PetrDubi je jiné
Panely 4x 280W , 4x330W Isolar 6kW,48V Lifepo 460 Ah
- PetrDubi
- Příspěvky: 1900
- Registrován: úte říj 12, 2021 10:43 am
- Reputace:332
- Lokalita: Blízko Ústí nad Labem
- Systémové napětí: 48V
- Výkon panelů [Wp]: 10790
- Kapacita baterie [kWh]: 13
- Chci prodávat energii: NE
- Chci/Mám dotaci: NE
Re: Dva měniče EASUN Isolar smh III 4,2 kw (ne)paralelně?
Jo, přesné zapojení se trochu časem mění, ale ten základ zůstává +/- stejný.
Ono i na tom fóru bylo víc schémat, který se trochu lišily podle toho, jak dělali nové revize desky. A měniče pro komunikaci s BMS mají samozřejmě trošku složitější desku.
Ale princip napájení je obdobný
Ono i na tom fóru bylo víc schémat, který se trochu lišily podle toho, jak dělali nové revize desky. A měniče pro komunikaci s BMS mají samozřejmě trošku složitější desku.
Ale princip napájení je obdobný
mobilní elektrárna 3x Uni-solar PVL-68 a Victron 75/15 MPPT
doma 3280 Wp JV, 3810 Wp JZ, 3690 Wp SZ, Easun SMW 8k (rebrandovaný MAX 8 kW), aku 13kWh 16s LiFePO4
doma 3280 Wp JV, 3810 Wp JZ, 3690 Wp SZ, Easun SMW 8k (rebrandovaný MAX 8 kW), aku 13kWh 16s LiFePO4
- wrabeczech
- Příspěvky: 31
- Registrován: pát úno 18, 2022 9:49 am
- Reputace:0
- Lokalita: Radonice
- Systémové napětí: 24V
- Výkon panelů [Wp]: 5180
- Kapacita baterie [kWh]: 7
- Chci prodávat energii: NE
- Chci/Mám dotaci: NE
Re: Dva měniče EASUN Isolar smh III 4,2 kw (ne)paralelně?
OT. Dokázal by někdo tu komunikační desku sehnat jako náhradní díl nebo nemá někdo mrtvolku toho kombiboxu, že by mi desku odprodal? Nějak se mi nedaří nikde sehnat...
Homodomo : 2590 kWp JV + 2590 kWp JZ , 24V LIFEPO4 EVE 7 kWh + JK BMS, EASUN iSolar SMH-III-4,2 kW, Solar assistant na RPI4
Kdo je online
Uživatelé procházející toto fórum: Claudebot [Bot]
