Vytěžovač
- rege
- Příspěvky: 156
- Registrován: úte bře 19, 2019 8:03 pm
- Reputace: 21
- Bydliště: Vychod SK
Re: Vytěžovač
trosku mimo temu, ale hadam niekto bude vediet poradit. Pouzivam kybosov vytazovac na bojler, ale regulacia nejde podla mojich predstav, tak ma napadlo, ze by som to spinal v dvoch urovniach, 50% a plny vykon. Otazka je co pripojit na vstup ssr rele aby bol na vystupe polovicny vykon? Ako sa to bude hriat? davat inu spiralu nemozem(nechcem)
-
- Příspěvky: 1308
- Registrován: úte úno 14, 2017 9:35 pm
- Reputace: 155
Re: Vytěžovač
Fázově ho řídit, aby byl výkon 50% přeci.rege píše:trosku mimo temu, ale hadam niekto bude vediet poradit. Pouzivam kybosov vytazovac na bojler, ale regulacia nejde podla mojich predstav, tak ma napadlo, ze by som to spinal v dvoch urovniach, 50% a plny vykon. Otazka je co pripojit na vstup ssr rele ale bol na vystupe polovicny vykon? Ako sa to bude hriat? davat inu spiralu nemozem(nechcem)
Hmmm blbá otázka, ještě blbější odpověď...
Existují i SSR relé, které mají vstup 0-10V a jejich výstupem je zapínání o určitý čas později a vypínání v nule aby to odpovídalo vstupní informaci. Ale to je speciální SSR někde tu byl odkaz, ale nevím kde. Nikdy jsem nic podobného neviděl. Jen jsem pročítal datasheet...
3,6kWp GWL Poly + 8,82kWp Canadian Mono, 3x PIP4048MS, 5x80P14S = 5600Cells 18650 (~900Ah/47kWh)
Elektrárna: https://emoncms.trenet.org/dashboard/view?id=3
TČ: https://emoncms.trenet.org/dashboard/view?id=21
Elektrárna: https://emoncms.trenet.org/dashboard/view?id=3
TČ: https://emoncms.trenet.org/dashboard/view?id=21
- lemra79
- Příspěvky: 580
- Registrován: sob bře 09, 2019 5:30 pm
- Reputace: 80
- Lokalita: Usteckoorlicko
- Systémové napětí: 48V
- Výkon panelů [Wp]: 12360
- Kapacita baterie [kWh]: 10?
Re: Vytěžovač
mam ve vytezovaci ssr 4-20 mA a funguje to nadherne, pip neprotestuje. kdyz jsem tam mel ssr on/off, blikali me zarovky a trpeli baterky.
Jinko 225 W / 6,075 kWp, GWL/Sunny Mono 310Wp / 2,79 kWp, Energetica 385 Wp / 3,495 kWp
PIP 5048 MG, Multiplus II 5kW, Fangpusun MPPT150/60TR, Victron mppt 150/35 BT
li ion 350 Ah@58V, venus@rpi3+, celkem instalováno 12,36 kWp, 460 m.n.m.
PIP 5048 MG, Multiplus II 5kW, Fangpusun MPPT150/60TR, Victron mppt 150/35 BT
li ion 350 Ah@58V, venus@rpi3+, celkem instalováno 12,36 kWp, 460 m.n.m.
-
- Příspěvky: 1308
- Registrován: úte úno 14, 2017 9:35 pm
- Reputace: 155
Re: Vytěžovač
Odkaz na konkrétní kus prosím? To je asi to co jsem myslel...lemra79 píše:mam ve vytezovaci ssr 4-20 mA a funguje to nadherne, pip neprotestuje. kdyz jsem tam mel ssr on/off, blikali me zarovky a trpeli baterky.
3,6kWp GWL Poly + 8,82kWp Canadian Mono, 3x PIP4048MS, 5x80P14S = 5600Cells 18650 (~900Ah/47kWh)
Elektrárna: https://emoncms.trenet.org/dashboard/view?id=3
TČ: https://emoncms.trenet.org/dashboard/view?id=21
Elektrárna: https://emoncms.trenet.org/dashboard/view?id=3
TČ: https://emoncms.trenet.org/dashboard/view?id=21
- antoni_sk
- Příspěvky: 676
- Registrován: pát lis 17, 2017 3:14 pm
- Reputace: 80
- Bydliště: Liptov
Re: Vytěžovač
Možno blbá otázka, ale:
Kybos má vo svojej schéme SSR typu DA25 Fotek. Aký je to typ relé ?
Na internete som našiel toto info:
Vstupní napětí pro aktivaci: 3 ~ 32V DC
Vstupní pracovní proud: <2mA
Výstupní napětí na zátěži: 24V ~ 380V AC (střídavé)
Výstupní proud do zátěže: 25A
Špičkový výstupní proud: 100A
Úbytek: 1.6V
Čas odezvy: 10ms (ON/OFF)
Typ kontaktu: spínací, triak, spínání v nule
Predpokladám teda že pokiaľ sa na výstupe z Kybos.vytazovaca do SSR objaví min 3V DC, tak sa SSR zopne.
Aké je teda prúdové SSR 4-20 ? Tým pádom sa ale Kybos.schéma nedá použiť ?
Existujú aj SSR relé s väčšším rozsahom vstup.naptätia ? Napr. 3 ~ 50V DC ?
Kybos má vo svojej schéme SSR typu DA25 Fotek. Aký je to typ relé ?
Na internete som našiel toto info:
Vstupní napětí pro aktivaci: 3 ~ 32V DC
Vstupní pracovní proud: <2mA
Výstupní napětí na zátěži: 24V ~ 380V AC (střídavé)
Výstupní proud do zátěže: 25A
Špičkový výstupní proud: 100A
Úbytek: 1.6V
Čas odezvy: 10ms (ON/OFF)
Typ kontaktu: spínací, triak, spínání v nule
Predpokladám teda že pokiaľ sa na výstupe z Kybos.vytazovaca do SSR objaví min 3V DC, tak sa SSR zopne.
Aké je teda prúdové SSR 4-20 ? Tým pádom sa ale Kybos.schéma nedá použiť ?
Existujú aj SSR relé s väčšším rozsahom vstup.naptätia ? Napr. 3 ~ 50V DC ?
FV-1, 60°, 2019 3x Suntech STP280-20/Wfw (840Wp), EPSOLAR LS3024B (30A)
FV-2, 35°, 2020 3x CSUN 280-60P (840Wp), EPEVER LS3024B (30A),
FV-3, 35°, 7/2020 4x Trinasolar TSM-235 (940Wp), SRNE ML 40A MPPT
FV-4, 35°, 10/2021 2x Moser 220Wp (440Wp), EPEVER LS3024B (30A),
FV-5, 45°, 9/2022 6x Trinasolar 235Wp (1400Wp), Easun ISolar SPS 3kW
Meniče: Carspa 3000W (špičk.9000W), Easun ISolar SPS 3kW
batérie: 16x 200Ah LiFePo4 (24V) + 8x 280Ah LiFePo4 (24V)
FV-2, 35°, 2020 3x CSUN 280-60P (840Wp), EPEVER LS3024B (30A),
FV-3, 35°, 7/2020 4x Trinasolar TSM-235 (940Wp), SRNE ML 40A MPPT
FV-4, 35°, 10/2021 2x Moser 220Wp (440Wp), EPEVER LS3024B (30A),
FV-5, 45°, 9/2022 6x Trinasolar 235Wp (1400Wp), Easun ISolar SPS 3kW
Meniče: Carspa 3000W (špičk.9000W), Easun ISolar SPS 3kW
batérie: 16x 200Ah LiFePo4 (24V) + 8x 280Ah LiFePo4 (24V)
-
- Příspěvky: 590
- Registrován: úte zář 06, 2016 2:52 pm
- Reputace: 106
Re: Vytěžovač
V mém systému používám toto relé, taky má napětím řízenou fázovou regulaci.
https://www.enika.cz/rm1e60v25-ssr-as-6 ... 0v_z14449/
https://www.enika.cz/rm1e60v25-ssr-as-6 ... 0v_z14449/
- lemra79
- Příspěvky: 580
- Registrován: sob bře 09, 2019 5:30 pm
- Reputace: 80
- Lokalita: Usteckoorlicko
- Systémové napětí: 48V
- Výkon panelů [Wp]: 12360
- Kapacita baterie [kWh]: 10?
Re: Vytěžovač
josse píše:Odkaz na konkrétní kus prosím? To je asi to co jsem myslel...lemra79 píše:mam ve vytezovaci ssr 4-20 mA a funguje to nadherne, pip neprotestuje. kdyz jsem tam mel ssr on/off, blikali me zarovky a trpeli baterky.
https://www.ebay.com/itm/25-100A-Indust ... 2749.l2649
tohle jsem objednával. 4 - 20 mA znamená, že 4 mA = 0 % otevření, 20 mA = 100 % otevření
Jinko 225 W / 6,075 kWp, GWL/Sunny Mono 310Wp / 2,79 kWp, Energetica 385 Wp / 3,495 kWp
PIP 5048 MG, Multiplus II 5kW, Fangpusun MPPT150/60TR, Victron mppt 150/35 BT
li ion 350 Ah@58V, venus@rpi3+, celkem instalováno 12,36 kWp, 460 m.n.m.
PIP 5048 MG, Multiplus II 5kW, Fangpusun MPPT150/60TR, Victron mppt 150/35 BT
li ion 350 Ah@58V, venus@rpi3+, celkem instalováno 12,36 kWp, 460 m.n.m.
-
- Příspěvky: 1308
- Registrován: úte úno 14, 2017 9:35 pm
- Reputace: 155
Re: Vytěžovač
Kybosův vytezovač je pro obyčejnější SSR. Tam je chytrost ve vytěžovači. U těch dvou SSR výše je chytrost uvnitř.antoni_sk píše:Možno blbá otázka, ale:
Kybos má vo svojej schéme SSR typu DA25 Fotek. Aký je to typ relé ?
Na internete som našiel toto info:
Vstupní napětí pro aktivaci: 3 ~ 32V DC
Vstupní pracovní proud: <2mA
Výstupní napětí na zátěži: 24V ~ 380V AC (střídavé)
Výstupní proud do zátěže: 25A
Špičkový výstupní proud: 100A
Úbytek: 1.6V
Čas odezvy: 10ms (ON/OFF)
Typ kontaktu: spínací, triak, spínání v nule
Predpokladám teda že pokiaľ sa na výstupe z Kybos.vytazovaca do SSR objaví min 3V DC, tak sa SSR zopne.
Aké je teda prúdové SSR 4-20 ? Tým pádom sa ale Kybos.schéma nedá použiť ?
Existujú aj SSR relé s väčšším rozsahom vstup.naptätia ? Napr. 3 ~ 50V DC ?
3,6kWp GWL Poly + 8,82kWp Canadian Mono, 3x PIP4048MS, 5x80P14S = 5600Cells 18650 (~900Ah/47kWh)
Elektrárna: https://emoncms.trenet.org/dashboard/view?id=3
TČ: https://emoncms.trenet.org/dashboard/view?id=21
Elektrárna: https://emoncms.trenet.org/dashboard/view?id=3
TČ: https://emoncms.trenet.org/dashboard/view?id=21
- antoni_sk
- Příspěvky: 676
- Registrován: pát lis 17, 2017 3:14 pm
- Reputace: 80
- Bydliště: Liptov
Re: Vytěžovač
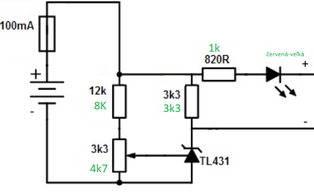
Tak dnes som zosmolil na experimentálnej PCB vyťažovaž podľa Kybosovej schémy, ale asi mi nefunguje - nemám síce ešte na neho zapojené SSR, ale mal som na výstupe multimeter a bolo tam veľmi malé napätie, ani zďaleka aspoň 3V a ani led na vyťažovači nesvietila. Nemal som všetky rezistory presne takej hodnoty ako na Kybos schéme, ale nahradil som ich najbližšími možnými - zeleným písmom moje hodnoty, čierne sú na schéme:
Prvý krát som mal zle zapojený TL431, ale teraz to už mám asi OK...
Tie Kybosove hodnoty sa mi nezdajú - našiel som na nete kalkulačku a tá to vyrátala takto:
v čom môže byť problém 
Prvý krát som mal zle zapojený TL431, ale teraz to už mám asi OK...
Tie Kybosove hodnoty sa mi nezdajú - našiel som na nete kalkulačku a tá to vyrátala takto:
FV-1, 60°, 2019 3x Suntech STP280-20/Wfw (840Wp), EPSOLAR LS3024B (30A)
FV-2, 35°, 2020 3x CSUN 280-60P (840Wp), EPEVER LS3024B (30A),
FV-3, 35°, 7/2020 4x Trinasolar TSM-235 (940Wp), SRNE ML 40A MPPT
FV-4, 35°, 10/2021 2x Moser 220Wp (440Wp), EPEVER LS3024B (30A),
FV-5, 45°, 9/2022 6x Trinasolar 235Wp (1400Wp), Easun ISolar SPS 3kW
Meniče: Carspa 3000W (špičk.9000W), Easun ISolar SPS 3kW
batérie: 16x 200Ah LiFePo4 (24V) + 8x 280Ah LiFePo4 (24V)
FV-2, 35°, 2020 3x CSUN 280-60P (840Wp), EPEVER LS3024B (30A),
FV-3, 35°, 7/2020 4x Trinasolar TSM-235 (940Wp), SRNE ML 40A MPPT
FV-4, 35°, 10/2021 2x Moser 220Wp (440Wp), EPEVER LS3024B (30A),
FV-5, 45°, 9/2022 6x Trinasolar 235Wp (1400Wp), Easun ISolar SPS 3kW
Meniče: Carspa 3000W (špičk.9000W), Easun ISolar SPS 3kW
batérie: 16x 200Ah LiFePo4 (24V) + 8x 280Ah LiFePo4 (24V)
- Marcus81
- Příspěvky: 374
- Registrován: pát dub 28, 2017 8:05 pm
- Reputace: 4
- Lokalita: Senec
- Systémové napětí: 48V
- Výkon panelů [Wp]: cca 16kWp
- Kapacita baterie [kWh]: 30kW Pb
- Bydliště: Blízko Senec, SVK
Re: Vytěžovač
Pokial nemas na vystupe SSR, tak to nebude robit nic, ake SSR pripojis a budes mat vytazovacie napatie nastavene, tak sa ti ledka postupne zacne rozsvecovat...Tiez mi to na prvý krat nefungovalo 

Hybrid, 4x260Wp Amerisolar, 6x260Wp Mono CSun, 2x260Wp Aleo, 9x 230Wp JuliSolar, 32x Astronergy 245Wp, 3f-Victron Energy Multiplus 48/5000, 750 Ah trakčná, 800 Ah OPzV stacionarne, 3xMPPT Victron Energy 150/70-Tr, 1xMPPT Victron Energy 150/45-Tr, AC-out Coupling Fronius Symo 4.5-3-M
zatial vsetko vo výstavbe...
zatial vsetko vo výstavbe...
- marko250
- Příspěvky: 3465
- Registrován: ned led 12, 2014 7:41 pm
- Reputace: 525
- Lokalita: Hlučín
- Bydliště: Hlučín
Re: Vytěžovač
Musíš to mít na SSR napojené.
Tady je seznam co použít na 48V :
R5 33k 0,25W
R3,R4 2x 3k3 0,25W
R1 12k 0,25W
R2 3k3 víceotáčkový trimr (20 otáček)
R6,R7 2x 820 1W
L1 LED 20mA indikační, na barvě nezáleží (nějakou ve viditelném spektru)
S1 trubičková pojistka 100mA/F s držákem do plošného spoje nebo pouzdrem
D1,D2 2x TL431
X1 SSR 25DA - pokud budeš kupovat čínu, vem si raději FOTEK 60DA s chladičem.
univerzální plošný spoj o rozměru minimálně 30x70mm s prokovenými dírami v rastru 2,5mm
svorkovnice do plošného spoje čtyřpólová nebo vhodný nezáměnný čtyřpólový konektorový pár.
A nestačilo to a musel jsem opakovat ještě jednou větev(v kroužku) ,aby se osekalo napětí na řízení SSR,protože při mých 17s jsem výše s napětím baterie 57VDC.A taky změnit odpory R1 9k a R5 22k ,tím jsem dosáhl 6.7V na SSR
Tady je seznam co použít na 48V :
R5 33k 0,25W
R3,R4 2x 3k3 0,25W
R1 12k 0,25W
R2 3k3 víceotáčkový trimr (20 otáček)
R6,R7 2x 820 1W
L1 LED 20mA indikační, na barvě nezáleží (nějakou ve viditelném spektru)
S1 trubičková pojistka 100mA/F s držákem do plošného spoje nebo pouzdrem
D1,D2 2x TL431
X1 SSR 25DA - pokud budeš kupovat čínu, vem si raději FOTEK 60DA s chladičem.
univerzální plošný spoj o rozměru minimálně 30x70mm s prokovenými dírami v rastru 2,5mm
svorkovnice do plošného spoje čtyřpólová nebo vhodný nezáměnný čtyřpólový konektorový pár.
A nestačilo to a musel jsem opakovat ještě jednou větev(v kroužku) ,aby se osekalo napětí na řízení SSR,protože při mých 17s jsem výše s napětím baterie 57VDC.A taky změnit odpory R1 9k a R5 22k ,tím jsem dosáhl 6.7V na SSR
16kWp/JZ-50°/20xChaori 230 ,JV-90°/8xLeapton 650 + <JZ-90° /15xJAsolar / Mono 385, regl Midnite Classic 150<89A> , 1x EASUN <80A> a 1x EASUN <100A>,baterka 17s 54.4VDC LFP4/784Ah<uloží 42kWh>,ŠKATULE 11kW
- antoni_sk
- Příspěvky: 676
- Registrován: pát lis 17, 2017 3:14 pm
- Reputace: 80
- Bydliště: Liptov
Re: Vytěžovač
OK, ale na výstupných svorkách - na ktoré sa pripojí SSR - by som predsa mal namerať nejaké napätie, nie ?
Nedá sa to vyskúšať tak že by som na výstup.svorky dal nejaké zariadenie dokým príde SSR, nejakú malo výkonnú žiarovečku, Led-ku alebo vhodný odpor ?
Marko, ja staviam na 24V systém...
No ja to mám spravené takto:
Nedá sa to vyskúšať tak že by som na výstup.svorky dal nejaké zariadenie dokým príde SSR, nejakú malo výkonnú žiarovečku, Led-ku alebo vhodný odpor ?
Marko, ja staviam na 24V systém...
No ja to mám spravené takto:
FV-1, 60°, 2019 3x Suntech STP280-20/Wfw (840Wp), EPSOLAR LS3024B (30A)
FV-2, 35°, 2020 3x CSUN 280-60P (840Wp), EPEVER LS3024B (30A),
FV-3, 35°, 7/2020 4x Trinasolar TSM-235 (940Wp), SRNE ML 40A MPPT
FV-4, 35°, 10/2021 2x Moser 220Wp (440Wp), EPEVER LS3024B (30A),
FV-5, 45°, 9/2022 6x Trinasolar 235Wp (1400Wp), Easun ISolar SPS 3kW
Meniče: Carspa 3000W (špičk.9000W), Easun ISolar SPS 3kW
batérie: 16x 200Ah LiFePo4 (24V) + 8x 280Ah LiFePo4 (24V)
FV-2, 35°, 2020 3x CSUN 280-60P (840Wp), EPEVER LS3024B (30A),
FV-3, 35°, 7/2020 4x Trinasolar TSM-235 (940Wp), SRNE ML 40A MPPT
FV-4, 35°, 10/2021 2x Moser 220Wp (440Wp), EPEVER LS3024B (30A),
FV-5, 45°, 9/2022 6x Trinasolar 235Wp (1400Wp), Easun ISolar SPS 3kW
Meniče: Carspa 3000W (špičk.9000W), Easun ISolar SPS 3kW
batérie: 16x 200Ah LiFePo4 (24V) + 8x 280Ah LiFePo4 (24V)
- Marcus81
- Příspěvky: 374
- Registrován: pát dub 28, 2017 8:05 pm
- Reputace: 4
- Lokalita: Senec
- Systémové napětí: 48V
- Výkon panelů [Wp]: cca 16kWp
- Kapacita baterie [kWh]: 30kW Pb
- Bydliště: Blízko Senec, SVK
Re: Vytěžovač
odmysli si tu zakruzkovanu cast a mas to na 24V
Hybrid, 4x260Wp Amerisolar, 6x260Wp Mono CSun, 2x260Wp Aleo, 9x 230Wp JuliSolar, 32x Astronergy 245Wp, 3f-Victron Energy Multiplus 48/5000, 750 Ah trakčná, 800 Ah OPzV stacionarne, 3xMPPT Victron Energy 150/70-Tr, 1xMPPT Victron Energy 150/45-Tr, AC-out Coupling Fronius Symo 4.5-3-M
zatial vsetko vo výstavbe...
zatial vsetko vo výstavbe...
- antoni_sk
- Příspěvky: 676
- Registrován: pát lis 17, 2017 3:14 pm
- Reputace: 80
- Bydliště: Liptov
Re: Vytěžovač
Ved tak to zhruba mám - ved pozri ten prvý obrázok čo som dal 5 príspevkov vyššie 

FV-1, 60°, 2019 3x Suntech STP280-20/Wfw (840Wp), EPSOLAR LS3024B (30A)
FV-2, 35°, 2020 3x CSUN 280-60P (840Wp), EPEVER LS3024B (30A),
FV-3, 35°, 7/2020 4x Trinasolar TSM-235 (940Wp), SRNE ML 40A MPPT
FV-4, 35°, 10/2021 2x Moser 220Wp (440Wp), EPEVER LS3024B (30A),
FV-5, 45°, 9/2022 6x Trinasolar 235Wp (1400Wp), Easun ISolar SPS 3kW
Meniče: Carspa 3000W (špičk.9000W), Easun ISolar SPS 3kW
batérie: 16x 200Ah LiFePo4 (24V) + 8x 280Ah LiFePo4 (24V)
FV-2, 35°, 2020 3x CSUN 280-60P (840Wp), EPEVER LS3024B (30A),
FV-3, 35°, 7/2020 4x Trinasolar TSM-235 (940Wp), SRNE ML 40A MPPT
FV-4, 35°, 10/2021 2x Moser 220Wp (440Wp), EPEVER LS3024B (30A),
FV-5, 45°, 9/2022 6x Trinasolar 235Wp (1400Wp), Easun ISolar SPS 3kW
Meniče: Carspa 3000W (špičk.9000W), Easun ISolar SPS 3kW
batérie: 16x 200Ah LiFePo4 (24V) + 8x 280Ah LiFePo4 (24V)
- Marcus81
- Příspěvky: 374
- Registrován: pát dub 28, 2017 8:05 pm
- Reputace: 4
- Lokalita: Senec
- Systémové napětí: 48V
- Výkon panelů [Wp]: cca 16kWp
- Kapacita baterie [kWh]: 30kW Pb
- Bydliště: Blízko Senec, SVK
Re: Vytěžovač
Ale pokial nemas zapojene SSR na vystupe, tak ti to nepojde!
Hybrid, 4x260Wp Amerisolar, 6x260Wp Mono CSun, 2x260Wp Aleo, 9x 230Wp JuliSolar, 32x Astronergy 245Wp, 3f-Victron Energy Multiplus 48/5000, 750 Ah trakčná, 800 Ah OPzV stacionarne, 3xMPPT Victron Energy 150/70-Tr, 1xMPPT Victron Energy 150/45-Tr, AC-out Coupling Fronius Symo 4.5-3-M
zatial vsetko vo výstavbe...
zatial vsetko vo výstavbe...
- antoni_sk
- Příspěvky: 676
- Registrován: pát lis 17, 2017 3:14 pm
- Reputace: 80
- Bydliště: Liptov
Re: Vytěžovač
SSR nie je odporová záťaž pre vyťažovač ?
Dal som miesto neho na výst. svorky odpor 680 ohm, ale nič.
Je OK, že na referenčnom pine TL431 je len maximálne 2,2V pri vstupnom U 25V voči nule a na katóde len 1,2V ?
Neviem, moc neverím že to bude v mojom prípade po pripojení SSR fungovať...
Dal som miesto neho na výst. svorky odpor 680 ohm, ale nič.
Je OK, že na referenčnom pine TL431 je len maximálne 2,2V pri vstupnom U 25V voči nule a na katóde len 1,2V ?
Neviem, moc neverím že to bude v mojom prípade po pripojení SSR fungovať...
FV-1, 60°, 2019 3x Suntech STP280-20/Wfw (840Wp), EPSOLAR LS3024B (30A)
FV-2, 35°, 2020 3x CSUN 280-60P (840Wp), EPEVER LS3024B (30A),
FV-3, 35°, 7/2020 4x Trinasolar TSM-235 (940Wp), SRNE ML 40A MPPT
FV-4, 35°, 10/2021 2x Moser 220Wp (440Wp), EPEVER LS3024B (30A),
FV-5, 45°, 9/2022 6x Trinasolar 235Wp (1400Wp), Easun ISolar SPS 3kW
Meniče: Carspa 3000W (špičk.9000W), Easun ISolar SPS 3kW
batérie: 16x 200Ah LiFePo4 (24V) + 8x 280Ah LiFePo4 (24V)
FV-2, 35°, 2020 3x CSUN 280-60P (840Wp), EPEVER LS3024B (30A),
FV-3, 35°, 7/2020 4x Trinasolar TSM-235 (940Wp), SRNE ML 40A MPPT
FV-4, 35°, 10/2021 2x Moser 220Wp (440Wp), EPEVER LS3024B (30A),
FV-5, 45°, 9/2022 6x Trinasolar 235Wp (1400Wp), Easun ISolar SPS 3kW
Meniče: Carspa 3000W (špičk.9000W), Easun ISolar SPS 3kW
batérie: 16x 200Ah LiFePo4 (24V) + 8x 280Ah LiFePo4 (24V)
- marko250
- Příspěvky: 3465
- Registrován: ned led 12, 2014 7:41 pm
- Reputace: 525
- Lokalita: Hlučín
- Bydliště: Hlučín
Re: Vytěžovač
Já tohle nesnáším a nerozumím tomu,ale jde to najít ,co je na řídící větvi SSR: https://www.electronicshub.org/solid-state-relay/
16kWp/JZ-50°/20xChaori 230 ,JV-90°/8xLeapton 650 + <JZ-90° /15xJAsolar / Mono 385, regl Midnite Classic 150<89A> , 1x EASUN <80A> a 1x EASUN <100A>,baterka 17s 54.4VDC LFP4/784Ah<uloží 42kWh>,ŠKATULE 11kW
-
- Příspěvky: 1121
- Registrován: úte led 24, 2012 8:55 am
- Reputace: 58
- Lokalita: Okolí Uherského Brodu
- Chci prodávat energii: NE
- Chci/Mám dotaci: NE
Re: Vytěžovač
lemra79 píše:josse píše:Odkaz na konkrétní kus prosím? To je asi to co jsem myslel...lemra79 píše:mam ve vytezovaci ssr 4-20 mA a funguje to nadherne, pip neprotestuje. kdyz jsem tam mel ssr on/off, blikali me zarovky a trpeli baterky.
https://www.ebay.com/itm/25-100A-Indust ... 2749.l2649
tohle jsem objednával. 4 - 20 mA znamená, že 4 mA = 0 % otevření, 20 mA = 100 % otevření
a jaké bylo finální zapojení?
kdo si hraje nezlobí
9xRenesola 240Wp+9x Benq 265Wp, 6xTrina 410Wp, 14x Leapton 450Wp, 2xStuder VT65 1xVT 80, 2x XTM4000-48, 40kW Lifepo4..vše ve výstavbě, hotovo 99%. BMW i3 BEV
9xRenesola 240Wp+9x Benq 265Wp, 6xTrina 410Wp, 14x Leapton 450Wp, 2xStuder VT65 1xVT 80, 2x XTM4000-48, 40kW Lifepo4..vše ve výstavbě, hotovo 99%. BMW i3 BEV
- berounskygrizly
- Příspěvky: 52
- Registrován: pát říj 06, 2017 5:27 pm
- Reputace: 7
- Lokalita: kousek od Berouna
- Systémové napětí: 24V
- Výkon panelů [Wp]: 5000
- Kapacita baterie [kWh]: 20
- Chci prodávat energii: NE
- Chci/Mám dotaci: NE
Re: Vytěžovač
mám zapojeno takhle a funguje jak má pokud nemáš SSR, tak svorky pro SSR propoj, jinak ti led ani svítit nemůže.antoni_sk píše:Tak dnes som zosmolil na experimentálnej PCB vyťažovaž podľa Kybosovej schémy, ale asi mi nefunguje - nemám síce ešte na neho zapojené SSR, ale mal som na výstupe multimeter a bolo tam veľmi malé napätie, ani zďaleka aspoň 3V a ani led na vyťažovači nesvietila. Nemal som všetky rezistory presne takej hodnoty ako na Kybos schéme, ale nahradil som ich najbližšími možnými - zeleným písmom moje hodnoty, čierne sú na schéme:v čom môže byť problém![]()
Prvý krát som mal zle zapojený TL431, ale teraz to už mám asi OK...
Tie Kybosove hodnoty sa mi nezdajú - našiel som na nete kalkulačku a tá to vyrátala takto:
- antoni_sk
- Příspěvky: 676
- Registrován: pát lis 17, 2017 3:14 pm
- Reputace: 80
- Bydliště: Liptov
Re: Vytěžovač
Tak nič, prepojil som aj kontakty ale nič sa nedeje...
Začínam mať podozrenie na LED pred výstupom, myslím že by mohla byť vadná.
Meral som ju multimetrom a odpor je rovnaký z jednej aj z opačnej strany.
Ako spolahlivo otestujem túto LED-ku ?
Začínam mať podozrenie na LED pred výstupom, myslím že by mohla byť vadná.
Meral som ju multimetrom a odpor je rovnaký z jednej aj z opačnej strany.
Ako spolahlivo otestujem túto LED-ku ?
FV-1, 60°, 2019 3x Suntech STP280-20/Wfw (840Wp), EPSOLAR LS3024B (30A)
FV-2, 35°, 2020 3x CSUN 280-60P (840Wp), EPEVER LS3024B (30A),
FV-3, 35°, 7/2020 4x Trinasolar TSM-235 (940Wp), SRNE ML 40A MPPT
FV-4, 35°, 10/2021 2x Moser 220Wp (440Wp), EPEVER LS3024B (30A),
FV-5, 45°, 9/2022 6x Trinasolar 235Wp (1400Wp), Easun ISolar SPS 3kW
Meniče: Carspa 3000W (špičk.9000W), Easun ISolar SPS 3kW
batérie: 16x 200Ah LiFePo4 (24V) + 8x 280Ah LiFePo4 (24V)
FV-2, 35°, 2020 3x CSUN 280-60P (840Wp), EPEVER LS3024B (30A),
FV-3, 35°, 7/2020 4x Trinasolar TSM-235 (940Wp), SRNE ML 40A MPPT
FV-4, 35°, 10/2021 2x Moser 220Wp (440Wp), EPEVER LS3024B (30A),
FV-5, 45°, 9/2022 6x Trinasolar 235Wp (1400Wp), Easun ISolar SPS 3kW
Meniče: Carspa 3000W (špičk.9000W), Easun ISolar SPS 3kW
batérie: 16x 200Ah LiFePo4 (24V) + 8x 280Ah LiFePo4 (24V)
Kdo je online
Uživatelé prohlížející si toto fórum: Claudebot [Bot], Seznam [Bot] a 2 hosti