Dotaz - přepínač sítí a poškození domácích spotřebičů
Souhrn tématu
Uživatelé diskutují o zkušenostech s rychlými přepínači sítí mezi distribuční sítí (DS) a fotovoltaickou elektrárnou (FVE) bez synchronizace fází. Hlavním tématem je, zda přepínání může poškodit domácí spotřebiče jako pračky nebo ledničky. Diskuze zahrnuje i technické detaily o stykačích, prioritách přepínání a bezpečnosti provozu, přičemž většina uživatelů zatím nezaznamenala žádné škody na spotřebičích.
- Pawel
- Příspěvky: 991
- Registrován: stř říj 02, 2013 8:57 am
- Reputace:72
Re: Dotaz - přepínač sítí a poškození domácích spotřebičů
Neměl to být tento, pro FV https://www.aliexpress.com/item/4000818 ... 5618%23902 To doporučené zapojení by mě také zajímalo a tak předem děkuji za radu.
- fatter
- Příspěvky: 235
- Registrován: čtv led 18, 2018 12:11 pm
- Reputace:3
- Lokalita: Bratislava
Re: Dotaz - přepínač sítí a poškození domácích spotřebičů
Ano to je on.Cinan mi pisal, ze sa to da prepnut z nejakeho vystupu nejakeho BMS, ale ako..to uz nenapisal
30xGS55 (1600W)JV a 30xGS55 (1600W)JZ, 6x320W PERC JZ, Axpert 48V 5kW 800Ah gel. olovo, menič 2500W, MPPT 48V40A 300Ah AGM olovo,BMS Victron BMV700,702
- Dusan61
- Příspěvky: 343
- Registrován: úte kvě 22, 2018 6:38 am
- Reputace:112
- Lokalita: Zvolen
- Systémové napětí: 24V
- Výkon panelů [Wp]: 3960
- Kapacita baterie [kWh]: 13
- Bydliště: ZV
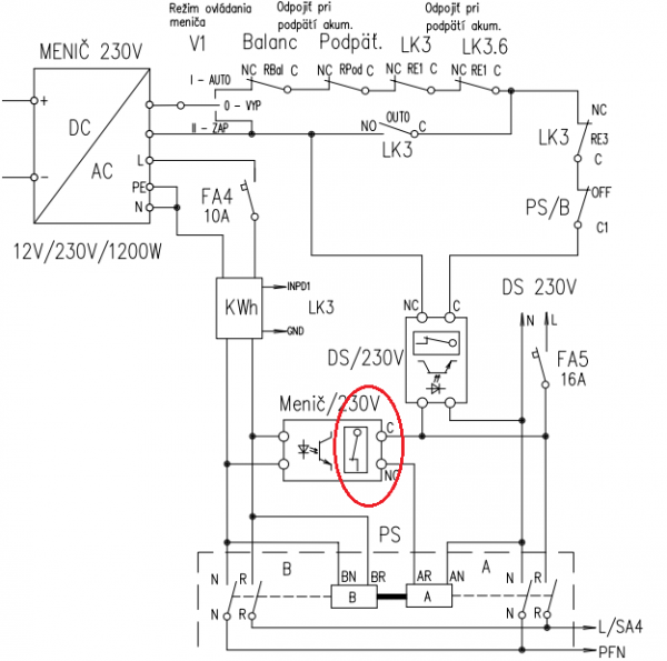
Re: Dotaz - přepínač sítí a poškození domácích spotřebičů
Ja mám tiež tento prepínač, všetko mi riadi LK3.
Prepínač sa prepína podľa stavu meniča cez pomocné relé.
Zo zapojenia použijete len tú spodnú časť.
Keď namiesto toho kontaktu v krúžku zapojíte iný kontakt patrične dimenzovaný, tak by to malo fungovať aj v inom zapojení.
Prepínač sa prepína podľa stavu meniča cez pomocné relé.
Zo zapojenia použijete len tú spodnú časť.
Keď namiesto toho kontaktu v krúžku zapojíte iný kontakt patrične dimenzovaný, tak by to malo fungovať aj v inom zapojení.
Panel 270 Wp ZV
Panely 3960 Wp, Regulátor EPEVER-150VDC/80A, Meniče Dom/Victron 5000 VA/24V, Bojler/Victron 3000 VA/24V, Akumulátor Li-ion 18650 56P/8S + Li-ion 50Ah 3P/8S + Li-ion 150Ah 8S = 31,6V/440Ah
LK3 monitoring
Grafy:Panely 3960 WpNapätie na akum.Energia v akum.Denný výkon/spotreba
DC/DC menič
Panely 3960 Wp, Regulátor EPEVER-150VDC/80A, Meniče Dom/Victron 5000 VA/24V, Bojler/Victron 3000 VA/24V, Akumulátor Li-ion 18650 56P/8S + Li-ion 50Ah 3P/8S + Li-ion 150Ah 8S = 31,6V/440Ah
LK3 monitoring
Grafy:Panely 3960 WpNapätie na akum.Energia v akum.Denný výkon/spotreba
DC/DC menič
- MilosV
- Příspěvky: 87
- Registrován: pon říj 05, 2020 11:28 pm
- Reputace:13
Re: Dotaz - přepínač sítí a poškození domácích spotřebičů
Posílám moje řešení.
Jeden přepínač používám na odpojení od DS - jednak v případě výpadku DS dojde ke galvanickému odpojení DS (na foto ten spodní), horní je jako přepínač DS 3f/FVE 1f.
Zatím je to ovládáno ručně přes vypinače u FVE a v hlavním rozvaděči, po dokončení automatizace to ještě bude napojeno na ní - havarijní vypinání, nízké napětí baterie ….
Na hodnocení je celkem brzo - FVE jsem spustil 18.4.2021.
Zapojení je z nouze ctnost, po objednání spodního přepínače jsem se dočetl, že není vhodný k přepínání FVE. Tak jsem objednal ten horní a první použil jako odpínač DS....
V prázdných krabičkách mezi přpinači mám nyní proudové snímače pro LK3, ale momentální stav je zde zatím nepublikovatelný
.
Jeden přepínač používám na odpojení od DS - jednak v případě výpadku DS dojde ke galvanickému odpojení DS (na foto ten spodní), horní je jako přepínač DS 3f/FVE 1f.
Zatím je to ovládáno ručně přes vypinače u FVE a v hlavním rozvaděči, po dokončení automatizace to ještě bude napojeno na ní - havarijní vypinání, nízké napětí baterie ….
Na hodnocení je celkem brzo - FVE jsem spustil 18.4.2021.
Zapojení je z nouze ctnost, po objednání spodního přepínače jsem se dočetl, že není vhodný k přepínání FVE. Tak jsem objednal ten horní a první použil jako odpínač DS....
V prázdných krabičkách mezi přpinači mám nyní proudové snímače pro LK3, ale momentální stav je zde zatím nepublikovatelný
2x 11s panelů 310Wp, Axpert MAX 7200, baterie LiFePo4 3p16s 360 Ah.
- fugas
- Příspěvky: 2237
- Registrován: sob pro 21, 2013 6:58 pm
- Reputace:384
Re: Dotaz - přepínač sítí a poškození domácích spotřebičů
Ahoj.
Pokud by platilo, že Axpert je sfázovaný se sítí a pokud by bylo možné na jeho výstup přivést síť (na pár milisekund) pak by bylo přepínání s Axpertem snadné a hlavně bezpečné i pro laika.
V režimu SUB stykačem přivést síť, která současně napájí měnič na jeho výstup a v podstatě současně výstup měniče odpojit.Vše by proběhlo na stejné vlně a bez výpadku.Měnič už pak stačí jen vypnout.Opačně pak samozřejmě reverzním postupem.Otázka ale je, co se stane, když dostane síť, byť stejnou, na svůj výstup.V jiném vlákně jsem dostal odpověď, že to patrně nepřežije.
EDIT: Omlouvám se.Stykače 3 a 4 samozřejmě patří pod to spojení.
Pokud by platilo, že Axpert je sfázovaný se sítí a pokud by bylo možné na jeho výstup přivést síť (na pár milisekund) pak by bylo přepínání s Axpertem snadné a hlavně bezpečné i pro laika.
V režimu SUB stykačem přivést síť, která současně napájí měnič na jeho výstup a v podstatě současně výstup měniče odpojit.Vše by proběhlo na stejné vlně a bez výpadku.Měnič už pak stačí jen vypnout.Opačně pak samozřejmě reverzním postupem.Otázka ale je, co se stane, když dostane síť, byť stejnou, na svůj výstup.V jiném vlákně jsem dostal odpověď, že to patrně nepřežije.
EDIT: Omlouvám se.Stykače 3 a 4 samozřejmě patří pod to spojení.
Isolar 5kW (Axpert klon), LiFePo4 202Ah Lishen 18s.Nyní v přestavbě P106 Electric z projektuLiFePo4 na LiIon 100Ah.
- Damned
- Příspěvky: 20
- Registrován: pon led 09, 2023 10:20 pm
- Reputace:0
Re: Dotaz - přepínač sítí a poškození domácích spotřebičů
Ahoj všem, narazil jsem na toto zajimavé téma.
Mohli by jste mě prosím poradit, zejmena s odstupem času máte vyzkoušeno co jak funguje.
Pořídil jsem si motorový přepínač sítí 4P/63A,
https://www.aliexpress.com/item/32985783231.html
je docela fortelný s blokací, má z výroby nastavenou prioritu být přepnut na jednu stranu, když je tam napětí (fotovolt. elektr.), když napětí zmizí přepne se na zálohu (distribuční siť).
Bohužel to trvá nějaké ty dvě vteřiny (zvláštní z ds na fotovolt. mu to jde výrazně rychleji), takže pc, tv...se restartují.
kluka chytá hysterák a já pak taky... 
Přemýšlel jsem že bych místo něho použil tento,
https://www.aliexpress.com/item/1005003825886696.html
je konstrukčně jiný a možná ne tak bezpečný??? Koupil jsem ho jako první, ale odradily mě v diskuzích strach o vytahování jisker z ds na měnič atp, má u sebe poměrně blízko kontakty, nevím jak je tam udělaná blokace.
Hlavně mě nebylo jasné, jak zapojím ovládání, aby měl také prioritu na fotovoltaice a ne když bude napětí na obou stranách aby cykloval mezi oběma stavy.
Prý se přepíná velmi rychle, tak kdyby jste byli tak hodní a něco mě k němu napsali a jestli se na něm dá udělat ta priorita na fotovoltaice.
Samo mě nejvíc zaujaly ty stykače se vzájemným blokováním. Dá se na nich nastavit priorita na jedné straně? To si bez nějakého dodatečného obvodu, který by ovládal cívky stykčů nedovedu představit. nebo se pletu?
Ale to by mě někdo hodný musel někdo polopaticky vysvětlit které bych měl objednat plus to příslušenství...koukal jsem, že mají v nabídce rovnou i stykačový přepínač.
Jsem původem mechanik elektonik, i když se tím léta neživím, doma kutím statečně
ale ve stykačích plavu bohužel...
Díky moc všem!
PS: abych se držel tématu, zatím nám nic neodešlo. Asi díky tomu že se to přepíná pomalu, ale i když přepnu svižně rukou nic se neděje. Mrazáky máme ve sklepě, tak nevím, ale manžekla zatím žádnou jobovku s rozteklým mrazákem nehlásila. S fázováním bych si zatím nedělal hlavu.
Mohli by jste mě prosím poradit, zejmena s odstupem času máte vyzkoušeno co jak funguje.
Pořídil jsem si motorový přepínač sítí 4P/63A,
https://www.aliexpress.com/item/32985783231.html
je docela fortelný s blokací, má z výroby nastavenou prioritu být přepnut na jednu stranu, když je tam napětí (fotovolt. elektr.), když napětí zmizí přepne se na zálohu (distribuční siť).
Bohužel to trvá nějaké ty dvě vteřiny (zvláštní z ds na fotovolt. mu to jde výrazně rychleji), takže pc, tv...se restartují.
Přemýšlel jsem že bych místo něho použil tento,
https://www.aliexpress.com/item/1005003825886696.html
je konstrukčně jiný a možná ne tak bezpečný??? Koupil jsem ho jako první, ale odradily mě v diskuzích strach o vytahování jisker z ds na měnič atp, má u sebe poměrně blízko kontakty, nevím jak je tam udělaná blokace.
Hlavně mě nebylo jasné, jak zapojím ovládání, aby měl také prioritu na fotovoltaice a ne když bude napětí na obou stranách aby cykloval mezi oběma stavy.
Prý se přepíná velmi rychle, tak kdyby jste byli tak hodní a něco mě k němu napsali a jestli se na něm dá udělat ta priorita na fotovoltaice.
Samo mě nejvíc zaujaly ty stykače se vzájemným blokováním. Dá se na nich nastavit priorita na jedné straně? To si bez nějakého dodatečného obvodu, který by ovládal cívky stykčů nedovedu představit. nebo se pletu?
Ale to by mě někdo hodný musel někdo polopaticky vysvětlit které bych měl objednat plus to příslušenství...koukal jsem, že mají v nabídce rovnou i stykačový přepínač.
Jsem původem mechanik elektonik, i když se tím léta neživím, doma kutím statečně
Díky moc všem!
PS: abych se držel tématu, zatím nám nic neodešlo. Asi díky tomu že se to přepíná pomalu, ale i když přepnu svižně rukou nic se neděje. Mrazáky máme ve sklepě, tak nevím, ale manžekla zatím žádnou jobovku s rozteklým mrazákem nehlásila. S fázováním bych si zatím nedělal hlavu.
- Soban
- Příspěvky: 4639
- Registrován: pon úno 07, 2022 10:11 pm
- Reputace:310
- Lokalita: Zlaté Hory / Olomouc
- Systémové napětí: 24V
- Výkon panelů [Wp]: 3600
- Kapacita baterie [kWh]: 16
- Chci prodávat energii: NE
- Chci/Mám dotaci: NE
- Bydliště: Zlaté Hory
Re: Dotaz - přepínač sítí a poškození domácích spotřebičů
Skoukni: https://www.youtube.com/watch?v=v7AKo1FRyQE
Jak přivedeš napětí na jednu cívku tak se to přepne na jednu stranu, pokud přivedeš napětí na druhou přepne se to do druhé polohy, pokud na obě přepne se to na tu prioritní - nezačne to kmitat.
Jak přivedeš napětí na jednu cívku tak se to přepne na jednu stranu, pokud přivedeš napětí na druhou přepne se to do druhé polohy, pokud na obě přepne se to na tu prioritní - nezačne to kmitat.
3,6kWp
| 2x MUST PV18-3024 VHM, 3kW/24V | 1x INVERTER 5kW/24V | 16kWh
- Damned
- Příspěvky: 20
- Registrován: pon led 09, 2023 10:20 pm
- Reputace:0
Re: Dotaz - přepínač sítí a poškození domácích spotřebičů
Ahoj, díky moc za reakci.
Konečně jsem přepínač po pul roce vyndal z krabice
a ano, má prioritu na fve, alespoň doufám 
Je k tomu i schema jak je to vevnitř, ty ovládací relátka zapojené.
Teď už jenom zjistit jak se to chová u těch co ho již delší dobu provozují.
Už jsem se ptal vedle v tematu, které jsem předtím nenašel, ale možná sem někdo také zavítá.
Také by mě v tomto tématu zajímaly ty stykače. Čím se ovládají.
Ale nevím jestli sem ještě marko250 chodí.
Konečně jsem přepínač po pul roce vyndal z krabice
Je k tomu i schema jak je to vevnitř, ty ovládací relátka zapojené.
Teď už jenom zjistit jak se to chová u těch co ho již delší dobu provozují.
Už jsem se ptal vedle v tematu, které jsem předtím nenašel, ale možná sem někdo také zavítá.
Také by mě v tomto tématu zajímaly ty stykače. Čím se ovládají.
Ale nevím jestli sem ještě marko250 chodí.
- bol-St
- Příspěvky: 328
- Registrován: čtv bře 20, 2014 7:20 am
- Reputace:33
- Lokalita: Opavsko
- Systémové napětí: 48V
- Výkon panelů [Wp]: 9375
- Kapacita baterie [kWh]: 30
- Chci prodávat energii: NE
- Chci/Mám dotaci: NE
- Bydliště: Hlučínsko
Re: Dotaz - přepínač sítí a poškození domácích spotřebičů
Já používám v podružných rozvaděčích 3 ks těchto přepínačů a můžu potvrdit že fungují spolehlivě. V provozu jsou 2 roky a na jednom ATS se pokazila automatika přepínání, tak jsem ho vyměnil za jiný.
- cipis
- Moderátor
- Příspěvky: 7159
- Registrován: pon srp 16, 2021 9:31 pm
- Reputace:1013
- Lokalita: blízko Brna
- Systémové napětí: 24V
- Výkon panelů [Wp]: 18+ kWp
- Kapacita baterie [kWh]: 40+26
- Chci prodávat energii: NE
- Chci/Mám dotaci: NE
- Bydliště: blízko Brna
Re: Dotaz - přepínač sítí a poškození domácích spotřebičů
Tak tobě se posere třetina, a prej fungují spolehlivě 
To moc dobrá reference zrovna není.
To moc dobrá reference zrovna není.
18+ kWp v provozu, 7+ kWp čeká na montáž/zapojení
Regulátory Epever a Victron
MP 24/5000 + Deye mikroinvertory 1+2,25+0,8 kW (můj byt + máti byt)
MP 24/1200 inet, sit, kamery atd.
Phoenix 24/5000 vytěžování do akumulačních kamen
Epever 3kW vytěžování do bojlerů + žebříky
1 kW "nabíječka" 24 V
40+ kWh staré olovo 26+ kWh Li-Ion
několik dalších MP jako záložní zdroje na různých místech
Modře píši jako moderátor, černě jako člen.
Regulátory Epever a Victron
MP 24/5000 + Deye mikroinvertory 1+2,25+0,8 kW (můj byt + máti byt)
MP 24/1200 inet, sit, kamery atd.
Phoenix 24/5000 vytěžování do akumulačních kamen
Epever 3kW vytěžování do bojlerů + žebříky
1 kW "nabíječka" 24 V
40+ kWh staré olovo 26+ kWh Li-Ion
několik dalších MP jako záložní zdroje na různých místech
Modře píši jako moderátor, černě jako člen.
- teonas
- Příspěvky: 51
- Registrován: stř led 15, 2020 10:34 am
- Reputace:3
- Lokalita: okolí Třebíče
- Systémové napětí: 48V
- Výkon panelů [Wp]: 5500
- Kapacita baterie [kWh]: 10
- Chci prodávat energii: NE
- Chci/Mám dotaci: NE
Re: Dotaz - přepínač sítí a poškození domácích spotřebičů
Používám tento: https://www.emas.cz/412903-cx3-prepinac-2x-1-0-2
Je sice ruční, ale je levný, má 3 polohy a je rychlý, takže u Axperta i když není přifázovaný se sítí se s ním dá bez problému ručně přepnout bez výpadku elektroniky (PC, monitor, switche, ŘJ topení, různé hodiny na spotřebičích atd...)
Je sice ruční, ale je levný, má 3 polohy a je rychlý, takže u Axperta i když není přifázovaný se sítí se s ním dá bez problému ručně přepnout bez výpadku elektroniky (PC, monitor, switche, ŘJ topení, různé hodiny na spotřebičích atd...)
- Pawel
- Příspěvky: 991
- Registrován: stř říj 02, 2013 8:57 am
- Reputace:72
Re: Dotaz - přepínač sítí a poškození domácích spotřebičů
Podle mě není problém výpadek při přepnutí ale při nesfázování a přepínáni třeba bojleru z FV na DS se asi natáhnul pěkný oblouk a relé se speklo.
Kdo je online
Uživatelé procházející toto fórum: Claudebot [Bot], Google [Bot]
