FVE 19,95 kWp bez kompromisů - Dolní Posázaví
Souhrn tématu
Plánujeme instalaci fotovoltaické elektrárny o výkonu 19,95 kWp na pasivním bungalovu v Dolním Posázaví bez využití dotací. Systém bude navržen tak, aby pokryl vysokou spotřebu domu a zajistil provoz i při výpadku sítě. Diskutujeme vhodné komponenty, uspořádání panelů, baterie a možnosti DC Couplingu pro maximální efektivitu a soběstačnost.
- Quickyprd
- Příspěvky: 249
- Registrován: úte kvě 26, 2020 3:50 pm
- Reputace:24
Re: FVE 19,95 kWp bez kompromisů - Dolní Posázaví
Já osobnš bych volil "pozlacenou" tašku, přeci jen to bude systémové a těsnost střechy RD je před FVE. Střecha prostě na prvním místě.
- Kobra23
- Příspěvky: 464
- Registrován: ned úno 12, 2017 9:32 pm
- Reputace:143
Re: FVE 19,95 kWp bez kompromisů - Dolní Posázaví
Trochu jsem pokročil. Momentálně montuji háky na střechu a vyrábím Omega příchytky.
- Kobra23
- Příspěvky: 464
- Registrován: ned úno 12, 2017 9:32 pm
- Reputace:143
Re: FVE 19,95 kWp bez kompromisů - Dolní Posázaví
Aktualizace z dnešního dne.
- Kobra23
- Příspěvky: 464
- Registrován: ned úno 12, 2017 9:32 pm
- Reputace:143
Re: FVE 19,95 kWp bez kompromisů - Dolní Posázaví
Dotaz na zkušenější: Budu mít 6 stringů (3x10 a 3x9) zapojených systémem Leap-frog.
Jak byste instalovali panely?
Pojedu zprava do leva. Mám montovat nejdříve např. celou spodní vodorovnou řadu nebo mám dělat nejdříve svislé řady? Nebo úplně jiný způsob?
Jak byste instalovali panely?
Pojedu zprava do leva. Mám montovat nejdříve např. celou spodní vodorovnou řadu nebo mám dělat nejdříve svislé řady? Nebo úplně jiný způsob?
- ota
- Příspěvky: 2297
- Registrován: čtv dub 18, 2013 9:37 am
- Reputace:514
- Bydliště: na chaloupce u lesa-Příbramsko
Re: FVE 19,95 kWp bez kompromisů - Dolní Posázaví
8mm v omega profilu je málo. Chce to 8,5mm. Vůle pro šroub co má taky 8mm je potřebná.
Montovat začni od shora. Jinak se ty už namontovaný panely blbě přelejzaj.
Montovat začni od shora. Jinak se ty už namontovaný panely blbě přelejzaj.
70kWp + 10kW Infinity, 25kWh LiFe
- marko250
- Příspěvky: 3714
- Registrován: ned led 12, 2014 7:41 pm
- Reputace:574
- Lokalita: Hlučín
- Bydliště: Hlučín
Re: FVE 19,95 kWp bez kompromisů - Dolní Posázaví
Ty máš vývody z panelů uprostřed? Jinak se to dá takto:
20.415kWp/JZ-39°/16x Jinko bifacial 590 ,JV-90°/8xLeapton mono 650 + <JZ-90° /15xJAsolar / mono 385
regly EASUN 2x 5.5kWp MPPT <28A> , 1x EASUN <80A> a 1x EASUN <100A>
baterka 17s 54.4VDC LFP4/1412Ah<uloží 76kWh>
dvě ŠKATULE 11kW paraelně /22kW
regly EASUN 2x 5.5kWp MPPT <28A> , 1x EASUN <80A> a 1x EASUN <100A>
baterka 17s 54.4VDC LFP4/1412Ah<uloží 76kWh>
dvě ŠKATULE 11kW paraelně /22kW
- kodl69
- Příspěvky: 8427
- Registrován: sob črc 19, 2014 8:56 pm
- Reputace:1090
- Lokalita: severně od Brna
- Systémové napětí: 48V
- Výkon panelů [Wp]: 8kWp
- Kapacita baterie [kWh]: 12kWh
- Chci prodávat energii: NE
- Chci/Mám dotaci: NE
Re: FVE 19,95 kWp bez kompromisů - Dolní Posázaví
Díry pro M8 dělám 8.2mm. Hlavně je potřeba mít správnou délku šroubu, krátkej nechce zachytit matici v profilu, dlouhej naopak začne bourat žebro v profilu. Stejně tak čtvercový matky jsou tenčí a tlustší, ty tlustší jsou lepší, a je potřeba je dávat rovnou plochou nahoru... Origo "solární" imbusy mají zespodu protipovolovací vroubky, ale za blbiny nevyhazuju prachy. S tím odshora souhlasím. Na prudší střeše si na háky zavěsím krátkejma popruhama fošinku, která má zespodu dřevěný trojůhelníčky, aby ležela vodorovně, je to pak pěkná pracovní plošina i pro ty, co se bojí vejšek.
Jo a na nerez musí přijít pasta na závity, jinak se to zakousne hned a už nikdy to nepovolíš, což je třeba v případě potřeby dorovnání řady panelů do roviny dost problém...
Edit: Ty panely mají asi hodně krátký kabely, je tak? Potom nevidím důvod si to zesložiťovat, a zapojit jeden vedle druhýho, proč ne přeskáčku? k čemu je to dobrý? - Co je potřeba, tak kabely dobře přitáhnout ke konstrukci, jinak jim dá led a sníh, co se dostane pod panely, dost zabrat...
Jo a na nerez musí přijít pasta na závity, jinak se to zakousne hned a už nikdy to nepovolíš, což je třeba v případě potřeby dorovnání řady panelů do roviny dost problém...
Edit: Ty panely mají asi hodně krátký kabely, je tak? Potom nevidím důvod si to zesložiťovat, a zapojit jeden vedle druhýho, proč ne přeskáčku? k čemu je to dobrý? - Co je potřeba, tak kabely dobře přitáhnout ke konstrukci, jinak jim dá led a sníh, co se dostane pod panely, dost zabrat...
ostrov skoro 8kWp neustále ve stádiu zrodu: smartshunt(ex WBJR), MPPT150/45, MPPT 250/100(ex midnitesolar 150 clasic lite), 16S a různě P cca 340Ah Winston, MP II 5000,( ex Powerjack 8kW, ex samodomo cca 4kW). 48V DC rozvody a spotřebiče.
- Kobra23
- Příspěvky: 464
- Registrován: ned úno 12, 2017 9:32 pm
- Reputace:143
Re: FVE 19,95 kWp bez kompromisů - Dolní Posázaví
Zkoušel jsem to a právě 8mm bylo akorát. Ten imbus nemá moc široké osazení, tak jsem se snažil o co nejmenší díru, aby pak nebyl problém.ota píše:8mm v omega profilu je málo. Chce to 8,5mm. Vůle pro šroub co má taky 8mm je potřebná..
- Kobra23
- Příspěvky: 464
- Registrován: ned úno 12, 2017 9:32 pm
- Reputace:143
Re: FVE 19,95 kWp bez kompromisů - Dolní Posázaví
Ano, mám je uprostřed.marko250 píše:Ty máš vývody z panelů uprostřed? Jinak se to dá takto:
- Kobra23
- Příspěvky: 464
- Registrován: ned úno 12, 2017 9:32 pm
- Reputace:143
Re: FVE 19,95 kWp bez kompromisů - Dolní Posázaví
Šrouby mám správné.kodl69 píše:Díry pro M8 dělám 8.2mm. Hlavně je potřeba mít správnou délku šroubu, krátkej nechce zachytit matici v profilu, dlouhej naopak začne bourat žebro v profilu. Stejně tak čtvercový matky jsou tenčí a tlustší, ty tlustší jsou lepší, a je potřeba je dávat rovnou plochou nahoru... Origo "solární" imbusy mají zespodu protipovolovací vroubky, ale za blbiny nevyhazuju prachy. S tím odshora souhlasím. Na prudší střeše si na háky zavěsím krátkejma popruhama fošinku, která má zespodu dřevěný trojůhelníčky, aby ležela vodorovně, je to pak pěkná pracovní plošina i pro ty, co se bojí vejšek.
Jo a na nerez musí přijít pasta na závity, jinak se to zakousne hned a už nikdy to nepovolíš, což je třeba v případě potřeby dorovnání řady panelů do roviny dost problém...
Edit: Ty panely mají asi hodně krátký kabely, je tak? Potom nevidím důvod si to zesložiťovat, a zapojit jeden vedle druhýho, proč ne přeskáčku? k čemu je to dobrý? - Co je potřeba, tak kabely dobře přitáhnout ke konstrukci, jinak jim dá led a sníh, co se dostane pod panely, dost zabrat...
Všechny spoje mažu měděnou pastou Berner.
Střecha má sklon 25°, takže to jde i bez fošínky.
Panely mají právě kabely dlouhé tak, aby šel realizovat ten systém Leap-frog.
Čím příchytávat ty kabely? Stahovačkami? Existují UV odolné?
- kybos
- Příspěvky: 2840
- Registrován: sob zář 08, 2012 10:40 pm
- Reputace:524
- Lokalita: Šternberk
- Systémové napětí: 48V
- Výkon panelů [Wp]: 15000
- Kapacita baterie [kWh]: 40
- Bydliště: v údolí mezi kopci
Re: FVE 19,95 kWp bez kompromisů - Dolní Posázaví
UV odolné bývají černé.
Naposledy upravil(a) kybos dne úte říj 06, 2020 10:18 pm, celkem upraveno 1 x.
15 kWp JJZ + 3x Tristar MPPT60 + Victron 150/100 + 48V LiFePO 850 Ah + UPS 8kW (MPP-Solar 8048 LC) + 4 x nabíječka 1,2 kW (DELTA) Start: 2012
- kodl69
- Příspěvky: 8427
- Registrován: sob črc 19, 2014 8:56 pm
- Reputace:1090
- Lokalita: severně od Brna
- Systémové napětí: 48V
- Výkon panelů [Wp]: 8kWp
- Kapacita baterie [kWh]: 12kWh
- Chci prodávat energii: NE
- Chci/Mám dotaci: NE
Re: FVE 19,95 kWp bez kompromisů - Dolní Posázaví
a doporučuju spíš větší šířky pásky, přes 4mm určitě, tenký jsou za chvilku pryč.
Je mi jasný, že se tím ušetří ten kabel přes celej string, ale zase jeden za druhým je jednodušší systém, kde se člověk jistě nesplete. Na jedné instalaci se mi stalo, že jsme jeden panel zapojili do zkratu, tj vynechali ze stringu, což odhalilo až podezřele malý napětí Umpp... Teď jsem někde zahlídl panely, který měly kablíky tak jak tvoje, ze dvou krabiček uprostřed, snad jenom 30cm dlouhý...
Je mi jasný, že se tím ušetří ten kabel přes celej string, ale zase jeden za druhým je jednodušší systém, kde se člověk jistě nesplete. Na jedné instalaci se mi stalo, že jsme jeden panel zapojili do zkratu, tj vynechali ze stringu, což odhalilo až podezřele malý napětí Umpp... Teď jsem někde zahlídl panely, který měly kablíky tak jak tvoje, ze dvou krabiček uprostřed, snad jenom 30cm dlouhý...
ostrov skoro 8kWp neustále ve stádiu zrodu: smartshunt(ex WBJR), MPPT150/45, MPPT 250/100(ex midnitesolar 150 clasic lite), 16S a různě P cca 340Ah Winston, MP II 5000,( ex Powerjack 8kW, ex samodomo cca 4kW). 48V DC rozvody a spotřebiče.
- LukasK
- Příspěvky: 76
- Registrován: pon dub 20, 2020 6:23 am
- Reputace:17
- Bydliště: Jihočeská republika
Re: FVE 19,95 kWp bez kompromisů - Dolní Posázaví
Dělá to třeba Canadian solar u halfcut panelů. Krabičky uprostřed a lze koupit s rozdilnou délkou kabelů. 400mm pro svislou a asi 1150mm pro vodorovnou montáž.kodl69 píše:Teď jsem někde zahlídl panely, který měly kablíky tak jak tvoje, ze dvou krabiček uprostřed, snad jenom 30cm dlouhý...
Osobně bych řádil pro přehlednost a eliminaci chyb sériové za sebou....i za cenu cca 9m kabelu na jeden string navíc...
- NOPARasito
- Příspěvky: 2601
- Registrován: čtv črc 19, 2018 12:14 am
- Reputace:192
- Bydliště: Vidiek, Trhanova Lhota
Re: FVE 19,95 kWp bez kompromisů - Dolní Posázaví
Kabely vychazi vetsinou v klidu na sirku i vysku, kde je problem???(takze ob jeden by mel vyjit taky)
- kodl69
- Příspěvky: 8427
- Registrován: sob črc 19, 2014 8:56 pm
- Reputace:1090
- Lokalita: severně od Brna
- Systémové napětí: 48V
- Výkon panelů [Wp]: 8kWp
- Kapacita baterie [kWh]: 12kWh
- Chci prodávat energii: NE
- Chci/Mám dotaci: NE
Re: FVE 19,95 kWp bez kompromisů - Dolní Posázaví
tohle zkus mezi sebou propojit naležato. Bude ti chybět tak půl metru. Kabel by musel dosáhnout minimálně k hraně panelu vlevo nebo vpravo, což je minimálně 85cm, což tohle jistě nemá. Šetří se všude.
ostrov skoro 8kWp neustále ve stádiu zrodu: smartshunt(ex WBJR), MPPT150/45, MPPT 250/100(ex midnitesolar 150 clasic lite), 16S a různě P cca 340Ah Winston, MP II 5000,( ex Powerjack 8kW, ex samodomo cca 4kW). 48V DC rozvody a spotřebiče.
- NOPARasito
- Příspěvky: 2601
- Registrován: čtv črc 19, 2018 12:14 am
- Reputace:192
- Bydliště: Vidiek, Trhanova Lhota
Re: FVE 19,95 kWp bez kompromisů - Dolní Posázaví
Jde to zapojit tak i tak, ver mi.(proc bych kecal??? a jeste Tobe!!!) Montuju je na strechu na stojaka (propojene na sirku) a 1string musim propojit na vysku. Tohle je made in China zadny vyje...ny EU. S EU jsem zkoncil a to nekteri vi moc dobre proc!!!!kodl69 píše:tohle zkus mezi sebou propojit naležato. Bude ti chybět tak půl metru. Kabel by musel dosáhnout minimálně k hraně panelu vlevo nebo vpravo, což je minimálně 85cm, což tohle jistě nemá. Šetří se všude.
Ze jsi to ty Kodle, byl jsem to premerit.
Je to hodne letmo, takze kabel je jeste delsi, nez na fotce.
- kodl69
- Příspěvky: 8427
- Registrován: sob črc 19, 2014 8:56 pm
- Reputace:1090
- Lokalita: severně od Brna
- Systémové napětí: 48V
- Výkon panelů [Wp]: 8kWp
- Kapacita baterie [kWh]: 12kWh
- Chci prodávat energii: NE
- Chci/Mám dotaci: NE
Re: FVE 19,95 kWp bez kompromisů - Dolní Posázaví
jo, to co jsem zahlídl, byly tuším tyhle, nebo něco podobnýho, to ani nešlo svázat do kruhu, jak to bylo krátký, jenom to bylo chycený kouskem samolepky k panelu https://shop.iftech.cz/index.php?contro ... chment=477
ostrov skoro 8kWp neustále ve stádiu zrodu: smartshunt(ex WBJR), MPPT150/45, MPPT 250/100(ex midnitesolar 150 clasic lite), 16S a různě P cca 340Ah Winston, MP II 5000,( ex Powerjack 8kW, ex samodomo cca 4kW). 48V DC rozvody a spotřebiče.
- NOPARasito
- Příspěvky: 2601
- Registrován: čtv črc 19, 2018 12:14 am
- Reputace:192
- Bydliště: Vidiek, Trhanova Lhota
Re: FVE 19,95 kWp bez kompromisů - Dolní Posázaví
Cable Length
(Including Connector)
Portrait: 400 mm (15.7 in) (+) / 280 mm
(11.0 in) (-); landscape: 1160 mm (45.7 in
Jj halířový MAGORI. Pak, aby to treba pri reklamaci cestovalo, nebo dodat dalsi 2 spoje navrch u prodlouzeni, kdyz si to nekdo objedna s kratkyma ( nebo prehlidnou skladnici), protoze to bylo o 10kc levnejsi
(Including Connector)
Portrait: 400 mm (15.7 in) (+) / 280 mm
(11.0 in) (-); landscape: 1160 mm (45.7 in
Jj halířový MAGORI. Pak, aby to treba pri reklamaci cestovalo, nebo dodat dalsi 2 spoje navrch u prodlouzeni, kdyz si to nekdo objedna s kratkyma ( nebo prehlidnou skladnici), protoze to bylo o 10kc levnejsi
- Kobra23
- Příspěvky: 464
- Registrován: ned úno 12, 2017 9:32 pm
- Reputace:143
Re: FVE 19,95 kWp bez kompromisů - Dolní Posázaví
Dnes pokračování.
- Kobra23
- Příspěvky: 464
- Registrován: ned úno 12, 2017 9:32 pm
- Reputace:143
Re: FVE 19,95 kWp bez kompromisů - Dolní Posázaví
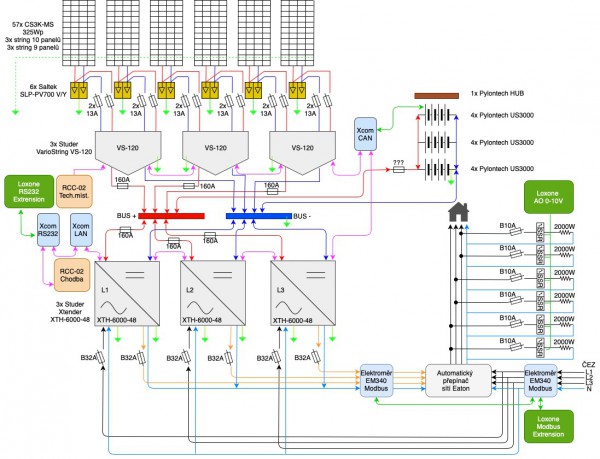
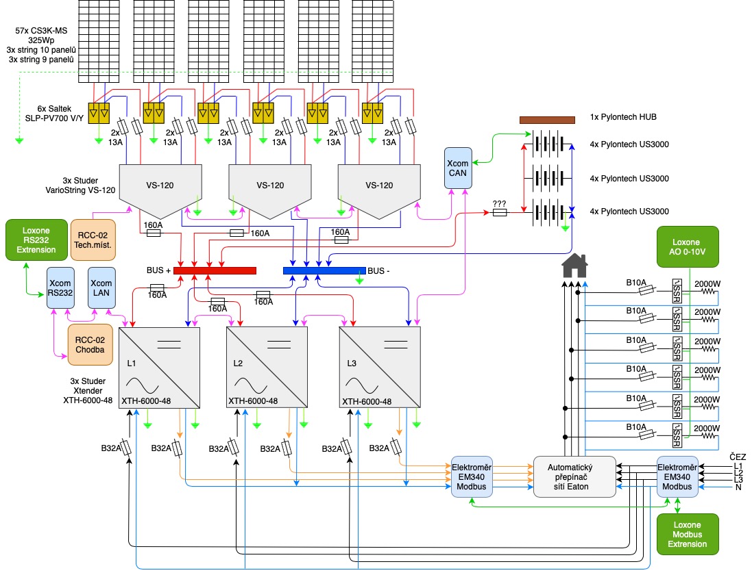
Přátelé, můžete se mi podívat na to schéma, zda by to tak mohlo být?
Na čem jsem se zasekl:
1) jakou hodnotu pojistky na vedení k baterii?
2) jaký průřez kabelu od BUS k baterii? 120mm2 nebo 150mm2?
3) pokud je to potřeba, kam dát AC přepěťovku, popř. jakou?
4) mezi VS-120 a BUS bude průřez kabelu 50mm2, předpokládám, že stejný průřez má být i mezi BUS a XTH. Je to tak?
5) mezi VS-120 a BUS mají být všechny délky kabelů stejné a max. délky 3 metry, platí to samé i o kabely mezi BUS a XTH?
6) je ok jištění vstupu a výstupu XTH jističi B32A?
Děkuji za případné rady a připomínky.
Na čem jsem se zasekl:
1) jakou hodnotu pojistky na vedení k baterii?
2) jaký průřez kabelu od BUS k baterii? 120mm2 nebo 150mm2?
3) pokud je to potřeba, kam dát AC přepěťovku, popř. jakou?
4) mezi VS-120 a BUS bude průřez kabelu 50mm2, předpokládám, že stejný průřez má být i mezi BUS a XTH. Je to tak?
5) mezi VS-120 a BUS mají být všechny délky kabelů stejné a max. délky 3 metry, platí to samé i o kabely mezi BUS a XTH?
6) je ok jištění vstupu a výstupu XTH jističi B32A?
Děkuji za případné rady a připomínky.
Kdo je online
Uživatelé procházející toto fórum: Claudebot [Bot]
