Poloostrov do 4KWp /2015
-
- Příspěvky: 4487
- Registrován: úte dub 23, 2013 10:21 am
- Reputace: 806
- Lokalita: Kousek od Lysé nad Labem
- Systémové napětí: 48V
- Výkon panelů [Wp]: 46000
- Kapacita baterie [kWh]: 40
- Chci prodávat energii: NE
- Chci/Mám dotaci: NE
- Bydliště: Kousek od Lysé nad Labem
Re: Poloostrov do 4KWp /2015
Přikládám schéma z návodu k Celllog. jedná se o otevřený kolektor, stačí přivést pouze napájecí napětí, protože zem je to, co je nejzápornějšího přivedeno na první pin Cellogu (tedy u 48V systému se k prvnímu Cellogu přivádí přes cívku relé +24V a ke druhému cellogu přes cívku +48V)
A samozřejmě je kvůli indukci cívky potřeba zapojit ochrannou diodu, jak je ve schématu._______________________________________________________________________
43 kWp, LiFePO4 62 kWh,
EPSolar 60 A/150 V ET6415N + 3x Isolar SM II (5 kW, 450 V, 80 A) + Axpert PIP 5048MS
43 kWp, LiFePO4 62 kWh,
EPSolar 60 A/150 V ET6415N + 3x Isolar SM II (5 kW, 450 V, 80 A) + Axpert PIP 5048MS
- marko250
- Příspěvky: 3465
- Registrován: ned led 12, 2014 7:41 pm
- Reputace: 525
- Lokalita: Hlučín
- Bydliště: Hlučín
Re: Poloostrov do 4KWp /2015
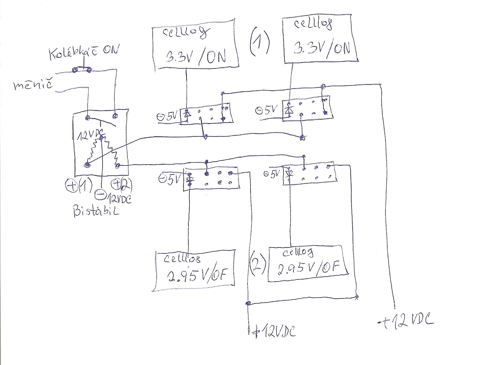
Tak vyřešeno,dal jsem zpět původní,protože na tom malém se odporoučel spínací kontak.Asi tam tedy vyšší proud je na tom kolébkáči měniče nad možnosti QN 599 32,stačilo vytáhnout alarmy celllogerů co posílaly signál na cívku zapnutí měniče a hned to spadlo.Nevíte někdo o vhodném bistabilu(dvojcívka a jeden kontakt) na 48VDC?Teď mám na 12VDC s kontaktem na 100A a ta cívka prostě ovlivňuje články na kterých je,nebo fígl jak vyslat jen jednorázový impuls z celllogeru na relátko?
rva> kontakt alarmu nemohu použít přímo,protože spínám obvod v měniči s vlastním napětím.Proto mě napětí z alarmu celllogeru spíná pidi relátko(s tou diodou proti kopům zpět-relay output č.3) a teprve kontakt toho relátka využívám k ovládání bistabilu,na kterém mám ten kolébkáč měniče.Problém je ,že celllogery(2x) spínací vyšlou alarm od 3.3VDC na článek a přestane až klesne pod toto napětí,takže to je až někdy nad ránem,když je běžný den v domě.Když posunu toto napětí,budu zbytečně plnit na maximum baterku,místo toho abych spotřebovával přímo bez ní a šetřil ji.Nehledě na to ,že v zimě je kumšt se vůbec dostat k těm 3.3VDC při 51VDC/700A,prostě tolik energie není.
rva> kontakt alarmu nemohu použít přímo,protože spínám obvod v měniči s vlastním napětím.Proto mě napětí z alarmu celllogeru spíná pidi relátko(s tou diodou proti kopům zpět-relay output č.3) a teprve kontakt toho relátka využívám k ovládání bistabilu,na kterém mám ten kolébkáč měniče.Problém je ,že celllogery(2x) spínací vyšlou alarm od 3.3VDC na článek a přestane až klesne pod toto napětí,takže to je až někdy nad ránem,když je běžný den v domě.Když posunu toto napětí,budu zbytečně plnit na maximum baterku,místo toho abych spotřebovával přímo bez ní a šetřil ji.Nehledě na to ,že v zimě je kumšt se vůbec dostat k těm 3.3VDC při 51VDC/700A,prostě tolik energie není.
16kWp/JZ-50°/20xChaori 230 ,JV-90°/8xLeapton 650 + <JZ-90° /15xJAsolar / Mono 385, regl Midnite Classic 150<89A> , 1x EASUN <80A> a 1x EASUN <100A>,baterka 17s 54.4VDC LFP4/784Ah<uloží 42kWh>,ŠKATULE 11kW
-
- Příspěvky: 7999
- Registrován: sob črc 19, 2014 8:56 pm
- Reputace: 1003
- Lokalita: severně od Brna
- Systémové napětí: 48V
- Výkon panelů [Wp]: 8kWp
- Kapacita baterie [kWh]: 12kWh
- Chci prodávat energii: NE
- Chci/Mám dotaci: NE
Re: Poloostrov do 4KWp /2015
impulsy dělám přes kondenzátory, pokud ty tvoje relátka mají dva přepínací kontakty,
Bistabilní relé používám z SOS, 12V , mají i 24V, spínám tím přímo stringy už několik let a bez stížnosti.:
https://www.soselectronic.cz/search/pro ... uery=JSL-D na sepnutí tohohle by fak stačilo nějaký extra nízkoodběrový relé a kapacity odhaduju tak na 200uF pro 24V verzi by měl být impuls cca 0.5s, což je na tohle relé až až. Já mám ve spínání stringů 5V verzi, ovládám ji cca 7V co mám napájení arduina přes ULN2003 a mám tuším 500ms impuls, až skoro moc, ale aby byla jistota že to přepne.
všimni si obvodu relé K4, ty přepínací kontakty na jedné straně přes odpor a diodu vybíjí kondenzátor a na druhé se po přepnutí vybije do cívky K2 nebo K3. Kontakty K2 a K3 ovládají stykač a západku, když jsem to měl přímo na stykače, tak musely být kapacity strašně velký a stejně to někdy nesepnulo a zůstalo ve stavu vypnutá síť i měnič.Bistabilní relé používám z SOS, 12V , mají i 24V, spínám tím přímo stringy už několik let a bez stížnosti.:
https://www.soselectronic.cz/search/pro ... uery=JSL-D na sepnutí tohohle by fak stačilo nějaký extra nízkoodběrový relé a kapacity odhaduju tak na 200uF pro 24V verzi by měl být impuls cca 0.5s, což je na tohle relé až až. Já mám ve spínání stringů 5V verzi, ovládám ji cca 7V co mám napájení arduina přes ULN2003 a mám tuším 500ms impuls, až skoro moc, ale aby byla jistota že to přepne.
ostrov skoro 8kWp neustále ve stádiu zrodu: smartshunt(ex WBJR), MPPT150/45, MPPT 250/100(ex midnitesolar 150 clasic lite), 16S a různě P cca 340Ah Winston, MP II 5000,( ex Powerjack 8kW, ex samodomo cca 4kW). 48V DC rozvody a spotřebiče.
- abrams
- Příspěvky: 2774
- Registrován: ned črc 17, 2011 12:19 pm
- Reputace: 427
- Lokalita: Brno
- Bydliště: Brno
Re: Poloostrov do 4KWp /2015
Zdravím ,
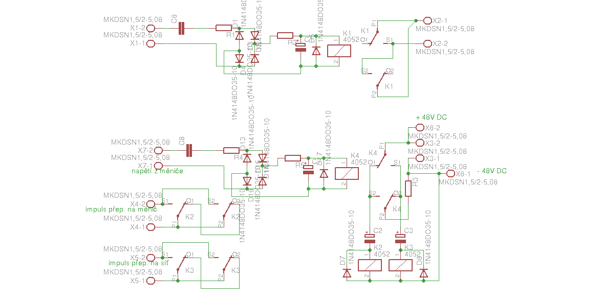
pročpak komplikace bistabilním relátkem ? Kvůli spotřebě v sepnutém stavu ? Taky sem jej chtěl v měniči použít k přemostění kolébkového přepínače , leč jsem zjistil že se nejedná pouze o signálový okruh , nýbrž o napájení řídící desky a chladícího ventilátoru
. Takže jsem použil obyč relátko s 15A kontaktem .
Schéma mýho ovládání - CellLog/y slouží jen k vypnutí měniče , drobnou úpravou lze druhou sadou CellLogů měnič i zapínat
, CellLogem ovládané relátko nebude spínat k nule (0V) ale k 12V přičemž zbytek zapojení zůstane stejný
.
Elektronům zdar 
pročpak komplikace bistabilním relátkem ? Kvůli spotřebě v sepnutém stavu ? Taky sem jej chtěl v měniči použít k přemostění kolébkového přepínače , leč jsem zjistil že se nejedná pouze o signálový okruh , nýbrž o napájení řídící desky a chladícího ventilátoru

Schéma mýho ovládání - CellLog/y slouží jen k vypnutí měniče , drobnou úpravou lze druhou sadou CellLogů měnič i zapínat



3,96kWp monokrystalů + 2x regl PCM60X + 24kWh LiFePO4 + 6kW HF sínus měnič 48MWh+ , celé na 52V systému .
Chibi v textu vyhrazeny
Chibi v textu vyhrazeny

- marko250
- Příspěvky: 3465
- Registrován: ned led 12, 2014 7:41 pm
- Reputace: 525
- Lokalita: Hlučín
- Bydliště: Hlučín
Re: Poloostrov do 4KWp /2015
Jáj kluci díky,ale já těm součástkám nerozumím,co se konkrétně děje v obvodu netuším kodl69,zkus mě vymyslet ten impuls na ON větev.OF je v klidu ,protože když vypne, tak se napětí článků hned vyhoupne výše a alarm přestane z celllogeru.Problém mám jen s ON větví,kdy mají články nad 3.3V a chci tuhle hranici ponechat.Mezi 2.95-3.3V žádné alarmy neběží a čeká se ,až to dojde k některé hranici z nich.Ty relátka(5VDC) maji tři kontakty ale tuším,že dva spínací a jeden rozpínací(nebo tři spínací),musel bych jeden odlepit a podívat se,nebo najít fakturu tři roky starou
.
Abramsi relém to nemohu držet na spínací větvi stále,musí tam být rozpětí mezi spodní a horní hranicí a jak bys vypínal pak,když by nějaký článek byl výše a některý už byl na spodku,proto je tam ten bistabil,který drží kontakt i bez napětí.

Abramsi relém to nemohu držet na spínací větvi stále,musí tam být rozpětí mezi spodní a horní hranicí a jak bys vypínal pak,když by nějaký článek byl výše a některý už byl na spodku,proto je tam ten bistabil,který drží kontakt i bez napětí.
16kWp/JZ-50°/20xChaori 230 ,JV-90°/8xLeapton 650 + <JZ-90° /15xJAsolar / Mono 385, regl Midnite Classic 150<89A> , 1x EASUN <80A> a 1x EASUN <100A>,baterka 17s 54.4VDC LFP4/784Ah<uloží 42kWh>,ŠKATULE 11kW
-
- Příspěvky: 7999
- Registrován: sob črc 19, 2014 8:56 pm
- Reputace: 1003
- Lokalita: severně od Brna
- Systémové napětí: 48V
- Výkon panelů [Wp]: 8kWp
- Kapacita baterie [kWh]: 12kWh
- Chci prodávat energii: NE
- Chci/Mám dotaci: NE
Re: Poloostrov do 4KWp /2015
Relátka máš pravděpodobně ty nejčastěj používaný, se dvěma přepínacími kontakty.
Napřed logika: 1.) pokud je napětí pod 2.95V na jakýmkoliv článku, tak některej z cellogů sepne jedno z těch dvou relé, nebo naopak rozepne? jedno z nich?
2.) pokud napětí všech článků překročí 3.3V (nebo jenom některýho? to snad ne) sepnou obě zapínací relé? nebo rozepnou? cellog neznám, tak se tak blbě ptám.
Až budu vědět co to má dělat, tak to namaluju, takhle pořád ještě netuším.
Napřed logika: 1.) pokud je napětí pod 2.95V na jakýmkoliv článku, tak některej z cellogů sepne jedno z těch dvou relé, nebo naopak rozepne? jedno z nich?
2.) pokud napětí všech článků překročí 3.3V (nebo jenom některýho? to snad ne) sepnou obě zapínací relé? nebo rozepnou? cellog neznám, tak se tak blbě ptám.
Až budu vědět co to má dělat, tak to namaluju, takhle pořád ještě netuším.
ostrov skoro 8kWp neustále ve stádiu zrodu: smartshunt(ex WBJR), MPPT150/45, MPPT 250/100(ex midnitesolar 150 clasic lite), 16S a různě P cca 340Ah Winston, MP II 5000,( ex Powerjack 8kW, ex samodomo cca 4kW). 48V DC rozvody a spotřebiče.
- marko250
- Příspěvky: 3465
- Registrován: ned led 12, 2014 7:41 pm
- Reputace: 525
- Lokalita: Hlučín
- Bydliště: Hlučín
Re: Poloostrov do 4KWp /2015
Pokud cellloger zaznamená na jakémkoli článku 2.95V, tak sepne pouze své relé a to pošle napětí na bistabil cívku č.2(OF)
Pokud cellloger zaznamená na jakémkoli článku 3.3V, tak sepne pouze své relé a to pošle napětí na bistabil cívku č.1(ON)
Pokud cellloger zaznamená na jakémkoli článku 3.3V, tak sepne pouze své relé a to pošle napětí na bistabil cívku č.1(ON)
16kWp/JZ-50°/20xChaori 230 ,JV-90°/8xLeapton 650 + <JZ-90° /15xJAsolar / Mono 385, regl Midnite Classic 150<89A> , 1x EASUN <80A> a 1x EASUN <100A>,baterka 17s 54.4VDC LFP4/784Ah<uloží 42kWh>,ŠKATULE 11kW
-
- Příspěvky: 7999
- Registrován: sob črc 19, 2014 8:56 pm
- Reputace: 1003
- Lokalita: severně od Brna
- Systémové napětí: 48V
- Výkon panelů [Wp]: 8kWp
- Kapacita baterie [kWh]: 12kWh
- Chci prodávat energii: NE
- Chci/Mám dotaci: NE
Re: Poloostrov do 4KWp /2015
A co když některej článek bude pod 2.95V a některej nad 3.3V? Tak se to bistabilní relátko přepne do obou stavů? 
To spíš shoří. A i když se nestane přesně tohle, když jeden článek způsobí vypnutí, tak ty, co v nich ještě něco je, budou jistě během chvilky na 3.3V, a to se bude opakovat do úplného konce... (prostě až to něco nevydrží)
Leckde se ta relátková logika nedá tak lehce aplikovat.
Nechtělo by to trochu sofistikovanější BMS, než bastlit cellogery? Nechat je jenom jako havarijní vypnutí, kerý to přes ten bistabil shodí a bez ručního zásahu to nepůjde zapnout? Třeba krom minimálního napětí taky měřit SOC a zapnout měnič, až bude v baterce aspoň xx Ah? A co ho vypínat taky podle SOC, a ne "až je zle" a nechat si nějakou rezervu? Třeba kvůli výpadku DS...

To spíš shoří. A i když se nestane přesně tohle, když jeden článek způsobí vypnutí, tak ty, co v nich ještě něco je, budou jistě během chvilky na 3.3V, a to se bude opakovat do úplného konce... (prostě až to něco nevydrží)
Leckde se ta relátková logika nedá tak lehce aplikovat.
Nechtělo by to trochu sofistikovanější BMS, než bastlit cellogery? Nechat je jenom jako havarijní vypnutí, kerý to přes ten bistabil shodí a bez ručního zásahu to nepůjde zapnout? Třeba krom minimálního napětí taky měřit SOC a zapnout měnič, až bude v baterce aspoň xx Ah? A co ho vypínat taky podle SOC, a ne "až je zle" a nechat si nějakou rezervu? Třeba kvůli výpadku DS...
ostrov skoro 8kWp neustále ve stádiu zrodu: smartshunt(ex WBJR), MPPT150/45, MPPT 250/100(ex midnitesolar 150 clasic lite), 16S a různě P cca 340Ah Winston, MP II 5000,( ex Powerjack 8kW, ex samodomo cca 4kW). 48V DC rozvody a spotřebiče.
- marko250
- Příspěvky: 3465
- Registrován: ned led 12, 2014 7:41 pm
- Reputace: 525
- Lokalita: Hlučín
- Bydliště: Hlučín
Re: Poloostrov do 4KWp /2015
Ano vypadá to rozpětí tak,že se to může potkat,ale realita s lifepo4 je jiná.Dostat ho na 3.3V je dlouhodobá záležitost a velké procento energie.Dostat 35kWh do baterky chvíli trvá,podle SOC by to taky šlo,ale přišel bych o poslední kontakt na midnitu,kterým spínám spirály přímo z panelů před ním.Pak může tedy nastat ještě postupný krach článku,který klesne oproti ostatním,ale od toho zase mám přelévací pumpy a chodím kolem toho každý den,to bych zaznamenal.Samozřejmě havárii uvnitř článku neovlivním s tím jsem smířen a pojištěn.
A s tím impulsem mě to trklo teď ráno,po spuštění kolébkače tam mám další časová relé,které přepínají stykače mezi FVE/DS a západky na nich ,je tam dostatek kontaktů rozpínacích,kterými to můžu přerušit,jsem vůl ,že mě to nenapadlo hned!
A s tím impulsem mě to trklo teď ráno,po spuštění kolébkače tam mám další časová relé,které přepínají stykače mezi FVE/DS a západky na nich ,je tam dostatek kontaktů rozpínacích,kterými to můžu přerušit,jsem vůl ,že mě to nenapadlo hned!
16kWp/JZ-50°/20xChaori 230 ,JV-90°/8xLeapton 650 + <JZ-90° /15xJAsolar / Mono 385, regl Midnite Classic 150<89A> , 1x EASUN <80A> a 1x EASUN <100A>,baterka 17s 54.4VDC LFP4/784Ah<uloží 42kWh>,ŠKATULE 11kW
-
- Příspěvky: 7999
- Registrován: sob črc 19, 2014 8:56 pm
- Reputace: 1003
- Lokalita: severně od Brna
- Systémové napětí: 48V
- Výkon panelů [Wp]: 8kWp
- Kapacita baterie [kWh]: 12kWh
- Chci prodávat energii: NE
- Chci/Mám dotaci: NE
Re: Poloostrov do 4KWp /2015
Takže vyřešeno? já myslel, že jsem tě akorát naštval... Ještě je možnost vyčítat data z midnite přes modbus a něco s nima pak provádět (zapínat, vypínat, zobrazovat) ale to nemám zmáklý, z neznámýho důvodu mi ta komunikace nejede.
ostrov skoro 8kWp neustále ve stádiu zrodu: smartshunt(ex WBJR), MPPT150/45, MPPT 250/100(ex midnitesolar 150 clasic lite), 16S a různě P cca 340Ah Winston, MP II 5000,( ex Powerjack 8kW, ex samodomo cca 4kW). 48V DC rozvody a spotřebiče.
-
- Příspěvky: 169
- Registrován: čtv dub 12, 2018 2:44 pm
- Reputace: 9
- Bydliště: Trencin
Re: Poloostrov do 4KWp /2015
Predpokladam, ze menic sa da rovnako nastavit na nejake minimalne napatie / napatie pri ktorom ma vypnut.
Ja pouzivam LiFePO4 s Victronom + celllog a zapojenie je nasledovne:
bateria cez istenie na Victron; nastavenie Victronu na off pri 12.2V; shunt na victrone odpojeny/prepojeny na celllog s nastavenim NC (ak je vsetko OK tak zapnute) a alarm je na 2.9V ktorykolvek clanok odpojenie celllogoveho alarmu a tym aj menica.
Victron samotny sa pokusi restartovat 3x nez sa permenentne vypne, uz nepamatam ci sa to dalo zmenit v nastaveniach. V kazdom pripade ak opatovne zatazenie baterii by sposobilo, ze clanok klesne na 2.9 tak do toho vstupi celllog. Cize cele bez bistabilneho rele.
Ja pouzivam LiFePO4 s Victronom + celllog a zapojenie je nasledovne:
bateria cez istenie na Victron; nastavenie Victronu na off pri 12.2V; shunt na victrone odpojeny/prepojeny na celllog s nastavenim NC (ak je vsetko OK tak zapnute) a alarm je na 2.9V ktorykolvek clanok odpojenie celllogoveho alarmu a tym aj menica.
Victron samotny sa pokusi restartovat 3x nez sa permenentne vypne, uz nepamatam ci sa to dalo zmenit v nastaveniach. V kazdom pripade ak opatovne zatazenie baterii by sposobilo, ze clanok klesne na 2.9 tak do toho vstupi celllog. Cize cele bez bistabilneho rele.
FVE1 - 3kW do 48V 7.2kWh LiFe cez 5kW Axpert, FVE2 domcek pre maleho - 0.26kW do 12V 0.5kWh LiFe cez Victron375, termicky ohrev vody 200 l
- marko250
- Příspěvky: 3465
- Registrován: ned led 12, 2014 7:41 pm
- Reputace: 525
- Lokalita: Hlučín
- Bydliště: Hlučín
Re: Poloostrov do 4KWp /2015
>kodl69
,mě neumí naštvat ani žena. Jo vyřešené,využil jsem kontakty na časovém relé co spouští měnič s odstupem pár sekund,kvůli náběhu,jsem vůl,že mi to nedošlo dříve.Už to maká.
>svango- můj měnič má svou pevnou minimální hranici,už ani nepamatuji kolik(asi 40VDC),což mi na články nevyhovuje.A necykluje Ti to?

>svango- můj měnič má svou pevnou minimální hranici,už ani nepamatuji kolik(asi 40VDC),což mi na články nevyhovuje.A necykluje Ti to?
16kWp/JZ-50°/20xChaori 230 ,JV-90°/8xLeapton 650 + <JZ-90° /15xJAsolar / Mono 385, regl Midnite Classic 150<89A> , 1x EASUN <80A> a 1x EASUN <100A>,baterka 17s 54.4VDC LFP4/784Ah<uloží 42kWh>,ŠKATULE 11kW
-
- Příspěvky: 169
- Registrován: čtv dub 12, 2018 2:44 pm
- Reputace: 9
- Bydliště: Trencin
Re: Poloostrov do 4KWp /2015
marko> beznou prevadzkou sa nedostavam pod 13V, takze zatial nie a na odpojenie celllogu, ked stahujem data, mam vypinac, ktorym celllog bypasnem a menic pokracuje v prevadzke.
FVE1 - 3kW do 48V 7.2kWh LiFe cez 5kW Axpert, FVE2 domcek pre maleho - 0.26kW do 12V 0.5kWh LiFe cez Victron375, termicky ohrev vody 200 l
- marko250
- Příspěvky: 3465
- Registrován: ned led 12, 2014 7:41 pm
- Reputace: 525
- Lokalita: Hlučín
- Bydliště: Hlučín
Re: Poloostrov do 4KWp /2015
Uplynul velmi pěkný sluneční rok a s odstupem času se mohu vyjádřit k velikosti baterky u nás v domě.Začínal jsem s 11kWh a to nepokrylo ani jeden den spotřeby domu(průměr 12kWh/den) v temných dnech.Následně jsem přidal jednou tolik na 22kWh a s tím žil dvě sezóny.Celkově se zlepšil odběr a souběh ve chvílích ,kdy se jelo z baterky a snížil se odběr z DS za rok.Následně jsem ze zvědavosti postavil svou baterku z li-ion placek 16kWh.Zapojil jsem ji do FVE a tím se dají překlenout tři dny v dobách temna,zároveň klesl odběr z DS za rok o cca 0.6MWh.K dnešnímu dni mě v domě chybí asi 0.7MWh/rok k úplné soběstačnosti a řešit to navýšením kapacity baterky by bylo mylné řešení.Taková baterka by totiž musela mít právě tuto kapacitu a musel bych si ji nabíjet po celý rok na toto období,protože v temných měsících 11/12/1/2 ,nejsou schopny panely na mém domě naplnit ani současnou baterku.Maxima se pohybují 15kWh/den a těchto dnů je tak málo za tyto měsíce,že je to neřešitelné a spočítatelné na prstech jedné ruky.
Pro nonstop provoz od března do konce října se mě tedy osvědčila kapacita baterky na překlenutí třech temných dnů a další rozšiřování nemá smysl.Taky nevyužívám plnou kapacitu fyzicky z důvodů šetření článků a prodloužení jejich života,beru z nich cca 30kWh maximálně z 38kWh možných.Články provozuji pod maximálním napětím(do 3.45VDC Life/do 3.91VDC Li-ion),toto jsem neřešil snížením standartního celkového napětí,ale přidáním dalšího článku do celku.Tudíš mám 2p17s/"190A" Life + 15s/"300A" Li-ion.Články se pohybují po celý rok v teplotách od 16-24°C(čidlo na baterkách).
Co bych dnes změnil,tak druhovost baterek.Už bych nekombinoval Life,Li-ion,NiCd,Pb a zůstal u jednoho druhu,protože mají každá jiný průběh při nabíjení a vybíjení a každá potřebují jiná příslušenství,zbytečně se tím komplikuje život.Jaký zvolit druh článků, je už na každém z nás,dle peněženky,příležitosti a sympatií.Osobně mám radší Li-ion,protože se chová předvídatelně,ale netuším co vydrží z pohledu dlouhověkosti i přez podmínky,v kterých je provozuji(3.4-3.91VDC).
Pro nonstop provoz od března do konce října se mě tedy osvědčila kapacita baterky na překlenutí třech temných dnů a další rozšiřování nemá smysl.Taky nevyužívám plnou kapacitu fyzicky z důvodů šetření článků a prodloužení jejich života,beru z nich cca 30kWh maximálně z 38kWh možných.Články provozuji pod maximálním napětím(do 3.45VDC Life/do 3.91VDC Li-ion),toto jsem neřešil snížením standartního celkového napětí,ale přidáním dalšího článku do celku.Tudíš mám 2p17s/"190A" Life + 15s/"300A" Li-ion.Články se pohybují po celý rok v teplotách od 16-24°C(čidlo na baterkách).
Co bych dnes změnil,tak druhovost baterek.Už bych nekombinoval Life,Li-ion,NiCd,Pb a zůstal u jednoho druhu,protože mají každá jiný průběh při nabíjení a vybíjení a každá potřebují jiná příslušenství,zbytečně se tím komplikuje život.Jaký zvolit druh článků, je už na každém z nás,dle peněženky,příležitosti a sympatií.Osobně mám radší Li-ion,protože se chová předvídatelně,ale netuším co vydrží z pohledu dlouhověkosti i přez podmínky,v kterých je provozuji(3.4-3.91VDC).
16kWp/JZ-50°/20xChaori 230 ,JV-90°/8xLeapton 650 + <JZ-90° /15xJAsolar / Mono 385, regl Midnite Classic 150<89A> , 1x EASUN <80A> a 1x EASUN <100A>,baterka 17s 54.4VDC LFP4/784Ah<uloží 42kWh>,ŠKATULE 11kW
- marko250
- Příspěvky: 3465
- Registrován: ned led 12, 2014 7:41 pm
- Reputace: 525
- Lokalita: Hlučín
- Bydliště: Hlučín
Re: Poloostrov do 4KWp /2015
10 000 000Wh má právě za sebou v domě měnič PJ,regl Midnite má za sebou 11 580 000Wh,panely na střeše letos zatím daly své maximum 5.2kW dva roky zpět tam bylo 5.263kW,loni 5.36kW.
Dnes jsem nasadil na jeden článek pro odzkoušení nový 16A palič,jako záchrannou brzdu pro strýčka příhodu.A po odlazení je dám na všechny LIFE články.Mám tady tři dvojice co malinko spěchají při absorbci 3.46-3.47V oproti zbytku ,které májí 3.42-3.44V.Tento rozdíl vždy nastane,když příjde 14 denní období temna a pak najednou zase na týden svítí.Když je osvit stále stejný ,tak se stačí srovnat přez pumpy a takový rozstřel nemají,je to hold "400A" článek složený z dvou párů "200A" a pumpám trvá ,než je dostanou do vyrovnání.
Palič otvírá při 3.46V a vypne při 3.38V,toto budu ještě posouvat výše, absorbce vychází na 3.45V.Je to macek a těch 16A dosahuje okamžitě při sepnutí.Nejsem si ale jist na kolik to vypnutí nastavit,protože jsou hold články malinko rychlejší.
Dnes jsem nasadil na jeden článek pro odzkoušení nový 16A palič,jako záchrannou brzdu pro strýčka příhodu.A po odlazení je dám na všechny LIFE články.Mám tady tři dvojice co malinko spěchají při absorbci 3.46-3.47V oproti zbytku ,které májí 3.42-3.44V.Tento rozdíl vždy nastane,když příjde 14 denní období temna a pak najednou zase na týden svítí.Když je osvit stále stejný ,tak se stačí srovnat přez pumpy a takový rozstřel nemají,je to hold "400A" článek složený z dvou párů "200A" a pumpám trvá ,než je dostanou do vyrovnání.
Palič otvírá při 3.46V a vypne při 3.38V,toto budu ještě posouvat výše, absorbce vychází na 3.45V.Je to macek a těch 16A dosahuje okamžitě při sepnutí.Nejsem si ale jist na kolik to vypnutí nastavit,protože jsou hold články malinko rychlejší.
16kWp/JZ-50°/20xChaori 230 ,JV-90°/8xLeapton 650 + <JZ-90° /15xJAsolar / Mono 385, regl Midnite Classic 150<89A> , 1x EASUN <80A> a 1x EASUN <100A>,baterka 17s 54.4VDC LFP4/784Ah<uloží 42kWh>,ŠKATULE 11kW
- marko250
- Příspěvky: 3465
- Registrován: ned led 12, 2014 7:41 pm
- Reputace: 525
- Lokalita: Hlučín
- Bydliště: Hlučín
Re: Poloostrov do 4KWp /2015
Tak je tady opět fakturace od ČEZu a s přechodem na D01d v půlce roku platba opět klesla.Spotřeba z DS snížena díky baterce a novému poli panelů na JV fasádě na polovinu roku 2016 a to na 0,82MWh/rok.Celková cena je 4602Kč,takže jedna kilowata vyšla na 5.61Kč.Na další rok nám zvedají v tomto tarifu stálou platbu o 60Kč/měsíc a cenu silovky,hold se bude muset lépe projevit to JV pole,ať to nestoupne o víc jak 10% v platbách na příští rok.Jsem opravdu zvědav s čím vyrukují ostatní operátoři s el. energií na rok 2019.
16kWp/JZ-50°/20xChaori 230 ,JV-90°/8xLeapton 650 + <JZ-90° /15xJAsolar / Mono 385, regl Midnite Classic 150<89A> , 1x EASUN <80A> a 1x EASUN <100A>,baterka 17s 54.4VDC LFP4/784Ah<uloží 42kWh>,ŠKATULE 11kW
- marko250
- Příspěvky: 3465
- Registrován: ned led 12, 2014 7:41 pm
- Reputace: 525
- Lokalita: Hlučín
- Bydliště: Hlučín
Re: Poloostrov do 4KWp /2015
Tak nespoléhám jen na projev FVE,ale měním i poskytovatele zálohy
el.energie přez DS a to konkrétně Fonergy.Pro rok 2019 je dnes nejvýhodnější Energie ČS,ale jelikoš jsem již zažil jejich praktiky na vlastní kůži,tak na ně zatím kašlu.Fonergy je navíc jediná firma,která si nebere při online komunikaci stálé poplatky.

16kWp/JZ-50°/20xChaori 230 ,JV-90°/8xLeapton 650 + <JZ-90° /15xJAsolar / Mono 385, regl Midnite Classic 150<89A> , 1x EASUN <80A> a 1x EASUN <100A>,baterka 17s 54.4VDC LFP4/784Ah<uloží 42kWh>,ŠKATULE 11kW
-
- Příspěvky: 565
- Registrován: sob úno 25, 2012 9:36 pm
- Reputace: 25
Re: Poloostrov do 4KWp /2015
Mel jsi ve vyberu zahrnutou i skautskou energii?
- marko250
- Příspěvky: 3465
- Registrován: ned led 12, 2014 7:41 pm
- Reputace: 525
- Lokalita: Hlučín
- Bydliště: Hlučín
Re: Poloostrov do 4KWp /2015
Ano,nový ceník je s 40Kč stálé platby 1561Kč VT.
16kWp/JZ-50°/20xChaori 230 ,JV-90°/8xLeapton 650 + <JZ-90° /15xJAsolar / Mono 385, regl Midnite Classic 150<89A> , 1x EASUN <80A> a 1x EASUN <100A>,baterka 17s 54.4VDC LFP4/784Ah<uloží 42kWh>,ŠKATULE 11kW
- beethowen
- Příspěvky: 868
- Registrován: pát čer 23, 2017 7:46 pm
- Reputace: 153
- Bydliště: Brno-venkov
Re: Poloostrov do 4KWp /2015
Je pravda, že s tvou spotřebou těch 40Kč/měsíc to udělá v ceně za 1kWh dost velký skok. Já topím TČ a pro mě jsou Skauti nejvýhodnější. Ale spotřebu z DS mám 3000kWh a níž se asi moc už nedostanu.marko250 píše:Ano,nový ceník je s 40Kč stálé platby 1561Kč VT.
10,2kWp poly/mono, XTH6000-48, 2x VT-80A, Li-ion 48kWh
viewtopic.php?t=5358#p103484
viewtopic.php?t=4136#p72550
viewtopic.php?t=5358#p103484
viewtopic.php?t=4136#p72550
Kdo je online
Uživatelé prohlížející si toto fórum: Claudebot [Bot], Google [Bot], Semrush [Bot] a 1 host