FVE Bernolakovo
Souhrn tématu
Uživatelé diskutují o stavbě vlastní fotovoltaické elektrárny (FVE) v Bernolákovu, zaměřují se na výběr vhodných solárních panelů, optimální zapojení do série a paralelně, a volbu meniče Axpert King 5 kW. Probírá se také umístění panelů na střechu z různých světových stran pro lepší výkon a doporučení k bateriím, zejména lead carbon a Pylontech. Důležitým tématem je i hlučnost meniče a možnosti jeho umístění v domácnosti. Fórum nabízí praktické rady a zkušenosti pro efektivní a tichou instalaci FVE.
- rottenkiwi
- Příspěvky: 5451
- Registrován: pát úno 13, 2015 2:24 pm
- Reputace: 287
- Lokalita: SO, SK
- Bydliště: SO, SK
Re: FVE Bernolakovo
Mne sa tiež jedna 12 V FVE s 5 r. starým meničom a 6 x 260 Wp stará o 2 bojlery.
Tiež nemám balancéry na LiFe ani LiIon, ale zas monitoring mám, lebo pozerať
na teplomer na bojleri nie je až tak zábavné, ako na niekoĺko budíkov na troch LCD
+ Victron App na smartfóne, napr. tam je deviácia medzi 1/2 a 1/2 LiFE,
ak tam vidím viac ako 0.2 %, tak chytím na 30 s. H4 a je to.
No ale také Pylontechy alebo aspoň 20 kWh v LiIon z 18650 za 1.2 € tiež nie je
na zahodenie, dá sa na tom napr. za 1.6 kWh upiecť chleba, či zmenit to pomocou
PC a GPUs na BTC, ETH či XMR, vrámci finančnej nezávislosti od štátu.
Keďže od marca do novembra chodím von bosý a doma bez oblečenia, tak mi tej
teplej vody na 2 páry ponožiek a jedny trenky až tak veľa netreba.
Tiež nemám balancéry na LiFe ani LiIon, ale zas monitoring mám, lebo pozerať
na teplomer na bojleri nie je až tak zábavné, ako na niekoĺko budíkov na troch LCD
+ Victron App na smartfóne, napr. tam je deviácia medzi 1/2 a 1/2 LiFE,
ak tam vidím viac ako 0.2 %, tak chytím na 30 s. H4 a je to.
No ale také Pylontechy alebo aspoň 20 kWh v LiIon z 18650 za 1.2 € tiež nie je
na zahodenie, dá sa na tom napr. za 1.6 kWh upiecť chleba, či zmenit to pomocou
PC a GPUs na BTC, ETH či XMR, vrámci finančnej nezávislosti od štátu.
Keďže od marca do novembra chodím von bosý a doma bez oblečenia, tak mi tej
teplej vody na 2 páry ponožiek a jedny trenky až tak veľa netreba.
- youda
- Příspěvky: 3153
- Registrován: stř dub 27, 2016 12:12 am
- Reputace: 961
Re: FVE Bernolakovo
Ano, i tak se to dá pojmout.vlkazajac píše:... Povedzte mi niekto zrozumiteľne, načo vrážate peniaze do Pylontechov ?
... Mne dokonca ich existencia spochybňuje nákup silnejšieho meniča, vystačím si s 2 kW a nebudem chudáka vyhadzovať, keď valí bežne 1600+ W do bojlera.
... Komunikácia, BMS, balancéry, pricucávanie, adaptéry k panelom, diaľkový dohľad, prečerpávanie NT/VT, smart, cloud, Nepotrebujem. Vyhadzoval by som lóve na hnoj.
Někdo se prostě veze na Harleyi: ...a jinému stačí ke štěstí osedlat Kozí dech: Do cíle nakonec dojedou oba. Ale ten první si možná po cestě stihne i dobře za*ukat
Youdova ostrovní laboratoř 20kWp: https://youda.mypower.cz
- youda
- Příspěvky: 3153
- Registrován: stř dub 27, 2016 12:12 am
- Reputace: 961
Re: FVE Bernolakovo
Abych byl objektivní - i ježdění na kozím dechu přináší výhody! Dá se tak ušetřit spousta peněz za servis a benzín, takže si pak člověk může dopřát....třeba lepší pohřeb.
Youdova ostrovní laboratoř 20kWp: https://youda.mypower.cz
- vlkazajac
- R.I.P.
- Příspěvky: 3478
- Registrován: úte čer 11, 2013 10:40 pm
- Reputace: 528
Re: FVE Bernolakovo
No fajn. Som turista a na lozenie po Tatrách mi stačili staré dobré kecky. Lietanie na vetroni mi tiež prináša pôžitok z Tatier, keď ich mám ako na dlani pod sebou.
Lenže vráťme sa od pôžitkov k úžitku. Náš priateľ má svoje kritéria :
"...Batéria je asi slabšia ale v rámci rozpočtu to bude snáď ok...."
Lenže vráťme sa od pôžitkov k úžitku. Náš priateľ má svoje kritéria :
"...Batéria je asi slabšia ale v rámci rozpočtu to bude snáď ok...."
750 Wp, LS3024B, 18650 - 198P8S 30,4 V, Multiplus C 800 nonstop / všetky slabé spotrebiče
1950 Wp, 2 x LS3024B, VS2024N, olovo - 330 Ah / 24 V, Carspa 3000 sin deň / silné spotrebiče a ohrev TUV
5995 kWh za meničmi za posledné 2 roky.
1950 Wp, 2 x LS3024B, VS2024N, olovo - 330 Ah / 24 V, Carspa 3000 sin deň / silné spotrebiče a ohrev TUV
5995 kWh za meničmi za posledné 2 roky.
-
sakalik
- Příspěvky: 8
- Registrován: stř čer 26, 2019 11:21 am
- Reputace: 0
- Lokalita: Bernolákovo
- Výkon panelů [Wp]: 10000
- Kapacita baterie [kWh]: 15
- Bydliště: Bernolákovo
Re: FVE Bernolakovo
Ahojte,
ďakujem za vaše ďalšie rady a na základe nich som sa rozhodol prehodnotiť môj pôvodný zámer a keďže som vo FV stále laik, chcel by som počuť vaše názory ako sa ďalej uberať.
Za predpokladu že menič bude stále Axpert King 5 kva
1. Keďže mám menší sklon strechy a celkovo pre max. využitie panelov mám dávať 2 alebo 3 do série a potom ich spojiť paralelne?
2. Koľko max panelov do Axperta môžem zapojiť. Niektorý uvádzali že aj viacej keď budú na rôzne strany ale ja to neviem posúdiť. (ak 15 panelov čo je 4,2 tak by som dal 12 JZ a 3 JV kvôli maximálnemu zisku na zimu; ak 18 panelov čo je už 5,04, tak by som dal 12 JZ a buď 6 JV alebo 3JV a 3 SZ – pre rozloženie večer/ráno)
3. Batérie mám dať obyčajné AGM 180 Ah x 12 v x 4 a za rok dokúpiť povedzme jednu pylontech 50 Ah 48v alebo radšej na začiatok kúpiť iba jednu tú pylontech a po roku postupne dokupovať ďalšiu? (resp. má nejaký iná lepší pomer kvalita/cena?)
4. Pomocou čoho by ste mi radili presmerovávať prebytky do kotla?
5. Keď by som chcel nejaký monitoring a tu by som sa rozhodoval medzi BMV 700 ale to funguje iba cez bluetooth a nie online – alebo sa pletiem? A tí čo ho reálne používajú, myslíte že by mi stačilo sledovať iba batériu? Alebo kúpiť do Axperta Wifi kartu a potom ak to dobre chápem tak by som videl online všetko co zobrazuje. Máte niekto takéto riešenie a ak áno ako ste spokojný? Dá sa v ňom vidieť aj monitoring batérie a teda by nahradil BMV 700?
J0hn – ďakujem za hodinovú tabuľku, veľmi zaujímavá.
Kodl69 – výborná pripomienka, na teplú vodu môžem napojiť umývačku aj pračku lebo ju mám v kotolni
ďakujem za návrhy/vysvetlenia
ďakujem za vaše ďalšie rady a na základe nich som sa rozhodol prehodnotiť môj pôvodný zámer a keďže som vo FV stále laik, chcel by som počuť vaše názory ako sa ďalej uberať.
Za predpokladu že menič bude stále Axpert King 5 kva
1. Keďže mám menší sklon strechy a celkovo pre max. využitie panelov mám dávať 2 alebo 3 do série a potom ich spojiť paralelne?
2. Koľko max panelov do Axperta môžem zapojiť. Niektorý uvádzali že aj viacej keď budú na rôzne strany ale ja to neviem posúdiť. (ak 15 panelov čo je 4,2 tak by som dal 12 JZ a 3 JV kvôli maximálnemu zisku na zimu; ak 18 panelov čo je už 5,04, tak by som dal 12 JZ a buď 6 JV alebo 3JV a 3 SZ – pre rozloženie večer/ráno)
3. Batérie mám dať obyčajné AGM 180 Ah x 12 v x 4 a za rok dokúpiť povedzme jednu pylontech 50 Ah 48v alebo radšej na začiatok kúpiť iba jednu tú pylontech a po roku postupne dokupovať ďalšiu? (resp. má nejaký iná lepší pomer kvalita/cena?)
4. Pomocou čoho by ste mi radili presmerovávať prebytky do kotla?
5. Keď by som chcel nejaký monitoring a tu by som sa rozhodoval medzi BMV 700 ale to funguje iba cez bluetooth a nie online – alebo sa pletiem? A tí čo ho reálne používajú, myslíte že by mi stačilo sledovať iba batériu? Alebo kúpiť do Axperta Wifi kartu a potom ak to dobre chápem tak by som videl online všetko co zobrazuje. Máte niekto takéto riešenie a ak áno ako ste spokojný? Dá sa v ňom vidieť aj monitoring batérie a teda by nahradil BMV 700?
J0hn – ďakujem za hodinovú tabuľku, veľmi zaujímavá.
Kodl69 – výborná pripomienka, na teplú vodu môžem napojiť umývačku aj pračku lebo ju mám v kotolni
ďakujem za návrhy/vysvetlenia
GW10K-ET
J- 2,9 kwp V- 2,0 kwp Z- 5,4 kwp
15 kwh
- vlkazajac
- R.I.P.
- Příspěvky: 3478
- Registrován: úte čer 11, 2013 10:40 pm
- Reputace: 528
Re: FVE Bernolakovo
Na streche máte južnú časť ohraničenú hrebenáčmi, po ktorých sú ťahané vodiče hromozvodu, odspodu je žľab. Experti na hromy a blesky tu písali, že od týchto vodivých častí by mal byť panel vzdialený 40 - 50 cm. Ste si istý, že do trojuholníka zmenšeného o tento rozmer vôjde 12 panelov ? Mne sa zdá tá časť strechy na to malá, skúste si to naskicovať.
Rozhodnite sa pre jeden druh batérie.
Rozhodnite sa pre jeden druh batérie.
750 Wp, LS3024B, 18650 - 198P8S 30,4 V, Multiplus C 800 nonstop / všetky slabé spotrebiče
1950 Wp, 2 x LS3024B, VS2024N, olovo - 330 Ah / 24 V, Carspa 3000 sin deň / silné spotrebiče a ohrev TUV
5995 kWh za meničmi za posledné 2 roky.
1950 Wp, 2 x LS3024B, VS2024N, olovo - 330 Ah / 24 V, Carspa 3000 sin deň / silné spotrebiče a ohrev TUV
5995 kWh za meničmi za posledné 2 roky.
-
zbek
- Příspěvky: 444
- Registrován: ned bře 31, 2019 1:49 pm
- Reputace: 19
Re: FVE Bernolakovo
Ja bych na začiatok jednu tú pylontech a po roku postupne dokupovať ďalšiu, Akorat to bude chtit ten prvni rok ji jen šimrat . Ale Axpert King 5 kva žere Self consumption in battery mode 45W . tak si sni moc neužiješ 500W sežere jenom pro sebe od slunička do slunička za předpokladu že každy den sviti .
FV 3,57 Kwp měnič GW3648D-ES bat 4x pylontech us2000 .FV 2 Kwp měnič GW5048 D-ES bat 3x pylontech us2000
-
sakalik
- Příspěvky: 8
- Registrován: stř čer 26, 2019 11:21 am
- Reputace: 0
- Lokalita: Bernolákovo
- Výkon panelů [Wp]: 10000
- Kapacita baterie [kWh]: 15
- Bydliště: Bernolákovo
Re: FVE Bernolakovo
vlkazajac o tých 40-50 cm som nevedel, myslel som, že stačí keď ten kábel od hromozvodu nebude tieniť. Doma to ešte raz zmerám a dám vedieť (inak sa to možno foto nezdá ale strecha je široká 10,5 metra). Keby sa tam aj nezmestili tak isto tam vojde 9 panelov v prípade 3s, potom by som mohol dať ešte panely na JV alebo SZ. JV mi vychádza že má lepšie solárne zisky ale ak to chcem lepšie rozložiť počas dna, tak tam je dobrý aj ten SZ.
zbek a je lepšie potom pre ňu nastaviť nejaký lepší limit vybíjania ako 80% aby ten prvý rok nejako sama utiahla? (napr. iba 60%?)
zbek a je lepšie potom pre ňu nastaviť nejaký lepší limit vybíjania ako 80% aby ten prvý rok nejako sama utiahla? (napr. iba 60%?)
GW10K-ET
J- 2,9 kwp V- 2,0 kwp Z- 5,4 kwp
15 kwh
-
DanoP
- Příspěvky: 948
- Registrován: stř črc 06, 2016 12:27 pm
- Reputace: 216
- Bydliště: Trnava, Slovensko
Re: FVE Bernolakovo
Ak nevychádza dostatočná vzdialenosť od bleskozvodu (mala by sa overiť výpočtom) dá sa to riešiť aj tak, že sa všetko navzájom pospája čiže aj panely s bleskozvodom a použijú sa prepäťové ochrany na to dimenzované. To je ale na dlhšie, pre predstavu o čo ide si pozrite http://www.kniska.eu/kniska/kniska_2.1-1.sakalik píše:vlkazajac o tých 40-50 cm som nevedel, myslel som, že stačí keď ten kábel od hromozvodu nebude tieniť.
1,77kWp monokryštál + Fangpusun MPPT 150/45, 1,6kWp +Victron MPPT 250/60, 2xStuder XTM4048 + 25kWh LiFePO4, vlastny monitoring na https://www.mms-softec.sk/pip/
-
sakalik
- Příspěvky: 8
- Registrován: stř čer 26, 2019 11:21 am
- Reputace: 0
- Lokalita: Bernolákovo
- Výkon panelů [Wp]: 10000
- Kapacita baterie [kWh]: 15
- Bydliště: Bernolákovo
Re: FVE Bernolakovo
DanoP ďakujem, ale ak to pôjde, tak skúsim najskôr dať čo najviac panelov na ten JZ, potom ďalšie na JV (prípadne sz ak to bude dobré na rozloženie). Ak by to z pohľadu FV nedávalo zmysel, až potom by som volil pre mňa komplikovanejšie riešenie.
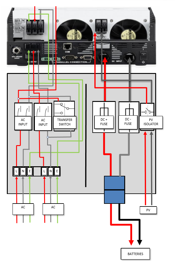
Inak, videl som ako tu máte všetci zapojené svoje elektrárne, ako riešite rôzne poistky, prepäťové ochrany atd.... A dnes som narazil na box, ktorý sa dá kúpiť k Axpertom a je tam všetko pripravené pre jednoduchú inštaláciu ale je v tom žalostne málo... Myslíte že je úplne na "prd", keď sa takto predáva? (upozorňujem, že nie som elektrikár, tak neviem posúdiť riziko:) )
Inak, videl som ako tu máte všetci zapojené svoje elektrárne, ako riešite rôzne poistky, prepäťové ochrany atd.... A dnes som narazil na box, ktorý sa dá kúpiť k Axpertom a je tam všetko pripravené pre jednoduchú inštaláciu ale je v tom žalostne málo... Myslíte že je úplne na "prd", keď sa takto predáva? (upozorňujem, že nie som elektrikár, tak neviem posúdiť riziko:) )
GW10K-ET
J- 2,9 kwp V- 2,0 kwp Z- 5,4 kwp
15 kwh
-
sakalik
- Příspěvky: 8
- Registrován: stř čer 26, 2019 11:21 am
- Reputace: 0
- Lokalita: Bernolákovo
- Výkon panelů [Wp]: 10000
- Kapacita baterie [kWh]: 15
- Bydliště: Bernolákovo
Re: FVE Bernolakovo
Ahojte,
chcel by som poďakovať všetkým, ktorý ste mi v minulosti poradili a na základe vašich rád som mal predstavu o ideálnej zostave:
-12 panelov (Po 3 v sérii, všetky na juh. Rohy panelov budú cca 20 cm od hromozvodu, ale videl som aj inštalácie, kde je to bližšie, tak snáď to bude ok)
- menič Axpert King 5 kva
- batérie Pylontech (Na začiatok asi iba jedna a potom postupne dokupovať)
- prebytky dávať do teplej vody pomocou takéhoto prietokového elektrokotla (radili ste ho tu v inej diskusii, lebo na nešťastie mám zásobník bez možnosti dať špirálu, ale zas ho môžem dať do okruhu cirkulačky) https://www.centrumvytapeni.cz/prutokov ... --vnitrni/
Počasie je nádherné, tak som sa chcel pomaly do toho pustiť, ale uvedomil som si jeden obrovský problém, kde neviem či mi budete vedieť znova poradiť. A to je, že všetko som chcel dať do technickej miestnosti, ktorá má spoločnú stenu s obývačkou a tu sa obávam hlučnosti Axperta a teda aj mojej manželky
Otázka, ako moc je hlučný, či by ho bolo počuť cez stenu/jedny dvere. Inú možnosť ho nemám kde dať, iba ak na nezateplený poval a to neviem ako by sa prejavilo na jeho životnosti (v lete strašne horúco, v zime zas zima). Dosť tu v poslednej dobe rozoberáte aj xtm 4000-48, nebola by toto pre mňa lepšia voľba? Alebo aký najtichší menič mi viete odporučiť? (Uvažoval som aj nad Solaredge alebo Huawei – tie považujem podľa recenzii za tichšie, ale o nich nikto nepísal, že by boli bezprietokové).
Ďakujem za vaše rady/nápady.
chcel by som poďakovať všetkým, ktorý ste mi v minulosti poradili a na základe vašich rád som mal predstavu o ideálnej zostave:
-12 panelov (Po 3 v sérii, všetky na juh. Rohy panelov budú cca 20 cm od hromozvodu, ale videl som aj inštalácie, kde je to bližšie, tak snáď to bude ok)
- menič Axpert King 5 kva
- batérie Pylontech (Na začiatok asi iba jedna a potom postupne dokupovať)
- prebytky dávať do teplej vody pomocou takéhoto prietokového elektrokotla (radili ste ho tu v inej diskusii, lebo na nešťastie mám zásobník bez možnosti dať špirálu, ale zas ho môžem dať do okruhu cirkulačky) https://www.centrumvytapeni.cz/prutokov ... --vnitrni/
Počasie je nádherné, tak som sa chcel pomaly do toho pustiť, ale uvedomil som si jeden obrovský problém, kde neviem či mi budete vedieť znova poradiť. A to je, že všetko som chcel dať do technickej miestnosti, ktorá má spoločnú stenu s obývačkou a tu sa obávam hlučnosti Axperta a teda aj mojej manželky
Ďakujem za vaše rady/nápady.
GW10K-ET
J- 2,9 kwp V- 2,0 kwp Z- 5,4 kwp
15 kwh
-
jahodovák
- Příspěvky: 2047
- Registrován: ned dub 02, 2017 3:45 pm
- Reputace: 235
- Lokalita: podhůří Orlických hor
- Výkon panelů [Wp]: 7500
- Chci prodávat energii: NE
- Chci/Mám dotaci: NE
Re: FVE Bernolakovo
Mám dva sice ne king ale přez jedny dveře není do ložnice slyšet,ono větrák jde naplno jedině při plném výkonu,alespon ten můj,já bych se toho nebál,snad se ozvou i ostatní,podotýkám,že jsem na skoro samotě u lesa,kde je nádherný klid...
7,5kWp-
aexpert max 8 kw,power jack 10 kw a cca 45kW LIFE A LION
aexpert max 8 kw,power jack 10 kw a cca 45kW LIFE A LION
- diablo007
- Příspěvky: 3186
- Registrován: stř lis 28, 2018 7:57 pm
- Reputace: 239
- Bydliště: Vyškov
Re: FVE Bernolakovo
Mám Kinga a interiérové dveře jednoho slušně utlumí a to jsou staré kovové zárubně které o těsnosti mohou jen snít
Kdo je online
Uživatelé prohlížející si toto fórum: Ahrefs [Bot], Claudebot [Bot], Google Adsense [Bot], JirkaE, Seznam [Bot], SiteExplorer [Bot], soami, Yandex [Bot] a 6 hostů
