3f hybridní elektrárna - jaké jsou omožnosti?
Souhrn tématu
Diskuze se zaměřuje na možnosti provozu 3f hybridní elektrárny s využitím solárních panelů, baterií a přepínáním na distribuční síť. Uživatelé řeší vhodné měniče, optimální napětí baterií a efektivní řízení nabíjení a vybíjení. Zmiňují se také zkušenosti s konkrétními modely a technickými detaily pro domácí využití.
- gupa
- Příspěvky: 3845
- Registrován: sob pro 29, 2012 10:22 pm
- Reputace:174
- Lokalita: pod Brnem
- Systémové napětí: 24V
Re: 3f hybridní elektrárna - jaké jsou omožnosti?
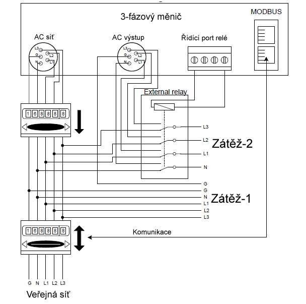
Mě spíš připadá, že to má za vstupem třífázový usměrňovač a zaním je třífázový střídač, připadá mi, že to není čistý bypass, ale výstup je vždy vyroben po usměrnění nebo z FVE nebo z baterie. To mi připadá podle těch technických popisků v manuálu. A to by přetok mohlo mít nulový, protože za usměrněním se ti nic už nevrátí. Jedině kdyby to mělo něco jak má Frekvenční měnič brzdu motora do sítě.(jsou varianty u fr. měniče do sítě nebo do odporu) To by potom mohlo po odepnutí mí buď nulový přetok nebo po zapnutí a výrobě plný ongrid režim z FVE do DS. Což v nastavení tohoto třífázového měniče také je možné.mobilik píše:rva nulovy prietok podla mna nenastavis na ziadnom menici... Vzdy pri velkych zatazach ked sa odpajaju musi nieco pretiect. A moze to mat kludne aj limiter...
To by sa pernamentne muselo viac energie prisisavat aby to nedotlacilo spat...
3x2000VA-VMP-par, NiCd 24V, 22x210-320Wp, 2x85A-VMPPT, ABC-&-XYZ mypower.czAť ti to běží jako hodinky na baterku s čerstvou expirací! Zdejší slova: To by bylo, abychom na tom šetření nevydělali! Nový a aktuálně platný je termín v diskuzích na Seznam.cz mediokratická totalita.
- rva
- Příspěvky: 4878
- Registrován: úte dub 23, 2013 10:21 am
- Reputace:954
- Lokalita: Kousek od Lysé nad Labem
- Systémové napětí: 48V
- Výkon panelů [Wp]: 46000
- Kapacita baterie [kWh]: 62
- Chci prodávat energii: NE
- Chci/Mám dotaci: NE
- Bydliště: Kousek od Lysé nad Labem
Re: 3f hybridní elektrárna - jaké jsou omožnosti?
Možná záleží na tom, jak spotřebiče zapojím. Jestli na výstup jako "To Urgent Load", tak těch slabých 14,5 A. A nebo jestli jako "To Main Family Load", kde pracuje paralelně se sítí? http://www.voltronicpower.com/oCart2/fi ... 150130.pdftomas píše:Jeden InfiniSolar 3f. 10kW dá 14,5A (10kW) z panelů nebo z akumulátoru a ze sítě si může přicucnout až 40A a v případě zapojení s externím vazebním relé a elektroměrem i více. Potom je to limitováno tím elektroměrem (případně měřících proudových traf) a tím vazebním relé (stykačem), tedy teoreticky ze sítě bez limitu, protože pracuje paralelně s distribuční sítí tak jako většina jiných hybridů na trhu.
_______________________________________________________________________
43 kWp, LiFePO4 62 kWh,
EPSolar 60 A/150 V ET6415N + 3x Isolar SM II (5 kW, 450 V, 80 A) + Axpert PIP 5048MS
43 kWp, LiFePO4 62 kWh,
EPSolar 60 A/150 V ET6415N + 3x Isolar SM II (5 kW, 450 V, 80 A) + Axpert PIP 5048MS
- tomas
- Příspěvky: 2579
- Registrován: pon bře 07, 2011 11:05 am
- Reputace:243
- Bydliště: Třinec
Re: 3f hybridní elektrárna - jaké jsou omožnosti?
InfiniSolar dá 10000W/230V/3=14,492754A. 40A platí pro asymetrickou verzi s masivnějšími konektory od roku 2016.
https://forum.mypower.cz/viewtopic.php? ... 400#p59835
https://forum.mypower.cz/viewtopic.php?f=4&t=3731
Ta předchozí měla pouze 25A:
https://forum.mypower.cz/viewtopic.php?f=3&t=2674
Instaloval a testoval jsem obě verze.
Použijte spíše tuto tabulku:
http://gbc-montaze.cz/produkty/stridace ... finisolar/
https://forum.mypower.cz/viewtopic.php? ... 400#p59835
https://forum.mypower.cz/viewtopic.php?f=4&t=3731
Ta předchozí měla pouze 25A:
https://forum.mypower.cz/viewtopic.php?f=3&t=2674
Instaloval a testoval jsem obě verze.
Použijte spíše tuto tabulku:
http://gbc-montaze.cz/produkty/stridace ... finisolar/
Chci elektrárnu s licencí a s prodejem přebytků nebo komunitní výměnou energie: ANO
- tomas
- Příspěvky: 2579
- Registrován: pon bře 07, 2011 11:05 am
- Reputace:243
- Bydliště: Třinec
Re: 3f hybridní elektrárna - jaké jsou omožnosti?
Mezi "To Urgent Load" a "To Main Family Load" je pouze vazební relé 40A a měření. Na "To Urgent Load" připojuji veškerou spotřebu do 40A, zpravidla celý dům.rva píše:Možná záleží na tom, jak spotřebiče zapojím. Jestli na výstup jako "To Urgent Load", tak těch slabých 14,5 A. A nebo jestli jako "To Main Family Load", kde pracuje paralelně se sítí? http://www.voltronicpower.com/oCart2/fi ... 150130.pdftomas píše:Jeden InfiniSolar 3f. 10kW dá 14,5A (10kW) z panelů nebo z akumulátoru a ze sítě si může přicucnout až 40A a v případě zapojení s externím vazebním relé a elektroměrem i více. Potom je to limitováno tím elektroměrem (případně měřících proudových traf) a tím vazebním relé (stykačem), tedy teoreticky ze sítě bez limitu, protože pracuje paralelně s distribuční sítí tak jako většina jiných hybridů na trhu.
Pokud někdo potřebuje více než 40A tak musí použít zapojení na "To Main Family Load" a externí vazební relé a měření: Ale "To Main Family Load" není při výpadku sítě pod napětím.
Což je potom stejné jak u Fronuisu. Tuto variantu jsem zatím nepoužil, protože zatím nikdo neměl větší jistič do distribuční sítě než 40A. Také je prý ta varianta s externím měřením regulačně pomalejší na odezvu, protože ta komunikace s elektrometrem má určité zpoždění.
Chci elektrárnu s licencí a s prodejem přebytků nebo komunitní výměnou energie: ANO
- gupa
- Příspěvky: 3845
- Registrován: sob pro 29, 2012 10:22 pm
- Reputace:174
- Lokalita: pod Brnem
- Systémové napětí: 24V
Re: 3f hybridní elektrárna - jaké jsou omožnosti?
špička 40 A po dobu 1ms?
3x2000VA-VMP-par, NiCd 24V, 22x210-320Wp, 2x85A-VMPPT, ABC-&-XYZ mypower.czAť ti to běží jako hodinky na baterku s čerstvou expirací! Zdejší slova: To by bylo, abychom na tom šetření nevydělali! Nový a aktuálně platný je termín v diskuzích na Seznam.cz mediokratická totalita.
- RCZf
- Příspěvky: 305
- Registrován: stř dub 10, 2013 5:48 pm
- Reputace:8
- Bydliště: Ostrava
Re: 3f hybridní elektrárna - jaké jsou omožnosti?
Jake jsou moznosti ? Nechci s tim uz byt trapny, ale treba 3 stale vyprodani modrasci a par baterek ???
Kdyz vezmu v potaz cenu s 60 mesicni zarukou a to ze stale nejsem schpopen uzivit ani 2 natoz 3, tak v soucasne dobe neznam efektivnejsi reseni vzhledem k jeho cene...
Kdyz vezmu v potaz cenu s 60 mesicni zarukou a to ze stale nejsem schpopen uzivit ani 2 natoz 3, tak v soucasne dobe neznam efektivnejsi reseni vzhledem k jeho cene...
- Luboš
- Příspěvky: 33
- Registrován: ned úno 05, 2017 6:22 pm
- Reputace:1
- Lokalita: Nový Jičín
Re: 3f hybridní elektrárna - jaké jsou omožnosti?
http://www.chinesegrid.com/en/info.aspx?Id=210dracekvo píše:Ahoj,
sice si cením rad, předělat barák na 1f nebo více méně výkonných měníčů. Nic takového ale nechci. Zadání bylo jasné. 3f hybridní měnič s funkcí plynulého docucávání z DS. Je jiná možnost než InfiniSolar Plus 10KW?
Ale s baterkama je to horší.
Je to string s omezovačem přetoků.
A k těm modráskům ještě:3 modrásci-3 baterie.
Oni se o zdroj neumí dělit(mppt).
- zajo
- Příspěvky: 146
- Registrován: úte kvě 30, 2017 9:29 am
- Reputace:7
Re: 3f hybridní elektrárna - jaké jsou omožnosti?
Panely: 4,665kWp (9poly*275 Wp Winaico)-jih; (6mono*365Wp Sunergy)-východ; Měnič: GoodWe GW3648D-ES; Baterky: LiFePO4 24,0kW 500Ah (10*PylonTech US2000B - 2,4kWh)
- RCZf
- Příspěvky: 305
- Registrován: stř dub 10, 2013 5:48 pm
- Reputace:8
- Bydliště: Ostrava
Re: 3f hybridní elektrárna - jaké jsou omožnosti?
K tem modraskum : 3 modrasci jedna baterka - nadherne se o ni deli a v tom je ta finta. Pak pres baterku netecou zadne velke proudy a netrpi ...
- Luboš
- Příspěvky: 33
- Registrován: ned úno 05, 2017 6:22 pm
- Reputace:1
- Lokalita: Nový Jičín
Re: 3f hybridní elektrárna - jaké jsou omožnosti?
Jo,už to vidím.Omlouvám se,né 3 baterie ale 3 stringy ke 3 modráskům.
Pokud by tam byla baterie tak regulátor dobíjení.
Pokud by tam byla baterie tak regulátor dobíjení.
- ota
- Příspěvky: 2297
- Registrován: čtv dub 18, 2013 9:37 am
- Reputace:514
- Bydliště: na chaloupce u lesa-Příbramsko
Re: 3f hybridní elektrárna - jaké jsou omožnosti?
Modrásky mohou jet 3 z jedné baterie protože u baterie se MPPT nehledá.
Nejekonomictejsi řešení pro 3 modrásky je právěže nekolik stringů přes regulátor do jedné baterky.
Nejekonomictejsi řešení pro 3 modrásky je právěže nekolik stringů přes regulátor do jedné baterky.
70kWp + 10kW Infinity, 25kWh LiFe
- dracekvo
- Příspěvky: 1937
- Registrován: čtv zář 13, 2012 4:35 pm
- Reputace:155
Re: 3f hybridní elektrárna - jaké jsou omožnosti?
Modrasky? O čem je řeč? )
- ota
- Příspěvky: 2297
- Registrován: čtv dub 18, 2013 9:37 am
- Reputace:514
- Bydliště: na chaloupce u lesa-Příbramsko
Re: 3f hybridní elektrárna - jaké jsou omožnosti?
GTI invertor s omezovačem přetoků.
70kWp + 10kW Infinity, 25kWh LiFe
- dracekvo
- Příspěvky: 1937
- Registrován: čtv zář 13, 2012 4:35 pm
- Reputace:155
Re: 3f hybridní elektrárna - jaké jsou omožnosti?
A odkaz prosim? )
- Igy
- Příspěvky: 99
- Registrován: čtv srp 10, 2017 11:07 pm
- Reputace:14
Re: 3f hybridní elektrárna - jaké jsou omožnosti?
https://www.i4wifi.cz/Mikroinvertory-Gr ... 1l0lo37dg1
ENmanual ma aj schemu pre 3f pripojenie: https://files.i4wifi.cz/inc/_doc/attach ... ter_v2.pdf
ENmanual ma aj schemu pre 3f pripojenie: https://files.i4wifi.cz/inc/_doc/attach ... ter_v2.pdf
1kWp, 1kW GTI SUN-1000G, batt 240Ah 24V
- RCZf
- Příspěvky: 305
- Registrován: stř dub 10, 2013 5:48 pm
- Reputace:8
- Bydliště: Ostrava
Re: 3f hybridní elektrárna - jaké jsou omožnosti?
Pokud trvate na regulatoru dobijeni tak ma smysl samozrejme s MPPT a tudiz aby mel smysl tak musi byt na kazdy string samostatny regulator. Pokud je tech stringu nekolik tak to mnozstvi energie , kterou regulatory s MPPT vytahnou z panelu jako by navic se nezaplati v casove ose skoro nikdy... Prave proto tvrdim ,ze pouziti regulatoru nabijeni je zbytecne drade a je treba cely system sladit tak , aby se choval samoregulacne s vyuzitim co nejvyssiho mozneho napeti, cimz se maximalne snizi protekajici proudy i ztraty celeho systemu ...Luboš píše:Jo,už to vidím.Omlouvám se,né 3 baterie ale 3 stringy ke 3 modráskům.
Pokud by tam byla baterie tak regulátor dobíjení.
- dracekvo
- Příspěvky: 1937
- Registrován: čtv zář 13, 2012 4:35 pm
- Reputace:155
Re: 3f hybridní elektrárna - jaké jsou omožnosti?
Jen škoda, že to je jen 900W na fázi, takže mi to nepokreje bojler, myčku atd. Jinak cena vypada zajimave. To, že to nefunguje v ostrovnim rezimu bych nejak prekousnul.
Edit. Ted koukam, ze je i 2 kW verze. Budu o tom uvazovat. Na provoz takove veci je potreba nejake povoleni?
Edit. Ted koukam, ze je i 2 kW verze. Budu o tom uvazovat. Na provoz takove veci je potreba nejake povoleni?
- xmasin
- Příspěvky: 1773
- Registrován: čtv čer 28, 2012 9:45 pm
- Reputace:102
Re: 3f hybridní elektrárna - jaké jsou omožnosti?
Mají i 2 kW verzi, ale je dražší
https://www.i4wifi.cz/Mikroinvertory-Gr ... 5-90V.html
https://www.i4wifi.cz/Mikroinvertory-Gr ... 5-90V.html
- RCZf
- Příspěvky: 305
- Registrován: stř dub 10, 2013 5:48 pm
- Reputace:8
- Bydliště: Ostrava
Re: 3f hybridní elektrárna - jaké jsou omožnosti?
Kilowata je opravdu malo a muze slouzit tak maximalne na hrani jelikoz vetsina zroutu energie bere kolem 2kW. Povoleni neni reba. Skladem maji byt koncem rijna ...dracekvo píše:Jen škoda, že to je jen 900W na fázi, takže mi to nepokreje bojler, myčku atd. Jinak cena vypada zajimave. To, že to nefunguje v ostrovnim rezimu bych nejak prekousnul.
Edit. Ted koukam, ze je i 2 kW verze. Budu o tom uvazovat. Na provoz takove veci je potreba nejake povoleni?
- Nicholas
- Příspěvky: 253
- Registrován: stř dub 06, 2016 8:00 pm
- Reputace:21
- Bydliště: HK
Re: 3f hybridní elektrárna - jaké jsou omožnosti?
Pokud je to paralelně připojené se sítí, což je, tak samozřejmě povolení distributora potřeba je. Měnič musí mít firmware, který splňuje připojovací podmínky v ČR (postupný náběh výkonu po obnovení elektřiny po výpadku, nově ty různé funkce Q(t) atd., pod což se podepíše elektromontér FVE systému). Legálně to není jen tak, ale svědomí kolikrát zkousne leccos 
4,6 kWp s 30 kWh teplovodní baterií
Kdo je online
Uživatelé procházející toto fórum: Claudebot [Bot]
