Stavba FVE - 2x strig 4 400Wp
Souhrn tématu
Uživatel z Kroměříže sdílí zkušenosti a žádá o rady při stavbě vlastní fotovoltaické elektrárny (FVE) s 2 stringy po 8 panelech 550Wp. Diskutuje o umístění panelů na plechovou střechu, výběru ochranných trubek pro kabeláž a správném oddělení vodičů. Dále řeší nastavení kombiměniče, firmware a automatizaci řízení přes Home Assistant pro optimalizaci výroby a spotřeby energie.
- Aldron
- Příspěvky: 280
- Registrován: sob čer 07, 2025 6:46 pm
- Reputace:20
- Lokalita: Rožňava, SR
- Systémové napětí: 48V
- Výkon panelů [Wp]: 7700
- Kapacita baterie [kWh]: 30
- Chci prodávat energii: NE
- Chci/Mám dotaci: NE
- Bydliště: Rozložná, SR
Re: Stavba FVE - 2x strig 4 400Wp
Nie celkom. Prepätia pri výbojoch trvajú veľmi krátko. Keby prepäťová ochrana mala byť závislá na reakcii nadprúdovej ochrany, tak by to nefungovalo vôbec. Preto majú zvodiče prepätia reakčné doby radove 10ns a prúdy v kA. Reakcia tavnej poistky, nedajbože ističa, je proti tomu ako želva proti zajíci. Samozrejme, že sa bavíme o impulznom zaťažení. Stále si myslím, že ak tam nebude v tom čase funkčná prepäťová ochrana a v dôsledku priameho výboja/indukcie sa na vedení vyslytne napätie rádove 1000V, tak cez kontakty toho stykača preskočí iskra. Ak tam tá funkčná ochrana bude tak ten stykač je zbytočný. Ono by pre upresnenie bolo dobré vedieť o aký stykač sa jedná.
Polostrov 7,7kWp, 1f menič Daxtromn 10kW, LiFePo4 30kWh, tepelné čerpadlo LG Therma V Monobloc 9kW, ohrev vody z prebytkov, HomeAssistant
- Aldron
- Příspěvky: 280
- Registrován: sob čer 07, 2025 6:46 pm
- Reputace:20
- Lokalita: Rožňava, SR
- Systémové napětí: 48V
- Výkon panelů [Wp]: 7700
- Kapacita baterie [kWh]: 30
- Chci prodávat energii: NE
- Chci/Mám dotaci: NE
- Bydliště: Rozložná, SR
Re: Stavba FVE - 2x strig 4 400Wp
Aj tu, aj keď nerád, musím oponovať. Bleskozvod je primárne určený na ochranu objektu a zamedzenie prieniku bleskových prúdov do objektu. V spolupráci so zvodičmi prepätia by mal zabezpečiť ochranu vedení a spotrebičov vo vnútri objektu.unicast píše: čtv čer 26, 2025 7:01 pm
Bleskosvod musí být postaven tak, aby přímý úder blesku do panelů či profilů byl eliminován. Tedy oddálené jímače, převyšující vše ostatní a dodržení příslušné odstupové vzdálenosti. Rozhodně ne profily a rámy přímo připojené na bleskosvod. Pak máme problém už jen s tím, co proud toho blesku, protékající bleskosvodem, naindukuje ve všem vodivém kolem sebe. A tam už ten stykač pomůže.
Norma priamo prikazuje pri nemožnosti dodržania minimálnej vzdialenosti panelov/konštrukcie, tieto prepojiť so systémom bleskozvodu. Samozrejme je to ten horší prípad. No a pri zásahu bleskom(aj nejakým bočným výbojom) takto zabezpečenej budovy to spravidla odnesú aj panely, ale nestane sa nič horšie, napr. požiar. Všetko čo je vo vnútri, by malo byť chránené, ale panely pred priamym zásahom chrániť nejde. Toľko fakty.
Polostrov 7,7kWp, 1f menič Daxtromn 10kW, LiFePo4 30kWh, tepelné čerpadlo LG Therma V Monobloc 9kW, ohrev vody z prebytkov, HomeAssistant
- unicast
- Příspěvky: 2534
- Registrován: sob bře 30, 2019 10:27 am
- Reputace:482
- Lokalita: JV od pekla :)
- Systémové napětí: 48V
- Výkon panelů [Wp]: 5100
- Kapacita baterie [kWh]: 49
- Chci/Mám dotaci: NE
Re: Stavba FVE - 2x strig 4 400Wp
Teď si představme situaci, že bleskový proud pronikne svodem do MPPT, tam prorazí tranzistory a plné napětí z panelů se dostane na LiFePo4 baterie. Co se stane? Jasně, BMS se to pokusí vypnout, ale protože mosfety v BMS jsou dimenzovány na ještě nižší napětí, než mosfety v MPPT, prorazí se i mosfety v BMS, pár článků začne plynovat a dopadne to přesně takhle: viewtopic.php?t=13113 Ok, mezi tím možná zafunguje přepěťovka, možná taky ne, protože přepětí už mezi tím skončilo a možná se to dokonce i celé odstaví, ale to už stejně plynování LiFePO4 článku díky proraženému dielektriku nezastaví, norma nenorma.
A k tomu stykači... Pokud už se dává stykač na DC svod nad 100 V, tak to buď bude takový, který dokáže zhášet oblouky nebo se použije vícestupňový tak, aby ten oblouk rozdělil na tři části (oblíbené je použití třífázových na 400V tímto způsobem). Pak přeskočení jiskry nehrozí. Dokonalé řešení to sice není, ale riziko snižuje asi tak 1000x.
A k tomu stykači... Pokud už se dává stykač na DC svod nad 100 V, tak to buď bude takový, který dokáže zhášet oblouky nebo se použije vícestupňový tak, aby ten oblouk rozdělil na tři části (oblíbené je použití třífázových na 400V tímto způsobem). Pak přeskočení jiskry nehrozí. Dokonalé řešení to sice není, ale riziko snižuje asi tak 1000x.
- kuba47
- Příspěvky: 218
- Registrován: pát dub 18, 2025 10:09 am
- Reputace:48
- Lokalita: Krušné hory
- Systémové napětí: 48V
- Chci prodávat energii: NE
- Chci/Mám dotaci: NE
Re: Stavba FVE - 2x strig 4 400Wp
Tohle může nastat jen u těch nejjednodušších MPPT/PWM regulátorů/nabíječů. Všechny běžné střídače (Axpert, klony, atd.) s PV vstupem do 500V (a více) mají trafo mezi vysokonapěťovou sběrnicí (kam jde proud z MPPT) a stranou baterie. S proraženými tranzistory se nic z panelů na baterku nedostane.
8.8kWp @ Anern SCI-MAX-10200, LiFePO4 280Ah 16s2p, JK PB2A16S20P, AC nabíječka Easun SMH
3.6kWp @ Siton 210 SMD
3.6kWp @ Siton 210 SMD
- unicast
- Příspěvky: 2534
- Registrován: sob bře 30, 2019 10:27 am
- Reputace:482
- Lokalita: JV od pekla :)
- Systémové napětí: 48V
- Výkon panelů [Wp]: 5100
- Kapacita baterie [kWh]: 49
- Chci/Mám dotaci: NE
Re: Stavba FVE - 2x strig 4 400Wp
Transformátor v DC/DC měniči znamená pokles účinnosti. Nelze mít 98 % účinnost a při tom galvanické oddělení transformátorem.
Takhle vypadají vevnitř Epever Tracery:
Kdo tam někde vidí nějaké trafo? Maximálně tam mohou být nějaké sebevražedné zenerky nebo jiné jednoduché polovodiče, které shoří jako první a odpojí nebo vyzkratují vstup. Victron SmartSolar na tom vzhledem ke své velikosti bude patrně podobně.
V Kingu (I. i II.) nějaké malé trafo je. Nicméně mám ten pocit, že neodděluje MPPT od sběrnice, ale je součástí DC/AC měniče. Sám jsem ho ovšem nerozebíral a ten rozebraný neměřil, takže s jistotou to říci nemohu.
Vypadá ale (není-li to dokonce autotransformátor), že má obě vinutí na jedné cívce, patrně oddělené jen nějakou chatrnou izolací. To moc klidu nepřidá.
Pak jsou tam ještě nějaké toroidy, které mohou být jak cívkami, tak transformátory, vzhledem k jejich velikosti předpokládám to první.
Takhle vypadají vevnitř Epever Tracery:
Kdo tam někde vidí nějaké trafo? Maximálně tam mohou být nějaké sebevražedné zenerky nebo jiné jednoduché polovodiče, které shoří jako první a odpojí nebo vyzkratují vstup. Victron SmartSolar na tom vzhledem ke své velikosti bude patrně podobně.
V Kingu (I. i II.) nějaké malé trafo je. Nicméně mám ten pocit, že neodděluje MPPT od sběrnice, ale je součástí DC/AC měniče. Sám jsem ho ovšem nerozebíral a ten rozebraný neměřil, takže s jistotou to říci nemohu.
Vypadá ale (není-li to dokonce autotransformátor), že má obě vinutí na jedné cívce, patrně oddělené jen nějakou chatrnou izolací. To moc klidu nepřidá.
Pak jsou tam ještě nějaké toroidy, které mohou být jak cívkami, tak transformátory, vzhledem k jejich velikosti předpokládám to první.
- kuba47
- Příspěvky: 218
- Registrován: pát dub 18, 2025 10:09 am
- Reputace:48
- Lokalita: Krušné hory
- Systémové napětí: 48V
- Chci prodávat energii: NE
- Chci/Mám dotaci: NE
Re: Stavba FVE - 2x strig 4 400Wp
Epever je přesně ta kategorie nejjednodušších MPPT, kterou jsem myslel. Ty žádné trafo nemají. Některé zřejmě nemají ani indukčnost, jak je vidět v tom prvním videu.
King II má DC/DC měnič s trafem. Ne mezi MPPT a sběrnicí, ale mezi sběrnicí a baterií. MPPT je na vysokonapěťové straně. Baterie je zcela galvanicky oddělená. Totéž všechny Max verze, Easuny, Anerny, Anenji, Powmr, atd. Toroidy tam jsou pro MPPT, buck konvertor (regulace nabíjení) a výstup střídače.
S Kingem I jsem se nesetkal, ten má max. 145V z panelů, takže odhaduju, že MPPT by mohlo být na straně baterie, v tom případě by baterie od panelů nebyla galvanicky oddělená.
King II má DC/DC měnič s trafem. Ne mezi MPPT a sběrnicí, ale mezi sběrnicí a baterií. MPPT je na vysokonapěťové straně. Baterie je zcela galvanicky oddělená. Totéž všechny Max verze, Easuny, Anerny, Anenji, Powmr, atd. Toroidy tam jsou pro MPPT, buck konvertor (regulace nabíjení) a výstup střídače.
S Kingem I jsem se nesetkal, ten má max. 145V z panelů, takže odhaduju, že MPPT by mohlo být na straně baterie, v tom případě by baterie od panelů nebyla galvanicky oddělená.
8.8kWp @ Anern SCI-MAX-10200, LiFePO4 280Ah 16s2p, JK PB2A16S20P, AC nabíječka Easun SMH
3.6kWp @ Siton 210 SMD
3.6kWp @ Siton 210 SMD
- Aldron
- Příspěvky: 280
- Registrován: sob čer 07, 2025 6:46 pm
- Reputace:20
- Lokalita: Rožňava, SR
- Systémové napětí: 48V
- Výkon panelů [Wp]: 7700
- Kapacita baterie [kWh]: 30
- Chci prodávat energii: NE
- Chci/Mám dotaci: NE
- Bydliště: Rozložná, SR
Re: Stavba FVE - 2x strig 4 400Wp
Vzhľadom k tomu, že panely sú prúdový zdroj a LiFePo4 má veľmi nízky vnútorný odpor, sa pri prieraze tranzistorov v regulátore nestane pravdepodobne nič okrem toho, že sa baterka bude nabíjať skratovým prúdom panelov, čo spravidla bude zlomok normálneho nabíjacieho prúdu. S BMS to bude podobné, pretože v danej chvíli budú mosfety v BMS s najväčšou pravdepodobnosťou zopnuté, teda ani na nich nebude takmer žiadne napätie. Problém pravdepodobne nastane až pri prebití niektorého článku a pokuse BMS o odpojenie baterky od regulátora.unicast píše: čtv čer 26, 2025 8:45 pmTeď si představme situaci, že bleskový proud pronikne svodem do MPPT, tam prorazí tranzistory a plné napětí z panelů se dostane na LiFePo4 baterie. Co se stane? Jasně, BMS se to pokusí vypnout, ale protože mosfety v BMS jsou dimenzovány na ještě nižší napětí, než mosfety v MPPT, prorazí se i mosfety v BMS, pár článků začne plynovat a dopadne to přesně takhle: viewtopic.php?t=13113 Ok, mezi tím možná zafunguje přepěťovka, možná taky ne, protože přepětí už mezi tím skončilo a možná se to dokonce i celé odstaví, ale to už stejně plynování LiFePO4 článku díky proraženému dielektriku nezastaví, norma nenorma.
A k tomu stykači... Pokud už se dává stykač na DC svod nad 100 V, tak to buď bude takový, který dokáže zhášet oblouky nebo se použije vícestupňový tak, aby ten oblouk rozdělil na tři části (oblíbené je použití třífázových na 400V tímto způsobem). Pak přeskočení jiskry nehrozí. Dokonalé řešení to sice není, ale riziko snižuje asi tak 1000x.
Polostrov 7,7kWp, 1f menič Daxtromn 10kW, LiFePo4 30kWh, tepelné čerpadlo LG Therma V Monobloc 9kW, ohrev vody z prebytkov, HomeAssistant
- GHLL
- Příspěvky: 209
- Registrován: úte pro 17, 2024 8:41 am
- Reputace:89
- Lokalita: Kroměříž
- Systémové napětí: 48V
- Výkon panelů [Wp]: 13 300
- Kapacita baterie [kWh]: 14
- Chci prodávat energii: NE
- Chci/Mám dotaci: NE
Re: Stavba FVE - 2x strig 4 400Wp
Přes víkend zapojen druhý DC rozvaděč u kombiměniče ▼▼▼ Nataženy CYKY kabely do domovního rozvaděče a zapojen AC rozvaděč u kombiboxu ▼▼▼ A nakonec zapojen 300L bojler s 3 x 230V spirálou řízenou ESPHome a Modul 4x relé ESP8266 s wifi modulem ESP-12F ▼▼▼ Dneska ráno nahřátí bojleru ▼▼▼ Z 40°C ohřály dvě spirály na 71°C za cca 1h a 50min.
- Victron 150/85-Tr
- Smartshunt - Homeassistant
- Kombiměnič: Voltronic 11kW
- jova
- Příspěvky: 340
- Registrován: ned črc 10, 2016 10:39 pm
- Reputace:36
- Lokalita: Táborsko
- Systémové napětí: 48V
- Výkon panelů [Wp]: 14,2kWp
- Kapacita baterie [kWh]: 24kWh
- Chci prodávat energii: NE
- Chci/Mám dotaci: NE
Re: Stavba FVE - 2x strig 4 400Wp
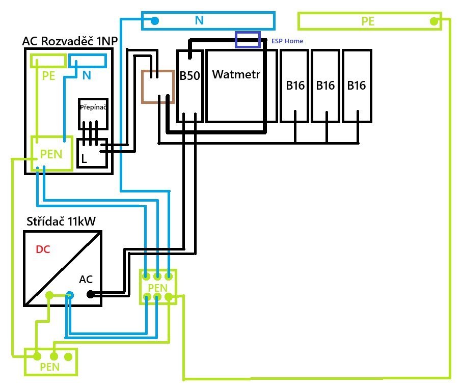
Nechci moc rýpat, ale v tom rozvaděči pro kotelnu, by jsi měl dodržet to rozdělení na N a PE i v té spodní svorce PEN. Respektive jí mít maximálně jen jako přívod pro vodič PEN a bod rozdělení s náležitým uzemněním. Ty modré vodiče už do ní nepatří, ty patří nahoru do té N lišty.
- Antrac1t
- Příspěvky: 599
- Registrován: ned čer 26, 2022 3:33 pm
- Reputace:103
- Lokalita: Znojemsko
- Systémové napětí: 48V
- Výkon panelů [Wp]: 5500
- Kapacita baterie [kWh]: 26
- Chci prodávat energii: NE
- Chci/Mám dotaci: NE
Re: Stavba FVE - 2x strig 4 400Wp
to spinani toho bojleru prekopes na stykace, ktere budou spinane tim ESPckem, ted je to jen na test, ze? jelikoz tem songle rele bych moc neveril pro spinani dlouhodobe velke zateze
string1 - 5.5kwp 2S6P - 460wp | 3x Multiplus ii 3000VA 1F systém | Lifepo4 230AH 48V + Seplos BMS, Lifepo4 310AH 48V + Seplos BMS
- GHLL
- Příspěvky: 209
- Registrován: úte pro 17, 2024 8:41 am
- Reputace:89
- Lokalita: Kroměříž
- Systémové napětí: 48V
- Výkon panelů [Wp]: 13 300
- Kapacita baterie [kWh]: 14
- Chci prodávat energii: NE
- Chci/Mám dotaci: NE
Re: Stavba FVE - 2x strig 4 400Wp
Ty modré jsou: jeden odvod N pro kotelnu z uzemněného bodu rozdělení a 2 x 6mm2 do domovního rozvaděče TNC. Už jsem to tu řešil >>> ZDE <<<. Je to zapojeno takto:jova píše: pon čer 30, 2025 12:41 pmNechci moc rýpat, ale v tom rozvaděči pro kotelnu, by jsi měl dodržet to rozdělení na N a PE i v té spodní svorce PEN. Respektive jí mít maximálně jen jako přívod pro vodič PEN a bod rozdělení s náležitým uzemněním. Ty modré vodiče už do ní nepatří, ty patří nahoru do té N lišty.
- Victron 150/85-Tr
- Smartshunt - Homeassistant
- Kombiměnič: Voltronic 11kW
- GHLL
- Příspěvky: 209
- Registrován: úte pro 17, 2024 8:41 am
- Reputace:89
- Lokalita: Kroměříž
- Systémové napětí: 48V
- Výkon panelů [Wp]: 13 300
- Kapacita baterie [kWh]: 14
- Chci prodávat energii: NE
- Chci/Mám dotaci: NE
Re: Stavba FVE - 2x strig 4 400Wp
No překopuAntrac1t píše: pon čer 30, 2025 12:48 pmto spinani toho bojleru prekopes na stykace, ktere budou spinane tim ESPckem, ted je to jen na test, ze? jelikoz tem songle rele bych moc neveril pro spinani dlouhodobe velke zateze
- Victron 150/85-Tr
- Smartshunt - Homeassistant
- Kombiměnič: Voltronic 11kW
- Migel
- Příspěvky: 1871
- Registrován: ned zář 25, 2022 10:47 am
- Reputace:342
- Lokalita: Pod Karpatmi
Re: Stavba FVE - 2x strig 4 400Wp
Tak ja mam podobny esp board ale teda bal by som sa cez to spinat bojler 
Tie rele na tom boarde spinaju ssr rele iba ovladacim napetim (24V) ktore uz spinaju bud bojler alebo spiraly v AN
Tie rele na tom boarde spinaju ssr rele iba ovladacim napetim (24V) ktore uz spinaju bud bojler alebo spiraly v AN
JZ-2s5p 3,8kWp >> Epever 8415 AN
JV-2s3p 2,7kWp >> Epever 6415 AN
2x Victron MP2 5000V/A paralelne
3x GWL SUN-2000G paralelne
48V 760Ah/35kWh Li-ion
a stále v štádiu budovania
(rozširovania)
JV-2s3p 2,7kWp >> Epever 6415 AN
2x Victron MP2 5000V/A paralelne
3x GWL SUN-2000G paralelne
48V 760Ah/35kWh Li-ion
a stále v štádiu budovania
- cipis
- Moderátor
- Příspěvky: 7159
- Registrován: pon srp 16, 2021 9:31 pm
- Reputace:1013
- Lokalita: blízko Brna
- Systémové napětí: 24V
- Výkon panelů [Wp]: 18+ kWp
- Kapacita baterie [kWh]: 40+26
- Chci prodávat energii: NE
- Chci/Mám dotaci: NE
- Bydliště: blízko Brna
Re: Stavba FVE - 2x strig 4 400Wp
Tam ani tak nejde o proud, co to spina provozne, ale co se stane, kdyz se to zkratne na vystupu. A spirala se muze zkratnout ...
A vymenovat cele rizeni misto jednoho stykace navic?
A vymenovat cele rizeni misto jednoho stykace navic?
18+ kWp v provozu, 7+ kWp čeká na montáž/zapojení
Regulátory Epever a Victron
MP 24/5000 + Deye mikroinvertory 1+2,25+0,8 kW (můj byt + máti byt)
MP 24/1200 inet, sit, kamery atd.
Phoenix 24/5000 vytěžování do akumulačních kamen
Epever 3kW vytěžování do bojlerů + žebříky
1 kW "nabíječka" 24 V
40+ kWh staré olovo 26+ kWh Li-Ion
několik dalších MP jako záložní zdroje na různých místech
Modře píši jako moderátor, černě jako člen.
Regulátory Epever a Victron
MP 24/5000 + Deye mikroinvertory 1+2,25+0,8 kW (můj byt + máti byt)
MP 24/1200 inet, sit, kamery atd.
Phoenix 24/5000 vytěžování do akumulačních kamen
Epever 3kW vytěžování do bojlerů + žebříky
1 kW "nabíječka" 24 V
40+ kWh staré olovo 26+ kWh Li-Ion
několik dalších MP jako záložní zdroje na různých místech
Modře píši jako moderátor, černě jako člen.
- jova
- Příspěvky: 340
- Registrován: ned črc 10, 2016 10:39 pm
- Reputace:36
- Lokalita: Táborsko
- Systémové napětí: 48V
- Výkon panelů [Wp]: 14,2kWp
- Kapacita baterie [kWh]: 24kWh
- Chci prodávat energii: NE
- Chci/Mám dotaci: NE
Re: Stavba FVE - 2x strig 4 400Wp
Jestli jsou ty modré vodiče všude popropojované s těmi zelenožlutýmy jak máš na obrázku, tak to revizáka moc nepotěšíšGHLL píše: pon čer 30, 2025 12:54 pmTy modré jsou: jeden odvod N pro kotelnu z uzemněného bodu rozdělení a 2 x 6mm2 do domovního rozvaděče TNC. Už jsem to tu řešil >>> ZDE <<<. Je to zapojeno takto:jova píše: pon čer 30, 2025 12:41 pmNechci moc rýpat, ale v tom rozvaděči pro kotelnu, by jsi měl dodržet to rozdělení na N a PE i v té spodní svorce PEN. Respektive jí mít maximálně jen jako přívod pro vodič PEN a bod rozdělení s náležitým uzemněním. Ty modré vodiče už do ní nepatří, ty patří nahoru do té N lišty.
AC_Rozvadec_Kotelna.jpg
Naposledy upravil(a) jova dne pon čer 30, 2025 1:23 pm, celkem upraveno 1 x.
- Antrac1t
- Příspěvky: 599
- Registrován: ned čer 26, 2022 3:33 pm
- Reputace:103
- Lokalita: Znojemsko
- Systémové napětí: 48V
- Výkon panelů [Wp]: 5500
- Kapacita baterie [kWh]: 26
- Chci prodávat energii: NE
- Chci/Mám dotaci: NE
Re: Stavba FVE - 2x strig 4 400Wp
nevim ja s temito cajna rele nemam moc dobrou zkusenost a vyuzivam je zasadne jen jako ovladaci na stykace (tak jak psal Migel) ... cena stykace oproti celemu systemu je nic ...
string1 - 5.5kwp 2S6P - 460wp | 3x Multiplus ii 3000VA 1F systém | Lifepo4 230AH 48V + Seplos BMS, Lifepo4 310AH 48V + Seplos BMS
- GHLL
- Příspěvky: 209
- Registrován: úte pro 17, 2024 8:41 am
- Reputace:89
- Lokalita: Kroměříž
- Systémové napětí: 48V
- Výkon panelů [Wp]: 13 300
- Kapacita baterie [kWh]: 14
- Chci prodávat energii: NE
- Chci/Mám dotaci: NE
Re: Stavba FVE - 2x strig 4 400Wp
Jjj dám tam stykače...
- Victron 150/85-Tr
- Smartshunt - Homeassistant
- Kombiměnič: Voltronic 11kW
- GHLL
- Příspěvky: 209
- Registrován: úte pro 17, 2024 8:41 am
- Reputace:89
- Lokalita: Kroměříž
- Systémové napětí: 48V
- Výkon panelů [Wp]: 13 300
- Kapacita baterie [kWh]: 14
- Chci prodávat energii: NE
- Chci/Mám dotaci: NE
Re: Stavba FVE - 2x strig 4 400Wp
Revizáka ???? co by tam dělal, když by to měl řešit revizák tak se tu nebudu vyptávat na rady a nechám ho to udělat celý...jova píše: pon čer 30, 2025 1:13 pmJestli jsou ty modré vodiče všude popropojované s těmi zelenožlutýmy jak máš na obrázku, tak to revizáka moc nepotěšíšGHLL píše: pon čer 30, 2025 12:54 pmTy modré jsou: jeden odvod N pro kotelnu z uzemněného bodu rozdělení a 2 x 6mm2 do domovního rozvaděče TNC. Už jsem to tu řešil >>> ZDE <<<. Je to zapojeno takto:jova píše: pon čer 30, 2025 12:41 pmNechci moc rýpat, ale v tom rozvaděči pro kotelnu, by jsi měl dodržet to rozdělení na N a PE i v té spodní svorce PEN. Respektive jí mít maximálně jen jako přívod pro vodič PEN a bod rozdělení s náležitým uzemněním. Ty modré vodiče už do ní nepatří, ty patří nahoru do té N lišty.
AC_Rozvadec_Kotelna.jpg
A pokud se teda zeptám jak by to mělo byt správně? Nenašel jsem nikde vodič CYKY 2 x 6 který by měl černá a žz vodič...
- Victron 150/85-Tr
- Smartshunt - Homeassistant
- Kombiměnič: Voltronic 11kW
- Migel
- Příspěvky: 1871
- Registrován: ned zář 25, 2022 10:47 am
- Reputace:342
- Lokalita: Pod Karpatmi
Re: Stavba FVE - 2x strig 4 400Wp
Majstri a nikto ste si nevsimli ze mam zž ako privod do prudoveho chranica?...(cakal som kto zareaguje
)
Nemal som uz taky hruby modry vodic tak som dal co som mal a je tam po dnes den
Ale bude vymeneny...
Nemal som uz taky hruby modry vodic tak som dal co som mal a je tam po dnes den
JZ-2s5p 3,8kWp >> Epever 8415 AN
JV-2s3p 2,7kWp >> Epever 6415 AN
2x Victron MP2 5000V/A paralelne
3x GWL SUN-2000G paralelne
48V 760Ah/35kWh Li-ion
a stále v štádiu budovania
(rozširovania)
JV-2s3p 2,7kWp >> Epever 6415 AN
2x Victron MP2 5000V/A paralelne
3x GWL SUN-2000G paralelne
48V 760Ah/35kWh Li-ion
a stále v štádiu budovania
- cipis
- Moderátor
- Příspěvky: 7159
- Registrován: pon srp 16, 2021 9:31 pm
- Reputace:1013
- Lokalita: blízko Brna
- Systémové napětí: 24V
- Výkon panelů [Wp]: 18+ kWp
- Kapacita baterie [kWh]: 40+26
- Chci prodávat energii: NE
- Chci/Mám dotaci: NE
- Bydliště: blízko Brna
Re: Stavba FVE - 2x strig 4 400Wp
Ja mam do vsech chranicu vstup ZZ, protoze to taham z PEN svorkovnice. A az z chranicu jdou modre N. Tj. az zde vytvarim body rozdeleni.
18+ kWp v provozu, 7+ kWp čeká na montáž/zapojení
Regulátory Epever a Victron
MP 24/5000 + Deye mikroinvertory 1+2,25+0,8 kW (můj byt + máti byt)
MP 24/1200 inet, sit, kamery atd.
Phoenix 24/5000 vytěžování do akumulačních kamen
Epever 3kW vytěžování do bojlerů + žebříky
1 kW "nabíječka" 24 V
40+ kWh staré olovo 26+ kWh Li-Ion
několik dalších MP jako záložní zdroje na různých místech
Modře píši jako moderátor, černě jako člen.
Regulátory Epever a Victron
MP 24/5000 + Deye mikroinvertory 1+2,25+0,8 kW (můj byt + máti byt)
MP 24/1200 inet, sit, kamery atd.
Phoenix 24/5000 vytěžování do akumulačních kamen
Epever 3kW vytěžování do bojlerů + žebříky
1 kW "nabíječka" 24 V
40+ kWh staré olovo 26+ kWh Li-Ion
několik dalších MP jako záložní zdroje na různých místech
Modře píši jako moderátor, černě jako člen.
Kdo je online
Uživatelé procházející toto fórum: Claudebot [Bot]
