CellLog 8
Souhrn tématu
Diskuze se zaměřuje na postup stahování dat z CellLogu 8 do počítače pomocí programu LogView a řešení častých problémů, jako je poškozený alarm port. Uživatelé sdílejí zkušenosti s opravou tranzistoru a upozorňují na energetickou nenáročnost a spolehlivost zařízení. Zároveň se diskutuje o dostupnosti CellLogu a alternativách pro moderní bateriové systémy.
- Ivo12s
- Příspěvky: 680
- Registrován: ned kvě 06, 2012 3:47 pm
- Reputace:55
- Lokalita: Kolínsko
- Systémové napětí: 48V
- Výkon panelů [Wp]: 4880
- Kapacita baterie [kWh]: 35
- Chci prodávat energii: NE
- Chci/Mám dotaci: NE
Re: CellLog 8
Prozatím vždy se mi ukázati ráčilo, že s rostoucími potřebami jednoduché řešení v komplexní jsem nucen měnit..a utrácet znovu. A že zábava bastlení se ve zbytečný čas a ohrožení investice v bateriích obrací. Obavou tedy trpím nyní, že nakonec stejně skončím u nějakého profi monitoringu přes SDS... A uvažovati o tom hodlám reálně.
100% OSTROV SČ KRAJ = 16 panelů Canadian Solar CS3K-305; 2 větve 2S4P; 2x Regulátor Victron BlueSolar Charger MPPT 150/60; Měnič 1F Smart Phoenix Inverter 48V 5000VA 230V; Monitoring Victron BMV700 + Raspberry Pi 4B; Energy Meter ET112 a spousta kabelů.
Baterie LiFePo4 =2P x 48V/120Ah +16S x 120Ah + 1P/311Ah= cca 35,2 kWh, skládaná z článků Winston WB-LYP60AHA a EVE LF304 ✔ Zlepšení pozice u vyhledávačů; Aktuální stav FVE instalace.
Baterie LiFePo4 =2P x 48V/120Ah +16S x 120Ah + 1P/311Ah= cca 35,2 kWh, skládaná z článků Winston WB-LYP60AHA a EVE LF304 ✔ Zlepšení pozice u vyhledávačů; Aktuální stav FVE instalace.
- Ivo12s
- Příspěvky: 680
- Registrován: ned kvě 06, 2012 3:47 pm
- Reputace:55
- Lokalita: Kolínsko
- Systémové napětí: 48V
- Výkon panelů [Wp]: 4880
- Kapacita baterie [kWh]: 35
- Chci prodávat energii: NE
- Chci/Mám dotaci: NE
Re: CellLog 8
Doplňuji fotografie "obsahů..." Moc to není vidět, ty bílé kroužky na spoji jsou otvory pro šroubky. A ten displej je na nich nacvaknutý. Plošný spoj je vzhůru nohama. Možná by se dalo připojit na některý aktivní prvek na této straně plošného spoje... ??
100% OSTROV SČ KRAJ = 16 panelů Canadian Solar CS3K-305; 2 větve 2S4P; 2x Regulátor Victron BlueSolar Charger MPPT 150/60; Měnič 1F Smart Phoenix Inverter 48V 5000VA 230V; Monitoring Victron BMV700 + Raspberry Pi 4B; Energy Meter ET112 a spousta kabelů.
Baterie LiFePo4 =2P x 48V/120Ah +16S x 120Ah + 1P/311Ah= cca 35,2 kWh, skládaná z článků Winston WB-LYP60AHA a EVE LF304 ✔ Zlepšení pozice u vyhledávačů; Aktuální stav FVE instalace.
Baterie LiFePo4 =2P x 48V/120Ah +16S x 120Ah + 1P/311Ah= cca 35,2 kWh, skládaná z článků Winston WB-LYP60AHA a EVE LF304 ✔ Zlepšení pozice u vyhledávačů; Aktuální stav FVE instalace.
- camel1cz
- Příspěvky: 825
- Registrován: pon bře 21, 2011 11:12 pm
- Reputace:57
- Lokalita: Lounsko
- Systémové napětí: 48V
- Výkon panelů [Wp]: 8430
- Kapacita baterie [kWh]: 30
- Chci prodávat energii: NE
- Chci/Mám dotaci: NE
Re: CellLog 8
Však všeho do času. kodl vystřihne BMS a pak si ji všichni pořídíme 
5 kVA Axpert King 1 @ 5,67 kWp [3s6p AUO 315Wp mono] + 5 kVA Axpert King 1 @ 2,76 kWp [2s3p AS 460Wp mono] = paralelní 1F provoz
18 kWh [5x Pylontech US3000] + 13,4 kWh [15x 280 Ah LiFePo4, JK BMS paralelně k Pylontechům]
Rozpracováno:
a) 6x AS 460Wp mono na střeše nezapojeno
b) 2x Fangpusun MPPT 150/70 Tr (asi nepoužiji)
18 kWh [5x Pylontech US3000] + 13,4 kWh [15x 280 Ah LiFePo4, JK BMS paralelně k Pylontechům]
Rozpracováno:
a) 6x AS 460Wp mono na střeše nezapojeno
b) 2x Fangpusun MPPT 150/70 Tr (asi nepoužiji)
- kodl69
- Příspěvky: 8324
- Registrován: sob črc 19, 2014 8:56 pm
- Reputace:1059
- Lokalita: severně od Brna
- Systémové napětí: 48V
- Výkon panelů [Wp]: 8kWp
- Kapacita baterie [kWh]: 12kWh
- Chci prodávat energii: NE
- Chci/Mám dotaci: NE
Re: CellLog 8
Už mám nachystanej hw, ale všichni arduino démoni se proti mně včera spikli, takže jsem nedokázal nahrát do attiny ani řádek kódu za celý odpoledne a večer. A SW bude dělat někdo jinej, já jenom vyzkouším, že je HW v pořádku, nemám na to nervy ani hlavu...
ostrov skoro 8kWp neustále ve stádiu zrodu: smartshunt(ex WBJR), MPPT150/45, MPPT 250/100(ex midnitesolar 150 clasic lite), 16S a různě P cca 340Ah Winston, MP II 5000,( ex Powerjack 8kW, ex samodomo cca 4kW). 48V DC rozvody a spotřebiče.
- camel1cz
- Příspěvky: 825
- Registrován: pon bře 21, 2011 11:12 pm
- Reputace:57
- Lokalita: Lounsko
- Systémové napětí: 48V
- Výkon panelů [Wp]: 8430
- Kapacita baterie [kWh]: 30
- Chci prodávat energii: NE
- Chci/Mám dotaci: NE
Re: CellLog 8
Těším se! ...a určitě nejsem sám!
5 kVA Axpert King 1 @ 5,67 kWp [3s6p AUO 315Wp mono] + 5 kVA Axpert King 1 @ 2,76 kWp [2s3p AS 460Wp mono] = paralelní 1F provoz
18 kWh [5x Pylontech US3000] + 13,4 kWh [15x 280 Ah LiFePo4, JK BMS paralelně k Pylontechům]
Rozpracováno:
a) 6x AS 460Wp mono na střeše nezapojeno
b) 2x Fangpusun MPPT 150/70 Tr (asi nepoužiji)
18 kWh [5x Pylontech US3000] + 13,4 kWh [15x 280 Ah LiFePo4, JK BMS paralelně k Pylontechům]
Rozpracováno:
a) 6x AS 460Wp mono na střeše nezapojeno
b) 2x Fangpusun MPPT 150/70 Tr (asi nepoužiji)
- Ivo12s
- Příspěvky: 680
- Registrován: ned kvě 06, 2012 3:47 pm
- Reputace:55
- Lokalita: Kolínsko
- Systémové napětí: 48V
- Výkon panelů [Wp]: 4880
- Kapacita baterie [kWh]: 35
- Chci prodávat energii: NE
- Chci/Mám dotaci: NE
Re: CellLog 8
Pokud by měl někdo zájem teď - tak je tam nyní Winter sleva..rva píše:No a co tento stroj? https://www.aliexpress.com/item/2pcs-Ch ... 64045.html. Limity jsou nastavitelné a má to i nějaký výstup 0/5V, který se dá využít k automatizaci.
100% OSTROV SČ KRAJ = 16 panelů Canadian Solar CS3K-305; 2 větve 2S4P; 2x Regulátor Victron BlueSolar Charger MPPT 150/60; Měnič 1F Smart Phoenix Inverter 48V 5000VA 230V; Monitoring Victron BMV700 + Raspberry Pi 4B; Energy Meter ET112 a spousta kabelů.
Baterie LiFePo4 =2P x 48V/120Ah +16S x 120Ah + 1P/311Ah= cca 35,2 kWh, skládaná z článků Winston WB-LYP60AHA a EVE LF304 ✔ Zlepšení pozice u vyhledávačů; Aktuální stav FVE instalace.
Baterie LiFePo4 =2P x 48V/120Ah +16S x 120Ah + 1P/311Ah= cca 35,2 kWh, skládaná z článků Winston WB-LYP60AHA a EVE LF304 ✔ Zlepšení pozice u vyhledávačů; Aktuální stav FVE instalace.
- Ivo12s
- Příspěvky: 680
- Registrován: ned kvě 06, 2012 3:47 pm
- Reputace:55
- Lokalita: Kolínsko
- Systémové napětí: 48V
- Výkon panelů [Wp]: 4880
- Kapacita baterie [kWh]: 35
- Chci prodávat energii: NE
- Chci/Mám dotaci: NE
Re: CellLog 8
Dorazil reklamovaný BATTERY CHECKER BC-8S. Tedy doplňuji měření. Zařízení má také pár vlastností k diskusi, které dle mého názoru omezují použitelnost v našem případě.
1. Podsvícení displeje svítí trvale. Chyba to není, v nastavení je možnost úpravy intenzity svícení, nikoliv doby, svítí to trvale. Myslím, že to je dost zásadní problém v případě provozu 24/7. 2. Spotřeba je při normálním provozu 26 mA, což mi přijde docela dost- asi daň za osvětlení. Při hlášení závady ale dokonce 113 mA. 3. Měření probíhá na 2 desetinná místa. Asi to nevadí, přesnost na 3 je stejně dost spekulativní.
4. Nastavení minima napětí článku jde u LiFe minimálně na 2,5V. Sice ještě menší napětí by bylo určitě špatně pro článek, ale omezení na 2,5V mi přijde dost vysoko.
5. Maximum u LiFe je na 3,73V. Opět, provozní hranice určitě správná, pokud by mělo být zařízení použito na hlášení závady, pak si myslím, že by to mělo být o něco více. Zbytek konstrukce jsem již popisoval. Z mého subjektivního pohledu - relativně vysoký odběr trvale svítícího displeje, hlášení závady při přepětí i podpětí u LiFe, ale relativně malý rozsah MIN-MAX, výstup by se musel nějak dodělat. Pro mě ani tohle zařízení není vhodná alternativa k CellLog 8S.
1. Podsvícení displeje svítí trvale. Chyba to není, v nastavení je možnost úpravy intenzity svícení, nikoliv doby, svítí to trvale. Myslím, že to je dost zásadní problém v případě provozu 24/7. 2. Spotřeba je při normálním provozu 26 mA, což mi přijde docela dost- asi daň za osvětlení. Při hlášení závady ale dokonce 113 mA. 3. Měření probíhá na 2 desetinná místa. Asi to nevadí, přesnost na 3 je stejně dost spekulativní.
4. Nastavení minima napětí článku jde u LiFe minimálně na 2,5V. Sice ještě menší napětí by bylo určitě špatně pro článek, ale omezení na 2,5V mi přijde dost vysoko.
5. Maximum u LiFe je na 3,73V. Opět, provozní hranice určitě správná, pokud by mělo být zařízení použito na hlášení závady, pak si myslím, že by to mělo být o něco více. Zbytek konstrukce jsem již popisoval. Z mého subjektivního pohledu - relativně vysoký odběr trvale svítícího displeje, hlášení závady při přepětí i podpětí u LiFe, ale relativně malý rozsah MIN-MAX, výstup by se musel nějak dodělat. Pro mě ani tohle zařízení není vhodná alternativa k CellLog 8S.
100% OSTROV SČ KRAJ = 16 panelů Canadian Solar CS3K-305; 2 větve 2S4P; 2x Regulátor Victron BlueSolar Charger MPPT 150/60; Měnič 1F Smart Phoenix Inverter 48V 5000VA 230V; Monitoring Victron BMV700 + Raspberry Pi 4B; Energy Meter ET112 a spousta kabelů.
Baterie LiFePo4 =2P x 48V/120Ah +16S x 120Ah + 1P/311Ah= cca 35,2 kWh, skládaná z článků Winston WB-LYP60AHA a EVE LF304 ✔ Zlepšení pozice u vyhledávačů; Aktuální stav FVE instalace.
Baterie LiFePo4 =2P x 48V/120Ah +16S x 120Ah + 1P/311Ah= cca 35,2 kWh, skládaná z článků Winston WB-LYP60AHA a EVE LF304 ✔ Zlepšení pozice u vyhledávačů; Aktuální stav FVE instalace.
- Ivo12s
- Příspěvky: 680
- Registrován: ned kvě 06, 2012 3:47 pm
- Reputace:55
- Lokalita: Kolínsko
- Systémové napětí: 48V
- Výkon panelů [Wp]: 4880
- Kapacita baterie [kWh]: 35
- Chci prodávat energii: NE
- Chci/Mám dotaci: NE
Re: CellLog 8
Tak dámy a pánové !
aby bylo testování kompletní, právě dorazilo CHARGERY BS12. Zařízení funguje a dělá to, co má... asi.
1. Osvětlení jde nastavit od 1 minuty. 2. Spotřeba v klidu je 18,7 mA (tedy cca 0,5W), pro srovnání, CellLog 8S má 13,3mA. 3. Spotřeba s rozsvíceným displejem je 41 mA (1,2W). 4. Spotřeba při hlášení závady (tedy + LED a + sirény) jsem nenaměřil, jedná se o přerušovaný signál... Sirénka je tam 2x a novější, větší, prý 100 dB.
Hlídá to POD-pětí i PŘE-pětí jednotlivých článků, neumí to celkovou sadu, ani rozdíl mezi články. Aktuálně dodaný firmware je V2.5, ale nepřišel jsem na nějaký zásadní rozdíl. Nemá to žádnou formu logování, ale ten výstup na LED, sirénku i otevřený kolektor ANO. Zajímavostí může být, že spotřeba zařízení je tažena z článku č.3. Všechny ostatní mají spotřebu při měření 0,3 mA. Třetí článek má zbytek 18,2 mA. Osvětlení se vypne do nuly - CellLog ma trvale mírné podsvícení. A i když je BS12 osvětlení vypnuté, má o něco větší spotřebu. Ale v tomto rozsahu mA to asi moc zásadní není. Opět se jedná o zařízení určené pro drony - typicky to měří 2x6 článků. A to jak nezávislé, tak sériové nebo paralelní. Tedy v mém případě 8S článků to bude mírně nevyužité... Faktem je, že zařízení je v podstatě plošný spoj ve smrštitelné folii. Z plošňáku je zřejmé, že zařízení je koncipováno do instalace v nějaké krabičce, má to i montážní otvory. Takto je to funkční, nicméně dost náchylné. Což potvrdila dodávka České Pošty - jedno BS12 dorazilo s rozbitým displejem. Tak uvidíme, jak dopadne reklamace do Číny.
V souhrnu = aktuální cena je 22,03EUR, tedy skoro stejný jako CellLog 8M, bez logování. Takže cca totéž, no.
aby bylo testování kompletní, právě dorazilo CHARGERY BS12. Zařízení funguje a dělá to, co má... asi.
1. Osvětlení jde nastavit od 1 minuty. 2. Spotřeba v klidu je 18,7 mA (tedy cca 0,5W), pro srovnání, CellLog 8S má 13,3mA. 3. Spotřeba s rozsvíceným displejem je 41 mA (1,2W). 4. Spotřeba při hlášení závady (tedy + LED a + sirény) jsem nenaměřil, jedná se o přerušovaný signál... Sirénka je tam 2x a novější, větší, prý 100 dB.
Hlídá to POD-pětí i PŘE-pětí jednotlivých článků, neumí to celkovou sadu, ani rozdíl mezi články. Aktuálně dodaný firmware je V2.5, ale nepřišel jsem na nějaký zásadní rozdíl. Nemá to žádnou formu logování, ale ten výstup na LED, sirénku i otevřený kolektor ANO. Zajímavostí může být, že spotřeba zařízení je tažena z článku č.3. Všechny ostatní mají spotřebu při měření 0,3 mA. Třetí článek má zbytek 18,2 mA. Osvětlení se vypne do nuly - CellLog ma trvale mírné podsvícení. A i když je BS12 osvětlení vypnuté, má o něco větší spotřebu. Ale v tomto rozsahu mA to asi moc zásadní není. Opět se jedná o zařízení určené pro drony - typicky to měří 2x6 článků. A to jak nezávislé, tak sériové nebo paralelní. Tedy v mém případě 8S článků to bude mírně nevyužité... Faktem je, že zařízení je v podstatě plošný spoj ve smrštitelné folii. Z plošňáku je zřejmé, že zařízení je koncipováno do instalace v nějaké krabičce, má to i montážní otvory. Takto je to funkční, nicméně dost náchylné. Což potvrdila dodávka České Pošty - jedno BS12 dorazilo s rozbitým displejem. Tak uvidíme, jak dopadne reklamace do Číny.
V souhrnu = aktuální cena je 22,03EUR, tedy skoro stejný jako CellLog 8M, bez logování. Takže cca totéž, no.
100% OSTROV SČ KRAJ = 16 panelů Canadian Solar CS3K-305; 2 větve 2S4P; 2x Regulátor Victron BlueSolar Charger MPPT 150/60; Měnič 1F Smart Phoenix Inverter 48V 5000VA 230V; Monitoring Victron BMV700 + Raspberry Pi 4B; Energy Meter ET112 a spousta kabelů.
Baterie LiFePo4 =2P x 48V/120Ah +16S x 120Ah + 1P/311Ah= cca 35,2 kWh, skládaná z článků Winston WB-LYP60AHA a EVE LF304 ✔ Zlepšení pozice u vyhledávačů; Aktuální stav FVE instalace.
Baterie LiFePo4 =2P x 48V/120Ah +16S x 120Ah + 1P/311Ah= cca 35,2 kWh, skládaná z článků Winston WB-LYP60AHA a EVE LF304 ✔ Zlepšení pozice u vyhledávačů; Aktuální stav FVE instalace.
- rva
- Příspěvky: 4796
- Registrován: úte dub 23, 2013 10:21 am
- Reputace:931
- Lokalita: Kousek od Lysé nad Labem
- Systémové napětí: 48V
- Výkon panelů [Wp]: 46000
- Kapacita baterie [kWh]: 40
- Chci prodávat energii: NE
- Chci/Mám dotaci: NE
- Bydliště: Kousek od Lysé nad Labem
Re: CellLog 8
Takže kdo má 16 článků, tak musí použít 2x BS-12? Tedy např.
1.: 1-6 článek + 7-12 článek
2.: 13-16 článek?
A ty dvě sirénky znamenají, že jedna je pro články 1-6 a druhá 7-12? A ten otevřený kolektor je taky pro každou šestici zvlášť? Jsou to tedy vlastně dva nezávislé monitoringy, každý pro max. 6 článků?
1.: 1-6 článek + 7-12 článek
2.: 13-16 článek?
A ty dvě sirénky znamenají, že jedna je pro články 1-6 a druhá 7-12? A ten otevřený kolektor je taky pro každou šestici zvlášť? Jsou to tedy vlastně dva nezávislé monitoringy, každý pro max. 6 článků?
_______________________________________________________________________
43 kWp, LiFePO4 62 kWh,
EPSolar 60 A/150 V ET6415N + 3x Isolar SM II (5 kW, 450 V, 80 A) + Axpert PIP 5048MS
43 kWp, LiFePO4 62 kWh,
EPSolar 60 A/150 V ET6415N + 3x Isolar SM II (5 kW, 450 V, 80 A) + Axpert PIP 5048MS
- Ivo12s
- Příspěvky: 680
- Registrován: ned kvě 06, 2012 3:47 pm
- Reputace:55
- Lokalita: Kolínsko
- Systémové napětí: 48V
- Výkon panelů [Wp]: 4880
- Kapacita baterie [kWh]: 35
- Chci prodávat energii: NE
- Chci/Mám dotaci: NE
Re: CellLog 8
Ještě doplním - má to jistou malou formu logování. Ve statickém stavu to po zmáčknutí tlačítka umí ukázat nejnižší napětí od posledního připojení... Na CellLog jsem měřící vodiče připájel kvůli přechodovému odporu... takže tahle funkce by znamenala nějaký vypínač do mínusu pro případný "reset" například po opravě závady.
K dotazům
Takže kdo má 16 článků, tak musí použít 2x BS-12? Tedy např.
1.: 1-6 článek + 7-12 článek
2.: 13-16 článek?
ANO. Já mám 24V systém 4P8S a na těch 8 článků jeden BS-12 s tím, že použiji 1.:1-4 a 2.:5-8
Měří to a ukazuje souhrnně napětí na sada1 a sada2 na horním řádku. Tj. aby to mělo trochu smysl, v tvém případě bych to udělal stejně 2xBS12 = 2xBS12=> 2x sada x 4 články
A ty dvě sirénky znamenají, že jedna je pro články 1-6 a druhá 7-12?
NE - houkají současně, jen zvýšení hlasitosti.
A ten otevřený kolektor je taky pro každou šestici zvlášť? Jsou to tedy vlastně dva nezávislé monitoringy, každý pro max. 6 článků?
Také NE - při jakékoliv závadě to sepne. Ať už sekce 1 nebo sekce 2. Ale je to nejednoznačné. Návod říká "When start warning the telemeter port will output 5V, if no warning, it will be 0V.". Tedy možná ne otevřený kolektor, spíše jen připojeno někam na signál. Testoval jsem - při hlášení poruchy to sleduje stav LED a bzučáku, tedy NE trvalý stav, ale podle vybuzení. Jako by to bylo třeba jen propojeno na vývody LED. Pouze odhaduji podle měřáku, osciloskop nemám. To také není ideální, otázkou je, zda v mém případě bude signál dostatečný dlouhý k sepnutí SMS hlášení. A naopak, aby délka hlášení neznamenala několik SMS.
minimální doba hlášení je 2 sec a v této době to stihne 1 cyklus (= Píp-Píp pomlka PípPípPíp) nebo 1 sec = (Píp-Píp). A hlášení LED se opakuje i při návratu do normálního stavu. Zlatej CellLog.
K dotazům
Takže kdo má 16 článků, tak musí použít 2x BS-12? Tedy např.
1.: 1-6 článek + 7-12 článek
2.: 13-16 článek?
ANO. Já mám 24V systém 4P8S a na těch 8 článků jeden BS-12 s tím, že použiji 1.:1-4 a 2.:5-8
Měří to a ukazuje souhrnně napětí na sada1 a sada2 na horním řádku. Tj. aby to mělo trochu smysl, v tvém případě bych to udělal stejně 2xBS12 = 2xBS12=> 2x sada x 4 články
A ty dvě sirénky znamenají, že jedna je pro články 1-6 a druhá 7-12?
NE - houkají současně, jen zvýšení hlasitosti.
A ten otevřený kolektor je taky pro každou šestici zvlášť? Jsou to tedy vlastně dva nezávislé monitoringy, každý pro max. 6 článků?
Také NE - při jakékoliv závadě to sepne. Ať už sekce 1 nebo sekce 2. Ale je to nejednoznačné. Návod říká "When start warning the telemeter port will output 5V, if no warning, it will be 0V.". Tedy možná ne otevřený kolektor, spíše jen připojeno někam na signál. Testoval jsem - při hlášení poruchy to sleduje stav LED a bzučáku, tedy NE trvalý stav, ale podle vybuzení. Jako by to bylo třeba jen propojeno na vývody LED. Pouze odhaduji podle měřáku, osciloskop nemám. To také není ideální, otázkou je, zda v mém případě bude signál dostatečný dlouhý k sepnutí SMS hlášení. A naopak, aby délka hlášení neznamenala několik SMS.
100% OSTROV SČ KRAJ = 16 panelů Canadian Solar CS3K-305; 2 větve 2S4P; 2x Regulátor Victron BlueSolar Charger MPPT 150/60; Měnič 1F Smart Phoenix Inverter 48V 5000VA 230V; Monitoring Victron BMV700 + Raspberry Pi 4B; Energy Meter ET112 a spousta kabelů.
Baterie LiFePo4 =2P x 48V/120Ah +16S x 120Ah + 1P/311Ah= cca 35,2 kWh, skládaná z článků Winston WB-LYP60AHA a EVE LF304 ✔ Zlepšení pozice u vyhledávačů; Aktuální stav FVE instalace.
Baterie LiFePo4 =2P x 48V/120Ah +16S x 120Ah + 1P/311Ah= cca 35,2 kWh, skládaná z článků Winston WB-LYP60AHA a EVE LF304 ✔ Zlepšení pozice u vyhledávačů; Aktuální stav FVE instalace.
- Ivo12s
- Příspěvky: 680
- Registrován: ned kvě 06, 2012 3:47 pm
- Reputace:55
- Lokalita: Kolínsko
- Systémové napětí: 48V
- Výkon panelů [Wp]: 4880
- Kapacita baterie [kWh]: 35
- Chci prodávat energii: NE
- Chci/Mám dotaci: NE
Re: CellLog 8
Informace o výsledku obchodního příběhu CHARGERY BS12.
Detail je výše, zásilku z ČLR zaslali docela špatně zabalenou. Respektive - elektronika je ve smršťující folii (pouze) a do papírové krabičky společně s touto destičkou je zabalen bzučák a kabeláž. Takže když to dále zabalili do normální kartonové krabice a pěnová folie měla cca 2 mm, je jasné, že pro českého pošťáka to byla snadná kořist. Jedna jednotka tedy měla zlomený displej, který tím pádem asi na dvou článcích neukazuje. Dodavatel hrál 14 dní mrtvého brouka... Po eskalaci na Aliexpress zareagoval okamžitě s tím, že vrátí peníze, když vrátím zboží a zaplatím si poštovné. Což je u zboží za 21E ekonomický nesmysl. V rámci diskuse Aliexpress nabídnul refund ve výši 70% bez zaslání zboží, což jsem akceptoval. Nicméně v diskusi s IC GOGOGO Store jsem pokračoval, protože chci fungující zařízení. Nejprve mi navrhli postup, kdy zaplatím plnou cenu a oni potom sleví, to jim neprošlo. Tak jsem jim pohrozil negativním hodnocením a nabídli slevu 12% formou "samostatné poštovné, ne zboží", což jsem nakonec akceptoval. A zase budu měsíc čekat. Takže souhrnem = nedělá to, co to dělat má, komunikace s dodavatelem problematická, technik, na kterého mi dali email nekomunikuje vůbec (reklamoval jsem, že v návodě je stavová informace o závadě, kdežto výstup cykluje podle LED viz výše), reklamace problém. Pokud tady někdo (kodl69) vymyslí a vyrobí vlastní funkční řešení, určitě doporučuji raději, než CHARGERY BS12, respektive jejich Aliexpres prodej IC GOGOGO Store.
Detail je výše, zásilku z ČLR zaslali docela špatně zabalenou. Respektive - elektronika je ve smršťující folii (pouze) a do papírové krabičky společně s touto destičkou je zabalen bzučák a kabeláž. Takže když to dále zabalili do normální kartonové krabice a pěnová folie měla cca 2 mm, je jasné, že pro českého pošťáka to byla snadná kořist. Jedna jednotka tedy měla zlomený displej, který tím pádem asi na dvou článcích neukazuje. Dodavatel hrál 14 dní mrtvého brouka... Po eskalaci na Aliexpress zareagoval okamžitě s tím, že vrátí peníze, když vrátím zboží a zaplatím si poštovné. Což je u zboží za 21E ekonomický nesmysl. V rámci diskuse Aliexpress nabídnul refund ve výši 70% bez zaslání zboží, což jsem akceptoval. Nicméně v diskusi s IC GOGOGO Store jsem pokračoval, protože chci fungující zařízení. Nejprve mi navrhli postup, kdy zaplatím plnou cenu a oni potom sleví, to jim neprošlo. Tak jsem jim pohrozil negativním hodnocením a nabídli slevu 12% formou "samostatné poštovné, ne zboží", což jsem nakonec akceptoval. A zase budu měsíc čekat. Takže souhrnem = nedělá to, co to dělat má, komunikace s dodavatelem problematická, technik, na kterého mi dali email nekomunikuje vůbec (reklamoval jsem, že v návodě je stavová informace o závadě, kdežto výstup cykluje podle LED viz výše), reklamace problém. Pokud tady někdo (kodl69) vymyslí a vyrobí vlastní funkční řešení, určitě doporučuji raději, než CHARGERY BS12, respektive jejich Aliexpres prodej IC GOGOGO Store.
100% OSTROV SČ KRAJ = 16 panelů Canadian Solar CS3K-305; 2 větve 2S4P; 2x Regulátor Victron BlueSolar Charger MPPT 150/60; Měnič 1F Smart Phoenix Inverter 48V 5000VA 230V; Monitoring Victron BMV700 + Raspberry Pi 4B; Energy Meter ET112 a spousta kabelů.
Baterie LiFePo4 =2P x 48V/120Ah +16S x 120Ah + 1P/311Ah= cca 35,2 kWh, skládaná z článků Winston WB-LYP60AHA a EVE LF304 ✔ Zlepšení pozice u vyhledávačů; Aktuální stav FVE instalace.
Baterie LiFePo4 =2P x 48V/120Ah +16S x 120Ah + 1P/311Ah= cca 35,2 kWh, skládaná z článků Winston WB-LYP60AHA a EVE LF304 ✔ Zlepšení pozice u vyhledávačů; Aktuální stav FVE instalace.
- Ivo12s
- Příspěvky: 680
- Registrován: ned kvě 06, 2012 3:47 pm
- Reputace:55
- Lokalita: Kolínsko
- Systémové napětí: 48V
- Výkon panelů [Wp]: 4880
- Kapacita baterie [kWh]: 35
- Chci prodávat energii: NE
- Chci/Mám dotaci: NE
Re: CellLog 8
Tak takhle vypadá výsledek. Na BS12 nastaveno minimální a maximální napětí článku, Nic jiného CHARGERY BS12 měřit/hlásit neumí, každý jeden článek z bloku baterií 8S4P je monitorován. Hlášení závady je vyvedeno na 4 vstupy Jablotron GD-06, kde je nastaveno reagovat na impuls delší 100 ms varovnou SMS a prozvoněním. To mám ověřeno, že funguje. Je tam i rezerva, minimální nastavitelný impuls je 50 ms. Monitoring samozřejmě po nastavené době zhasne 
100% OSTROV SČ KRAJ = 16 panelů Canadian Solar CS3K-305; 2 větve 2S4P; 2x Regulátor Victron BlueSolar Charger MPPT 150/60; Měnič 1F Smart Phoenix Inverter 48V 5000VA 230V; Monitoring Victron BMV700 + Raspberry Pi 4B; Energy Meter ET112 a spousta kabelů.
Baterie LiFePo4 =2P x 48V/120Ah +16S x 120Ah + 1P/311Ah= cca 35,2 kWh, skládaná z článků Winston WB-LYP60AHA a EVE LF304 ✔ Zlepšení pozice u vyhledávačů; Aktuální stav FVE instalace.
Baterie LiFePo4 =2P x 48V/120Ah +16S x 120Ah + 1P/311Ah= cca 35,2 kWh, skládaná z článků Winston WB-LYP60AHA a EVE LF304 ✔ Zlepšení pozice u vyhledávačů; Aktuální stav FVE instalace.
- Ivo12s
- Příspěvky: 680
- Registrován: ned kvě 06, 2012 3:47 pm
- Reputace:55
- Lokalita: Kolínsko
- Systémové napětí: 48V
- Výkon panelů [Wp]: 4880
- Kapacita baterie [kWh]: 35
- Chci prodávat energii: NE
- Chci/Mám dotaci: NE
Re: CellLog 8
Monitoring měří dvě samostatné sady, nicméně hlášení má pouze jedno. Horní řada 4S počet článků, 14,4 jejich celkové napětí. Spodní řada nastavení min. napětí článku (to jsem už zvýšil...), prodleva v měření a doba hlášení chyby. Článek s nejnižším napětím červeně. Výsledek jsem kontroloval přes CELLMETER 8, více méně se to potkává na tom druhém desetinném místě +-1 až 2 digity. Doba svícení je nastavitelná od 1 minuty do trvale.
100% OSTROV SČ KRAJ = 16 panelů Canadian Solar CS3K-305; 2 větve 2S4P; 2x Regulátor Victron BlueSolar Charger MPPT 150/60; Měnič 1F Smart Phoenix Inverter 48V 5000VA 230V; Monitoring Victron BMV700 + Raspberry Pi 4B; Energy Meter ET112 a spousta kabelů.
Baterie LiFePo4 =2P x 48V/120Ah +16S x 120Ah + 1P/311Ah= cca 35,2 kWh, skládaná z článků Winston WB-LYP60AHA a EVE LF304 ✔ Zlepšení pozice u vyhledávačů; Aktuální stav FVE instalace.
Baterie LiFePo4 =2P x 48V/120Ah +16S x 120Ah + 1P/311Ah= cca 35,2 kWh, skládaná z článků Winston WB-LYP60AHA a EVE LF304 ✔ Zlepšení pozice u vyhledávačů; Aktuální stav FVE instalace.
- kiksa
- Příspěvky: 95
- Registrován: ned říj 15, 2017 11:50 am
- Reputace:6
- Lokalita: Benešov
- Systémové napětí: 48V
- Výkon panelů [Wp]: 11900
- Kapacita baterie [kWh]: 19,6
- Chci prodávat energii: NE
- Chci/Mám dotaci: NE
Re: CellLog 8
Po přečtení příspěvků o Chargery BS12, jsem na zkoušku také 2 kusy objednal. Potěšen větou v návodu: "When start warning the telemeter port will output 5V, if no warning, it will be 0V." jsem si představoval, že takto jednoduše budu ovládat přes SSR relátko. Ze šuplíku jsem tedy vytáhl SSR relé ovládané 3-32VDC a zapojil k telemeter portu a ejhle - po vyzkoušení alramu, jsem zjistíl, že napětí není deklarovaných 5 V, ale jen 2,9 V (na obou kusech Chargery) a SSR se tedy neotevře. To mi jako neelektrotechnikovi udělalo čáru přes rozpočet.
Chtěl bych se zeptat znalejších, je nějaká součástka, která lze ovládat napětím menším než 3 V? Tuším, že by to měl být malý optočlen, ale je jich asi 1000 typů a trochu se v tom plácám...Moje snaha je přes chargery ovládat silové relé 24 V, které při podpětí nějakého článku (LIFE) natvrdo vypne přes dálkové ovládání měniče (situace, kdy ostatní ochrany selhaly).
Chtěl bych se zeptat znalejších, je nějaká součástka, která lze ovládat napětím menším než 3 V? Tuším, že by to měl být malý optočlen, ale je jich asi 1000 typů a trochu se v tom plácám...Moje snaha je přes chargery ovládat silové relé 24 V, které při podpětí nějakého článku (LIFE) natvrdo vypne přes dálkové ovládání měniče (situace, kdy ostatní ochrany selhaly).
11,9 kWp (J+JZ+SV), AKU Lion 14s -385 Ah (19,6 kWh).
MPP Solar PIP 5048MS, 2 x Epever Ipower Plus 5000.
Vytěžování: kaskáda 3 x Kybosův vytěžovač + Athom Homey (smart home).
Monitoring FVE pomocí Athom Homey Pro.
MPP Solar PIP 5048MS, 2 x Epever Ipower Plus 5000.
Vytěžování: kaskáda 3 x Kybosův vytěžovač + Athom Homey (smart home).
Monitoring FVE pomocí Athom Homey Pro.
- brumlaj
- Příspěvky: 2462
- Registrován: ned kvě 12, 2013 2:24 pm
- Reputace:259
Re: CellLog 8
Dva tranzistory. Jeden NPN přes odpor bází na výstup Chargery, emitorem na nulu. Druhý PNP přes odpor bází na kolektor toho prvního NPN , emitorem na 5-32V, výstupem pro SSR je kolektor tohoto PNP. Odpory podle napětí a zesílení tranzistorů tak ať celý tento maslostroj moc nežere.
Jinak tip na to že pravým problémem bude, že výstup BS 12 bude měkký a proudově nedá ovládání SSR což tento maslostroj řeší.
Jinak tip na to že pravým problémem bude, že výstup BS 12 bude měkký a proudově nedá ovládání SSR což tento maslostroj řeší.
Moudrost nepřichází vždy s věkem, někdy věk přichází sám.
- kiksa
- Příspěvky: 95
- Registrován: ned říj 15, 2017 11:50 am
- Reputace:6
- Lokalita: Benešov
- Systémové napětí: 48V
- Výkon panelů [Wp]: 11900
- Kapacita baterie [kWh]: 19,6
- Chci prodávat energii: NE
- Chci/Mám dotaci: NE
Re: CellLog 8
Děkuju za tip! Pokusím se to nějak vstřebat a potom sestrojit.
11,9 kWp (J+JZ+SV), AKU Lion 14s -385 Ah (19,6 kWh).
MPP Solar PIP 5048MS, 2 x Epever Ipower Plus 5000.
Vytěžování: kaskáda 3 x Kybosův vytěžovač + Athom Homey (smart home).
Monitoring FVE pomocí Athom Homey Pro.
MPP Solar PIP 5048MS, 2 x Epever Ipower Plus 5000.
Vytěžování: kaskáda 3 x Kybosův vytěžovač + Athom Homey (smart home).
Monitoring FVE pomocí Athom Homey Pro.
- rva
- Příspěvky: 4796
- Registrován: úte dub 23, 2013 10:21 am
- Reputace:931
- Lokalita: Kousek od Lysé nad Labem
- Systémové napětí: 48V
- Výkon panelů [Wp]: 46000
- Kapacita baterie [kWh]: 40
- Chci prodávat energii: NE
- Chci/Mám dotaci: NE
- Bydliště: Kousek od Lysé nad Labem
Re: CellLog 8
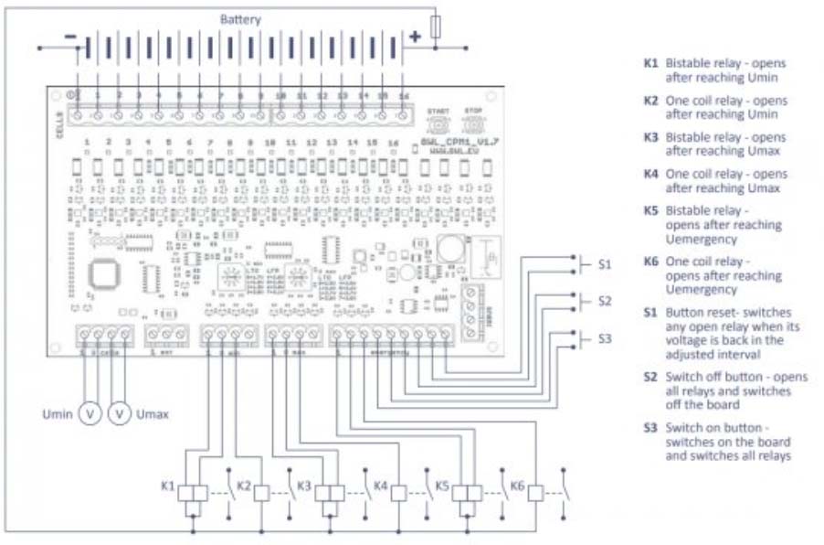
Pro někoho může být zajímavá varianta od GWL - kdo od nich kupoval, tak mu asi taky poslali reklamní email s novým produktem "GWL Cell Performance Monitor" za nějakých 140$ + DPH https://www.ev-power.eu/_d7077.html.
Samo o sobě hloupé, ale snad integrovatelné. Z mého pohledu příjemné, že si po desetinách nastavím spodní a horní mez článku a ovládám tím 2 externí relé - jedno při přepětí a druhé při podpětí. Na rozdíl od Celllog, kde je jen jeden výstup. Manuál jsem víc nestudoval, ale dovedu si představit, že bych na výstupy dal
1. časové relé pro nouzové odpínání zátěže, když bude podpětí trvat déle než řekněme 15 minut. časové relé proto, abych vyloučil reakci na krátkodobý pokles napětí třeba při zapnutí rychlovarky
2. bistabilní relé pro odpojení panelů při přepětí + časové relé pro odpojení baterie při trvajícím přepětí (protože mám Axperty, které se mohou zbláznit a nekontrolovaně dobíjet)
Samo o sobě hloupé, ale snad integrovatelné. Z mého pohledu příjemné, že si po desetinách nastavím spodní a horní mez článku a ovládám tím 2 externí relé - jedno při přepětí a druhé při podpětí. Na rozdíl od Celllog, kde je jen jeden výstup. Manuál jsem víc nestudoval, ale dovedu si představit, že bych na výstupy dal
1. časové relé pro nouzové odpínání zátěže, když bude podpětí trvat déle než řekněme 15 minut. časové relé proto, abych vyloučil reakci na krátkodobý pokles napětí třeba při zapnutí rychlovarky
2. bistabilní relé pro odpojení panelů při přepětí + časové relé pro odpojení baterie při trvajícím přepětí (protože mám Axperty, které se mohou zbláznit a nekontrolovaně dobíjet)
_______________________________________________________________________
43 kWp, LiFePO4 62 kWh,
EPSolar 60 A/150 V ET6415N + 3x Isolar SM II (5 kW, 450 V, 80 A) + Axpert PIP 5048MS
43 kWp, LiFePO4 62 kWh,
EPSolar 60 A/150 V ET6415N + 3x Isolar SM II (5 kW, 450 V, 80 A) + Axpert PIP 5048MS
- MichalZ
- Příspěvky: 40
- Registrován: čtv led 18, 2018 11:59 am
- Reputace:1
Re: CellLog 8
Zkoušel někdo už ten.
GWL Cell Performance Monitor?
Chtěl bych při překročení krajních napětích vypnout axperta.
A toto vypadá že by šlo použít
GWL Cell Performance Monitor?
Chtěl bych při překročení krajních napětích vypnout axperta.
A toto vypadá že by šlo použít
- kiksa
- Příspěvky: 95
- Registrován: ned říj 15, 2017 11:50 am
- Reputace:6
- Lokalita: Benešov
- Systémové napětí: 48V
- Výkon panelů [Wp]: 11900
- Kapacita baterie [kWh]: 19,6
- Chci prodávat energii: NE
- Chci/Mám dotaci: NE
Re: CellLog 8
Používám Chargery BS12 a protože je slabé, tak k němu mám na alarmový výstup připojen jednoduchý spínač, jak píše brumlaj výše. Pokud se dosáhne překročení nastavené meze pro podpětí, tak chargery pošle signál na napěťovou spoušť, která shodí zátěž na měniči a po pár vteřinách se vypne přes dálkové ovládání měniče i měnič. Pro přepětí je to stejné - spoušť schazuje panely. Všechno na 24 V.
11,9 kWp (J+JZ+SV), AKU Lion 14s -385 Ah (19,6 kWh).
MPP Solar PIP 5048MS, 2 x Epever Ipower Plus 5000.
Vytěžování: kaskáda 3 x Kybosův vytěžovač + Athom Homey (smart home).
Monitoring FVE pomocí Athom Homey Pro.
MPP Solar PIP 5048MS, 2 x Epever Ipower Plus 5000.
Vytěžování: kaskáda 3 x Kybosův vytěžovač + Athom Homey (smart home).
Monitoring FVE pomocí Athom Homey Pro.
- moravak
- Příspěvky: 30
- Registrován: ned dub 05, 2020 2:06 pm
- Reputace:4
Re: CellLog 8
podařilo se mě sehnat CellLog 8S na tomto eshopu.
Zřejmě je tam ještě mají. Zapojen a funguje.
https://www.kellycontrollers.eu/celllog-8s
Zřejmě je tam ještě mají. Zapojen a funguje.
https://www.kellycontrollers.eu/celllog-8s
Kdo je online
Uživatelé procházející toto fórum: Claudebot [Bot]
