Návrh poloostrovnej FVE pre začínajúceho nadšenca do FVE
Souhrn tématu
Diskuze se věnuje návrhu poloostrovní fotovoltaické elektrárny (FVE) pro začínajícího nadšence. Autor plánuje instalaci cca 10 kWp panelů s 11 kW ostrovním střídačem a 16 kWh baterií, přičemž klade velký důraz na bezpečnost a možnost manuálního přepínání mezi FVE a distribuční sítí (DS) v domě i garáži. Součástí je i žádost o zpětnou vazbu k návrhu zapojení a bezpečnostním aspektům od zkušených elektrikářů a komunity.
- Ghost86
- Příspěvky: 46
- Registrován: úte led 06, 2026 3:38 pm
- Reputace: 0
- Lokalita: SK - Kysuce
- Chci prodávat energii: NE
- Chci/Mám dotaci: NE
Re: Návrh poloostrovnej FVE pre začínajúceho nadšenca do FVE
Sucasny stav je jednoduchy, vsetko ide z jedneho miesta ( skrinka na hranici pozemku):Diablo1st píše: pát úno 06, 2026 10:44 pm
Vieš nakresliť aký je súčasný stav?
Mňa by zaujímalo kde máš bojler a ako chceš riešiť vyťažovanie.
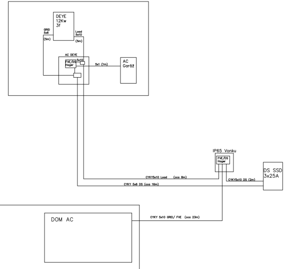
-------------------------- CYKY 5x10 ------- AC DOM. (asi 25m kabla)
DS (3x25) -------------- CYKY 5x10 ------ AC Garaz (asi 9m kabla)
---------------------------CYKY 5x6......... Priprava na wallbox ( prave tento chcem stiahnut do garaze a napojit ako grid na Inverter)
120l bojler je v dome (blizko AC DOM), mensi bojler bude asi v garazi. Teraz to vytazovanie este nemam do detailu premyslene, avsak vsade mam natiahnute ethernet kable, tak sa cosi bude dat potom vymysliet.
Co zatial potrebujem je, odsuhlasit realizovatelnost prepojenia FVE medzi domom (AC Dom) a garazou s tymi moznostami ako som pisal vyssie. Podla mna by to malo fungovat, ale vy tam mozno zbadate zadrhel.
Ja som teraz az moc nadseny, ze nemusim tahat dalsi kabel medzi garaz a dom....
- Ghost86
- Příspěvky: 46
- Registrován: úte led 06, 2026 3:38 pm
- Reputace: 0
- Lokalita: SK - Kysuce
- Chci prodávat energii: NE
- Chci/Mám dotaci: NE
Re: Návrh poloostrovnej FVE pre začínajúceho nadšenca do FVE
Dam to tu este raz, ak sa vam nechce stahovat PDFko 
Hlavna otazka: Je to realizovatelne?
Poziadavky:
1. fungovanie ako hybridu, s technickymi prietokmi (spravim reviziu a prihlasim)
2. ak bod 1 nebude mozne realizovat, vacsinu roka chcem offgrid
3. musi sa dat samostatne prepinat FVE/DS v dome aj v garazi
PS: Deye nie je isty, stale tam namiesto neho moze ist EASUN a na pripojeni by to nic nezmenilo, akurat by som skrtol bod 1.
Skuste pozriet ci je to mozne, takto. Dakujem
Hlavna otazka: Je to realizovatelne?
Poziadavky:
1. fungovanie ako hybridu, s technickymi prietokmi (spravim reviziu a prihlasim)
2. ak bod 1 nebude mozne realizovat, vacsinu roka chcem offgrid
3. musi sa dat samostatne prepinat FVE/DS v dome aj v garazi
PS: Deye nie je isty, stale tam namiesto neho moze ist EASUN a na pripojeni by to nic nezmenilo, akurat by som skrtol bod 1.
Skuste pozriet ci je to mozne, takto. Dakujem
-
Diablo1st
- Příspěvky: 2208
- Registrován: pon lis 01, 2021 7:41 pm
- Reputace: 209
- Lokalita: MY, SR
- Výkon panelů [Wp]: 10200
- Kapacita baterie [kWh]: 28
- Bydliště: SR MY
Re: Návrh poloostrovnej FVE pre začínajúceho nadšenca do FVE
Fungovať to bude, ale nevidím dôvod tú 5x6 ťahať z RE. Ak už chceš mať samostatnú skrinku, tak si do nej doveď 5x10 z RE a odtiaľ si ťahaj všetko ako chceš.
Len to prepínanie DS/FVE pre dom niekde vonku je dosť nešťastné riešenie. Síce pravdepodobne to nebudeš prepínať každý deň, ale aj tak je lepšie to mať v dome. Ale ak sa nedá tak sa nedá a treba sa prispôsobiť situácii.
Ak sa ti dajú natiahnuť ešte nejaké káble tak určite by som nad tým pouvažoval. Netreba zabudnúť aj na dátové pre meranie na vstupe.
Inak ohľadom pripojenie, distribučky ponúkajú info o voľnej kapacite predpokladám, že patríš pod ZSDis- viď link
Len to prepínanie DS/FVE pre dom niekde vonku je dosť nešťastné riešenie. Síce pravdepodobne to nebudeš prepínať každý deň, ale aj tak je lepšie to mať v dome. Ale ak sa nedá tak sa nedá a treba sa prispôsobiť situácii.
Ak sa ti dajú natiahnuť ešte nejaké káble tak určite by som nad tým pouvažoval. Netreba zabudnúť aj na dátové pre meranie na vstupe.
Inak ohľadom pripojenie, distribučky ponúkajú info o voľnej kapacite predpokladám, že patríš pod ZSDis- viď link
Victron ESS AC Coupling:
2,75kWp on-grid + 3,3kWp a 4,15kWp RS450/100 + MP2 5kVA + 2x 17x280Ah + JK BMS
2,75kWp on-grid + 3,3kWp a 4,15kWp RS450/100 + MP2 5kVA + 2x 17x280Ah + JK BMS
- Ghost86
- Příspěvky: 46
- Registrován: úte led 06, 2026 3:38 pm
- Reputace: 0
- Lokalita: SK - Kysuce
- Chci prodávat energii: NE
- Chci/Mám dotaci: NE
Re: Návrh poloostrovnej FVE pre začínajúceho nadšenca do FVE
Dakujem Diablo. Ten dovod preco musim zapojit 5x6 (je v podstate natiahnuta), je ten: ze potrebujem samostany privod z DS do stredaca, pripadne mat moznost napojit garaz cislo na DS. Toto asi neviem inac vyriesit.
Prepinanie vonku bude v pohode. Nove kable sa mi uz tazko daju napojit (beton vsade), jedina vynimka je medzi domom a garazou, kde je prazna chranicka.
Tomuto sa prave chcem, tymto riesenim vyhnut aj teda s nevyhodou prepinania vonku.
Ja patrim pod SSD, nevies ci aj oni maju mapku? Clanok na nete co na ne odkazoval, bol zamknuty....
Prepinanie vonku bude v pohode. Nove kable sa mi uz tazko daju napojit (beton vsade), jedina vynimka je medzi domom a garazou, kde je prazna chranicka.
Tomuto sa prave chcem, tymto riesenim vyhnut aj teda s nevyhodou prepinania vonku.
Ja patrim pod SSD, nevies ci aj oni maju mapku? Clanok na nete co na ne odkazoval, bol zamknuty....
-
Diablo1st
- Příspěvky: 2208
- Registrován: pon lis 01, 2021 7:41 pm
- Reputace: 209
- Lokalita: MY, SR
- Výkon panelů [Wp]: 10200
- Kapacita baterie [kWh]: 28
- Bydliště: SR MY
Re: Návrh poloostrovnej FVE pre začínajúceho nadšenca do FVE
SSD má niečo podobné TU. Je tam mapka, ale funguje mi to len v Edge, chrome mi to nezobrazuje.
Victron ESS AC Coupling:
2,75kWp on-grid + 3,3kWp a 4,15kWp RS450/100 + MP2 5kVA + 2x 17x280Ah + JK BMS
2,75kWp on-grid + 3,3kWp a 4,15kWp RS450/100 + MP2 5kVA + 2x 17x280Ah + JK BMS
Kdo je online
Uživatelé prohlížející si toto fórum: Claudebot [Bot], Ghost86, Google Adsense [Bot], SiteExplorer [Bot] a 3 hosti