Ostrovní FVE - výzkumná "chytrá" chata Štramberk
Souhrn tématu
Projekt ostrovní FVE na chatě ve Štramberku představuje výzkumný a praktický přístup k soběstačné výrobě elektřiny pomocí solárních panelů o výkonu 2-4 kWp. Systém napájí chytrý rozvaděč, čerpadlo, osvětlení a nízkopříkonové spotřebiče, přebytky energie se využívají k ohřevu vody nebo nabíjení baterií. Součástí je i moderní hlasové ovládání domácnosti s Amazon Echo a Home Assistant, které zvyšuje komfort a interaktivitu uživatelů.
- skybor
- Příspěvky: 1520
- Registrován: pon dub 24, 2023 8:47 am
- Reputace:255
- Lokalita: Lašská brána Beskyd
- Systémové napětí: 48V
- Výkon panelů [Wp]: 8kWp
- Kapacita baterie [kWh]: 20kWh
Re: Ostrovní FVE - výzkumná "chytrá" chata Štramberk
Ještě upravený Flow do NodeRED pro jeden String. Stačí naimportovat a pak nakopírovat kolikrát je třeba a jen upravit id dle jednotlivých MPPT regulátorů.
Musí být nainstalovany tyto node:
node-red-dashboard
node-red-contrib-modbus
node-red-contrib-influxdb
node-red-contrib-moment
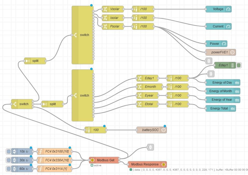
Vyčítám jen pro mne zajímavé údaje (P, I, U) panelů a jejich výrobu (denní, měsíční, roční a celkovou). Ale jinak Epever MPPT poskytuje těch údajú opravdu hodně.
NodeRED flow pro jeden MPPT:
Tenhle Flow je i se zápisem Power a SOC do InfluxDB (to lze samozřejmě vynechat-smazat) ...
Musí být nainstalovany tyto node:
node-red-dashboard
node-red-contrib-modbus
node-red-contrib-influxdb
node-red-contrib-moment
Vyčítám jen pro mne zajímavé údaje (P, I, U) panelů a jejich výrobu (denní, měsíční, roční a celkovou). Ale jinak Epever MPPT poskytuje těch údajú opravdu hodně.
NodeRED flow pro jeden MPPT:
Tenhle Flow je i se zápisem Power a SOC do InfluxDB (to lze samozřejmě vynechat-smazat) ...
Kód: Vybrat vše
[
{
"id": "8770ff6aec685e39",
"type": "split",
"z": "8c5f2b0a20d352cf",
"name": "",
"splt": "\\n",
"spltType": "str",
"arraySplt": 1,
"arraySpltType": "len",
"stream": false,
"addname": "topic",
"x": 190,
"y": 1120,
"wires": [
[
"4356455901813e9c"
]
]
},
{
"id": "4356455901813e9c",
"type": "switch",
"z": "8c5f2b0a20d352cf",
"name": "",
"property": "parts.index",
"propertyType": "msg",
"rules": [
{
"t": "eq",
"v": "0",
"vt": "num"
},
{
"t": "eq",
"v": "1",
"vt": "num"
},
{
"t": "eq",
"v": "2",
"vt": "num"
},
{
"t": "eq",
"v": "3",
"vt": "str"
},
{
"t": "eq",
"v": "4",
"vt": "str"
},
{
"t": "eq",
"v": "5",
"vt": "str"
},
{
"t": "eq",
"v": "6",
"vt": "str"
},
{
"t": "eq",
"v": "7",
"vt": "str"
},
{
"t": "eq",
"v": "8",
"vt": "str"
},
{
"t": "eq",
"v": "9",
"vt": "str"
},
{
"t": "eq",
"v": "10",
"vt": "str"
},
{
"t": "eq",
"v": "11",
"vt": "str"
},
{
"t": "eq",
"v": "12",
"vt": "str"
},
{
"t": "eq",
"v": "13",
"vt": "str"
},
{
"t": "eq",
"v": "14",
"vt": "str"
},
{
"t": "eq",
"v": "15",
"vt": "str"
},
{
"t": "eq",
"v": "16",
"vt": "str"
},
{
"t": "eq",
"v": "17",
"vt": "str"
}
],
"checkall": "false",
"repair": false,
"outputs": 18,
"x": 410,
"y": 1000,
"wires": [
[
"054ff6258985faf1"
],
[
"4019de50b85d0566"
],
[
"aed6f9a438cfeb78"
],
[],
[],
[],
[],
[],
[],
[],
[],
[],
[],
[],
[],
[],
[],
[]
]
},
{
"id": "054ff6258985faf1",
"type": "change",
"z": "8c5f2b0a20d352cf",
"name": "Vsolar",
"rules": [
{
"t": "set",
"p": "topic",
"pt": "msg",
"to": "Vsolar",
"tot": "str"
},
{
"t": "set",
"p": "Vsolar",
"pt": "flow",
"to": "payload",
"tot": "msg"
}
],
"action": "",
"property": "",
"from": "",
"to": "",
"reg": false,
"x": 550,
"y": 880,
"wires": [
[
"3e5a6e5c0b331077"
]
]
},
{
"id": "4019de50b85d0566",
"type": "change",
"z": "8c5f2b0a20d352cf",
"name": "Isolar",
"rules": [
{
"t": "set",
"p": "topic",
"pt": "msg",
"to": "Isolar",
"tot": "str"
},
{
"t": "set",
"p": "Isolar",
"pt": "flow",
"to": "payload",
"tot": "msg"
}
],
"action": "",
"property": "",
"from": "",
"to": "",
"reg": false,
"x": 550,
"y": 920,
"wires": [
[
"08793d4a431f7871"
]
]
},
{
"id": "3e5a6e5c0b331077",
"type": "range",
"z": "8c5f2b0a20d352cf",
"minin": "0",
"maxin": "10000",
"minout": "0",
"maxout": "100",
"action": "scale",
"round": false,
"property": "payload",
"name": "/100",
"x": 690,
"y": 880,
"wires": [
[
"e68e55fa9742731d"
]
]
},
{
"id": "08793d4a431f7871",
"type": "range",
"z": "8c5f2b0a20d352cf",
"minin": "0",
"maxin": "10000",
"minout": "0",
"maxout": "100",
"action": "scale",
"round": false,
"property": "payload",
"name": "/100",
"x": 690,
"y": 920,
"wires": [
[
"c543044c307cfab0"
]
]
},
{
"id": "3d5f768dee14f938",
"type": "modbus-flex-getter",
"z": "8c5f2b0a20d352cf",
"name": "Modbus Get",
"showStatusActivities": false,
"showErrors": false,
"showWarnings": false,
"logIOActivities": false,
"server": "b7312c82.e12fe",
"useIOFile": false,
"ioFile": "",
"useIOForPayload": false,
"emptyMsgOnFail": false,
"keepMsgProperties": false,
"delayOnStart": false,
"startDelayTime": "",
"x": 510,
"y": 1580,
"wires": [
[
"9b43871d503f0897",
"3bfd81b05894e550"
],
[
"32e1384c14a078a8"
]
]
},
{
"id": "be69bcb888b7f4f0",
"type": "function",
"z": "8c5f2b0a20d352cf",
"name": "FC4 0x3100 [18]",
"func": "msg.payload = { \n 'fc': 4, \n 'unitid': 6, \n 'address': 0x3100, \n 'quantity': 18\n}\n\nmsg.topic = \"livestats\";\n\nreturn msg;",
"outputs": 1,
"timeout": "",
"noerr": 0,
"initialize": "",
"finalize": "",
"libs": [],
"x": 280,
"y": 1540,
"wires": [
[
"3d5f768dee14f938"
]
]
},
{
"id": "32e1384c14a078a8",
"type": "modbus-response",
"z": "8c5f2b0a20d352cf",
"name": "",
"registerShowMax": 20,
"x": 710,
"y": 1600,
"wires": []
},
{
"id": "ad48d1b54f9ad3fd",
"type": "inject",
"z": "8c5f2b0a20d352cf",
"name": "10s",
"props": [
{
"p": "payload"
},
{
"p": "topic",
"vt": "str"
}
],
"repeat": "10",
"crontab": "",
"once": true,
"onceDelay": "1",
"topic": "",
"payload": "1",
"payloadType": "str",
"x": 130,
"y": 1540,
"wires": [
[
"be69bcb888b7f4f0"
]
]
},
{
"id": "5c6f621444c8e872",
"type": "inject",
"z": "8c5f2b0a20d352cf",
"name": "30s",
"props": [
{
"p": "payload"
},
{
"p": "topic",
"vt": "str"
}
],
"repeat": "30",
"crontab": "",
"once": true,
"onceDelay": "2",
"topic": "historicalstats",
"payload": "1",
"payloadType": "str",
"x": 130,
"y": 1580,
"wires": [
[
"31a88616278c676a"
]
]
},
{
"id": "9b43871d503f0897",
"type": "switch",
"z": "8c5f2b0a20d352cf",
"name": "",
"property": "topic",
"propertyType": "msg",
"rules": [
{
"t": "eq",
"v": "livestats",
"vt": "str"
},
{
"t": "eq",
"v": "historicalstats",
"vt": "str"
},
{
"t": "eq",
"v": "bsoc",
"vt": "str"
}
],
"checkall": "true",
"repair": false,
"outputs": 3,
"x": 130,
"y": 1320,
"wires": [
[
"8770ff6aec685e39"
],
[
"87562ae844d48134"
],
[
"4882ca36ca3b9861"
]
]
},
{
"id": "aed6f9a438cfeb78",
"type": "change",
"z": "8c5f2b0a20d352cf",
"name": "Psolar",
"rules": [
{
"t": "set",
"p": "topic",
"pt": "msg",
"to": "Psolar",
"tot": "str"
},
{
"t": "set",
"p": "Psolar",
"pt": "flow",
"to": "payload",
"tot": "str"
}
],
"action": "",
"property": "",
"from": "",
"to": "",
"reg": false,
"x": 550,
"y": 960,
"wires": [
[
"65f55542649a1df0"
]
]
},
{
"id": "65f55542649a1df0",
"type": "range",
"z": "8c5f2b0a20d352cf",
"minin": "0",
"maxin": "10000",
"minout": "0",
"maxout": "100",
"action": "scale",
"round": false,
"property": "payload",
"name": "/100",
"x": 690,
"y": 960,
"wires": [
[
"e71378fe9454109d",
"005c711cf8db14a9",
"3618c4e068337d9d"
]
]
},
{
"id": "7dd652b4f6af5745",
"type": "function",
"z": "8c5f2b0a20d352cf",
"name": "FC4 0x311A [1]",
"func": "msg.payload = { \n 'fc': 4, \n 'unitid': 6, \n 'address': 0x311A, \n 'quantity': 1\n}\n\nmsg.topic = \"bsoc\";\n\nreturn msg;",
"outputs": 1,
"timeout": "",
"noerr": 0,
"initialize": "",
"finalize": "",
"libs": [],
"x": 280,
"y": 1620,
"wires": [
[
"3d5f768dee14f938"
]
]
},
{
"id": "d0aeecdda4d0de5a",
"type": "inject",
"z": "8c5f2b0a20d352cf",
"name": "60s",
"props": [
{
"p": "payload"
},
{
"p": "topic",
"vt": "str"
}
],
"repeat": "60",
"crontab": "",
"once": true,
"onceDelay": "3",
"topic": "bsoc",
"payload": "1",
"payloadType": "str",
"x": 130,
"y": 1620,
"wires": [
[
"7dd652b4f6af5745"
]
]
},
{
"id": "c543044c307cfab0",
"type": "ui_gauge",
"z": "8c5f2b0a20d352cf",
"name": "",
"group": "1f1737ea5b365089",
"order": 3,
"width": "3",
"height": "3",
"gtype": "gage",
"title": "Current",
"label": "A",
"format": "{{value | number: 2}}",
"min": 0,
"max": "20",
"colors": [
"#ca3838",
"#e6e600",
"#00b500"
],
"seg1": "",
"seg2": "",
"className": "",
"x": 1040,
"y": 960,
"wires": []
},
{
"id": "e68e55fa9742731d",
"type": "ui_gauge",
"z": "8c5f2b0a20d352cf",
"name": "",
"group": "1f1737ea5b365089",
"order": 2,
"width": "3",
"height": "3",
"gtype": "gage",
"title": "Voltage",
"label": "V",
"format": "{{value | number: 2}}",
"min": 0,
"max": "120",
"colors": [
"#ca3838",
"#e6e600",
"#00b500"
],
"seg1": "",
"seg2": "",
"className": "",
"x": 1040,
"y": 880,
"wires": []
},
{
"id": "e71378fe9454109d",
"type": "ui_gauge",
"z": "8c5f2b0a20d352cf",
"name": "",
"group": "1f1737ea5b365089",
"order": 1,
"width": 0,
"height": 0,
"gtype": "gage",
"title": "Power",
"label": "W",
"format": "{{value | number: 0}}",
"min": 0,
"max": "1000",
"colors": [
"#ca3838",
"#e6e600",
"#00b500"
],
"seg1": "",
"seg2": "",
"className": "",
"x": 1030,
"y": 1040,
"wires": []
},
{
"id": "31a88616278c676a",
"type": "function",
"z": "8c5f2b0a20d352cf",
"name": "FC4 0x3304 [16]",
"func": "msg.payload = { \n 'fc': 4, \n 'unitid': 6, \n 'address': 0x3304, \n 'quantity': 16\n}\n\nmsg.topic = \"historicalstats\";\n\nreturn msg;",
"outputs": 1,
"timeout": "",
"noerr": 0,
"initialize": "",
"finalize": "",
"libs": [],
"x": 280,
"y": 1580,
"wires": [
[
"3d5f768dee14f938"
]
]
},
{
"id": "0158f6109490ab7d",
"type": "switch",
"z": "8c5f2b0a20d352cf",
"name": "",
"property": "parts.index",
"propertyType": "msg",
"rules": [
{
"t": "eq",
"v": "0",
"vt": "num"
},
{
"t": "eq",
"v": "1",
"vt": "num"
},
{
"t": "eq",
"v": "2",
"vt": "num"
},
{
"t": "eq",
"v": "3",
"vt": "str"
},
{
"t": "eq",
"v": "4",
"vt": "str"
},
{
"t": "eq",
"v": "5",
"vt": "str"
},
{
"t": "eq",
"v": "6",
"vt": "str"
},
{
"t": "eq",
"v": "7",
"vt": "str"
},
{
"t": "eq",
"v": "8",
"vt": "str"
},
{
"t": "eq",
"v": "9",
"vt": "str"
},
{
"t": "eq",
"v": "10",
"vt": "str"
},
{
"t": "eq",
"v": "11",
"vt": "str"
},
{
"t": "eq",
"v": "12",
"vt": "str"
},
{
"t": "eq",
"v": "13",
"vt": "str"
},
{
"t": "eq",
"v": "14",
"vt": "str"
},
{
"t": "eq",
"v": "15",
"vt": "str"
}
],
"checkall": "false",
"repair": false,
"outputs": 16,
"x": 410,
"y": 1280,
"wires": [
[],
[],
[],
[],
[],
[],
[],
[],
[
"686bb994182ce550"
],
[],
[
"5d9b2011f4daf706"
],
[],
[
"14f6865ce6037070"
],
[],
[
"4cabeb8554e509d9"
],
[]
]
},
{
"id": "87562ae844d48134",
"type": "split",
"z": "8c5f2b0a20d352cf",
"name": "",
"splt": "\\n",
"spltType": "str",
"arraySplt": 1,
"arraySpltType": "len",
"stream": false,
"addname": "topic",
"x": 270,
"y": 1320,
"wires": [
[
"0158f6109490ab7d"
]
]
},
{
"id": "7961fd2892900135",
"type": "ui_text",
"z": "8c5f2b0a20d352cf",
"group": "1f1737ea5b365089",
"order": 4,
"width": 0,
"height": 0,
"name": "",
"label": "Energy of Day",
"format": "{{value | number: 2}}",
"layout": "row-spread",
"className": "",
"x": 1060,
"y": 1220,
"wires": []
},
{
"id": "1dc407d42fab8302",
"type": "ui_text",
"z": "8c5f2b0a20d352cf",
"group": "1f1737ea5b365089",
"order": 5,
"width": 0,
"height": 0,
"name": "",
"label": "Energy of Month",
"format": "{{value | number: 2}}",
"layout": "row-spread",
"className": "",
"x": 1060,
"y": 1260,
"wires": []
},
{
"id": "d8207cfa7ea24f58",
"type": "ui_text",
"z": "8c5f2b0a20d352cf",
"group": "1f1737ea5b365089",
"order": 6,
"width": 0,
"height": 0,
"name": "",
"label": "Energy of Year",
"format": "{{value | number: 2}}",
"layout": "row-spread",
"className": "",
"x": 1060,
"y": 1300,
"wires": []
},
{
"id": "69e0601fe1845355",
"type": "ui_text",
"z": "8c5f2b0a20d352cf",
"group": "1f1737ea5b365089",
"order": 7,
"width": 0,
"height": 0,
"name": "",
"label": "Energy Total",
"format": "{{value | number: 2}}",
"layout": "row-spread",
"className": "",
"x": 1050,
"y": 1340,
"wires": []
},
{
"id": "686bb994182ce550",
"type": "change",
"z": "8c5f2b0a20d352cf",
"name": "Eday1",
"rules": [
{
"t": "set",
"p": "topic",
"pt": "msg",
"to": "eday1",
"tot": "str"
}
],
"action": "",
"property": "",
"from": "",
"to": "",
"reg": false,
"x": 710,
"y": 1200,
"wires": [
[
"6510fa646b2a2de1"
]
]
},
{
"id": "5d9b2011f4daf706",
"type": "change",
"z": "8c5f2b0a20d352cf",
"name": "Emonth",
"rules": [
{
"t": "set",
"p": "topic",
"pt": "msg",
"to": "Emonth",
"tot": "str"
},
{
"t": "set",
"p": "Emonth",
"pt": "flow",
"to": "payload",
"tot": "msg"
}
],
"action": "",
"property": "",
"from": "",
"to": "",
"reg": false,
"x": 720,
"y": 1240,
"wires": [
[
"11ccf7343270ab7d"
]
]
},
{
"id": "6510fa646b2a2de1",
"type": "range",
"z": "8c5f2b0a20d352cf",
"minin": "0",
"maxin": "10000",
"minout": "0",
"maxout": "100",
"action": "scale",
"round": false,
"property": "payload",
"name": "/100",
"x": 850,
"y": 1200,
"wires": [
[
"7961fd2892900135",
"3936daac8a534470",
"6be9bf6d8af8f44b"
]
]
},
{
"id": "11ccf7343270ab7d",
"type": "range",
"z": "8c5f2b0a20d352cf",
"minin": "0",
"maxin": "10000",
"minout": "0",
"maxout": "100",
"action": "scale",
"round": false,
"property": "payload",
"name": "/100",
"x": 850,
"y": 1240,
"wires": [
[
"1dc407d42fab8302"
]
]
},
{
"id": "14f6865ce6037070",
"type": "change",
"z": "8c5f2b0a20d352cf",
"name": "Eyear",
"rules": [
{
"t": "set",
"p": "topic",
"pt": "msg",
"to": "Eyear",
"tot": "str"
},
{
"t": "set",
"p": "Eyear",
"pt": "flow",
"to": "payload",
"tot": "str"
}
],
"action": "",
"property": "",
"from": "",
"to": "",
"reg": false,
"x": 710,
"y": 1280,
"wires": [
[
"115e71b1d1774a4f"
]
]
},
{
"id": "115e71b1d1774a4f",
"type": "range",
"z": "8c5f2b0a20d352cf",
"minin": "0",
"maxin": "10000",
"minout": "0",
"maxout": "100",
"action": "scale",
"round": false,
"property": "payload",
"name": "/100",
"x": 850,
"y": 1280,
"wires": [
[
"d8207cfa7ea24f58"
]
]
},
{
"id": "4cabeb8554e509d9",
"type": "change",
"z": "8c5f2b0a20d352cf",
"name": "Etotal",
"rules": [
{
"t": "set",
"p": "topic",
"pt": "msg",
"to": "Etotal",
"tot": "str"
},
{
"t": "set",
"p": "Etotal",
"pt": "flow",
"to": "payload",
"tot": "str"
}
],
"action": "",
"property": "",
"from": "",
"to": "",
"reg": false,
"x": 710,
"y": 1320,
"wires": [
[
"0f1d4d2ffbcc9b66"
]
]
},
{
"id": "0f1d4d2ffbcc9b66",
"type": "range",
"z": "8c5f2b0a20d352cf",
"minin": "0",
"maxin": "10000",
"minout": "0",
"maxout": "100",
"action": "scale",
"round": false,
"property": "payload",
"name": "/100",
"x": 850,
"y": 1320,
"wires": [
[
"69e0601fe1845355"
]
]
},
{
"id": "005c711cf8db14a9",
"type": "influxdb out",
"z": "8c5f2b0a20d352cf",
"influxdb": "ae2ac8adc287f20e",
"name": "powerFVE1",
"measurement": "powerFVE1",
"precision": "",
"retentionPolicy": "",
"database": "temp",
"precisionV18FluxV20": "s",
"retentionPolicyV18Flux": "",
"org": "organisation",
"bucket": "bucket",
"x": 1050,
"y": 1080,
"wires": []
},
{
"id": "3618c4e068337d9d",
"type": "link out",
"z": "8c5f2b0a20d352cf",
"name": "PowerFVE1",
"mode": "link",
"links": [],
"x": 995,
"y": 1120,
"wires": []
},
{
"id": "3936daac8a534470",
"type": "link out",
"z": "8c5f2b0a20d352cf",
"name": "eday1",
"mode": "link",
"links": [
"555693700e7ae41f"
],
"x": 1005,
"y": 1180,
"wires": []
},
{
"id": "4882ca36ca3b9861",
"type": "range",
"z": "8c5f2b0a20d352cf",
"minin": "0",
"maxin": "100",
"minout": "0",
"maxout": "100",
"action": "scale",
"round": false,
"property": "payload",
"name": "100",
"x": 470,
"y": 1440,
"wires": [
[
"45bf6c1dab0a8c7f"
]
]
},
{
"id": "45bf6c1dab0a8c7f",
"type": "influxdb out",
"z": "8c5f2b0a20d352cf",
"influxdb": "ae2ac8adc287f20e",
"name": "batterySOC",
"measurement": "batterySOC",
"precision": "",
"retentionPolicy": "",
"database": "temp",
"precisionV18FluxV20": "s",
"retentionPolicyV18Flux": "",
"org": "organisation",
"bucket": "bucket",
"x": 730,
"y": 1440,
"wires": []
},
{
"id": "6be9bf6d8af8f44b",
"type": "debug",
"z": "8c5f2b0a20d352cf",
"name": "Eday1",
"active": true,
"tosidebar": true,
"console": false,
"tostatus": false,
"complete": "payload",
"targetType": "msg",
"statusVal": "",
"statusType": "auto",
"x": 1070,
"y": 1140,
"wires": []
},
{
"id": "3bfd81b05894e550",
"type": "link out",
"z": "8c5f2b0a20d352cf",
"name": "XTRA1out",
"mode": "link",
"links": [
"d128d7959b4925dd"
],
"x": 725,
"y": 1520,
"wires": []
},
{
"id": "b7312c82.e12fe",
"type": "modbus-client",
"name": "Tracer6",
"clienttype": "tcp",
"bufferCommands": true,
"stateLogEnabled": false,
"queueLogEnabled": false,
"failureLogEnabled": false,
"tcpHost": "10.0.0.90",
"tcpPort": "502",
"tcpType": "DEFAULT",
"serialPort": "/home/pi/ttyV0",
"serialType": "RTU-BUFFERD",
"serialBaudrate": "115200",
"serialDatabits": "8",
"serialStopbits": "1",
"serialParity": "none",
"serialConnectionDelay": "100",
"serialAsciiResponseStartDelimiter": "",
"unit_id": "6",
"commandDelay": "100",
"clientTimeout": "2000",
"reconnectOnTimeout": true,
"reconnectTimeout": "2000",
"parallelUnitIdsAllowed": false,
"showErrors": false,
"showWarnings": false,
"showLogs": false
},
{
"id": "1f1737ea5b365089",
"type": "ui_group",
"name": "String1 (JJV)",
"tab": "ef8f2d5e272ee0a1",
"order": 2,
"disp": true,
"width": "6",
"collapse": false,
"className": ""
},
{
"id": "ae2ac8adc287f20e",
"type": "influxdb",
"hostname": "10.0.0.103",
"port": "8086",
"protocol": "http",
"database": "temp",
"name": "MyInflux",
"usetls": false,
"tls": "",
"influxdbVersion": "1.x",
"url": "http://10.0.0.20:8086",
"rejectUnauthorized": false
},
{
"id": "ef8f2d5e272ee0a1",
"type": "ui_tab",
"name": "MPPT",
"icon": "dashboard",
"order": 2,
"disabled": false,
"hidden": false
}
]
Naposledy upravil(a) skybor dne stř led 15, 2025 6:15 pm, celkem upraveno 1 x.
SkyFVE 8 kWp na výzkumné "chytré" chatě. 4x MPPT Epever XTRA4415N 4x40A, 3x LG Chem Li-Ion 12s 156Ah (cca 20 kWh/44V), SkyPowerBox LF 4810 1kVA, Victron MP 48/3000, REVO VM II 5.5kW , APC SmartUPS 5000 + PLC Siemens Logo! + Dell Optiplex 3040 Micro (Proxmox: HA, Node-RED, InfluxDB, Grafana, Mqtt, Zigbee2Mqtt, Samba, Tailscale)
- skybor
- Příspěvky: 1520
- Registrován: pon dub 24, 2023 8:47 am
- Reputace:255
- Lokalita: Lašská brána Beskyd
- Systémové napětí: 48V
- Výkon panelů [Wp]: 8kWp
- Kapacita baterie [kWh]: 20kWh
Re: Ostrovní FVE - výzkumná "chytrá" chata Štramberk
A jen tak pro zajímavost takhle nějak vypadá ten původní Epever Dashboard z Githubu ...
SkyFVE 8 kWp na výzkumné "chytré" chatě. 4x MPPT Epever XTRA4415N 4x40A, 3x LG Chem Li-Ion 12s 156Ah (cca 20 kWh/44V), SkyPowerBox LF 4810 1kVA, Victron MP 48/3000, REVO VM II 5.5kW , APC SmartUPS 5000 + PLC Siemens Logo! + Dell Optiplex 3040 Micro (Proxmox: HA, Node-RED, InfluxDB, Grafana, Mqtt, Zigbee2Mqtt, Samba, Tailscale)
- skybor
- Příspěvky: 1520
- Registrován: pon dub 24, 2023 8:47 am
- Reputace:255
- Lokalita: Lašská brána Beskyd
- Systémové napětí: 48V
- Výkon panelů [Wp]: 8kWp
- Kapacita baterie [kWh]: 20kWh
Re: Ostrovní FVE - výzkumná "chytrá" chata Štramberk
Leden 2025
Leden u nás dopadl nad očekávání dobře a to hlavně díky jeho lepší druhé polovině. Řeči úderníků by se dalo říct, že plány jsou splněny na 200%. Původní plán totiž byl, dostat se se spotřebou v lednu pod 200kWh z DS. A nakonec se podařilo dostat pod 100kWh (i když o chlup)
Spotřeba EE z DS a FVE v lednu:
Meziroční srovnání spotřeby z DS:
Leden u nás dopadl nad očekávání dobře a to hlavně díky jeho lepší druhé polovině. Řeči úderníků by se dalo říct, že plány jsou splněny na 200%. Původní plán totiž byl, dostat se se spotřebou v lednu pod 200kWh z DS. A nakonec se podařilo dostat pod 100kWh (i když o chlup)
Spotřeba EE z DS a FVE v lednu:
Meziroční srovnání spotřeby z DS:
SkyFVE 8 kWp na výzkumné "chytré" chatě. 4x MPPT Epever XTRA4415N 4x40A, 3x LG Chem Li-Ion 12s 156Ah (cca 20 kWh/44V), SkyPowerBox LF 4810 1kVA, Victron MP 48/3000, REVO VM II 5.5kW , APC SmartUPS 5000 + PLC Siemens Logo! + Dell Optiplex 3040 Micro (Proxmox: HA, Node-RED, InfluxDB, Grafana, Mqtt, Zigbee2Mqtt, Samba, Tailscale)
- skybor
- Příspěvky: 1520
- Registrován: pon dub 24, 2023 8:47 am
- Reputace:255
- Lokalita: Lašská brána Beskyd
- Systémové napětí: 48V
- Výkon panelů [Wp]: 8kWp
- Kapacita baterie [kWh]: 20kWh
Re: Ostrovní FVE - výzkumná "chytrá" chata Štramberk
1.2.2025 - Spuštění plného provozu SkyFVE
Nabit optimizmem z druhé poloviny ledna jsem se rozhodl letos (zkusit) přepnout celou domácnost na FVE již ode dnešního dne.
Byly spuštěny všechny měniče a všechny přepínače přepnuty na FVE a budu doufat, že počasí bude o mém optimizmu náležitě informováno a nebude mi házet klacky pod nohy
Předpověď na únor:
Aktuální provoz měničů:
1. měnič: nonstop provoz (vše mimo náročné spotřebiče)
2. měnič: nonstop provoz (tepelné spotřebiče - bojler, žebřík, přímotopné podlahy, akumulační kamna)
3. měnič: provoz 8-18hod. (příkonově náročnější spotřebiče - trouba, pračka, myčka, MW, RV konvice ...)
Nabit optimizmem z druhé poloviny ledna jsem se rozhodl letos (zkusit) přepnout celou domácnost na FVE již ode dnešního dne.
Byly spuštěny všechny měniče a všechny přepínače přepnuty na FVE a budu doufat, že počasí bude o mém optimizmu náležitě informováno a nebude mi házet klacky pod nohy
Předpověď na únor:
Aktuální provoz měničů:
1. měnič: nonstop provoz (vše mimo náročné spotřebiče)
2. měnič: nonstop provoz (tepelné spotřebiče - bojler, žebřík, přímotopné podlahy, akumulační kamna)
3. měnič: provoz 8-18hod. (příkonově náročnější spotřebiče - trouba, pračka, myčka, MW, RV konvice ...)
SkyFVE 8 kWp na výzkumné "chytré" chatě. 4x MPPT Epever XTRA4415N 4x40A, 3x LG Chem Li-Ion 12s 156Ah (cca 20 kWh/44V), SkyPowerBox LF 4810 1kVA, Victron MP 48/3000, REVO VM II 5.5kW , APC SmartUPS 5000 + PLC Siemens Logo! + Dell Optiplex 3040 Micro (Proxmox: HA, Node-RED, InfluxDB, Grafana, Mqtt, Zigbee2Mqtt, Samba, Tailscale)
- TomHC
- Příspěvky: 3909
- Registrován: pát lis 11, 2022 8:14 am
- Reputace:875
- Lokalita: Hlohovec, SR
- Systémové napětí: 48V
- Výkon panelů [Wp]: 8820
- Kapacita baterie [kWh]: 30
- Chci prodávat energii: NE
- Chci/Mám dotaci: NE
- Bydliště: Hlohovec, SR
Re: Ostrovní FVE - výzkumná "chytrá" chata Štramberk
Nech sa teda darí! Ja som práve pozeral spotrebu el. rúry za posledné mesiace (Zigbee zásuvka) a zistil som, že to robí 8-11 kWh mesačne. Pri zapnutí začne odoberať až 3.5 kW napriek špecifikácii kde píšu "max 2.5 kW", čo robí jednému 5.5 kW meniču problém, ak je súbeh viacero spotrebičov (kanvica 2.4 kW, ohrev práčky... atď). Aby som sa tomu vyhol, asi ju nechám trvale na gride, nech má distribútor malé Vianoce 
Hlavný spotrebič: VW ID.4 | 2x MUST PH1800 5.5kW + GWL-SUN2000, 9kWp V+J+Z | 600 Ah LiFePO4 s BMS JBD 200A | SW: Home Assistant na Synology DS923+ ku tomu ESPHome, Tasmota, MariaDB, InfluxDB, Telegraf, Grafana, Zigbee2MQTT... | HW: ESPlan (ESP32 + LAN 8720 + RS485).
Nejaké moje projekty: MUST-ESPhome, ELTEK Flatpack2 ESPhome, ESP32-EMON, PZEM-017@WiFi, diyBMS-CurrentShunt-ESPhome , BMS UART-TS485 adaptér
Nejaké moje projekty: MUST-ESPhome, ELTEK Flatpack2 ESPhome, ESP32-EMON, PZEM-017@WiFi, diyBMS-CurrentShunt-ESPhome , BMS UART-TS485 adaptér
- skybor
- Příspěvky: 1520
- Registrován: pon dub 24, 2023 8:47 am
- Reputace:255
- Lokalita: Lašská brána Beskyd
- Systémové napětí: 48V
- Výkon panelů [Wp]: 8kWp
- Kapacita baterie [kWh]: 20kWh
Re: Ostrovní FVE - výzkumná "chytrá" chata Štramberk
Taky jsem trochu sledoval spotřeby výkonnějších spotřebičů a možná (pokud budou nějaké problémy) nechám nakonec trvale na gridu MW a RV konvicu. Je to za celý den pár Wh.
Jinak se u nás peče dopoledne a pere a myje nádobí odpoledne
(dobrý návyk hospodyňky z odpoledního provozu NT sazby)
Jinak se u nás peče dopoledne a pere a myje nádobí odpoledne
SkyFVE 8 kWp na výzkumné "chytré" chatě. 4x MPPT Epever XTRA4415N 4x40A, 3x LG Chem Li-Ion 12s 156Ah (cca 20 kWh/44V), SkyPowerBox LF 4810 1kVA, Victron MP 48/3000, REVO VM II 5.5kW , APC SmartUPS 5000 + PLC Siemens Logo! + Dell Optiplex 3040 Micro (Proxmox: HA, Node-RED, InfluxDB, Grafana, Mqtt, Zigbee2Mqtt, Samba, Tailscale)
- skybor
- Příspěvky: 1520
- Registrován: pon dub 24, 2023 8:47 am
- Reputace:255
- Lokalita: Lašská brána Beskyd
- Systémové napětí: 48V
- Výkon panelů [Wp]: 8kWp
- Kapacita baterie [kWh]: 20kWh
Re: Ostrovní FVE - výzkumná "chytrá" chata Štramberk
A když už to tak pěkně všechno měříme, tak ještě první statistika ohledně výroby ... No nebýt té druhé půlky ledna, tak jsou tam snad samé nuly 
SkyFVE 8 kWp na výzkumné "chytré" chatě. 4x MPPT Epever XTRA4415N 4x40A, 3x LG Chem Li-Ion 12s 156Ah (cca 20 kWh/44V), SkyPowerBox LF 4810 1kVA, Victron MP 48/3000, REVO VM II 5.5kW , APC SmartUPS 5000 + PLC Siemens Logo! + Dell Optiplex 3040 Micro (Proxmox: HA, Node-RED, InfluxDB, Grafana, Mqtt, Zigbee2Mqtt, Samba, Tailscale)
- skybor
- Příspěvky: 1520
- Registrován: pon dub 24, 2023 8:47 am
- Reputace:255
- Lokalita: Lašská brána Beskyd
- Systémové napětí: 48V
- Výkon panelů [Wp]: 8kWp
- Kapacita baterie [kWh]: 20kWh
Re: Ostrovní FVE - výzkumná "chytrá" chata Štramberk
Tak jsem se nechal inspirovat TomHC a nahodil jsem si do HA taky ty fešácké budíky. Byla to fuška (pro mne), ale jsou tam 
SkyFVE 8 kWp na výzkumné "chytré" chatě. 4x MPPT Epever XTRA4415N 4x40A, 3x LG Chem Li-Ion 12s 156Ah (cca 20 kWh/44V), SkyPowerBox LF 4810 1kVA, Victron MP 48/3000, REVO VM II 5.5kW , APC SmartUPS 5000 + PLC Siemens Logo! + Dell Optiplex 3040 Micro (Proxmox: HA, Node-RED, InfluxDB, Grafana, Mqtt, Zigbee2Mqtt, Samba, Tailscale)
- Migel
- Příspěvky: 1823
- Registrován: ned zář 25, 2022 10:47 am
- Reputace:314
- Lokalita: Pod Karpatmi
Re: Ostrovní FVE - výzkumná "chytrá" chata Štramberk
Ja som zasa zistil ze v nodered ked aktualizujem dashboard tak mi tam pribudne nova paleta budikov, respektive moznost vacsieho nastavenia tych doterajsich co su tam..
Len nemam spravene na vsetko zalohy tak zatial sa tomu vyhybam i ked aktualizacia " ui " je uz stiahnuta.
Len nemam spravene na vsetko zalohy tak zatial sa tomu vyhybam i ked aktualizacia " ui " je uz stiahnuta.
JZ-2s5p 3,8kWp >> Epever 8415 AN
JV-2s3p 2,7kWp >> Epever 6415 AN
2x Victron MP2 5000V/A paralelne
3x GWL SUN-2000G paralelne
48V 760Ah/35kWh Li-ion
a stále v štádiu budovania
(rozširovania)
JV-2s3p 2,7kWp >> Epever 6415 AN
2x Victron MP2 5000V/A paralelne
3x GWL SUN-2000G paralelne
48V 760Ah/35kWh Li-ion
a stále v štádiu budovania
- skybor
- Příspěvky: 1520
- Registrován: pon dub 24, 2023 8:47 am
- Reputace:255
- Lokalita: Lašská brána Beskyd
- Systémové napětí: 48V
- Výkon panelů [Wp]: 8kWp
- Kapacita baterie [kWh]: 20kWh
Re: Ostrovní FVE - výzkumná "chytrá" chata Štramberk
4.2.2025 - První opravdu slunečný den roku 2025
Dneska to byla prostě paráda. 15kWh vyrobeno. A protože přes den nikdo nebyl doma, tak všechno nabito. Baterky se krásně zbalancovaly a srovnalo se SOC. Bojler nabit na 80st a ještě zbylo pár kWh do akumulaček
Zajímavě se chová ten severní String4. Když je zamračeno tak vyrábí úplně stejně jako ostatní stringy. Ale když je jasno jako dnes, tak je úplně mrtvý. Což ale samozřejmě ničemu nevadí. Když je jasno, tak víc vyrábět nepotřebuju, ale když je zamračeno, tak se hodí každá Wh.
Jak se nám slunce pomalu zvedá, tak se i ten ranní start už posouvá (na východě máme totiž kopec) a tím se i prodlužuje FVE šichta.
Dneska to byla prostě paráda. 15kWh vyrobeno. A protože přes den nikdo nebyl doma, tak všechno nabito. Baterky se krásně zbalancovaly a srovnalo se SOC. Bojler nabit na 80st a ještě zbylo pár kWh do akumulaček
Zajímavě se chová ten severní String4. Když je zamračeno tak vyrábí úplně stejně jako ostatní stringy. Ale když je jasno jako dnes, tak je úplně mrtvý. Což ale samozřejmě ničemu nevadí. Když je jasno, tak víc vyrábět nepotřebuju, ale když je zamračeno, tak se hodí každá Wh.
Jak se nám slunce pomalu zvedá, tak se i ten ranní start už posouvá (na východě máme totiž kopec) a tím se i prodlužuje FVE šichta.
SkyFVE 8 kWp na výzkumné "chytré" chatě. 4x MPPT Epever XTRA4415N 4x40A, 3x LG Chem Li-Ion 12s 156Ah (cca 20 kWh/44V), SkyPowerBox LF 4810 1kVA, Victron MP 48/3000, REVO VM II 5.5kW , APC SmartUPS 5000 + PLC Siemens Logo! + Dell Optiplex 3040 Micro (Proxmox: HA, Node-RED, InfluxDB, Grafana, Mqtt, Zigbee2Mqtt, Samba, Tailscale)
- skybor
- Příspěvky: 1520
- Registrován: pon dub 24, 2023 8:47 am
- Reputace:255
- Lokalita: Lašská brána Beskyd
- Systémové napětí: 48V
- Výkon panelů [Wp]: 8kWp
- Kapacita baterie [kWh]: 20kWh
Re: Ostrovní FVE - výzkumná "chytrá" chata Štramberk
Malé Valentýnské srovnání SkyFVE v1 a SkyFVE v2:
Zatímco loni na Valentýna jsem se radoval z druhého vítězství FVE nad DS v období 30 dní před Valentýnem i celkově v roce 2024 (viewtopic.php?p=227075#p227075), letos za stejné období 30ti dní to byla už samá vítězství a jen jedna prohra.
Nějaký vliv počasí na výsledek tam určitě bude (konec ledna a začátek února se celkem povedl), ale i tak je to potěšující zjištění.
2024 2025
Nejhorší období solárního roku nám snad pomalu končí. I když včerejšek naznačil, že to zima ještě úplně nevzdala. Zlom u nás nastal 26.1. , kdy klouzavý součet spotřeby z DS za uplynulých 30 dní opět klesl pod součet spotřeby z FVE.
Zatímco loni na Valentýna jsem se radoval z druhého vítězství FVE nad DS v období 30 dní před Valentýnem i celkově v roce 2024 (viewtopic.php?p=227075#p227075), letos za stejné období 30ti dní to byla už samá vítězství a jen jedna prohra.
Nějaký vliv počasí na výsledek tam určitě bude (konec ledna a začátek února se celkem povedl), ale i tak je to potěšující zjištění.
2024 2025
Nejhorší období solárního roku nám snad pomalu končí. I když včerejšek naznačil, že to zima ještě úplně nevzdala. Zlom u nás nastal 26.1. , kdy klouzavý součet spotřeby z DS za uplynulých 30 dní opět klesl pod součet spotřeby z FVE.
SkyFVE 8 kWp na výzkumné "chytré" chatě. 4x MPPT Epever XTRA4415N 4x40A, 3x LG Chem Li-Ion 12s 156Ah (cca 20 kWh/44V), SkyPowerBox LF 4810 1kVA, Victron MP 48/3000, REVO VM II 5.5kW , APC SmartUPS 5000 + PLC Siemens Logo! + Dell Optiplex 3040 Micro (Proxmox: HA, Node-RED, InfluxDB, Grafana, Mqtt, Zigbee2Mqtt, Samba, Tailscale)
- skybor
- Příspěvky: 1520
- Registrován: pon dub 24, 2023 8:47 am
- Reputace:255
- Lokalita: Lašská brána Beskyd
- Systémové napětí: 48V
- Výkon panelů [Wp]: 8kWp
- Kapacita baterie [kWh]: 20kWh
Re: Ostrovní FVE - výzkumná "chytrá" chata Štramberk
A ještě jeden obrázek Valentýna 2025. Někdy když napadnre a pěkně se zatáhne, tak se ta větší baterka fakt hodí ...
SkyFVE 8 kWp na výzkumné "chytré" chatě. 4x MPPT Epever XTRA4415N 4x40A, 3x LG Chem Li-Ion 12s 156Ah (cca 20 kWh/44V), SkyPowerBox LF 4810 1kVA, Victron MP 48/3000, REVO VM II 5.5kW , APC SmartUPS 5000 + PLC Siemens Logo! + Dell Optiplex 3040 Micro (Proxmox: HA, Node-RED, InfluxDB, Grafana, Mqtt, Zigbee2Mqtt, Samba, Tailscale)
- skybor
- Příspěvky: 1520
- Registrován: pon dub 24, 2023 8:47 am
- Reputace:255
- Lokalita: Lašská brána Beskyd
- Systémové napětí: 48V
- Výkon panelů [Wp]: 8kWp
- Kapacita baterie [kWh]: 20kWh
Re: Ostrovní FVE - výzkumná "chytrá" chata Štramberk
Včera již skoro ideál. K tomu ještě chybí obejít ráno ten kopec na východě, který ubírá z celodenní výroby. A taky aby konečně roztál sníh na té SSZ straně
. 20kWh ještě pořád nepadlo, ale i tak už je EE dost na to, aby polovina výroby šla do akumulaček (od 9:45 do 15:45) ...
SkyFVE 8 kWp na výzkumné "chytré" chatě. 4x MPPT Epever XTRA4415N 4x40A, 3x LG Chem Li-Ion 12s 156Ah (cca 20 kWh/44V), SkyPowerBox LF 4810 1kVA, Victron MP 48/3000, REVO VM II 5.5kW , APC SmartUPS 5000 + PLC Siemens Logo! + Dell Optiplex 3040 Micro (Proxmox: HA, Node-RED, InfluxDB, Grafana, Mqtt, Zigbee2Mqtt, Samba, Tailscale)
- skybor
- Příspěvky: 1520
- Registrován: pon dub 24, 2023 8:47 am
- Reputace:255
- Lokalita: Lašská brána Beskyd
- Systémové napětí: 48V
- Výkon panelů [Wp]: 8kWp
- Kapacita baterie [kWh]: 20kWh
Re: Ostrovní FVE - výzkumná "chytrá" chata Štramberk
Únor 2025
Musím se přiznat, že pro mne byl letošní únor jedno velké příjemné překvapení v mé krátké historii solárníka. Loňský "malý" upgrade na SkyFVE v2 se celkem povedl a cíl minimalizovat spotřebu z DS za rozumných ekonomických nákladů se asi podařil.
Se sprovozněním MPPT regulátorů od Epever jsem konečně zavedl i rozumné sledování výroby FVE.
Další fáze vývoje pro letošní rok (i další roky) bude asi maximalizovat efektivitu výroby a spotřeby EE a s tím související navýšení komfortu života s FVE.
Vidím před sebou minimálně dva úkoly, které by mohly efektivitu využití EE z FVE zvýšit a vylepšit i komfort bydlení:
1) indukční varná deska (pravděpodobně se konečně splní někomu sen a já snad nebudu litovat)
2) klimatizace (TČ vzduch/vzduch) - chlazení v létě a přitápění v přechodném období
Musím se přiznat, že pro mne byl letošní únor jedno velké příjemné překvapení v mé krátké historii solárníka. Loňský "malý" upgrade na SkyFVE v2 se celkem povedl a cíl minimalizovat spotřebu z DS za rozumných ekonomických nákladů se asi podařil.
Se sprovozněním MPPT regulátorů od Epever jsem konečně zavedl i rozumné sledování výroby FVE.
Další fáze vývoje pro letošní rok (i další roky) bude asi maximalizovat efektivitu výroby a spotřeby EE a s tím související navýšení komfortu života s FVE.
Vidím před sebou minimálně dva úkoly, které by mohly efektivitu využití EE z FVE zvýšit a vylepšit i komfort bydlení:
1) indukční varná deska (pravděpodobně se konečně splní někomu sen a já snad nebudu litovat)
2) klimatizace (TČ vzduch/vzduch) - chlazení v létě a přitápění v přechodném období
SkyFVE 8 kWp na výzkumné "chytré" chatě. 4x MPPT Epever XTRA4415N 4x40A, 3x LG Chem Li-Ion 12s 156Ah (cca 20 kWh/44V), SkyPowerBox LF 4810 1kVA, Victron MP 48/3000, REVO VM II 5.5kW , APC SmartUPS 5000 + PLC Siemens Logo! + Dell Optiplex 3040 Micro (Proxmox: HA, Node-RED, InfluxDB, Grafana, Mqtt, Zigbee2Mqtt, Samba, Tailscale)
- rva
- Příspěvky: 4875
- Registrován: úte dub 23, 2013 10:21 am
- Reputace:954
- Lokalita: Kousek od Lysé nad Labem
- Systémové napětí: 48V
- Výkon panelů [Wp]: 46000
- Kapacita baterie [kWh]: 62
- Chci prodávat energii: NE
- Chci/Mám dotaci: NE
- Bydliště: Kousek od Lysé nad Labem
Re: Ostrovní FVE - výzkumná "chytrá" chata Štramberk
U indukce mám dvouplotýnkovou (ELECTROLUX EHH3920BVK) a vedle plynovou (ELECTROLUX EGC3313NOK) na pb. Vaří se u nás dost, ale dvě plotýnky pokryjí potřeby. Ušetří se tím místo oproti klasice 4-plotýnce. Ředitelka kuchyně automaticky přechází na pb když je málo solární elektřiny. Aktuálně nám jedna pb 10 kg vydrží rok.
_______________________________________________________________________
43 kWp, LiFePO4 62 kWh,
EPSolar 60 A/150 V ET6415N + 3x Isolar SM II (5 kW, 450 V, 80 A) + Axpert PIP 5048MS
43 kWp, LiFePO4 62 kWh,
EPSolar 60 A/150 V ET6415N + 3x Isolar SM II (5 kW, 450 V, 80 A) + Axpert PIP 5048MS
- skybor
- Příspěvky: 1520
- Registrován: pon dub 24, 2023 8:47 am
- Reputace:255
- Lokalita: Lašská brána Beskyd
- Systémové napětí: 48V
- Výkon panelů [Wp]: 8kWp
- Kapacita baterie [kWh]: 20kWh
Re: Ostrovní FVE - výzkumná "chytrá" chata Štramberk
SunSynk Power Flow Card
Tak jsem se konečně dostal ke zprovoznění "SunSynk Power Flow Card" v HA. No, přiznám se bez mučení, byla to pro mne fuška, ale dal jsem to
Teď už to jen nějak dostat na minitablety, které jsem zde koupil v bazárku a pověsit to na zeď ...
Tak jsem se konečně dostal ke zprovoznění "SunSynk Power Flow Card" v HA. No, přiznám se bez mučení, byla to pro mne fuška, ale dal jsem to
Teď už to jen nějak dostat na minitablety, které jsem zde koupil v bazárku a pověsit to na zeď ...
SkyFVE 8 kWp na výzkumné "chytré" chatě. 4x MPPT Epever XTRA4415N 4x40A, 3x LG Chem Li-Ion 12s 156Ah (cca 20 kWh/44V), SkyPowerBox LF 4810 1kVA, Victron MP 48/3000, REVO VM II 5.5kW , APC SmartUPS 5000 + PLC Siemens Logo! + Dell Optiplex 3040 Micro (Proxmox: HA, Node-RED, InfluxDB, Grafana, Mqtt, Zigbee2Mqtt, Samba, Tailscale)
- Migel
- Příspěvky: 1823
- Registrován: ned zář 25, 2022 10:47 am
- Reputace:314
- Lokalita: Pod Karpatmi
Re: Ostrovní FVE - výzkumná "chytrá" chata Štramberk
Peknee!
Aj sa ti tam zobrazuje/pohybuje smer toku energie?
Aj sa ti tam zobrazuje/pohybuje smer toku energie?
JZ-2s5p 3,8kWp >> Epever 8415 AN
JV-2s3p 2,7kWp >> Epever 6415 AN
2x Victron MP2 5000V/A paralelne
3x GWL SUN-2000G paralelne
48V 760Ah/35kWh Li-ion
a stále v štádiu budovania
(rozširovania)
JV-2s3p 2,7kWp >> Epever 6415 AN
2x Victron MP2 5000V/A paralelne
3x GWL SUN-2000G paralelne
48V 760Ah/35kWh Li-ion
a stále v štádiu budovania
- skybor
- Příspěvky: 1520
- Registrován: pon dub 24, 2023 8:47 am
- Reputace:255
- Lokalita: Lašská brána Beskyd
- Systémové napětí: 48V
- Výkon panelů [Wp]: 8kWp
- Kapacita baterie [kWh]: 20kWh
Re: Ostrovní FVE - výzkumná "chytrá" chata Štramberk
JJ, kuličky běhají správným směrem a barvičky "drátů" (a některé symboly) se mění dle toho odkud se energie bere ... Mají to celkem vymakané. Zatím testuju.
SkyFVE 8 kWp na výzkumné "chytré" chatě. 4x MPPT Epever XTRA4415N 4x40A, 3x LG Chem Li-Ion 12s 156Ah (cca 20 kWh/44V), SkyPowerBox LF 4810 1kVA, Victron MP 48/3000, REVO VM II 5.5kW , APC SmartUPS 5000 + PLC Siemens Logo! + Dell Optiplex 3040 Micro (Proxmox: HA, Node-RED, InfluxDB, Grafana, Mqtt, Zigbee2Mqtt, Samba, Tailscale)
- TomHC
- Příspěvky: 3909
- Registrován: pát lis 11, 2022 8:14 am
- Reputace:875
- Lokalita: Hlohovec, SR
- Systémové napětí: 48V
- Výkon panelů [Wp]: 8820
- Kapacita baterie [kWh]: 30
- Chci prodávat energii: NE
- Chci/Mám dotaci: NE
- Bydliště: Hlohovec, SR
Re: Ostrovní FVE - výzkumná "chytrá" chata Štramberk
Ja tam za boha neviem zobraziť dve batérie...
Hlavný spotrebič: VW ID.4 | 2x MUST PH1800 5.5kW + GWL-SUN2000, 9kWp V+J+Z | 600 Ah LiFePO4 s BMS JBD 200A | SW: Home Assistant na Synology DS923+ ku tomu ESPHome, Tasmota, MariaDB, InfluxDB, Telegraf, Grafana, Zigbee2MQTT... | HW: ESPlan (ESP32 + LAN 8720 + RS485).
Nejaké moje projekty: MUST-ESPhome, ELTEK Flatpack2 ESPhome, ESP32-EMON, PZEM-017@WiFi, diyBMS-CurrentShunt-ESPhome , BMS UART-TS485 adaptér
Nejaké moje projekty: MUST-ESPhome, ELTEK Flatpack2 ESPhome, ESP32-EMON, PZEM-017@WiFi, diyBMS-CurrentShunt-ESPhome , BMS UART-TS485 adaptér
- skybor
- Příspěvky: 1520
- Registrován: pon dub 24, 2023 8:47 am
- Reputace:255
- Lokalita: Lašská brána Beskyd
- Systémové napětí: 48V
- Výkon panelů [Wp]: 8kWp
- Kapacita baterie [kWh]: 20kWh
Re: Ostrovní FVE - výzkumná "chytrá" chata Štramberk
Ty, že něco nevíš, jak nastavit v HA? Tomu nevěřím. Ale počet baterií tam asi nastavit jde libovolné množství (předpokládám). Jen je pro mne horor vyplnit správně všechny ty paramatery ...
SkyFVE 8 kWp na výzkumné "chytré" chatě. 4x MPPT Epever XTRA4415N 4x40A, 3x LG Chem Li-Ion 12s 156Ah (cca 20 kWh/44V), SkyPowerBox LF 4810 1kVA, Victron MP 48/3000, REVO VM II 5.5kW , APC SmartUPS 5000 + PLC Siemens Logo! + Dell Optiplex 3040 Micro (Proxmox: HA, Node-RED, InfluxDB, Grafana, Mqtt, Zigbee2Mqtt, Samba, Tailscale)
Kdo je online
Uživatelé procházející toto fórum: Claudebot [Bot], leoshavla
