Deye hybridný menič
-
- Příspěvky: 512
- Registrován: pon bře 01, 2021 10:27 am
- Reputace: 50
- Lokalita: Horná Orava
- Chci prodávat energii: NE
- Chci/Mám dotaci: NE
Re: Deye hybridný menič
Bral som ho od tunajšieho montážnika - Najsolar.sk
Videl som menič ponúkať aj na bazoši.
Videl som menič ponúkať aj na bazoši.
8,64 kWp JJZ 12 % sklon, 24 x 360 Wp Longi Full Black , 3 x PIP 5048 MK na 1 f, Batéria Li-ion Tesla 12s - 40 kWh/ pracovný rozsah batérii 42 - 49 V
-
- Příspěvky: 651
- Registrován: pon lis 15, 2021 11:05 am
- Reputace: 40
Re: Deye hybridný menič
Mám dotaz - pokud někdo zkoušel a má zkušenost - lze hybrdní měnič DEYE provozovat jako poloostrov s plnou eliminací přetoků způsobem, kdy je síť připojena do portu "generátor", případně do portu "grid" s přepnutím v menu do funkce GEN, a dry-contact by připínal síť externím stykačem pouze jako zálohu pro dobíjení baterií podle nastavení dle časového schématu? Neznám vnitřní architekturu systému a zapojení. Je to měnič s HV MPPT, tak si nejsem jist, zda v podobném módu přetoky "do generátoru" taky vznikají anebo nikoliv...
Děkuji.
Děkuji.
poloostrov v módu AC IGNORE
VICTRON system 3F, 3x3000VA + 1F GTI GWL 2000W posila na AC OUT.
6kWp pole 8° západní pultová střecha + MPPT 150/100
3kWP pole 75° jižní fasáda + MPPT 150/45
Baterie LIFEPO4 16S, EEL V4 DIY BOX 280Ah (JK INVERTER BMS)
VICTRON system 3F, 3x3000VA + 1F GTI GWL 2000W posila na AC OUT.
6kWp pole 8° západní pultová střecha + MPPT 150/100
3kWP pole 75° jižní fasáda + MPPT 150/45
Baterie LIFEPO4 16S, EEL V4 DIY BOX 280Ah (JK INVERTER BMS)
-
- Příspěvky: 25
- Registrován: ned dub 16, 2023 11:40 am
- Reputace: 0
- Lokalita: Sabinov
- Systémové napětí: 48V
- Výkon panelů [Wp]: 6600
- Kapacita baterie [kWh]: 8
Re: Deye hybridný menič
No to by aj mňa zaujímalo, počul som o tom ale vyskúšané to nemám. Ja som to vyriešil prepínačom sieti.
-
- Příspěvky: 651
- Registrován: pon lis 15, 2021 11:05 am
- Reputace: 40
Re: Deye hybridný menič
Tak to samozřejmě lze, ale neřeší to "bezobslužný" a hlavně bezvýpadkový provoz...Fodes píše: čtv říj 26, 2023 8:59 amNo to by aj mňa zaujímalo, počul som o tom ale vyskúšané to nemám. Ja som to vyriešil prepínačom sieti.
poloostrov v módu AC IGNORE
VICTRON system 3F, 3x3000VA + 1F GTI GWL 2000W posila na AC OUT.
6kWp pole 8° západní pultová střecha + MPPT 150/100
3kWP pole 75° jižní fasáda + MPPT 150/45
Baterie LIFEPO4 16S, EEL V4 DIY BOX 280Ah (JK INVERTER BMS)
VICTRON system 3F, 3x3000VA + 1F GTI GWL 2000W posila na AC OUT.
6kWp pole 8° západní pultová střecha + MPPT 150/100
3kWP pole 75° jižní fasáda + MPPT 150/45
Baterie LIFEPO4 16S, EEL V4 DIY BOX 280Ah (JK INVERTER BMS)
-
- Příspěvky: 1793
- Registrován: úte říj 12, 2021 10:43 am
- Reputace: 316
- Lokalita: Blízko Ústí nad Labem
- Systémové napětí: 48V
- Výkon panelů [Wp]: 10790
- Kapacita baterie [kWh]: 13
- Chci prodávat energii: NE
- Chci/Mám dotaci: NE
Re: Deye hybridný menič
Radar:
Přepínač sítí nemusí být jenom nějaký mechanický přepínač za pár stovek, takže pokud máš elektrický přepínač sítí třeba se stykačema, tak to samozřejmě řeší jak bezobslužný, tak bezvýpadkový provoz.
Přepínač sítí nemusí být jenom nějaký mechanický přepínač za pár stovek, takže pokud máš elektrický přepínač sítí třeba se stykačema, tak to samozřejmě řeší jak bezobslužný, tak bezvýpadkový provoz.
mobilní elektrárna 3x Uni-solar PVL-68 a Victron 75/15 MPPT
doma 3280 Wp JV, 3810 Wp JZ, 3690 Wp SZ, Easun SMW 8k (rebrandovaný MAX 8 kW), aku 13kWh 16s LiFePO4
doma 3280 Wp JV, 3810 Wp JZ, 3690 Wp SZ, Easun SMW 8k (rebrandovaný MAX 8 kW), aku 13kWh 16s LiFePO4
- sindyk
- Příspěvky: 629
- Registrován: pát kvě 21, 2021 12:53 pm
- Reputace: 67
- Bydliště: Semily
Re: Deye hybridný menič
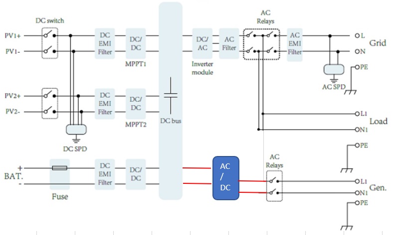
Na netu se dá najít blokové schéma Deye, sice trochu jiný model, ale řekl bych, že v základu budou všechny Deye hybridy stejné. GEN port má výhodu, že se dá ovládat měničem podle SOC, jinak třeba napěťové relé a stykač na GRID by udělaly stejnou službu. A tipl bych si, že do GEN může přetéct úplně stejně, jako do GRID.
Jo, a ještě mě napadlo, že nevíme, jestli je GEN port hlídaný tak, jako GRID. Ono se může stát, že nepůjde síť a měnič si v tu chvíli bude chtít zapnout "generátor" a pošle všechno do sítě, to je jev, který se nesmí stát!
Jo, a ještě mě napadlo, že nevíme, jestli je GEN port hlídaný tak, jako GRID. Ono se může stát, že nepůjde síť a měnič si v tu chvíli bude chtít zapnout "generátor" a pošle všechno do sítě, to je jev, který se nesmí stát!
3800 Wp (10s Elerix 380 Wp) | Deye SUN-8K-SG04LP3-EU | olovo mix 492Ah/48V
Domovské vlákno: FVE Pojizeří, povinná četba: Victron Wiring Unlimited
Domovské vlákno: FVE Pojizeří, povinná četba: Victron Wiring Unlimited
-
- Příspěvky: 25
- Registrován: ned dub 16, 2023 11:40 am
- Reputace: 0
- Lokalita: Sabinov
- Systémové napětí: 48V
- Výkon panelů [Wp]: 6600
- Kapacita baterie [kWh]: 8
Re: Deye hybridný menič
A prietoky my nechceme
lebo potom elektrárne skáču po povalu. Mne slušne funguje ten prepínač sieti.
-
- Příspěvky: 651
- Registrován: pon lis 15, 2021 11:05 am
- Reputace: 40
Re: Deye hybridný menič
Ještě mě napadlo použít jeden MPPT vstup měniče (pokud je volný) a tam přivést přes stykač a oddělovací transformátor přiměřeného výkonu usměrněné DC napětí, ovládané opět přes dry kontakt pro GEN ve spojitosti s úrovní SOC baterie ...
- galvanické oddělení od sítě splněno
- přícuc do baterie / spotřeby jen když je opravdu potřeba
- bezvýpadkový provoz
- přetoky nehrozí, zařízení se vždy chová jako spotřebič
Přepínač sítí pro celek jako takový je samozřejmost. Ať už složený z blokovaných stykačů, anebo ruční HAGER.
Mě jde spíš o to provozovat to jakýmsi "KING" stylem. Spotřebu na výstupu bych pak měl ošetřenou tak, aby samotný měnič nepřicházel do přetížení. Tedy by výpadek neměl nastat
Šlo by tak?
- galvanické oddělení od sítě splněno
- přícuc do baterie / spotřeby jen když je opravdu potřeba
- bezvýpadkový provoz
- přetoky nehrozí, zařízení se vždy chová jako spotřebič
Přepínač sítí pro celek jako takový je samozřejmost. Ať už složený z blokovaných stykačů, anebo ruční HAGER.
Mě jde spíš o to provozovat to jakýmsi "KING" stylem. Spotřebu na výstupu bych pak měl ošetřenou tak, aby samotný měnič nepřicházel do přetížení. Tedy by výpadek neměl nastat
Šlo by tak?
poloostrov v módu AC IGNORE
VICTRON system 3F, 3x3000VA + 1F GTI GWL 2000W posila na AC OUT.
6kWp pole 8° západní pultová střecha + MPPT 150/100
3kWP pole 75° jižní fasáda + MPPT 150/45
Baterie LIFEPO4 16S, EEL V4 DIY BOX 280Ah (JK INVERTER BMS)
VICTRON system 3F, 3x3000VA + 1F GTI GWL 2000W posila na AC OUT.
6kWp pole 8° západní pultová střecha + MPPT 150/100
3kWP pole 75° jižní fasáda + MPPT 150/45
Baterie LIFEPO4 16S, EEL V4 DIY BOX 280Ah (JK INVERTER BMS)
- sindyk
- Příspěvky: 629
- Registrován: pát kvě 21, 2021 12:53 pm
- Reputace: 67
- Bydliště: Semily
Re: Deye hybridný menič
Na KING styl stačí pořídit nabíječku místo bastlení čehosi na MPPT vstupu.
3800 Wp (10s Elerix 380 Wp) | Deye SUN-8K-SG04LP3-EU | olovo mix 492Ah/48V
Domovské vlákno: FVE Pojizeří, povinná četba: Victron Wiring Unlimited
Domovské vlákno: FVE Pojizeří, povinná četba: Victron Wiring Unlimited
-
- Příspěvky: 651
- Registrován: pon lis 15, 2021 11:05 am
- Reputace: 40
Re: Deye hybridný menič
To je ale jednak otázka ceny a jednak propojení následné komunikace nabíječky s baterií, a ještě k tomu paralelně baterie s měničem (míním tím lifepo)sindyk píše:Na KING styl stačí pořídit nabíječku místo bastlení čehosi na MPPT vstupu.
Odesláno z mého moto g82 5G pomocí Tapatalk
poloostrov v módu AC IGNORE
VICTRON system 3F, 3x3000VA + 1F GTI GWL 2000W posila na AC OUT.
6kWp pole 8° západní pultová střecha + MPPT 150/100
3kWP pole 75° jižní fasáda + MPPT 150/45
Baterie LIFEPO4 16S, EEL V4 DIY BOX 280Ah (JK INVERTER BMS)
VICTRON system 3F, 3x3000VA + 1F GTI GWL 2000W posila na AC OUT.
6kWp pole 8° západní pultová střecha + MPPT 150/100
3kWP pole 75° jižní fasáda + MPPT 150/45
Baterie LIFEPO4 16S, EEL V4 DIY BOX 280Ah (JK INVERTER BMS)
-
- Příspěvky: 113
- Registrován: ned říj 14, 2018 6:53 am
- Reputace: 22
Re: Deye hybridný menič
ked je Deye (minimalne 3F 10kw LV verzia) nakonfigurovany na smart load = Generator input, tak je to len input a spat ziadne prietoky nehrozia, netreba tam nic bastlit. Jedina nevychoda tohto configu je, ze cez neho pretecie len max 10kw (pri 10kw verzii)
Dokonca existuje FW pre CZ trh, ktory zvlada pretoky do siete aj cez GRID v ramci CZ noriem a bez pokut.
Dokonca existuje FW pre CZ trh, ktory zvlada pretoky do siete aj cez GRID v ramci CZ noriem a bez pokut.
-
- Příspěvky: 651
- Registrován: pon lis 15, 2021 11:05 am
- Reputace: 40
Re: Deye hybridný menič
Tam je to spíš opačně, ne?oscar píše: pon lis 06, 2023 9:37 amked je Deye (minimalne 3F 10kw LV verzia) nakonfigurovany na smart load = Generator input, tak je to len input a spat ziadne prietoky nehrozia, netreba tam nic bastlit. Jedina nevychoda tohto configu je, ze cez neho pretecie len max 10kw (pri 10kw verzii)
Dokonca existuje FW pre CZ trh, ktory zvlada pretoky do siete aj cez GRID v ramci CZ noriem a bez pokut.
1) pokud je port GENERATOR nastaven do funkce SMART LOAD, pak je ze vstupu "smart" VÝSTUP, který posílá AC v logice a max. výkonu do zátěže, jak si v MENU nastavím ...
2) pokud je port GENERATOT INPUT provozován ve své prvotní funkci, tak pak pokud platí co jsi napsal a je to zapojené tak, že tam nemůže vzniknout přetok, tak je to dobrá zpráva a má otázka vyřešená.
Samozřejmě, že pak max výkon je limitován pouze výkonem měniče. Nemá kudy si vzít víc, když není paralelně připojen k síti - s tím počítám...
A abych to ještě zamotal - do funkce GENERATOR jde přepnout i vstup GRID ...
poloostrov v módu AC IGNORE
VICTRON system 3F, 3x3000VA + 1F GTI GWL 2000W posila na AC OUT.
6kWp pole 8° západní pultová střecha + MPPT 150/100
3kWP pole 75° jižní fasáda + MPPT 150/45
Baterie LIFEPO4 16S, EEL V4 DIY BOX 280Ah (JK INVERTER BMS)
VICTRON system 3F, 3x3000VA + 1F GTI GWL 2000W posila na AC OUT.
6kWp pole 8° západní pultová střecha + MPPT 150/100
3kWP pole 75° jižní fasáda + MPPT 150/45
Baterie LIFEPO4 16S, EEL V4 DIY BOX 280Ah (JK INVERTER BMS)
-
- Příspěvky: 651
- Registrován: pon lis 15, 2021 11:05 am
- Reputace: 40
Re: Deye hybridný menič
doplnění předchozího: Jak je ale patrné z blokového schematu od Sindyka výše, v podstatě jsou přes relé oba vstupy GRID/GEN spojeny paralelně, pouze síťový vstup má ještě filtr odrušení...
Tedy pokud přetéká na svorky sítě, může přetékat i na svorky GEN.
Elektricky tomu žádný meziobvod nebrání a DC/AC měnič je obousměrný.
Otázka HW to tedy není, otázka FW nevím, musel by to ověřit někdo, kdo má smartmeter a provozuje vstup GRID v režimu GEN. Za jakých okolností se pak děje to, že tento virtuální generátor připíná a odpíná a zda si umí energii ze sítě pouze vzít jen když potřebuje dobít baterie a pak se fyzicky odpojí....
Tedy pokud přetéká na svorky sítě, může přetékat i na svorky GEN.
Elektricky tomu žádný meziobvod nebrání a DC/AC měnič je obousměrný.
Otázka HW to tedy není, otázka FW nevím, musel by to ověřit někdo, kdo má smartmeter a provozuje vstup GRID v režimu GEN. Za jakých okolností se pak děje to, že tento virtuální generátor připíná a odpíná a zda si umí energii ze sítě pouze vzít jen když potřebuje dobít baterie a pak se fyzicky odpojí....
poloostrov v módu AC IGNORE
VICTRON system 3F, 3x3000VA + 1F GTI GWL 2000W posila na AC OUT.
6kWp pole 8° západní pultová střecha + MPPT 150/100
3kWP pole 75° jižní fasáda + MPPT 150/45
Baterie LIFEPO4 16S, EEL V4 DIY BOX 280Ah (JK INVERTER BMS)
VICTRON system 3F, 3x3000VA + 1F GTI GWL 2000W posila na AC OUT.
6kWp pole 8° západní pultová střecha + MPPT 150/100
3kWP pole 75° jižní fasáda + MPPT 150/45
Baterie LIFEPO4 16S, EEL V4 DIY BOX 280Ah (JK INVERTER BMS)
-
- Příspěvky: 113
- Registrován: ned říj 14, 2018 6:53 am
- Reputace: 22
Re: Deye hybridný menič
v Solarman je to "SmartLoad setting" / "Smart load Setup" s moznostami:
- Generator Input
- SmartLoad Output
- MicInv Input
(ja pozeram tam kde nastavujem)
o takejto moznosti ja neviem/nevidim, minimalne vo verzii DEYE SUN-10K-SG04LP3-EU + 6,8,12 kw 3F verzieRadar píše: pon lis 06, 2023 9:57 amA abych to ještě zamotal - do funkce GENERATOR jde přepnout i vstup GRID ...
-
- Příspěvky: 651
- Registrován: pon lis 15, 2021 11:05 am
- Reputace: 40
Re: Deye hybridný menič
... tady se o tom píše v manuálu ...oscar píše: pon lis 06, 2023 12:20 pmv Solarman je to "SmartLoad setting" / "Smart load Setup" s moznostami:
- Generator Input
- SmartLoad Output
- MicInv Input
(ja pozeram tam kde nastavujem)
o takejto moznosti ja neviem/nevidim, minimalne vo verzii DEYE SUN-10K-SG04LP3-EU + 6,8,12 kw 3F verzieRadar píše: pon lis 06, 2023 9:57 amA abych to ještě zamotal - do funkce GENERATOR jde přepnout i vstup GRID ...
poloostrov v módu AC IGNORE
VICTRON system 3F, 3x3000VA + 1F GTI GWL 2000W posila na AC OUT.
6kWp pole 8° západní pultová střecha + MPPT 150/100
3kWP pole 75° jižní fasáda + MPPT 150/45
Baterie LIFEPO4 16S, EEL V4 DIY BOX 280Ah (JK INVERTER BMS)
VICTRON system 3F, 3x3000VA + 1F GTI GWL 2000W posila na AC OUT.
6kWp pole 8° západní pultová střecha + MPPT 150/100
3kWP pole 75° jižní fasáda + MPPT 150/45
Baterie LIFEPO4 16S, EEL V4 DIY BOX 280Ah (JK INVERTER BMS)
-
- Příspěvky: 651
- Registrován: pon lis 15, 2021 11:05 am
- Reputace: 40
Re: Deye hybridný menič
muselo by to být takto zapojené
poloostrov v módu AC IGNORE
VICTRON system 3F, 3x3000VA + 1F GTI GWL 2000W posila na AC OUT.
6kWp pole 8° západní pultová střecha + MPPT 150/100
3kWP pole 75° jižní fasáda + MPPT 150/45
Baterie LIFEPO4 16S, EEL V4 DIY BOX 280Ah (JK INVERTER BMS)
VICTRON system 3F, 3x3000VA + 1F GTI GWL 2000W posila na AC OUT.
6kWp pole 8° západní pultová střecha + MPPT 150/100
3kWP pole 75° jižní fasáda + MPPT 150/45
Baterie LIFEPO4 16S, EEL V4 DIY BOX 280Ah (JK INVERTER BMS)
-
- Příspěvky: 651
- Registrován: pon lis 15, 2021 11:05 am
- Reputace: 40
Re: Deye hybridný menič
Prosím, má někdo zkušenost s provozem hybridního měniče DEYE se zapojeným GENERATOR vstupem/výstupem v režimu microgrid, kdy hybrid řídí výkon externího on-grid střídače?
Funguje to případně i pokud je hybrid v režimu offgrid?
Je varianta, že bych dal panely a 1F ongrid na jiný (nevytápěný) objekt na pozemku - jednodušší instalace na plechovou pultovou střechu - a 1F hybrid s baterií instaloval do RD, takže v podstatě AC coupling...
Poddotaz - mezi objekty je položeno stávající vedení, kabel CYKY-J 5*4mm.
Lze jeden z fázových vodičů přeznačit na N (což se dělává) a posléze použít tento jeden kabel k obousměrnému jednorázovému vedení?
Jedním směrem L+N od ongridu k hybridu, opačným směrem L+N1 z LOAD výstupu hybridu (backup)
děkuji
Funguje to případně i pokud je hybrid v režimu offgrid?
Je varianta, že bych dal panely a 1F ongrid na jiný (nevytápěný) objekt na pozemku - jednodušší instalace na plechovou pultovou střechu - a 1F hybrid s baterií instaloval do RD, takže v podstatě AC coupling...
Poddotaz - mezi objekty je položeno stávající vedení, kabel CYKY-J 5*4mm.
Lze jeden z fázových vodičů přeznačit na N (což se dělává) a posléze použít tento jeden kabel k obousměrnému jednorázovému vedení?
Jedním směrem L+N od ongridu k hybridu, opačným směrem L+N1 z LOAD výstupu hybridu (backup)
děkuji
poloostrov v módu AC IGNORE
VICTRON system 3F, 3x3000VA + 1F GTI GWL 2000W posila na AC OUT.
6kWp pole 8° západní pultová střecha + MPPT 150/100
3kWP pole 75° jižní fasáda + MPPT 150/45
Baterie LIFEPO4 16S, EEL V4 DIY BOX 280Ah (JK INVERTER BMS)
VICTRON system 3F, 3x3000VA + 1F GTI GWL 2000W posila na AC OUT.
6kWp pole 8° západní pultová střecha + MPPT 150/100
3kWP pole 75° jižní fasáda + MPPT 150/45
Baterie LIFEPO4 16S, EEL V4 DIY BOX 280Ah (JK INVERTER BMS)
- sindyk
- Příspěvky: 629
- Registrován: pát kvě 21, 2021 12:53 pm
- Reputace: 67
- Bydliště: Semily
Re: Deye hybridný menič
Funguje to pouze v offgrid režimu, protože při ongrid si Deye nemůže řídit frekvenci (a tudíž výkon externího střídače) sám.
Více info tady https://youtu.be/YhtRu-FiqpU?si=-NoUDwzCeFakEDZX
3800 Wp (10s Elerix 380 Wp) | Deye SUN-8K-SG04LP3-EU | olovo mix 492Ah/48V
Domovské vlákno: FVE Pojizeří, povinná četba: Victron Wiring Unlimited
Domovské vlákno: FVE Pojizeří, povinná četba: Victron Wiring Unlimited
-
- Příspěvky: 651
- Registrován: pon lis 15, 2021 11:05 am
- Reputace: 40
Re: Deye hybridný menič
Díky, jasné, vysvětlené ...sindyk píše: čtv lis 16, 2023 11:42 amFunguje to pouze v offgrid režimu, protože při ongrid si Deye nemůže řídit frekvenci (a tudíž výkon externího střídače) sám.
Více info tady https://youtu.be/YhtRu-FiqpU?si=-NoUDwzCeFakEDZX
U DEYE je vstup pro MICROGRID paralelně s AC IN, takže při připojení hybridu na síť nelze výkon na straně AC Coupling řídit. I tak je to fajn funkce.
Pokud bych chtěl kombinované řešení se sítí, anebo offgrid s AC coupling, kde je využit současně jak výkon GTI střídače, tak hybridu, musel bych sáhnout po VICTRONU, kde je microgrid vytvořen na AC OUT (viz obrázek), to se mi jeví jako lepší přístup ...
pozn.
Nejhůř je na tom GOODWE, AC coupling je na straně AC IN a pokud spadne síť, GTI a tím celý AC coupling spadne

poloostrov v módu AC IGNORE
VICTRON system 3F, 3x3000VA + 1F GTI GWL 2000W posila na AC OUT.
6kWp pole 8° západní pultová střecha + MPPT 150/100
3kWP pole 75° jižní fasáda + MPPT 150/45
Baterie LIFEPO4 16S, EEL V4 DIY BOX 280Ah (JK INVERTER BMS)
VICTRON system 3F, 3x3000VA + 1F GTI GWL 2000W posila na AC OUT.
6kWp pole 8° západní pultová střecha + MPPT 150/100
3kWP pole 75° jižní fasáda + MPPT 150/45
Baterie LIFEPO4 16S, EEL V4 DIY BOX 280Ah (JK INVERTER BMS)
-
- Příspěvky: 25
- Registrován: ned dub 16, 2023 11:40 am
- Reputace: 0
- Lokalita: Sabinov
- Systémové napětí: 48V
- Výkon panelů [Wp]: 6600
- Kapacita baterie [kWh]: 8
Kdo je online
Uživatelé prohlížející si toto fórum: Claudebot [Bot] a 2 hosti