Plánovaná FVE
Souhrn tématu
Uživatelé diskutují o plánování fotovoltaické elektrárny (FVE) s ohledem na spotřebu elektřiny, optimální počet a orientaci panelů, a také umístění střídače a baterií v náročných podmínkách. Sdílejí zkušenosti s otočnými konstrukcemi a řeší otázky přepínání mezi FVE a distribuční sítí. Fórum zdůrazňuje potřebu slušné komunikace a samostatného nastavení zařízení pro maximální efektivitu a bezpečnost.
- Malinkej99
- Příspěvky: 15
- Registrován: čtv bře 16, 2023 2:11 pm
- Reputace:1
- Lokalita: Olomouc
Plánovaná FVE
Zdravím zkušené solárníky. Poradí někdo s navržením/nasměrováním vhodné sestavy? Průměrná spotřeba 6 kwh/den – při pračce/sušce/myčce 8kwh, roční spotřeba do 2,5 mwh, s letošním dokončeným jezírkem + 4-5 kwh/den, celkem 3,5 mwh/rok. Ohřev tuv termické kolektory. Raději bych všechnu elektřinu ze soláru spotřeboval a docucl ze sítě, než mít 10 kwp na střeše a 2/3 tam nechal. Bude dostačující 6ks panelů? Můj záměr je postavit konstrukci na zahradu. Dávalo by smysl, aby se točila od východu k západu – jen myšlenka. Jaká by byla „výtěžnost“ při nasměrování jih/otočný? Má to z vás někdo? Pak by možná stačily 4 panely. Chtěl bych střídač s bateriemi (lifepo4 články) umístit do sklepa s relativně vyšší vlhkostí 95%+, zima +5/+3°C – bude to problém? Rozvaděč by byl v hospodářské, nevytápěné místnosti. Díky za jakoukoli odpověď.
- rva
- Příspěvky: 4798
- Registrován: úte dub 23, 2013 10:21 am
- Reputace:931
- Lokalita: Kousek od Lysé nad Labem
- Systémové napětí: 48V
- Výkon panelů [Wp]: 46000
- Kapacita baterie [kWh]: 40
- Chci prodávat energii: NE
- Chci/Mám dotaci: NE
- Bydliště: Kousek od Lysé nad Labem
Re: Plánovaná FVE
Klidně začni s takovou "drobnější" elektrárnou. Ale přesto raději baterie 48 V, ať časem nemusíš vše předělávat z 24 V nebo dokonce 12 V. Natáčení mělo význam, když byly fv panely drahé, dnes je lepší jich nabouchat co nejvíc - budeš soběstačný i na jaře a na podzim. A na střeše nepřekážejí. Kapacitu baterie alespoň na pokrytí noční spotřeby kdy FV nevyrábí - tedy na cca 18 hodin. Umístění ve sklepě nepokládám za problém, měnič nějaké teplo vyrobí, tak tam voda kondenzovat nebude.
_______________________________________________________________________
43 kWp, LiFePO4 62 kWh,
EPSolar 60 A/150 V ET6415N + 3x Isolar SM II (5 kW, 450 V, 80 A) + Axpert PIP 5048MS
43 kWp, LiFePO4 62 kWh,
EPSolar 60 A/150 V ET6415N + 3x Isolar SM II (5 kW, 450 V, 80 A) + Axpert PIP 5048MS
- Malinkej99
- Příspěvky: 15
- Registrován: čtv bře 16, 2023 2:11 pm
- Reputace:1
- Lokalita: Olomouc
Re: Plánovaná FVE
Experimentovat se mi moc nechce, stojí to čas, ale hlavně peníze. Proto dotaz na "zkušené" solárníky, kteří mají zkušenosti/praxi s různými měniči, panely apd. V plánu jsou 48v baterie. Neplánuji panely na střechu, ale na zahradu, proto ta myšlenka s automatickým natáčením - možnost ušetřit nějaké panely. PS: Sám přidělám, ale nezapojím. Jsem ve fázi sběru informací.rva píše:Klidně začni s takovou "drobnější" elektrárnou. Ale přesto raději baterie 48 V, ať časem nemusíš vše předělávat z 24 V nebo dokonce 12 V. Natáčení mělo význam, když byly fv panely drahé, dnes je lepší jich nabouchat co nejvíc - budeš soběstačný i na jaře a na podzim. A na střeše nepřekážejí. Kapacitu baterie alespoň na pokrytí noční spotřeby kdy FV nevyrábí - tedy na cca 18 hodin. Umístění ve sklepě nepokládám za problém, měnič nějaké teplo vyrobí, tak tam voda kondenzovat nebude.
- kodl69
- Příspěvky: 8324
- Registrován: sob črc 19, 2014 8:56 pm
- Reputace:1059
- Lokalita: severně od Brna
- Systémové napětí: 48V
- Výkon panelů [Wp]: 8kWp
- Kapacita baterie [kWh]: 12kWh
- Chci prodávat energii: NE
- Chci/Mám dotaci: NE
Re: Plánovaná FVE
Kolik potřebuješ panelů a že tracker se dnes nevyplatí si ověř tady: https://re.jrc.ec.europa.eu/pvg_tools/en/ napřed na mapě co nejpřesněj zadej polohu, počítá si to i horizont... A že toho většina zůstane na střeše? za to nemůžeš ty, ale politika tohoto státu...
K dimenzování: tak jak to chceš je to hodně ošemený. Když budeš dimenzovat měnič na okamžitý výkony cca 5kW, tak k tomu budeš stejně muset mít minimálně 5kWh baterku, raděj dvakrát tolik. A to je ta cena FVE, ne panely. Když udělám odhad instalace z komponent, který mají předpokládanou životnost 10 let +, tak panely s konstrukcí jsou to nejlevnější. Hned potom měniče +mppt a pod, a nejdražší baterky. A to asi nesmí být pylontech nebo tak něco, jejich BMS se podle mě k těm baterkám nechovají moc pěkně... Zase není dobrý mít 10kWp a jenom 10kWh v baterkách, nabíjení 1C proudem není optimální pro dlouhodobou životnost baterek... Co ti tady leckdo potvrdí, tak na 1kWp panelů je rozumný mít 2-3kWh baterek.
K dimenzování: tak jak to chceš je to hodně ošemený. Když budeš dimenzovat měnič na okamžitý výkony cca 5kW, tak k tomu budeš stejně muset mít minimálně 5kWh baterku, raděj dvakrát tolik. A to je ta cena FVE, ne panely. Když udělám odhad instalace z komponent, který mají předpokládanou životnost 10 let +, tak panely s konstrukcí jsou to nejlevnější. Hned potom měniče +mppt a pod, a nejdražší baterky. A to asi nesmí být pylontech nebo tak něco, jejich BMS se podle mě k těm baterkám nechovají moc pěkně... Zase není dobrý mít 10kWp a jenom 10kWh v baterkách, nabíjení 1C proudem není optimální pro dlouhodobou životnost baterek... Co ti tady leckdo potvrdí, tak na 1kWp panelů je rozumný mít 2-3kWh baterek.
ostrov skoro 8kWp neustále ve stádiu zrodu: smartshunt(ex WBJR), MPPT150/45, MPPT 250/100(ex midnitesolar 150 clasic lite), 16S a různě P cca 340Ah Winston, MP II 5000,( ex Powerjack 8kW, ex samodomo cca 4kW). 48V DC rozvody a spotřebiče.
- Malinkej99
- Příspěvky: 15
- Registrován: čtv bře 16, 2023 2:11 pm
- Reputace:1
- Lokalita: Olomouc
Re: Plánovaná FVE
Ano, podle výše uvedeného je nejlepší skol 35° a čistý jih. Díky za slovíčko "tracker". Našel jsem článek https://oze.tzb-info.cz/fotovoltaika/23 ... -15-000-kc,kodl69 píše:Kolik potřebuješ panelů a že tracker se dnes nevyplatí si ověř tady: https://re.jrc.ec.europa.eu/pvg_tools/en/
Třeba se bude někomu hodit. I kdyby to bylo 20%, určitě to není k zahození. Co jsem se dočetl, tak z celoročního pohledu je lepší polykrystalický panel "v řádech jednotek %", jaká je vaše zkušenost?Z dlouhodobých měření vyplývá, že panely na trackerech vyrobí přibližně o třetinu více elektřiny než pevně instalovaná fotovoltaika.
- rva
- Příspěvky: 4798
- Registrován: úte dub 23, 2013 10:21 am
- Reputace:931
- Lokalita: Kousek od Lysé nad Labem
- Systémové napětí: 48V
- Výkon panelů [Wp]: 46000
- Kapacita baterie [kWh]: 40
- Chci prodávat energii: NE
- Chci/Mám dotaci: NE
- Bydliště: Kousek od Lysé nad Labem
Re: Plánovaná FVE
Amorfy jsou minulost a polykrystaly pomalu taky. Takže dnes mono (mají o něco vyšší účinnost) a pokud na střechu, tak kolik se jich vejde bez nějakého přizvedávání a podobně. A klidně větší rozměry, pokud to člověk unese (opět se lépe zaplní plocha a i něco ušetří na nosné konstrukci).
_______________________________________________________________________
43 kWp, LiFePO4 62 kWh,
EPSolar 60 A/150 V ET6415N + 3x Isolar SM II (5 kW, 450 V, 80 A) + Axpert PIP 5048MS
43 kWp, LiFePO4 62 kWh,
EPSolar 60 A/150 V ET6415N + 3x Isolar SM II (5 kW, 450 V, 80 A) + Axpert PIP 5048MS
- kodl69
- Příspěvky: 8324
- Registrován: sob črc 19, 2014 8:56 pm
- Reputace:1059
- Lokalita: severně od Brna
- Systémové napětí: 48V
- Výkon panelů [Wp]: 8kWp
- Kapacita baterie [kWh]: 12kWh
- Chci prodávat energii: NE
- Chci/Mám dotaci: NE
Re: Plánovaná FVE
Jediný, co není pravda, že větším rozměrem líp zaplníš střechu: není to obecná pravda, já budu motovat "malý" 370Wp, ještě variantu, která je o pár cm nižší než většina nabízenejch, protože 460Wp a větší by mi na střechu nevlezly, teda vlezly, místo tří řad jenom dvě a místo pěti panelů vedle sebe jenom 4, takže bych měl o dost měnší instalovanej výkon. Tj je potřeba u práce přemejšlet, ale to snad platí pro všechny činnosti.
Naopak na ruiničku vyšly krásně 12x460Wp elerix, ani jsem původně nečekal, že to bude tolik.
Moje zkušenost je taková, že monokrystaly fungují líp za všech podmínek. A ty kecy o amorfech, jak fungují v zimě jsou úplnej blábol typu "jo Makov, tam nezažili válku" kde 1000x opakovaná lež se stává pravdou, což je dnes zase běžná taktika nejen prodejců...
Naopak na ruiničku vyšly krásně 12x460Wp elerix, ani jsem původně nečekal, že to bude tolik.
Moje zkušenost je taková, že monokrystaly fungují líp za všech podmínek. A ty kecy o amorfech, jak fungují v zimě jsou úplnej blábol typu "jo Makov, tam nezažili válku" kde 1000x opakovaná lež se stává pravdou, což je dnes zase běžná taktika nejen prodejců...
ostrov skoro 8kWp neustále ve stádiu zrodu: smartshunt(ex WBJR), MPPT150/45, MPPT 250/100(ex midnitesolar 150 clasic lite), 16S a různě P cca 340Ah Winston, MP II 5000,( ex Powerjack 8kW, ex samodomo cca 4kW). 48V DC rozvody a spotřebiče.
- Malinkej99
- Příspěvky: 15
- Registrován: čtv bře 16, 2023 2:11 pm
- Reputace:1
- Lokalita: Olomouc
Re: Plánovaná FVE
Opět zdravím solárníky,
rok se s dvěma roky sešel a plánovaná fve dostala nějakou podobu. Jedno fázová sestava 9x 605Wp panel, 1x MPPT 150/100, 1x MP II 48/5000, Cerbo GX, baterie 16s280Ah. Panely budou od DC části 10m, dalších 40m AC k hranici pozemku a pak cca 20m domem k HDR. Kabel 5x6 s tím, že bych dvě žíly zdvojil (5x6 pro případné rozšíření). Kabely budou 5x6 60m (DC/AC – HDR), 3x2,5 40m (DC/AC – bojler), 3x2,5 60m (HDR – DC/AC) pouze pro nabíjení baterie. Kolem domu zemnič a vývod k MET zemnícím páskem 30x4 k HDR. Bude dostačující, když od domu k panelům, což bude nějakých 50m natáhnu zemnící pásek 30x4 a u panelů a k DC části vyvedu kulatinu FeZn 10 – pro uzemnění panelů a DC? Do jaké hloubky? Přikládám i „nákres“. Děkuji za rady/připomínky.
rok se s dvěma roky sešel a plánovaná fve dostala nějakou podobu. Jedno fázová sestava 9x 605Wp panel, 1x MPPT 150/100, 1x MP II 48/5000, Cerbo GX, baterie 16s280Ah. Panely budou od DC části 10m, dalších 40m AC k hranici pozemku a pak cca 20m domem k HDR. Kabel 5x6 s tím, že bych dvě žíly zdvojil (5x6 pro případné rozšíření). Kabely budou 5x6 60m (DC/AC – HDR), 3x2,5 40m (DC/AC – bojler), 3x2,5 60m (HDR – DC/AC) pouze pro nabíjení baterie. Kolem domu zemnič a vývod k MET zemnícím páskem 30x4 k HDR. Bude dostačující, když od domu k panelům, což bude nějakých 50m natáhnu zemnící pásek 30x4 a u panelů a k DC části vyvedu kulatinu FeZn 10 – pro uzemnění panelů a DC? Do jaké hloubky? Přikládám i „nákres“. Děkuji za rady/připomínky.
- pibi
- Příspěvky: 1708
- Registrován: ned led 01, 2023 6:17 pm
- Reputace:395
- Lokalita: Východně od 3nce
- Systémové napětí: 48V
- Výkon panelů [Wp]: 16kWp
- Kapacita baterie [kWh]: 44kWh
- Chci prodávat energii: NE
- Chci/Mám dotaci: NE
Re: Plánovaná FVE
Nějak nerozumím co je DC/AC-HDR (hlavní domovní rozvaděč?) a DC/AC bojler, tam snad půjde jen AC?
Uzemění do nezámrzné hloubky, ne moc blízko ke zdi, aby byl aspoň metr od přesahu střechy - proto, aby na tu zem, ve které je zakopaný pršelo.
Uzemění do nezámrzné hloubky, ne moc blízko ke zdi, aby byl aspoň metr od přesahu střechy - proto, aby na tu zem, ve které je zakopaný pršelo.
9,2kWp JV 45°, 4,6kWp JZ 45°, 2,3kWp JV 90°, 2 x Victron MP II 5kVA, 3 x SmartSolar 150/70, Smartshunt, Cerbo, 16x280Ah + 16X300Ah + 16x300Ah LiFePO4 + 3xJK BMS.
K levné elektřině se dostaneme jen vytrvalou prací a svým kapitálem. Vladimír List, Elektrisace Československa 1934
K levné elektřině se dostaneme jen vytrvalou prací a svým kapitálem. Vladimír List, Elektrisace Československa 1934
- Malinkej99
- Příspěvky: 15
- Registrován: čtv bře 16, 2023 2:11 pm
- Reputace:1
- Lokalita: Olomouc
Re: Plánovaná FVE
Díky za reakci. Ano, mohl jsem to napsat jinak (DC/AC Měnič - HDR hlavní domovní rozvaděč), nebo HDR - ACin 3x2,5 (60m) pro nabíjení baterie. ACout1 - HDR 5x6 (60m) a ACout2 - bojler 3x2,5 (40m). Takže by mohlo být 90cm výkop, natáhnou zemnící pásek, zasypat 40cm zeminy a v chráničkách kabeláž?Nějak nerozumím co je DC/AC-HDR (hlavní domovní rozvaděč?) a DC/AC bojler, tam snad půjde jen AC?
Uzemění do nezámrzné hloubky, ne moc blízko ke zdi, aby byl aspoň metr od přesahu střechy - proto, aby na tu zem, ve které je zakopaný pršelo.
- pibi
- Příspěvky: 1708
- Registrován: ned led 01, 2023 6:17 pm
- Reputace:395
- Lokalita: Východně od 3nce
- Systémové napětí: 48V
- Výkon panelů [Wp]: 16kWp
- Kapacita baterie [kWh]: 44kWh
- Chci prodávat energii: NE
- Chci/Mám dotaci: NE
Re: Plánovaná FVE
Ano, norma vyžaduje pásek min 10cm pod kabely. Pásek obsypat jemnější hlínou, ne pískem, pokud možno zhutnit. Když už budeš mít výkop, tak tam přihoď nějakou rezervní prázdnou chráničku, nezapomeň na datovou komunikaci, pokud bude elektrárna daleko od domu, tak možná optiku, aby se tam při bouřce něco škaredého nenaindukovalo.
9,2kWp JV 45°, 4,6kWp JZ 45°, 2,3kWp JV 90°, 2 x Victron MP II 5kVA, 3 x SmartSolar 150/70, Smartshunt, Cerbo, 16x280Ah + 16X300Ah + 16x300Ah LiFePO4 + 3xJK BMS.
K levné elektřině se dostaneme jen vytrvalou prací a svým kapitálem. Vladimír List, Elektrisace Československa 1934
K levné elektřině se dostaneme jen vytrvalou prací a svým kapitálem. Vladimír List, Elektrisace Československa 1934
- Malinkej99
- Příspěvky: 15
- Registrován: čtv bře 16, 2023 2:11 pm
- Reputace:1
- Lokalita: Olomouc
Re: Plánovaná FVE
Díky, i za tip.Ano, norma vyžaduje pásek min 10cm pod kabely. Pásek obsypat jemnější hlínou, ne pískem, pokud možno zhutnit. Když už budeš mít výkop, tak tam přihoď nějakou rezervní prázdnou chráničku, nezapomeň na datovou komunikaci, pokud bude elektrárna daleko od domu, tak možná optiku, aby se tam při bouřce něco škaredého nenaindukovalo.
- Malinkej99
- Příspěvky: 15
- Registrován: čtv bře 16, 2023 2:11 pm
- Reputace:1
- Lokalita: Olomouc
Re: Plánovaná FVE
Četl jsem diskusi od GHLL a rád bych navázal se svým dotazem.
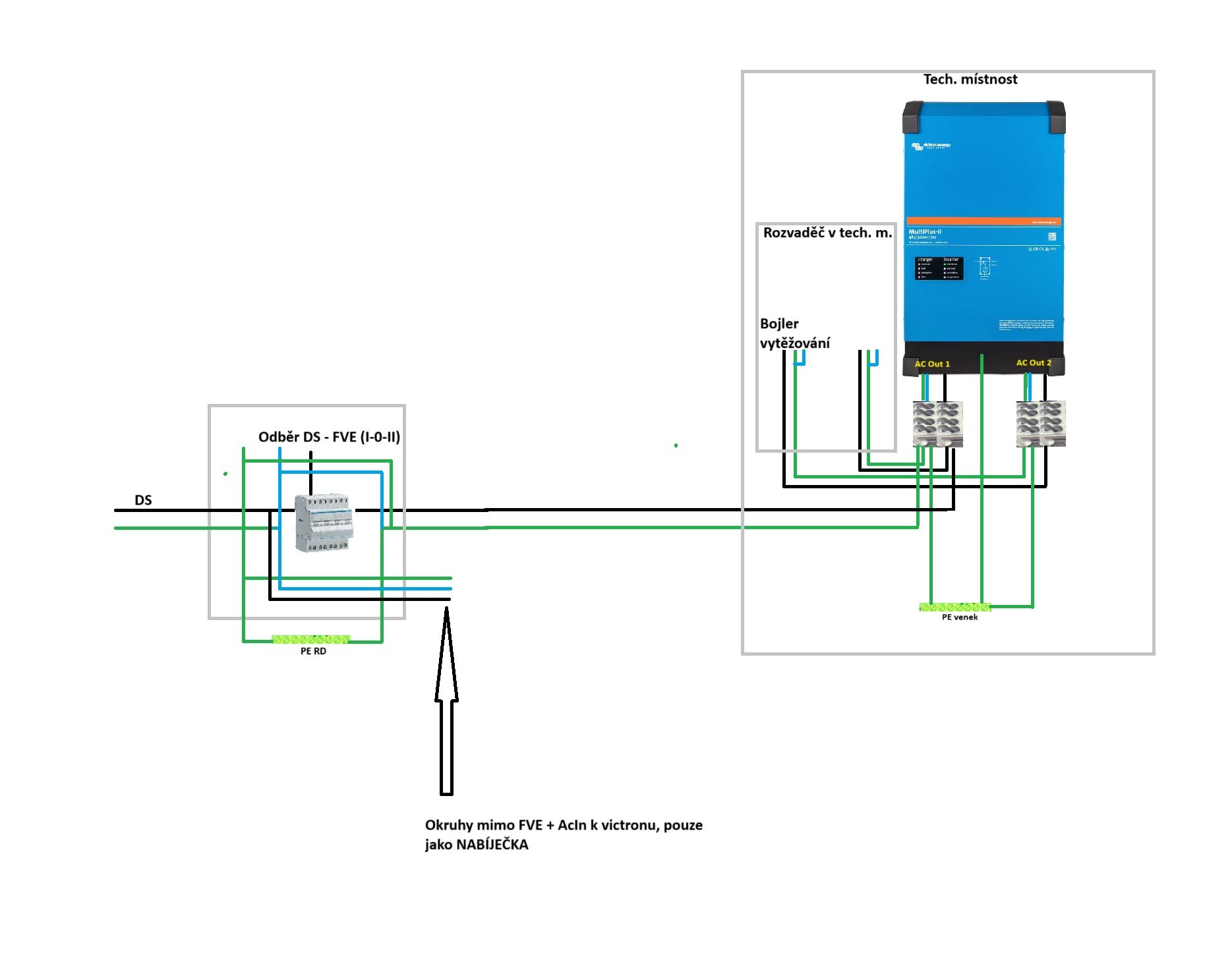
DC část je dle "nákresu" výše. Panely na kovové kostrukci. Od paty kostrukce je sveden zemnící drát 10 - 3m na zemnící pásek 2x 25m, po 25m je odbočka 4m 10 drát do technické místnosti, kde je na ekvipotencionální svorkovnici přivedeno uzemnění z mppt, meniče, mínus pólu baterie a uzemnění bodu rozdělení.
Měnič samotný by měl být TN-S (PE, N, L). Teď vlastně potřebuji popostrčit. Pokud spojím PE a N z měniče pokračuji TN-C (PEN, L) a následně změním na TN-C-S dle "nákresu", bude to OK? Spojením PEN z měniče a DS určitě nic nezkazím, nebo..? Vlastně všechny ochranné vodiče + PEN z DS + PEN z měniče budou na jednu HOPku u RD (taky cca 50m zemnícího pásku v základech)
Přepínač sítí bude přepínat "společné spotřebiče" z DS a FVE. Z DS budou napájeny spotřebiče mimo FVE + přívod k victronu na ACIn pouze jako nabíječka.
Děkuji za popostrčení/opravu..
DC část je dle "nákresu" výše. Panely na kovové kostrukci. Od paty kostrukce je sveden zemnící drát 10 - 3m na zemnící pásek 2x 25m, po 25m je odbočka 4m 10 drát do technické místnosti, kde je na ekvipotencionální svorkovnici přivedeno uzemnění z mppt, meniče, mínus pólu baterie a uzemnění bodu rozdělení.
Měnič samotný by měl být TN-S (PE, N, L). Teď vlastně potřebuji popostrčit. Pokud spojím PE a N z měniče pokračuji TN-C (PEN, L) a následně změním na TN-C-S dle "nákresu", bude to OK? Spojením PEN z měniče a DS určitě nic nezkazím, nebo..? Vlastně všechny ochranné vodiče + PEN z DS + PEN z měniče budou na jednu HOPku u RD (taky cca 50m zemnícího pásku v základech)
Přepínač sítí bude přepínat "společné spotřebiče" z DS a FVE. Z DS budou napájeny spotřebiče mimo FVE + přívod k victronu na ACIn pouze jako nabíječka.
Děkuji za popostrčení/opravu..
- pibi
- Příspěvky: 1708
- Registrován: ned led 01, 2023 6:17 pm
- Reputace:395
- Lokalita: Východně od 3nce
- Systémové napětí: 48V
- Výkon panelů [Wp]: 16kWp
- Kapacita baterie [kWh]: 44kWh
- Chci prodávat energii: NE
- Chci/Mám dotaci: NE
Re: Plánovaná FVE
PEN (i N) zcela jistě mimo přepínač sítí.
K čemu 4xPE a 4xN svorkovnice za střídačem? Dej tam 1PE + 1N a propoj N výstupu s N na vstupu, který je už uzeměn na rozbočení z PEN.
K čemu 4xPE a 4xN svorkovnice za střídačem? Dej tam 1PE + 1N a propoj N výstupu s N na vstupu, který je už uzeměn na rozbočení z PEN.
9,2kWp JV 45°, 4,6kWp JZ 45°, 2,3kWp JV 90°, 2 x Victron MP II 5kVA, 3 x SmartSolar 150/70, Smartshunt, Cerbo, 16x280Ah + 16X300Ah + 16x300Ah LiFePO4 + 3xJK BMS.
K levné elektřině se dostaneme jen vytrvalou prací a svým kapitálem. Vladimír List, Elektrisace Československa 1934
K levné elektřině se dostaneme jen vytrvalou prací a svým kapitálem. Vladimír List, Elektrisace Československa 1934
- Malinkej99
- Příspěvky: 15
- Registrován: čtv bře 16, 2023 2:11 pm
- Reputace:1
- Lokalita: Olomouc
- pibi
- Příspěvky: 1708
- Registrován: ned led 01, 2023 6:17 pm
- Reputace:395
- Lokalita: Východně od 3nce
- Systémové napětí: 48V
- Výkon panelů [Wp]: 16kWp
- Kapacita baterie [kWh]: 44kWh
- Chci prodávat energii: NE
- Chci/Mám dotaci: NE
Re: Plánovaná FVE
Nepochopil, přepínač sítí správně, ale za ním už PE s N nespojuješ
9,2kWp JV 45°, 4,6kWp JZ 45°, 2,3kWp JV 90°, 2 x Victron MP II 5kVA, 3 x SmartSolar 150/70, Smartshunt, Cerbo, 16x280Ah + 16X300Ah + 16x300Ah LiFePO4 + 3xJK BMS.
K levné elektřině se dostaneme jen vytrvalou prací a svým kapitálem. Vladimír List, Elektrisace Československa 1934
K levné elektřině se dostaneme jen vytrvalou prací a svým kapitálem. Vladimír List, Elektrisace Československa 1934
- Malinkej99
- Příspěvky: 15
- Registrován: čtv bře 16, 2023 2:11 pm
- Reputace:1
- Lokalita: Olomouc
- pibi
- Příspěvky: 1708
- Registrován: ned led 01, 2023 6:17 pm
- Reputace:395
- Lokalita: Východně od 3nce
- Systémové napětí: 48V
- Výkon panelů [Wp]: 16kWp
- Kapacita baterie [kWh]: 44kWh
- Chci prodávat energii: NE
- Chci/Mám dotaci: NE
Re: Plánovaná FVE
Jo, už se blížíš, ještě u střídače spoj N vodiče IN s OUT a budeš to mít nezávislé na GND relé ve střídači i při odpojeném AC IN. 
9,2kWp JV 45°, 4,6kWp JZ 45°, 2,3kWp JV 90°, 2 x Victron MP II 5kVA, 3 x SmartSolar 150/70, Smartshunt, Cerbo, 16x280Ah + 16X300Ah + 16x300Ah LiFePO4 + 3xJK BMS.
K levné elektřině se dostaneme jen vytrvalou prací a svým kapitálem. Vladimír List, Elektrisace Československa 1934
K levné elektřině se dostaneme jen vytrvalou prací a svým kapitálem. Vladimír List, Elektrisace Československa 1934
- Malinkej99
- Příspěvky: 15
- Registrován: čtv bře 16, 2023 2:11 pm
- Reputace:1
- Lokalita: Olomouc
- pibi
- Příspěvky: 1708
- Registrován: ned led 01, 2023 6:17 pm
- Reputace:395
- Lokalita: Východně od 3nce
- Systémové napětí: 48V
- Výkon panelů [Wp]: 16kWp
- Kapacita baterie [kWh]: 44kWh
- Chci prodávat energii: NE
- Chci/Mám dotaci: NE
Re: Plánovaná FVE
Myslím, že je to v pořádku, ještě výstupní jistič vlevo dole, stačí jednopólový, je zbytečné odpojovat N z jedné strany, když je zokruhované.
9,2kWp JV 45°, 4,6kWp JZ 45°, 2,3kWp JV 90°, 2 x Victron MP II 5kVA, 3 x SmartSolar 150/70, Smartshunt, Cerbo, 16x280Ah + 16X300Ah + 16x300Ah LiFePO4 + 3xJK BMS.
K levné elektřině se dostaneme jen vytrvalou prací a svým kapitálem. Vladimír List, Elektrisace Československa 1934
K levné elektřině se dostaneme jen vytrvalou prací a svým kapitálem. Vladimír List, Elektrisace Československa 1934
Kdo je online
Uživatelé procházející toto fórum: Applebot [Bot], Claudebot [Bot], Google [Bot], Semrush [Bot]
