Horalova FVE
-
pibi
- Příspěvky: 1481
- Registrován: ned led 01, 2023 6:17 pm
- Reputace: 303
- Lokalita: Východně od 3nce
- Systémové napětí: 48V
- Výkon panelů [Wp]: 16kWp
- Kapacita baterie [kWh]: 44kWh
- Chci prodávat energii: NE
- Chci/Mám dotaci: NE
Re: Horalova FVE
To je uzemění panelů a kovových konstrukcí na střeše. Natáhl jsem to 8mm AlMgSi společně s trubkami pro kabely.
Hromosvod mám na druhé straně hliníkové střechy.
Hromosvod mám na druhé straně hliníkové střechy.
9,2kWp JV 45°, 4,6kWp JZ 45°, 2,3kWp JV 90°, 2 x Victron MP II 5kVA, 3 x SmartSolar 150/70, Smartshunt, Cerbo, 16x280Ah + 16X300Ah + 16x300Ah LiFePO4 + 3xJK BMS.
K levné elektřině se dostaneme jen vytrvalou prací a svým kapitálem. Vladimír List, Elektrisace Československa 1934
K levné elektřině se dostaneme jen vytrvalou prací a svým kapitálem. Vladimír List, Elektrisace Československa 1934
-
jannecz
- Příspěvky: 58
- Registrován: pát lis 26, 2021 7:54 am
- Reputace: 7
Re: Horalova FVE
Jako náhrada za zelenožlutej? Nemělo by to být značeno právě touhle barvou, že je to "zemění"? Aby se to nepletlo z hromosvodem... 50-tku mám, ale tohle nevím a zajímalo by mě to...
-
bahora
- Příspěvky: 69
- Registrován: úte kvě 10, 2022 11:32 pm
- Reputace: 7
- Lokalita: Ostrava
- Systémové napětí: 48V
- Chci prodávat energii: NE
- Chci/Mám dotaci: NE
Re: Horalova FVE
Tady se nejedná o ochranný vodič. Náhrada být může, pouze se to musí označit, někde je to popsávo v normě a můžeš to omrknout i venku na sloupech a stožárech, kde je běžně zemění svedeno pásovinou a pak na koncích označeno žlutozeleně.
-
pibi
- Příspěvky: 1481
- Registrován: ned led 01, 2023 6:17 pm
- Reputace: 303
- Lokalita: Východně od 3nce
- Systémové napětí: 48V
- Výkon panelů [Wp]: 16kWp
- Kapacita baterie [kWh]: 44kWh
- Chci prodávat energii: NE
- Chci/Mám dotaci: NE
Re: Horalova FVE
Takže u měřící svorky a u vstupu do kombiboxu (uzemění přepěťovek) na AlMgSi natáhnout kousek zelenožluté smršťovačky?
9,2kWp JV 45°, 4,6kWp JZ 45°, 2,3kWp JV 90°, 2 x Victron MP II 5kVA, 3 x SmartSolar 150/70, Smartshunt, Cerbo, 16x280Ah + 16X300Ah + 16x300Ah LiFePO4 + 3xJK BMS.
K levné elektřině se dostaneme jen vytrvalou prací a svým kapitálem. Vladimír List, Elektrisace Československa 1934
K levné elektřině se dostaneme jen vytrvalou prací a svým kapitálem. Vladimír List, Elektrisace Československa 1934
-
pibi
- Příspěvky: 1481
- Registrován: ned led 01, 2023 6:17 pm
- Reputace: 303
- Lokalita: Východně od 3nce
- Systémové napětí: 48V
- Výkon panelů [Wp]: 16kWp
- Kapacita baterie [kWh]: 44kWh
- Chci prodávat energii: NE
- Chci/Mám dotaci: NE
Re: Horalova FVE
Za deštivých dnů pomalu pokračuji v drátování rozvaděčů.
Přívody z kombiboxů, silovka hotová, chybí jen přívodní kabely a ovládání vypínacích cívek. Stripaxy od Weidmullera stahují izolaci dobře, ale potvory koušou.
Přívody z kombiboxů, silovka hotová, chybí jen přívodní kabely a ovládání vypínacích cívek. Stripaxy od Weidmullera stahují izolaci dobře, ale potvory koušou.
9,2kWp JV 45°, 4,6kWp JZ 45°, 2,3kWp JV 90°, 2 x Victron MP II 5kVA, 3 x SmartSolar 150/70, Smartshunt, Cerbo, 16x280Ah + 16X300Ah + 16x300Ah LiFePO4 + 3xJK BMS.
K levné elektřině se dostaneme jen vytrvalou prací a svým kapitálem. Vladimír List, Elektrisace Československa 1934
K levné elektřině se dostaneme jen vytrvalou prací a svým kapitálem. Vladimír List, Elektrisace Československa 1934
- Skrat
- Příspěvky: 621
- Registrován: sob zář 24, 2016 10:39 pm
- Reputace: 23
- Lokalita: Veselí nad lužnicí
- Systémové napětí: 48V
- Výkon panelů [Wp]: 7,38kWp
- Kapacita baterie [kWh]: 900Ah
- Chci prodávat energii: NE
- Chci/Mám dotaci: NE
- Bydliště: Veselí nad Lužnicí
Re: Horalova FVE
Jen takový dotaz. Neměli by být ty přepěťovky až za jističema? Zase jestly jsou pojistky u panelů tak je to dobře.
Někde sem četl že přepěťovky by měly být za pojiskama
Někde sem četl že přepěťovky by měly být za pojiskama
24V systém. V=1760Wp,Z= 3520Wp.J= 720Wp.Baterky Lion 600Ah celkem.Regulátor 2x6415AN+Must 80A/3000W+1x4415N na jižní stranu.Měnič victron 1200W+350W. Axpert VP 24/3000W na přebytky.Vše stále ve výstavbě.Začínám stavět 48V systém pro RD.Zatím 7,38kWp jih,Lion 900Ah.Epever 48/2000W na přebytky ,Victron 500W,Epever 5kW
-
pibi
- Příspěvky: 1481
- Registrován: ned led 01, 2023 6:17 pm
- Reputace: 303
- Lokalita: Východně od 3nce
- Systémové napětí: 48V
- Výkon panelů [Wp]: 16kWp
- Kapacita baterie [kWh]: 44kWh
- Chci prodávat energii: NE
- Chci/Mám dotaci: NE
Re: Horalova FVE
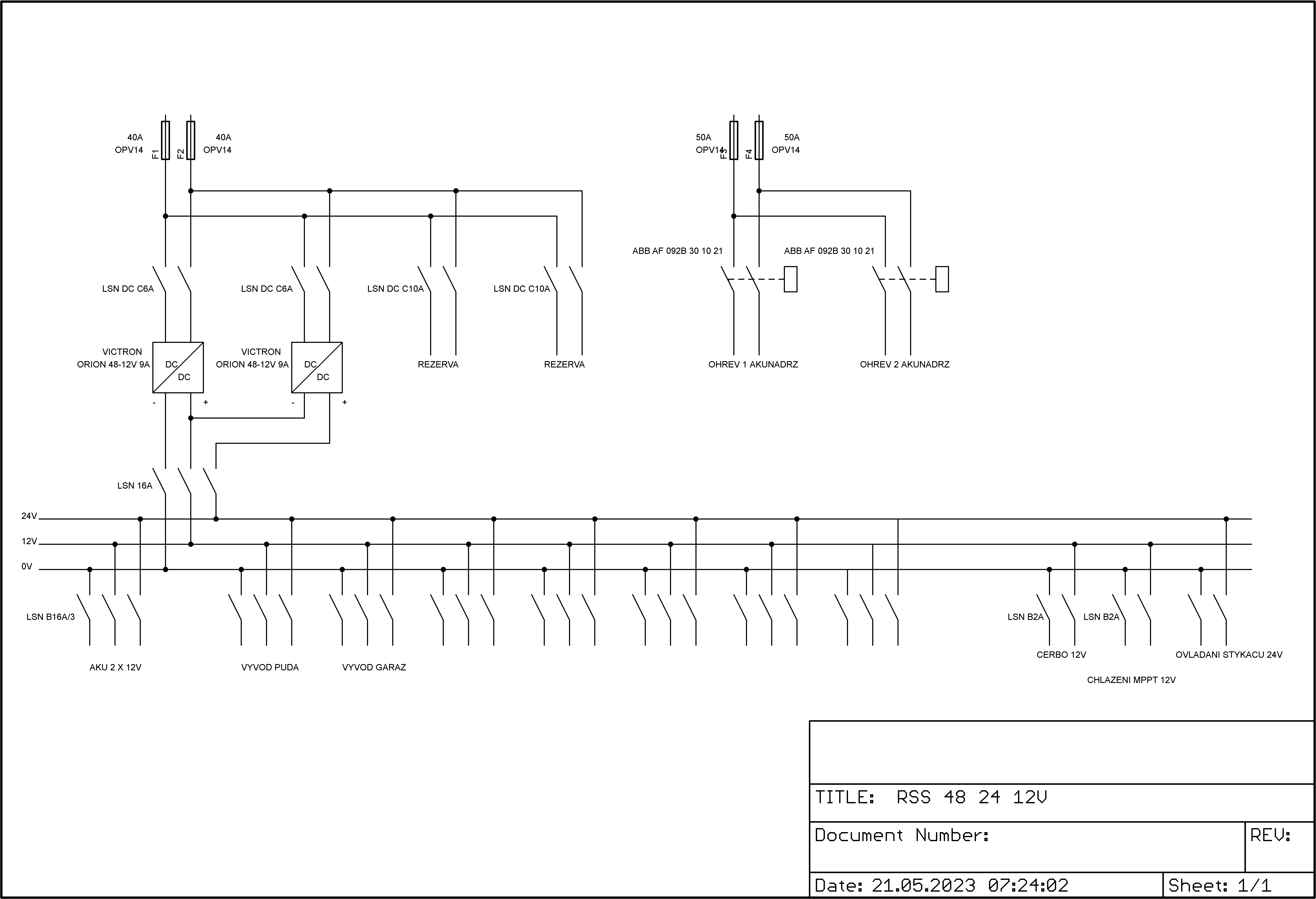
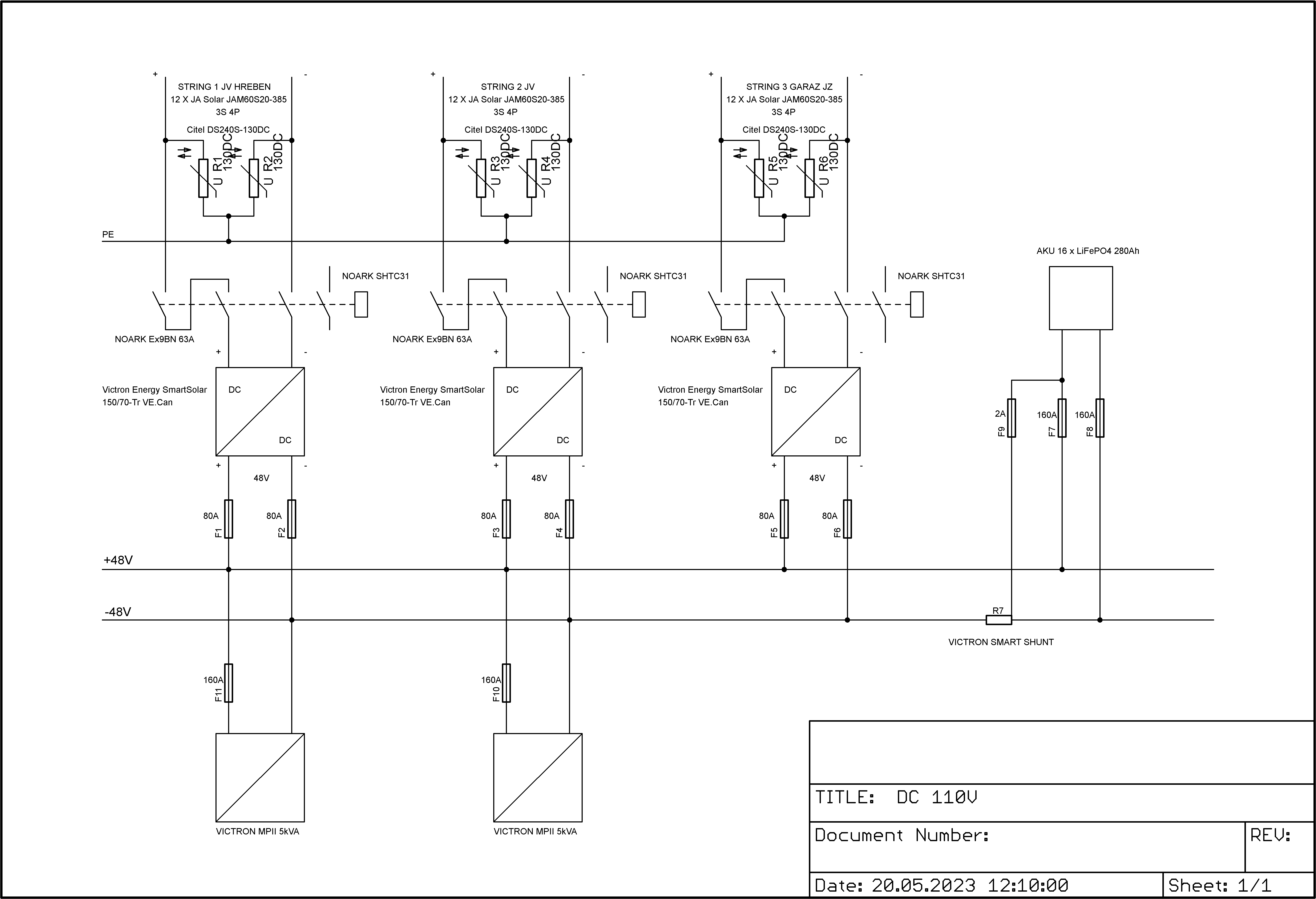
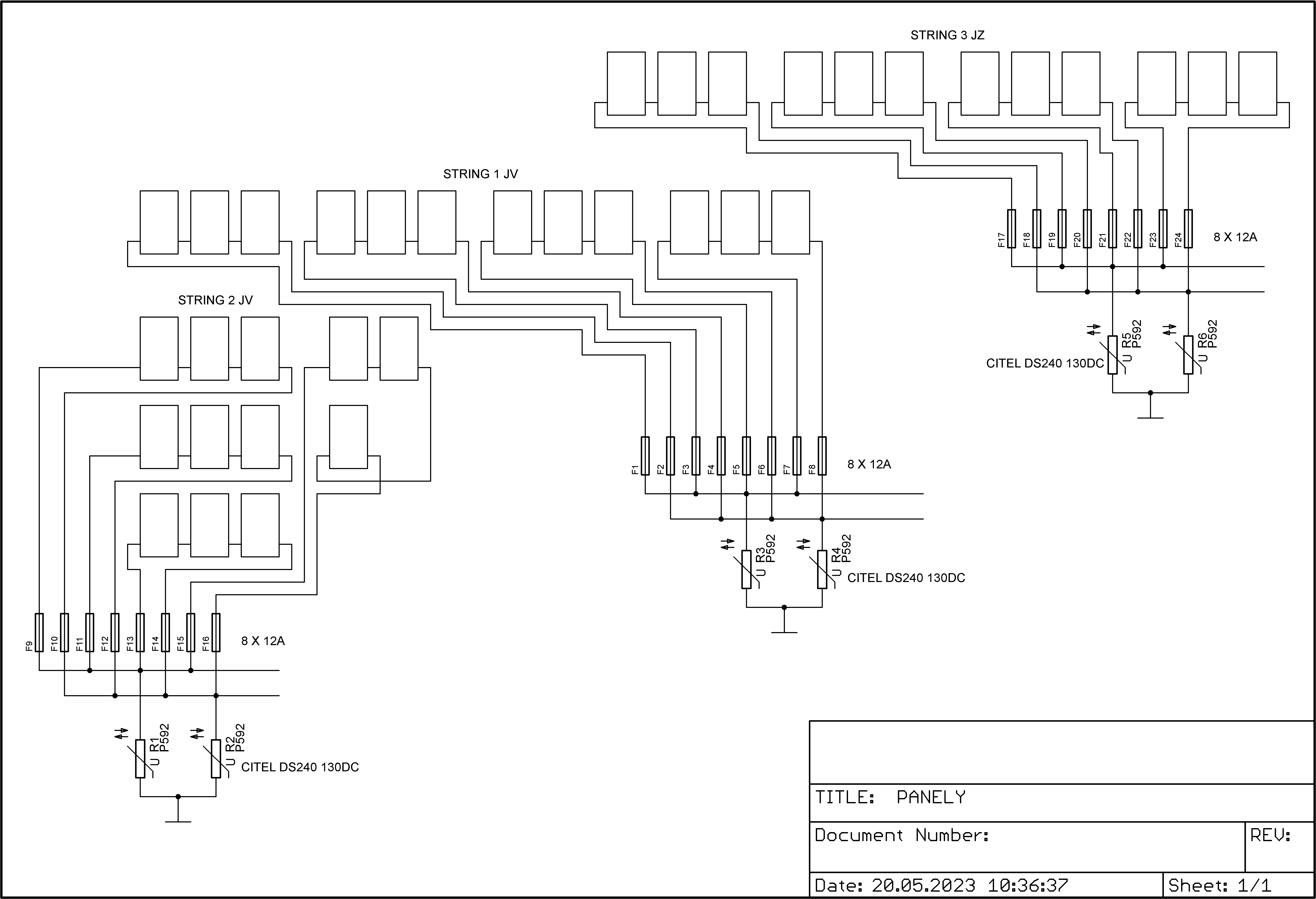
V kombiboxu budou pojistkové odpojovače od stringů (3S4P), za nimi přepěťovka, pak kabel CYKY 4Bx10 2+2 žíly paralelně do rozvaděče ve sklepě, tam přepěťovka na vstupu, za ní jistič s vypínací cívkou a MPPT.
9,2kWp JV 45°, 4,6kWp JZ 45°, 2,3kWp JV 90°, 2 x Victron MP II 5kVA, 3 x SmartSolar 150/70, Smartshunt, Cerbo, 16x280Ah + 16X300Ah + 16x300Ah LiFePO4 + 3xJK BMS.
K levné elektřině se dostaneme jen vytrvalou prací a svým kapitálem. Vladimír List, Elektrisace Československa 1934
K levné elektřině se dostaneme jen vytrvalou prací a svým kapitálem. Vladimír List, Elektrisace Československa 1934
-
cipis
- Moderátor
- Příspěvky: 6300
- Registrován: pon srp 16, 2021 9:31 pm
- Reputace: 855
- Lokalita: blízko Brna
- Systémové napětí: 24V
- Výkon panelů [Wp]: 13+ kWp
- Kapacita baterie [kWh]: 40+15
- Chci prodávat energii: NE
- Chci/Mám dotaci: NE
- Bydliště: blízko Brna
Re: Horalova FVE
Nebylo by lepsi to dat opacne?
Resp. takto ted nemas jisteny svod od boxu dolu.
Tedy dat klasiku, odpinace na jednotlive stringy, prepetovku, dalkove ovladany jistic, dole prepetovku a odpinac?
Resp. takto ted nemas jisteny svod od boxu dolu.
Tedy dat klasiku, odpinace na jednotlive stringy, prepetovku, dalkove ovladany jistic, dole prepetovku a odpinac?
13,38 kWp: 9850 Wp Jih, 2040 Wp Východ, 1490 Wp Západ
Regulátory Epever a Victron
Phoenix 5 kVA + MP 24/5000 (můj byt + wifi/kamery/atd. + máti byt)
MP2 24/5000 vytěžování do akumulačních kamen
Epever 3kW vytěžování do bojlerů + žebříky
1 kW "nabíječka" 24 V
40 680 Wh staré olovo 15 258 Wh Li-Ion
záloha čerpadla ve sklepě MP12/3000/120-16 + 100Ah 12V monbat
Modře píši jako moderátor, černě jako člen.
Regulátory Epever a Victron
Phoenix 5 kVA + MP 24/5000 (můj byt + wifi/kamery/atd. + máti byt)
MP2 24/5000 vytěžování do akumulačních kamen
Epever 3kW vytěžování do bojlerů + žebříky
1 kW "nabíječka" 24 V
40 680 Wh staré olovo 15 258 Wh Li-Ion
záloha čerpadla ve sklepě MP12/3000/120-16 + 100Ah 12V monbat
Modře píši jako moderátor, černě jako člen.
-
pibi
- Příspěvky: 1481
- Registrován: ned led 01, 2023 6:17 pm
- Reputace: 303
- Lokalita: Východně od 3nce
- Systémové napětí: 48V
- Výkon panelů [Wp]: 16kWp
- Kapacita baterie [kWh]: 44kWh
- Chci prodávat energii: NE
- Chci/Mám dotaci: NE
Re: Horalova FVE
Kabel se jistí proti nadproudu, jestli si dobře pamatuji ze školy (přece jen na podzim to bude 40 let, co jsem podepisoval pracovní smlouvu). 4 paralelní stringy dají dohromady cca 48A (při mrazivém dni možná o chlup více), kabely do rozvodny mám CYKY 4Bx10mm2, zapojené 2 + 2 žíly paralelně. I kdyby došlo k přerušení 1 žíly z paralelního páru, tak vychází proudové zatížení do 5A/mm2, což asi další jištění nevyžaduje. Kombiboxy mám venku na fasádě domu zhruba ve výšce očí, tak při nějaké havarijní situaci půjde pojistkové odpínače vypnout manuálně, při 3 60 čl. panelech sériově nevidím problém ani v natažení oblouku.
9,2kWp JV 45°, 4,6kWp JZ 45°, 2,3kWp JV 90°, 2 x Victron MP II 5kVA, 3 x SmartSolar 150/70, Smartshunt, Cerbo, 16x280Ah + 16X300Ah + 16x300Ah LiFePO4 + 3xJK BMS.
K levné elektřině se dostaneme jen vytrvalou prací a svým kapitálem. Vladimír List, Elektrisace Československa 1934
K levné elektřině se dostaneme jen vytrvalou prací a svým kapitálem. Vladimír List, Elektrisace Československa 1934
-
jannecz
- Příspěvky: 58
- Registrován: pát lis 26, 2021 7:54 am
- Reputace: 7
Re: Horalova FVE
Tak jsem se ještě ptal zkušenějších, venku může jako zemnění být klidně vodič neizolovaný, na konci označený.pibi píše:Takže u měřící svorky a u vstupu do kombiboxu (uzemění přepěťovek) na AlMgSi natáhnout kousek zelenožluté smršťovačky?
Prý dle normy je i uvedená "délka" toho značení.
Takže takhle doma postačí třeba 5 cm zelenožluté smršťovačky...
-
pibi
- Příspěvky: 1481
- Registrován: ned led 01, 2023 6:17 pm
- Reputace: 303
- Lokalita: Východně od 3nce
- Systémové napětí: 48V
- Výkon panelů [Wp]: 16kWp
- Kapacita baterie [kWh]: 44kWh
- Chci prodávat energii: NE
- Chci/Mám dotaci: NE
Re: Horalova FVE
Děkuji, označení provedu.
9,2kWp JV 45°, 4,6kWp JZ 45°, 2,3kWp JV 90°, 2 x Victron MP II 5kVA, 3 x SmartSolar 150/70, Smartshunt, Cerbo, 16x280Ah + 16X300Ah + 16x300Ah LiFePO4 + 3xJK BMS.
K levné elektřině se dostaneme jen vytrvalou prací a svým kapitálem. Vladimír List, Elektrisace Československa 1934
K levné elektřině se dostaneme jen vytrvalou prací a svým kapitálem. Vladimír List, Elektrisace Československa 1934
-
pibi
- Příspěvky: 1481
- Registrován: ned led 01, 2023 6:17 pm
- Reputace: 303
- Lokalita: Východně od 3nce
- Systémové napětí: 48V
- Výkon panelů [Wp]: 16kWp
- Kapacita baterie [kWh]: 44kWh
- Chci prodávat energii: NE
- Chci/Mám dotaci: NE
Re: Horalova FVE
Sběrny 48V a příprava na ohřev akunádrže DC 2 x 750W
9,2kWp JV 45°, 4,6kWp JZ 45°, 2,3kWp JV 90°, 2 x Victron MP II 5kVA, 3 x SmartSolar 150/70, Smartshunt, Cerbo, 16x280Ah + 16X300Ah + 16x300Ah LiFePO4 + 3xJK BMS.
K levné elektřině se dostaneme jen vytrvalou prací a svým kapitálem. Vladimír List, Elektrisace Československa 1934
K levné elektřině se dostaneme jen vytrvalou prací a svým kapitálem. Vladimír List, Elektrisace Československa 1934
- rottenkiwi
- Příspěvky: 5451
- Registrován: pát úno 13, 2015 2:24 pm
- Reputace: 287
- Lokalita: SO, SK
- Bydliště: SO, SK
Re: Horalova FVE
A co sa stane, ked zlyha MPPT a prud v noci pojde do neosvetlenych panelov
ktore maju menej ako 2 V aj za svitu Mesiaca, napr. 60 A do kazdeho stringu ?
Istenie MPPT-DC BUS je urcite vyssie ako 70 A.
Ako sa ten prud rozlozi medzi panely, kde je 4 x 12 A istenie ?
ktore maju menej ako 2 V aj za svitu Mesiaca, napr. 60 A do kazdeho stringu ?
Istenie MPPT-DC BUS je urcite vyssie ako 70 A.
Ako sa ten prud rozlozi medzi panely, kde je 4 x 12 A istenie ?
DC-AC inverter REC Lion DC-AC ESP32 DIY inv. 15 GB za sekundu DIY MPPT Holder
Zjedz vsetko, co si kupil, v obchode a netreba ti tasku, auto ci chladnicku.
Zjedz vsetko, co si kupil, v obchode a netreba ti tasku, auto ci chladnicku.
-
pibi
- Příspěvky: 1481
- Registrován: ned led 01, 2023 6:17 pm
- Reputace: 303
- Lokalita: Východně od 3nce
- Systémové napětí: 48V
- Výkon panelů [Wp]: 16kWp
- Kapacita baterie [kWh]: 44kWh
- Chci prodávat energii: NE
- Chci/Mám dotaci: NE
Re: Horalova FVE
Není mi moc jasné na co narážíš, jištění na výstupu MPPT je 80A, podle manuálu Victronu by mělo být 100A, na vstupu mám jističe 63A.
9,2kWp JV 45°, 4,6kWp JZ 45°, 2,3kWp JV 90°, 2 x Victron MP II 5kVA, 3 x SmartSolar 150/70, Smartshunt, Cerbo, 16x280Ah + 16X300Ah + 16x300Ah LiFePO4 + 3xJK BMS.
K levné elektřině se dostaneme jen vytrvalou prací a svým kapitálem. Vladimír List, Elektrisace Československa 1934
K levné elektřině se dostaneme jen vytrvalou prací a svým kapitálem. Vladimír List, Elektrisace Československa 1934
- rottenkiwi
- Příspěvky: 5451
- Registrován: pát úno 13, 2015 2:24 pm
- Reputace: 287
- Lokalita: SO, SK
- Bydliště: SO, SK
Re: Horalova FVE
NO ked sa v noci zacne prud cez zhoreny MPPT dostavat do panelov, co urobi
istenie, ktore je dimenzovane na tych 100 A, ked tam pojde 60 A,
ale panely znesu len 4 x 12 A.
Kable od MPPT k baterke to vydrzia, aj kable od MPPT k panelom to vydrzia,
tak co odide ako prve ? Panel ? Panel nema na vystupe diody, ma len by-pass diody.
.
istenie, ktore je dimenzovane na tych 100 A, ked tam pojde 60 A,
ale panely znesu len 4 x 12 A.
Kable od MPPT k baterke to vydrzia, aj kable od MPPT k panelom to vydrzia,
tak co odide ako prve ? Panel ? Panel nema na vystupe diody, ma len by-pass diody.
.
DC-AC inverter REC Lion DC-AC ESP32 DIY inv. 15 GB za sekundu DIY MPPT Holder
Zjedz vsetko, co si kupil, v obchode a netreba ti tasku, auto ci chladnicku.
Zjedz vsetko, co si kupil, v obchode a netreba ti tasku, auto ci chladnicku.
-
pibi
- Příspěvky: 1481
- Registrován: ned led 01, 2023 6:17 pm
- Reputace: 303
- Lokalita: Východně od 3nce
- Systémové napětí: 48V
- Výkon panelů [Wp]: 16kWp
- Kapacita baterie [kWh]: 44kWh
- Chci prodávat energii: NE
- Chci/Mám dotaci: NE
Re: Horalova FVE
Doporučuješ sériové diody, na kterých budu pálit 30+W na každém stringu při max. výkonu (0,7V x 48A) ?
9,2kWp JV 45°, 4,6kWp JZ 45°, 2,3kWp JV 90°, 2 x Victron MP II 5kVA, 3 x SmartSolar 150/70, Smartshunt, Cerbo, 16x280Ah + 16X300Ah + 16x300Ah LiFePO4 + 3xJK BMS.
K levné elektřině se dostaneme jen vytrvalou prací a svým kapitálem. Vladimír List, Elektrisace Československa 1934
K levné elektřině se dostaneme jen vytrvalou prací a svým kapitálem. Vladimír List, Elektrisace Československa 1934
- rottenkiwi
- Příspěvky: 5451
- Registrován: pát úno 13, 2015 2:24 pm
- Reputace: 287
- Lokalita: SO, SK
- Bydliště: SO, SK
Re: Horalova FVE
Nie, ja sa len pytam, co sa stane, lebo robim MPPT a aj rele pri 100 - 150 V DC moze zlyhat
aj idealna dioda moze zlyhat, aj P alebo N-mosfet zlyhava, tak ma zaujima za co urobit
aby som si v noci nevybil baterku do panelov a neuskvaril panely, ktore cez den maju
napatie, tak sa im nic nestane, ale v noci napatie nemaju.
aj idealna dioda moze zlyhat, aj P alebo N-mosfet zlyhava, tak ma zaujima za co urobit
aby som si v noci nevybil baterku do panelov a neuskvaril panely, ktore cez den maju
napatie, tak sa im nic nestane, ale v noci napatie nemaju.
DC-AC inverter REC Lion DC-AC ESP32 DIY inv. 15 GB za sekundu DIY MPPT Holder
Zjedz vsetko, co si kupil, v obchode a netreba ti tasku, auto ci chladnicku.
Zjedz vsetko, co si kupil, v obchode a netreba ti tasku, auto ci chladnicku.
-
pibi
- Příspěvky: 1481
- Registrován: ned led 01, 2023 6:17 pm
- Reputace: 303
- Lokalita: Východně od 3nce
- Systémové napětí: 48V
- Výkon panelů [Wp]: 16kWp
- Kapacita baterie [kWh]: 44kWh
- Chci prodávat energii: NE
- Chci/Mám dotaci: NE
Re: Horalova FVE
Já nevím, teprve se za pochodu učím co a jak mám zapojit a trochu věřím Victronu. Třeba bude proud větší než 60A a vybaví předřazený jistič, nebo vybije menším proudem baterku a BMS ji odpojí.
9,2kWp JV 45°, 4,6kWp JZ 45°, 2,3kWp JV 90°, 2 x Victron MP II 5kVA, 3 x SmartSolar 150/70, Smartshunt, Cerbo, 16x280Ah + 16X300Ah + 16x300Ah LiFePO4 + 3xJK BMS.
K levné elektřině se dostaneme jen vytrvalou prací a svým kapitálem. Vladimír List, Elektrisace Československa 1934
K levné elektřině se dostaneme jen vytrvalou prací a svým kapitálem. Vladimír List, Elektrisace Československa 1934
-
kodl69
- Příspěvky: 8034
- Registrován: sob črc 19, 2014 8:56 pm
- Reputace: 1011
- Lokalita: severně od Brna
- Systémové napětí: 48V
- Výkon panelů [Wp]: 8kWp
- Kapacita baterie [kWh]: 12kWh
- Chci prodávat energii: NE
- Chci/Mám dotaci: NE
Re: Horalova FVE
zase jakási teorie. Baterka má max 60V. na vstupu mppt budou minimálně dva 60čl panely, spíš tři. Ale extrémně jenom dva. tj 120článků. na jeden článek to vychází na 0.5V. Jask všichni víme, prahové napětí Křemíkových diod je 0.6V při normální teplotě, pokud je chladno, tak ještě víc. Takže do panelů žádný proud nepoteče. A věta "všechno zlyhá" není řeč technika, ale agitátora nějaké sekty. Ano, jednou všechno selže, my se v prach obrátíme a ty naše výtvory taky, možná ještě dřív než my 
Takže udělejme rozumný zabezpečení proti zpětnýmu proudu z MPPT v případě poruchy, midnite clesic odpojuje vstup relátkem, proto může mít funkci "hyperVoC" protože to vysoký napětí naprázdno není na žádným polovodičovým prvku. Jiný mppt odpojují vstup mosfetem "naruby", tak co už. Když z toho udělá blesk škvarek, tak jištění určitě baterku odpojí...
Takže udělejme rozumný zabezpečení proti zpětnýmu proudu z MPPT v případě poruchy, midnite clesic odpojuje vstup relátkem, proto může mít funkci "hyperVoC" protože to vysoký napětí naprázdno není na žádným polovodičovým prvku. Jiný mppt odpojují vstup mosfetem "naruby", tak co už. Když z toho udělá blesk škvarek, tak jištění určitě baterku odpojí...
ostrov skoro 8kWp neustále ve stádiu zrodu: smartshunt(ex WBJR), MPPT150/45, MPPT 250/100(ex midnitesolar 150 clasic lite), 16S a různě P cca 340Ah Winston, MP II 5000,( ex Powerjack 8kW, ex samodomo cca 4kW). 48V DC rozvody a spotřebiče.
-
Antrac1t
- Příspěvky: 534
- Registrován: ned čer 26, 2022 3:33 pm
- Reputace: 98
- Lokalita: Znojemsko
- Systémové napětí: 48V
- Výkon panelů [Wp]: 5500
- Kapacita baterie [kWh]: 26
- Chci prodávat energii: NE
- Chci/Mám dotaci: NE
Re: Horalova FVE
zajima what if analyza, tak sem nahod tve reseni, ktere ti umoznilo klidny spanek ...rottenkiwi píše:Nie, ja sa len pytam, co sa stane, lebo robim MPPT a aj rele pri 100 - 150 V DC moze zlyhat
aj idealna dioda moze zlyhat, aj P alebo N-mosfet zlyhava, tak ma zaujima za co urobit
aby som si v noci nevybil baterku do panelov a neuskvaril panely, ktore cez den maju
napatie, tak sa im nic nestane, ale v noci napatie nemaju.
string1 - 5.5kwp 3S4P - 460wp | 3x Multiplus ii 3000VA 1F systém | Lifepo4 230AH 48V + Seplos BMS, Lifepo4 310AH 48V + Seplos BMS
Kdo je online
Uživatelé prohlížející si toto fórum: Claudebot [Bot] a 0 hostů
