Poloostrov - Újezd nad Lesy
Souhrn tématu
V diskusi o montáži profilů na střechu v Újezdu nad Lesy na poloostrově uživatelé sdílejí své zkušenosti s instalací háků a profilů pro solární elektrárnu. Probírá se problém s mezerami mezi profily a jejich správným upevněním, včetně doporučení ohledně použití T šroubů a šestihranů. Fórum nabízí praktické rady, jak zvládnout montáž i na náročnějších střechách a jak řešit běžné komplikace.
-
petr.strejcek
- Příspěvky: 20
- Registrován: pát úno 08, 2019 6:52 pm
- Reputace: 0
- Lokalita: Praha 21
- Systémové napětí: 48V
- Chci prodávat energii: NE
- Chci/Mám dotaci: NE
Poloostrov - Újezd nad Lesy
Ahoj,
konečně po studiu všech dostupných info, hlavně zdejšího fóra a malé ostrovní elektráně na chatě, jsem dospěl do fáze elektrárny i doma. Nyní jsem ve fázi montáže profilů na střechu a narazil jsem na problém. Po namontování háků od zdejšího člena fóra jsem narazil na problém, nebo možná to problém není.
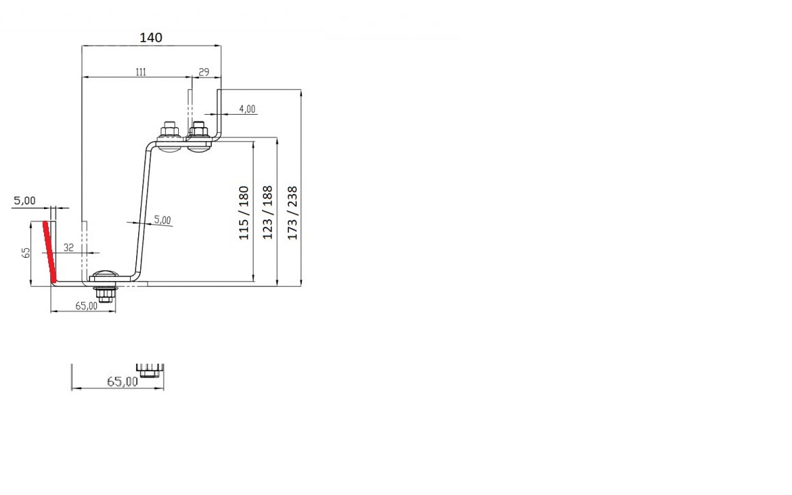
Když jsem namontoval háky a dal jsem na ně profily, tak profily jsou mírně "odehnuté" od střechy. Když položím mezi horní a dolní profil pokusně další, tak na obou vznikne vždy dole cca 3-4 mm mezera, jako na obrázku.
Háky jsou normálně na latích až do krokví.
Možná jsou zatím +/- 1 cm namontovány profily výškově jinak, ale to nemůže mít na to vliv.
Tak se chci zeptat, jestli to bude vadit při montáži panelů, nebo ne. Přijde mi, že správně by měly být rovnoběžně se střechou, a potom by to bylo OK a panely by seděly celou plochou vždy na profilu.
Nebo se nic neděje a při montáži "si to sedne" ???
Díky
Petr
konečně po studiu všech dostupných info, hlavně zdejšího fóra a malé ostrovní elektráně na chatě, jsem dospěl do fáze elektrárny i doma. Nyní jsem ve fázi montáže profilů na střechu a narazil jsem na problém. Po namontování háků od zdejšího člena fóra jsem narazil na problém, nebo možná to problém není.
Když jsem namontoval háky a dal jsem na ně profily, tak profily jsou mírně "odehnuté" od střechy. Když položím mezi horní a dolní profil pokusně další, tak na obou vznikne vždy dole cca 3-4 mm mezera, jako na obrázku.
Háky jsou normálně na latích až do krokví.
Možná jsou zatím +/- 1 cm namontovány profily výškově jinak, ale to nemůže mít na to vliv.
Tak se chci zeptat, jestli to bude vadit při montáži panelů, nebo ne. Přijde mi, že správně by měly být rovnoběžně se střechou, a potom by to bylo OK a panely by seděly celou plochou vždy na profilu.
Nebo se nic neděje a při montáži "si to sedne" ???
Díky
Petr
Poloostrovní fve Praha-Újezd nad Lesy. 2,1kWp západ a 1,7kWp východ.
-
cipis
- Moderátor
- Příspěvky: 6816
- Registrován: pon srp 16, 2021 9:31 pm
- Reputace: 940
- Lokalita: blízko Brna
- Systémové napětí: 24V
- Výkon panelů [Wp]: 13+ kWp
- Kapacita baterie [kWh]: 40+26
- Chci prodávat energii: NE
- Chci/Mám dotaci: NE
- Bydliště: blízko Brna
Re: Poloostrov - Újezd nad Lesy
Čéče, asi jsi neměl deskriptivní geometrii 
Jestli je nemáš stejě daleko od krokve, tak logicky profil kolmo položený nebude rovnoběžný s krokví.
A jestli ti to letí o ty dva centimetry ...
Jestli je nemáš stejě daleko od krokve, tak logicky profil kolmo položený nebude rovnoběžný s krokví.
A jestli ti to letí o ty dva centimetry ...
13,38 kWp: 9850 Wp Jih, 2040 Wp Východ, 1490 Wp Západ
Regulátory Epever a Victron
Phoenix 5 kVA + MP 24/5000 (můj byt + wifi/kamery/atd. + máti byt)
MP2 24/5000 vytěžování do akumulačních kamen
Epever 3kW vytěžování do bojlerů + žebříky
1 kW "nabíječka" 24 V
40+ kWh staré olovo 26+ kWh Li-Ion
několik dalších MP jako záložní zdroje na různých místech
Modře píši jako moderátor, černě jako člen.
Regulátory Epever a Victron
Phoenix 5 kVA + MP 24/5000 (můj byt + wifi/kamery/atd. + máti byt)
MP2 24/5000 vytěžování do akumulačních kamen
Epever 3kW vytěžování do bojlerů + žebříky
1 kW "nabíječka" 24 V
40+ kWh staré olovo 26+ kWh Li-Ion
několik dalších MP jako záložní zdroje na různých místech
Modře píši jako moderátor, černě jako člen.
-
Soban
- Příspěvky: 4570
- Registrován: pon úno 07, 2022 10:11 pm
- Reputace: 305
- Lokalita: Zlaté Hory / Olomouc
- Systémové napětí: 24V
- Výkon panelů [Wp]: 3600
- Kapacita baterie [kWh]: 16
- Chci prodávat energii: NE
- Chci/Mám dotaci: NE
- Bydliště: Zlaté Hory
Re: Poloostrov - Újezd nad Lesy
Pokud vidím na fotce tak se to dá poštelovat.....
Takže spodní blíž k střeše, horní dál od střechy.
Takže spodní blíž k střeše, horní dál od střechy.
3,6kWp
| 2x MUST PV18-3024 VHM, 3kW/24V | 16kWh 
-
petr.strejcek
- Příspěvky: 20
- Registrován: pát úno 08, 2019 6:52 pm
- Reputace: 0
- Lokalita: Praha 21
- Systémové napětí: 48V
- Chci prodávat energii: NE
- Chci/Mám dotaci: NE
Re: Poloostrov - Újezd nad Lesy
Poštelovat zkusim, ale myslím, že to na tu délku, co jsou od sebe oba profily stačit nebude. Ale tak snad se dostanu na nějakou rozumnou mez, aby na to panely šly dát.
Jinak mi to nedalo a ještě jsem večer koukal na háky, který mám další doma a když jsem si přeměřoval rovnoběžnost základny háku a druhýho konce, tak jsem zjsitil, že je mírně vychýlenej ven, i když byly všehny šrouby plně dotažený. Takže jestli taky nebude náhodou problém v tomhle watsone.
Pak už jenom dyžtak přihnout ty koncový L-ka, abych se dostal do roviny, ale to bude celkem vopruz na tý tlouštce materiálu.
Jinak mi to nedalo a ještě jsem večer koukal na háky, který mám další doma a když jsem si přeměřoval rovnoběžnost základny háku a druhýho konce, tak jsem zjsitil, že je mírně vychýlenej ven, i když byly všehny šrouby plně dotažený. Takže jestli taky nebude náhodou problém v tomhle watsone.
Pak už jenom dyžtak přihnout ty koncový L-ka, abych se dostal do roviny, ale to bude celkem vopruz na tý tlouštce materiálu.
Naposledy upravil(a) petr.strejcek dne pon lis 14, 2022 8:42 am, celkem upraveno 1 x.
Poloostrovní fve Praha-Újezd nad Lesy. 2,1kWp západ a 1,7kWp východ.
-
Soban
- Příspěvky: 4570
- Registrován: pon úno 07, 2022 10:11 pm
- Reputace: 305
- Lokalita: Zlaté Hory / Olomouc
- Systémové napětí: 24V
- Výkon panelů [Wp]: 3600
- Kapacita baterie [kWh]: 16
- Chci prodávat energii: NE
- Chci/Mám dotaci: NE
- Bydliště: Zlaté Hory
Re: Poloostrov - Újezd nad Lesy
Tak jasně pokud je to nedoohnuté, tak odšroubovat a přihnou ty spodní L.
Je jasné že tu lištu nemůžeš mít dole na krytině a nahoře 20 cm od krytiny.
Měly by být stejně daleko.
Je jasné že tu lištu nemůžeš mít dole na krytině a nahoře 20 cm od krytiny.
Měly by být stejně daleko.
3,6kWp
| 2x MUST PV18-3024 VHM, 3kW/24V | 16kWh 
-
cipis
- Moderátor
- Příspěvky: 6816
- Registrován: pon srp 16, 2021 9:31 pm
- Reputace: 940
- Lokalita: blízko Brna
- Systémové napětí: 24V
- Výkon panelů [Wp]: 13+ kWp
- Kapacita baterie [kWh]: 40+26
- Chci prodávat energii: NE
- Chci/Mám dotaci: NE
- Bydliště: blízko Brna
Re: Poloostrov - Újezd nad Lesy
Koncová Lka neohýbej, ohni ten nejdelší kus, budeš mít větší páku. Svěrák a kladivo a vhodně umístěná rána a srovnáno.
13,38 kWp: 9850 Wp Jih, 2040 Wp Východ, 1490 Wp Západ
Regulátory Epever a Victron
Phoenix 5 kVA + MP 24/5000 (můj byt + wifi/kamery/atd. + máti byt)
MP2 24/5000 vytěžování do akumulačních kamen
Epever 3kW vytěžování do bojlerů + žebříky
1 kW "nabíječka" 24 V
40+ kWh staré olovo 26+ kWh Li-Ion
několik dalších MP jako záložní zdroje na různých místech
Modře píši jako moderátor, černě jako člen.
Regulátory Epever a Victron
Phoenix 5 kVA + MP 24/5000 (můj byt + wifi/kamery/atd. + máti byt)
MP2 24/5000 vytěžování do akumulačních kamen
Epever 3kW vytěžování do bojlerů + žebříky
1 kW "nabíječka" 24 V
40+ kWh staré olovo 26+ kWh Li-Ion
několik dalších MP jako záložní zdroje na různých místech
Modře píši jako moderátor, černě jako člen.
-
petr.strejcek
- Příspěvky: 20
- Registrován: pát úno 08, 2019 6:52 pm
- Reputace: 0
- Lokalita: Praha 21
- Systémové napětí: 48V
- Chci prodávat energii: NE
- Chci/Mám dotaci: NE
Re: Poloostrov - Újezd nad Lesy
No jo, když sundat zase celej 6 m profil, potom tašky, atd.....na 45o střeše se mi moc nechce.
Takhle asi koncový Lka budou jednodušší. Vezmu ty co mám doma, naohýbám, vylezu na střechu a jen povyměňuju. To je moje představa.
Takhle asi koncový Lka budou jednodušší. Vezmu ty co mám doma, naohýbám, vylezu na střechu a jen povyměňuju. To je moje představa.
Poloostrovní fve Praha-Újezd nad Lesy. 2,1kWp západ a 1,7kWp východ.
-
Soban
- Příspěvky: 4570
- Registrován: pon úno 07, 2022 10:11 pm
- Reputace: 305
- Lokalita: Zlaté Hory / Olomouc
- Systémové napětí: 24V
- Výkon panelů [Wp]: 3600
- Kapacita baterie [kWh]: 16
- Chci prodávat energii: NE
- Chci/Mám dotaci: NE
- Bydliště: Zlaté Hory
Re: Poloostrov - Újezd nad Lesy
Jenže jsou zeslabené oproti tomu hlavnímu Z tak aby to neprasklo a pod....
Já s tím nemám zkušenosti, háky jsem nepoužíval.
Já s tím nemám zkušenosti, háky jsem nepoužíval.
3,6kWp
| 2x MUST PV18-3024 VHM, 3kW/24V | 16kWh 
-
cipis
- Moderátor
- Příspěvky: 6816
- Registrován: pon srp 16, 2021 9:31 pm
- Reputace: 940
- Lokalita: blízko Brna
- Systémové napětí: 24V
- Výkon panelů [Wp]: 13+ kWp
- Kapacita baterie [kWh]: 40+26
- Chci prodávat energii: NE
- Chci/Mám dotaci: NE
- Bydliště: blízko Brna
Re: Poloostrov - Újezd nad Lesy
Tak větší kladivo. Já myslel ty, co ještě nemáš namontované.
Podle mne se ti to skoro srovná, až srovnáš výšku těch profilů. Resp. horní řadu dej na max. a uvidíš, kam tě to pustí na spodní. Jak máš daleko ty profily od sebe? To by mělo jít spočítat
To nepraskne, je to jen kus železa, ohnutý na ohýbačce.
Podle mne se ti to skoro srovná, až srovnáš výšku těch profilů. Resp. horní řadu dej na max. a uvidíš, kam tě to pustí na spodní. Jak máš daleko ty profily od sebe? To by mělo jít spočítat
To nepraskne, je to jen kus železa, ohnutý na ohýbačce.
13,38 kWp: 9850 Wp Jih, 2040 Wp Východ, 1490 Wp Západ
Regulátory Epever a Victron
Phoenix 5 kVA + MP 24/5000 (můj byt + wifi/kamery/atd. + máti byt)
MP2 24/5000 vytěžování do akumulačních kamen
Epever 3kW vytěžování do bojlerů + žebříky
1 kW "nabíječka" 24 V
40+ kWh staré olovo 26+ kWh Li-Ion
několik dalších MP jako záložní zdroje na různých místech
Modře píši jako moderátor, černě jako člen.
Regulátory Epever a Victron
Phoenix 5 kVA + MP 24/5000 (můj byt + wifi/kamery/atd. + máti byt)
MP2 24/5000 vytěžování do akumulačních kamen
Epever 3kW vytěžování do bojlerů + žebříky
1 kW "nabíječka" 24 V
40+ kWh staré olovo 26+ kWh Li-Ion
několik dalších MP jako záložní zdroje na různých místech
Modře píši jako moderátor, černě jako člen.
-
petr.strejcek
- Příspěvky: 20
- Registrován: pát úno 08, 2019 6:52 pm
- Reputace: 0
- Lokalita: Praha 21
- Systémové napětí: 48V
- Chci prodávat energii: NE
- Chci/Mám dotaci: NE
Re: Poloostrov - Újezd nad Lesy
Zeslabený to jo, to ale nepraskne. jedná se o přihnutí v řádech milimetrů.......Soban píše:Jenže jsou zeslabené oproti tomu hlavnímu Z tak aby to neprasklo a pod.....
Poloostrovní fve Praha-Újezd nad Lesy. 2,1kWp západ a 1,7kWp východ.
-
Soban
- Příspěvky: 4570
- Registrován: pon úno 07, 2022 10:11 pm
- Reputace: 305
- Lokalita: Zlaté Hory / Olomouc
- Systémové napětí: 24V
- Výkon panelů [Wp]: 3600
- Kapacita baterie [kWh]: 16
- Chci prodávat energii: NE
- Chci/Mám dotaci: NE
- Bydliště: Zlaté Hory
Re: Poloostrov - Újezd nad Lesy
Jak říkám nemám potuchy co je to za materiál, já háky nepoužívám, na skleníku šroub rovnou do panelu přes konstrukci, na stěně zase na hmoždinku a držáček, a na trávě to mám na trojúhelníku.cipis píše:To nepraskne, je to jen kus železa, ohnutý na ohýbačce.
3,6kWp
| 2x MUST PV18-3024 VHM, 3kW/24V | 16kWh 
-
petr.strejcek
- Příspěvky: 20
- Registrován: pát úno 08, 2019 6:52 pm
- Reputace: 0
- Lokalita: Praha 21
- Systémové napětí: 48V
- Chci prodávat energii: NE
- Chci/Mám dotaci: NE
Re: Poloostrov - Újezd nad Lesy
No právě když jsem si to počítal, tak to vychází kolem 6-7 cm rozdíl horní/dolní, což je už moc. To nesrovnám. Navíc nad to v dohledný době půjdou další, tak aby to taky pak vypadalo nějak. O prasknutí se nebojim, přeci jenom je to kus nerezu a neohýbám z 0 na 100.cipis píše:Tak větší kladivo. Já myslel ty, co ještě nemáš namontované.
Podle mne se ti to skoro srovná, až srovnáš výšku těch profilů. Resp. horní řadu dej na max. a uvidíš, kam tě to pustí na spodní. Jak máš daleko ty profily od sebe? To by mělo jít spočítat.
Jen mně spíš prdí, že to vůbec musim řešit. A taková je to blbost
Poloostrovní fve Praha-Újezd nad Lesy. 2,1kWp západ a 1,7kWp východ.
-
Soban
- Příspěvky: 4570
- Registrován: pon úno 07, 2022 10:11 pm
- Reputace: 305
- Lokalita: Zlaté Hory / Olomouc
- Systémové napětí: 24V
- Výkon panelů [Wp]: 3600
- Kapacita baterie [kWh]: 16
- Chci prodávat energii: NE
- Chci/Mám dotaci: NE
- Bydliště: Zlaté Hory
Re: Poloostrov - Újezd nad Lesy
Jasně... jak jsem montoval bojler tak mi tekl spoj a samozřejmě to nešlo dotáhnout na místě takže odšroubovat 2m trubek a odnést do garáže a předělat..... práce na 30 minut, ale naštve....
3,6kWp
| 2x MUST PV18-3024 VHM, 3kW/24V | 16kWh 
-
petr.strejcek
- Příspěvky: 20
- Registrován: pát úno 08, 2019 6:52 pm
- Reputace: 0
- Lokalita: Praha 21
- Systémové napětí: 48V
- Chci prodávat energii: NE
- Chci/Mám dotaci: NE
Re: Poloostrov - Újezd nad Lesy
Jojo, přesně tak, takovejhle prací už mám doma za sebou taky spoustu. Plány jsou jedna věc a ejhle, tadááá a je všechno jinak.
Poloostrovní fve Praha-Újezd nad Lesy. 2,1kWp západ a 1,7kWp východ.
-
cipis
- Moderátor
- Příspěvky: 6816
- Registrován: pon srp 16, 2021 9:31 pm
- Reputace: 940
- Lokalita: blízko Brna
- Systémové napětí: 24V
- Výkon panelů [Wp]: 13+ kWp
- Kapacita baterie [kWh]: 40+26
- Chci prodávat energii: NE
- Chci/Mám dotaci: NE
- Bydliště: blízko Brna
Re: Poloostrov - Újezd nad Lesy
To známe asi všichni, práce na pět minut a celý den v prdeli 
Tak asi zpětná vazba výrobci, že to fláká s ohýbáním ...
Tak asi zpětná vazba výrobci, že to fláká s ohýbáním ...
13,38 kWp: 9850 Wp Jih, 2040 Wp Východ, 1490 Wp Západ
Regulátory Epever a Victron
Phoenix 5 kVA + MP 24/5000 (můj byt + wifi/kamery/atd. + máti byt)
MP2 24/5000 vytěžování do akumulačních kamen
Epever 3kW vytěžování do bojlerů + žebříky
1 kW "nabíječka" 24 V
40+ kWh staré olovo 26+ kWh Li-Ion
několik dalších MP jako záložní zdroje na různých místech
Modře píši jako moderátor, černě jako člen.
Regulátory Epever a Victron
Phoenix 5 kVA + MP 24/5000 (můj byt + wifi/kamery/atd. + máti byt)
MP2 24/5000 vytěžování do akumulačních kamen
Epever 3kW vytěžování do bojlerů + žebříky
1 kW "nabíječka" 24 V
40+ kWh staré olovo 26+ kWh Li-Ion
několik dalších MP jako záložní zdroje na různých místech
Modře píši jako moderátor, černě jako člen.
-
kodl69
- Příspěvky: 8263
- Registrován: sob črc 19, 2014 8:56 pm
- Reputace: 1043
- Lokalita: severně od Brna
- Systémové napětí: 48V
- Výkon panelů [Wp]: 8kWp
- Kapacita baterie [kWh]: 12kWh
- Chci prodávat energii: NE
- Chci/Mám dotaci: NE
Re: Poloostrov - Újezd nad Lesy
Kladivem raděj ne, to by rozbil tašky. Velký sikovky nebo si udělat z kusu trubky přípravek, jako se používá na rovnání zemnícího drátu:
https://www.elektro-trutnov.cz/tremis-r ... 555-p5679/
https://www.elektro-trutnov.cz/tremis-r ... 555-p5679/
ostrov skoro 8kWp neustále ve stádiu zrodu: smartshunt(ex WBJR), MPPT150/45, MPPT 250/100(ex midnitesolar 150 clasic lite), 16S a různě P cca 340Ah Winston, MP II 5000,( ex Powerjack 8kW, ex samodomo cca 4kW). 48V DC rozvody a spotřebiče.
-
cipis
- Moderátor
- Příspěvky: 6816
- Registrován: pon srp 16, 2021 9:31 pm
- Reputace: 940
- Lokalita: blízko Brna
- Systémové napětí: 24V
- Výkon panelů [Wp]: 13+ kWp
- Kapacita baterie [kWh]: 40+26
- Chci prodávat energii: NE
- Chci/Mám dotaci: NE
- Bydliště: blízko Brna
Re: Poloostrov - Újezd nad Lesy
Na střeše kladivem určitě ne 
Tím ohýbáním na místě otestuje pevnost přišroubování.
Plán má, jak jsem pochopil, naohýbat si zbylá Lka dole a pak to vyměnit na střeše.
Tím ohýbáním na místě otestuje pevnost přišroubování.
Plán má, jak jsem pochopil, naohýbat si zbylá Lka dole a pak to vyměnit na střeše.
13,38 kWp: 9850 Wp Jih, 2040 Wp Východ, 1490 Wp Západ
Regulátory Epever a Victron
Phoenix 5 kVA + MP 24/5000 (můj byt + wifi/kamery/atd. + máti byt)
MP2 24/5000 vytěžování do akumulačních kamen
Epever 3kW vytěžování do bojlerů + žebříky
1 kW "nabíječka" 24 V
40+ kWh staré olovo 26+ kWh Li-Ion
několik dalších MP jako záložní zdroje na různých místech
Modře píši jako moderátor, černě jako člen.
Regulátory Epever a Victron
Phoenix 5 kVA + MP 24/5000 (můj byt + wifi/kamery/atd. + máti byt)
MP2 24/5000 vytěžování do akumulačních kamen
Epever 3kW vytěžování do bojlerů + žebříky
1 kW "nabíječka" 24 V
40+ kWh staré olovo 26+ kWh Li-Ion
několik dalších MP jako záložní zdroje na různých místech
Modře píši jako moderátor, černě jako člen.
-
petr.strejcek
- Příspěvky: 20
- Registrován: pát úno 08, 2019 6:52 pm
- Reputace: 0
- Lokalita: Praha 21
- Systémové napětí: 48V
- Chci prodávat energii: NE
- Chci/Mám dotaci: NE
Re: Poloostrov - Újezd nad Lesy
tak pánové, díky všem za rady. Po příchodu domů byl pachatel odhalen a náležitě potrestán.
Nedalo mi to a chtěl jsem zjistit, kde je problém a výsledek je, že v první dodávce háků byly všechny Z-ka špatně naohýbaný. Vzal jsem z druhý várky a vida
naohýbaný trochu jinak. Tak jsem jich nakonec na střeše pár přehodil ještě než se setmělo a tadá, hned to bylo jiný kafe. Takže asi vyřešeno. Jen musim dát výrobci "zpětnou vazbu". Takže ještě jednou díky pánové. Ještě mně ale čeká přehodit dalších 20 háků.
Poloostrovní fve Praha-Újezd nad Lesy. 2,1kWp západ a 1,7kWp východ.
-
cipis
- Moderátor
- Příspěvky: 6816
- Registrován: pon srp 16, 2021 9:31 pm
- Reputace: 940
- Lokalita: blízko Brna
- Systémové napětí: 24V
- Výkon panelů [Wp]: 13+ kWp
- Kapacita baterie [kWh]: 40+26
- Chci prodávat energii: NE
- Chci/Mám dotaci: NE
- Bydliště: blízko Brna
Re: Poloostrov - Újezd nad Lesy
Si to měl přijet za trest vyměnit ...
13,38 kWp: 9850 Wp Jih, 2040 Wp Východ, 1490 Wp Západ
Regulátory Epever a Victron
Phoenix 5 kVA + MP 24/5000 (můj byt + wifi/kamery/atd. + máti byt)
MP2 24/5000 vytěžování do akumulačních kamen
Epever 3kW vytěžování do bojlerů + žebříky
1 kW "nabíječka" 24 V
40+ kWh staré olovo 26+ kWh Li-Ion
několik dalších MP jako záložní zdroje na různých místech
Modře píši jako moderátor, černě jako člen.
Regulátory Epever a Victron
Phoenix 5 kVA + MP 24/5000 (můj byt + wifi/kamery/atd. + máti byt)
MP2 24/5000 vytěžování do akumulačních kamen
Epever 3kW vytěžování do bojlerů + žebříky
1 kW "nabíječka" 24 V
40+ kWh staré olovo 26+ kWh Li-Ion
několik dalších MP jako záložní zdroje na různých místech
Modře píši jako moderátor, černě jako člen.
-
petr.strejcek
- Příspěvky: 20
- Registrován: pát úno 08, 2019 6:52 pm
- Reputace: 0
- Lokalita: Praha 21
- Systémové napětí: 48V
- Chci prodávat energii: NE
- Chci/Mám dotaci: NE
Re: Poloostrov - Újezd nad Lesy
no nějak mně už odpol nakonec na střeše bolely záda. Rychle na střechu, jen vysunout pár tašek, bez lana v 6m. To by měl bezpečák u nás v práci ze mně radostcipis píše:Si to měl přijet za trest vyměnit ...
Ale dobrý, je to snad vyřešený. Teď jen pokračovat dál.
Poloostrovní fve Praha-Újezd nad Lesy. 2,1kWp západ a 1,7kWp východ.
Kdo je online
Uživatelé prohlížející si toto fórum: Claudebot [Bot], Google [Bot], Seznam [Bot] a 1 host
