Ostrovní systém jako záloha popř. úspora
-
- Příspěvky: 40
- Registrován: stř bře 16, 2011 9:10 pm
- Reputace: 0
- Bydliště: u lesa - kousek od Turnova
Re: Ostrovní systém jako záloha popř. úspora
Ceny jsem uvedl kvůli přehlednosti, ale naštěstí jsem to všechno nekupoval
. Některé věci jsem měl doma, něco jsem dostal , a některé tak nějak zbyly navíc(Právě předěláváme ve fabrice rozvaděče a sposta i nových věcí se zbytečně vyhodí.). 


-
- Příspěvky: 2677
- Registrován: úte úno 04, 2014 9:06 am
- Reputace: 266
- Bydliště: Neďaleko Košic (SR)
Re: Ostrovní systém jako záloha popř. úspora


Najprv sa učíme chodiť a hovoriť, neskôr sa učíme sedieť a držať hubu... :stupidme:
Hybridná FVE dom: 6,3kWp, Victron Energy, 12kWh Pylontech+GB-Aku
On-Grid FVE dom: 3,6kWp, FRONIUS AC Coupling+VB
OFF-Grid FVE chata: 1,5kWp, Axpert, PCM, 200Ah/24V 18650
Hybridná FVE dom: 6,3kWp, Victron Energy, 12kWh Pylontech+GB-Aku
On-Grid FVE dom: 3,6kWp, FRONIUS AC Coupling+VB
OFF-Grid FVE chata: 1,5kWp, Axpert, PCM, 200Ah/24V 18650
-
- Příspěvky: 8014
- Registrován: sob črc 19, 2014 8:56 pm
- Reputace: 1008
- Lokalita: severně od Brna
- Systémové napětí: 48V
- Výkon panelů [Wp]: 8kWp
- Kapacita baterie [kWh]: 12kWh
- Chci prodávat energii: NE
- Chci/Mám dotaci: NE
Re: Ostrovní systém jako záloha popř. úspora
Powerjack jsem připevnil za ty nicotný samořezky přes malý kousky úhelníku k jeklu 20x20 nahoře i dole, tohle celý potom na zeď. Do měniče se dostanu, akorá ten displej mám "nakřivo" ale to mě moc nemrzí, elektroměr je to optimistickej jak tachometr ve vozech vW - Škoda
Jinak 8kW měnič sem zatím neprubl víc jak na 4kW, mám jenom 100A pojistku u baterek tenký dráty.

ostrov skoro 8kWp neustále ve stádiu zrodu: smartshunt(ex WBJR), MPPT150/45, MPPT 250/100(ex midnitesolar 150 clasic lite), 16S a různě P cca 340Ah Winston, MP II 5000,( ex Powerjack 8kW, ex samodomo cca 4kW). 48V DC rozvody a spotřebiče.
-
- Příspěvky: 40
- Registrován: stř bře 16, 2011 9:10 pm
- Reputace: 0
- Bydliště: u lesa - kousek od Turnova
Re: Ostrovní systém jako záloha popř. úspora
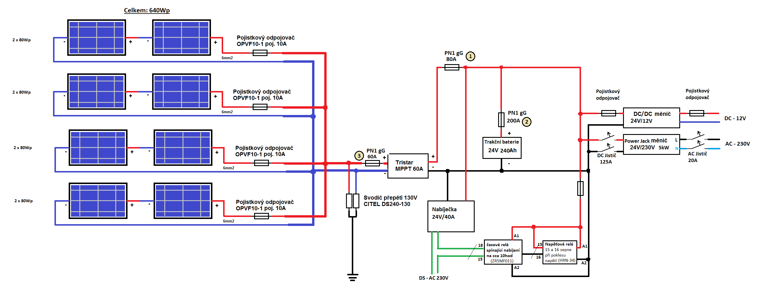
Tak jsem se zase po několika letech dostal k tomu, abych trochu posunul tenhle můj nápad s ostrovem.
Asi nebudu zbytečně trápit klávesnici vypisováním proč mi to tak dlouho trvalo se sem zase vrátit. Každopádně už jsem nashromáždil téměř vše potřebné, takže i když slunečná sezóna končí, já jdu slunci vstříc.
Před časem jsem dost levně nakoupil hromadu panelů na pokusy ze šroťáku, dnes mi přišel regulátor dobíjení (Tristar) a taky jsem nakresli schema zapojení, jak bych to chtěl zrealizovat. Teda přiznávám, že jsem si to dost usnadnil tím, že jsem našel kus schematu tady někde na fóru a přizpůsobil jsem tam a domaloval vše potřebné. Taky jsem to hodně upravoval po konzultacích s kolegou "Dracekvo".
Zkrátka tady je obrázek a ještě mi to zkuste, prosím skouknout, než se pustím do realizace. 1,2,3 jsou tři bloky pojistkového odpojovače na nožové pojistky. Smysl je ten, že jedním tahem odpojím regulátor z obou stran a ještě odpojím i baterii. Některé komponenty by šly použít i jiné, třeba vhodnější, ale snažil jsem se co nejvíc využít toho, co jsem kde za něco vyšmelil bezhotovostně.
Asi nebudu zbytečně trápit klávesnici vypisováním proč mi to tak dlouho trvalo se sem zase vrátit. Každopádně už jsem nashromáždil téměř vše potřebné, takže i když slunečná sezóna končí, já jdu slunci vstříc.
Před časem jsem dost levně nakoupil hromadu panelů na pokusy ze šroťáku, dnes mi přišel regulátor dobíjení (Tristar) a taky jsem nakresli schema zapojení, jak bych to chtěl zrealizovat. Teda přiznávám, že jsem si to dost usnadnil tím, že jsem našel kus schematu tady někde na fóru a přizpůsobil jsem tam a domaloval vše potřebné. Taky jsem to hodně upravoval po konzultacích s kolegou "Dracekvo".
Zkrátka tady je obrázek a ještě mi to zkuste, prosím skouknout, než se pustím do realizace. 1,2,3 jsou tři bloky pojistkového odpojovače na nožové pojistky. Smysl je ten, že jedním tahem odpojím regulátor z obou stran a ještě odpojím i baterii. Některé komponenty by šly použít i jiné, třeba vhodnější, ale snažil jsem se co nejvíc využít toho, co jsem kde za něco vyšmelil bezhotovostně.

- vlkazajac
- R.I.P.
- Příspěvky: 3479
- Registrován: úte čer 11, 2013 10:40 pm
- Reputace: 528
Re: Ostrovní systém jako záloha popř. úspora
DC istič 125 A na 5 kW PJ je tuze málo !
Rovnako 20 A na AC výstupe z PJ.
Poistka 200 A na batérii je tiež málo, hrozí zničenie regulátora.
K tomu PJ je slabá batéria.
Jedným ťahom odpájať regulátor = zničiť regulátor.
Ovládať nabíjačku časovým relé nastaveným na 10 hodín môže znamenať, že nabíjanie zo siete začne napr. v lete o 5:00 ráno, o 7:00 už pere slnko.... Olovo by to vydržalo, ráno nie sú extrémne spotrebiče v činnosti.
Rovnako 20 A na AC výstupe z PJ.
Poistka 200 A na batérii je tiež málo, hrozí zničenie regulátora.
K tomu PJ je slabá batéria.
Jedným ťahom odpájať regulátor = zničiť regulátor.
Ovládať nabíjačku časovým relé nastaveným na 10 hodín môže znamenať, že nabíjanie zo siete začne napr. v lete o 5:00 ráno, o 7:00 už pere slnko.... Olovo by to vydržalo, ráno nie sú extrémne spotrebiče v činnosti.
750 Wp, LS3024B, 18650 - 198P8S 30,4 V, Multiplus C 800 nonstop / všetky slabé spotrebiče
1950 Wp, 2 x LS3024B, VS2024N, olovo - 330 Ah / 24 V, Carspa 3000 sin deň / silné spotrebiče a ohrev TUV
5995 kWh za meničmi za posledné 2 roky.
1950 Wp, 2 x LS3024B, VS2024N, olovo - 330 Ah / 24 V, Carspa 3000 sin deň / silné spotrebiče a ohrev TUV
5995 kWh za meničmi za posledné 2 roky.
-
- Příspěvky: 40
- Registrován: stř bře 16, 2011 9:10 pm
- Reputace: 0
- Bydliště: u lesa - kousek od Turnova
Re: Ostrovní systém jako záloha popř. úspora
Můžeš mi nějak víc popsat, proč by to odpojení regulátoru mělo odpálit regulátor, a jakou pojistku bych měl dát na baterii?
Jištění na měniči jsem volil slabší, protože 5kW je jen na štítku, ale ve skutečnosti to asi nedá a stejně bych ho na plnej výkon raději netrápil. Když by mi jištění na měniči padalo, tak to vyměním za silnější.Když spadne jistič, není to tragédie. Druhej důvod byl, že ten jistič mám v šuplíku a snažím se co nejvic využít toho, co už mám.
S tou nabíječkou to ještě rozmyslím, počítal jsem, že by tak byla hlavně přes zimní období. Časovej interval dobíjení se dá snadno upravit. Možná bych to ještě omezil jen na noční proud.
Jištění na měniči jsem volil slabší, protože 5kW je jen na štítku, ale ve skutečnosti to asi nedá a stejně bych ho na plnej výkon raději netrápil. Když by mi jištění na měniči padalo, tak to vyměním za silnější.Když spadne jistič, není to tragédie. Druhej důvod byl, že ten jistič mám v šuplíku a snažím se co nejvic využít toho, co už mám.
S tou nabíječkou to ještě rozmyslím, počítal jsem, že by tak byla hlavně přes zimní období. Časovej interval dobíjení se dá snadno upravit. Možná bych to ještě omezil jen na noční proud.
-
- Příspěvky: 8014
- Registrován: sob črc 19, 2014 8:56 pm
- Reputace: 1008
- Lokalita: severně od Brna
- Systémové napětí: 48V
- Výkon panelů [Wp]: 8kWp
- Kapacita baterie [kWh]: 12kWh
- Chci prodávat energii: NE
- Chci/Mám dotaci: NE
Re: Ostrovní systém jako záloha popř. úspora
jednoduše, protože v regulátoru je tlumivka, jejíž energie po odpojení nezpůsobí proud do batrie ale zvýšení napětí na výtupu tak, že se zničí aktivní prvky v regulátoru. Ale to se tady řeší taky pořád dokola.
ostrov skoro 8kWp neustále ve stádiu zrodu: smartshunt(ex WBJR), MPPT150/45, MPPT 250/100(ex midnitesolar 150 clasic lite), 16S a různě P cca 340Ah Winston, MP II 5000,( ex Powerjack 8kW, ex samodomo cca 4kW). 48V DC rozvody a spotřebiče.
-
- Příspěvky: 40
- Registrován: stř bře 16, 2011 9:10 pm
- Reputace: 0
- Bydliště: u lesa - kousek od Turnova
Re: Ostrovní systém jako záloha popř. úspora
Pochopil jsem, že je potřeba vždy nejdříve odpojit panely a pak teprve regulátor od baterie, ale měl jsem za to, že společné odpojení v jeden okamžik by mělo být OK. Má smysl před tu pojistku od panelů (60A) předřadit ještě DC jistič, který by sloužil pro vypínání? To hromadné odpojení by bylo jen jako jakási sekundární ochrana, kdybych zapoměl první shodit panely.
Můžete mi vysvětlit toto?: Pokud v sobě nemá regulátor žádnou ochranu a ta zbylá energie na tlumivce v regulátoru by ho při současném odpojení odpálila, tak by to znamenalo, že regulátor shoří i pokud odbaví pojistka na baterce, nebo kdykoliv když dojde k nějaké poruše na baterii.??
Pokud nemá smysl dvojit to jištění před regulátorem, tak bych od panelů dal jen DC jistič(63A) a ten volnej blok trojitého odpojovače bych použil pro Power Jacka s nožovkou 160A.
Můžete mi vysvětlit toto?: Pokud v sobě nemá regulátor žádnou ochranu a ta zbylá energie na tlumivce v regulátoru by ho při současném odpojení odpálila, tak by to znamenalo, že regulátor shoří i pokud odbaví pojistka na baterce, nebo kdykoliv když dojde k nějaké poruše na baterii.??
Pokud nemá smysl dvojit to jištění před regulátorem, tak bych od panelů dal jen DC jistič(63A) a ten volnej blok trojitého odpojovače bych použil pro Power Jacka s nožovkou 160A.
-
- Příspěvky: 1233
- Registrován: čtv bře 12, 2015 10:18 pm
- Reputace: 130
- Lokalita: Praha 6
- Kapacita baterie [kWh]: cca.10
- Chci prodávat energii: NE
- Chci/Mám dotaci: NE
- Bydliště: Praha 6
Re: Ostrovní systém jako záloha popř. úspora
Vlkzajac: velikost pojistek mě docela zajímá, mám podobné jako kolega a po ročním provozu několika výpadcích PJ na přetížení pojistky vydržely, mimo 20A trubičková, která byla přímo na výstupu PJ (jeho součástí). Nahradil jsem Cu drátem a přidal jistič 20A. Jističe vybavuji při poněkud větší zátěži, takže ta dvacítka nikdy nespadla a navíc PJ 5KW ten výkon stejně nedá, možná nějaká špička, ale jinak těsně kolem 4 KW už na něm bliká kdejaká dioda, trvale je schopen do tří KW, asi v závislosti na napětí baterie, opravdu trvale, v řádech řekněme desítek minut a více tak 2,5 KW. Z tohohle hlediska mi jistič AC přijde zcela vyhovující, lehce nad maximem co je měnič schopen dát. Mezi baterkou a jističem pojistky nemám, jsou připraveny k montáži, ale budou taky někde kolem dvouset ampér, což se domnívám by mělo stačit. Pokud se o tom více rozepíšeš budu celkem rád.
Nemám rád tenhle stát.
- vata
- Příspěvky: 1406
- Registrován: pon zář 12, 2011 11:32 am
- Reputace: 93
Re: Ostrovní systém jako záloha popř. úspora
Jak psal kodl, už se to tu párkrát řešilo, poté, co kdosi regulátor skutečně tímto způsobem odpálil.
Pokud zabere pojistka na baterii, pak to neznamená nic jiného než velký problém a vážnou situaci, při které to má regulátor možná stejně za sebou.
Já například jistím na baterce měnič a regulátor zvlášť abych mohla odpojit měnič zvlášť, a na rozvaděči mám u příslušného odpojovače regulátoru velké červené nápisy
Ale jistě to jde řešit i nějak automaticky, tuším abrahms kdesi kdysi psal o svém řešení přes vyrážecí cívky.
Podle mého pro začátek stačí prostě zajistit přístup do rozvaděče jen poučené obsluze a zbytečně si s tím nehrát
Pokud zabere pojistka na baterii, pak to neznamená nic jiného než velký problém a vážnou situaci, při které to má regulátor možná stejně za sebou.
Já například jistím na baterce měnič a regulátor zvlášť abych mohla odpojit měnič zvlášť, a na rozvaděči mám u příslušného odpojovače regulátoru velké červené nápisy

Podle mého pro začátek stačí prostě zajistit přístup do rozvaděče jen poučené obsluze a zbytečně si s tím nehrát

Inteligentní ostrov - www.vati.cz
- abrams
- Příspěvky: 2774
- Registrován: ned črc 17, 2011 12:19 pm
- Reputace: 427
- Lokalita: Brno
- Bydliště: Brno
Re: Ostrovní systém jako záloha popř. úspora
Zdravím ,
jištění reglu k aku je z důvodu zamezení šíření prů*eru v reglu a nebo za bezpečných okolností k odpojení reglu kvůli servisu . Jak psali rychlejší , odpojení běžícího reglu od aku bývá smrtelné
. Odpojení
za chodu je celkem v poho .
Určitě by tyto jištění neměly býti spřažená ale oddělená .
Vyrážecí cívky používám k odpojení
od reglu při poruchovém stavu přebití
dle monitoringu jednotlivých článků
.
Elektronům zdar
jištění reglu k aku je z důvodu zamezení šíření prů*eru v reglu a nebo za bezpečných okolností k odpojení reglu kvůli servisu . Jak psali rychlejší , odpojení běžícího reglu od aku bývá smrtelné


Určitě by tyto jištění neměly býti spřažená ale oddělená .
Vyrážecí cívky používám k odpojení



Elektronům zdar

3,96kWp monokrystalů + 2x regl PCM60X + 24kWh LiFePO4 + 6kW HF sínus měnič 48MWh+ , celé na 52V systému .
Chibi v textu vyhrazeny
Chibi v textu vyhrazeny

- vlkazajac
- R.I.P.
- Příspěvky: 3479
- Registrován: úte čer 11, 2013 10:40 pm
- Reputace: 528
Re: Ostrovní systém jako záloha popř. úspora
to vla : Bral som to taxatívne, na 8 kW. Ak by boli pripojené dva žravé spotrebiče a zapol by nejaký motor ( nemusela by to byť ani cirkulárka ), krátkodobo by na AC bolo k trvalým 21 A ešte + šupa X A k motoru. Pretože je slabá kapacita batérie aj výkon panelov, pokleslo by napätie na vstupe a vzrástol by tam prúd. Preto musí byť DC strana prúdovo silnejšie dimenzovaná, nesmie vypínať skôr, ako AC. To, že PJ nedá 8 kW trvale, bude asi pravda, ale krátkodobo niečo nad 5 kW určite dá. Záleží od rýchlosti poistiek a ističov, podľa ich charakteristík. Vo všeobecnosti istič vypína skôr ako poistka - nie som expert, aby som to ďalej rozvádzal.
To, že nikto nepripojí dva alebo viac žravých spotrebičov k 8 kW zdroju je dnes isté, zajtra málo pravdepodobné a pozajtra to určite niekto dokáže ! Takže takto nie ......
To, že nikto nepripojí dva alebo viac žravých spotrebičov k 8 kW zdroju je dnes isté, zajtra málo pravdepodobné a pozajtra to určite niekto dokáže ! Takže takto nie ......
750 Wp, LS3024B, 18650 - 198P8S 30,4 V, Multiplus C 800 nonstop / všetky slabé spotrebiče
1950 Wp, 2 x LS3024B, VS2024N, olovo - 330 Ah / 24 V, Carspa 3000 sin deň / silné spotrebiče a ohrev TUV
5995 kWh za meničmi za posledné 2 roky.
1950 Wp, 2 x LS3024B, VS2024N, olovo - 330 Ah / 24 V, Carspa 3000 sin deň / silné spotrebiče a ohrev TUV
5995 kWh za meničmi za posledné 2 roky.
-
- Příspěvky: 1233
- Registrován: čtv bře 12, 2015 10:18 pm
- Reputace: 130
- Lokalita: Praha 6
- Kapacita baterie [kWh]: cca.10
- Chci prodávat energii: NE
- Chci/Mám dotaci: NE
- Bydliště: Praha 6
Re: Ostrovní systém jako záloha popř. úspora
Já vycházel z toho, že kolega píše o 5KW měniči, takže každý jsme vzal jiné vstupní údaje, pro 8 KW máš určitě pravdu. 

Nemám rád tenhle stát.
- vlkazajac
- R.I.P.
- Příspěvky: 3479
- Registrován: úte čer 11, 2013 10:40 pm
- Reputace: 528
Re: Ostrovní systém jako záloha popř. úspora
To som sa preklepol, prepáč, reč je skutočne o 5 kW. Aspoň teda 5000/230*1,3= 28 A. Ale ak sa chce Karlos správať umiernenejšie so spotrebičmi, tak aj AC poistka 20 A môže niečo vydržať. Ale DC treba posilniť každopádne.
750 Wp, LS3024B, 18650 - 198P8S 30,4 V, Multiplus C 800 nonstop / všetky slabé spotrebiče
1950 Wp, 2 x LS3024B, VS2024N, olovo - 330 Ah / 24 V, Carspa 3000 sin deň / silné spotrebiče a ohrev TUV
5995 kWh za meničmi za posledné 2 roky.
1950 Wp, 2 x LS3024B, VS2024N, olovo - 330 Ah / 24 V, Carspa 3000 sin deň / silné spotrebiče a ohrev TUV
5995 kWh za meničmi za posledné 2 roky.
- ota
- Příspěvky: 2297
- Registrován: čtv dub 18, 2013 9:37 am
- Reputace: 514
- Bydliště: na chaloupce u lesa-Příbramsko
Re: Ostrovní systém jako záloha popř. úspora
5kW @ 24V nedá ta baterka ani náhodou.
To je přes 200A!!!
Pokud má vydržet déle než pul roku tak 50A max. a vybíjet 30% kapacity.
To je přes 200A!!!
Pokud má vydržet déle než pul roku tak 50A max. a vybíjet 30% kapacity.
70kWp + 10kW Infinity, 25kWh LiFe
-
- Příspěvky: 40
- Registrován: stř bře 16, 2011 9:10 pm
- Reputace: 0
- Bydliště: u lesa - kousek od Turnova
Re: Ostrovní systém jako záloha popř. úspora
Zkoušel jsem si od stolu počítat, kolik energie potřebuju spotřebovávat.Samozřejmě si s touhle baterií nemůžu moc vyskakovat, takže bych na to prozatím připojil světla a pár drobných spotřebičů a dostal jsem se na nějakých 200W. Ještě to raději přeměřím wattmetrem.
-
- Příspěvky: 40
- Registrován: stř bře 16, 2011 9:10 pm
- Reputace: 0
- Bydliště: u lesa - kousek od Turnova
Re: Ostrovní systém jako záloha popř. úspora
Tak zase po letech jsem se vrátil k myšlence využití FV na mé střeše. Jak jsem tu psal už dříve, tak postupně se k tomu dopracovávám tím, že vždycky nějaký další komponent koupím, nebo od někoho dostanu. Aktuálně už jsem asi nejblíže k realizaci, protože už jsem usadil 6 panelů na střechu a svedl kabely do krabice. Jsou to ty staré panely, které jsem koupil za pár korun ve sběrně. Jsou bez rámů a musel jsem k nim připájet vlastní kabeláž, protože původní byla orvaná. Mám je tedy zrepasované, už na střeše a zapojené ve třech párech, kdy každá dvojice dává dohromady cca 98V/1,9A
Pořídil jsem regulátor na ohřev vody MR4316AC a mám doma už několik let připravenej MPPT regulátor Tristar 60A. Tím, že systém má fungovat víceméně jako podpora a záloha pro domácnost, tak bych to zapojil primárně na ohřev vody a v okamžiku, kdy bude voda natopená, tak by to přepnulo na Tristar, kterej by dobíjel baterii, která s měničem slouží jako záloha pro mrazáky a kotel.
Mám takovej dost začátečnickej dotaz. Při západu slunce mi část panelů zastíní roh střechy(viz foto - dva spodní panely -jeden string). Je lepší nějak řešit jeho odpojení, nebo prostě jen postupně klesne výkon a nemusím nic řešit?
Pořídil jsem regulátor na ohřev vody MR4316AC a mám doma už několik let připravenej MPPT regulátor Tristar 60A. Tím, že systém má fungovat víceméně jako podpora a záloha pro domácnost, tak bych to zapojil primárně na ohřev vody a v okamžiku, kdy bude voda natopená, tak by to přepnulo na Tristar, kterej by dobíjel baterii, která s měničem slouží jako záloha pro mrazáky a kotel.
Mám takovej dost začátečnickej dotaz. Při západu slunce mi část panelů zastíní roh střechy(viz foto - dva spodní panely -jeden string). Je lepší nějak řešit jeho odpojení, nebo prostě jen postupně klesne výkon a nemusím nic řešit?

-
- Příspěvky: 656
- Registrován: ned úno 25, 2018 5:04 pm
- Reputace: 83
- Lokalita: Havlíčkův Brod
- Systémové napětí: 48V
- Výkon panelů [Wp]: 19845
- Kapacita baterie [kWh]: 66
- Chci prodávat energii: NE
- Chci/Mám dotaci: NE
- Bydliště: Havlíčkův Brod
Re: Ostrovní systém jako záloha popř. úspora
Vzhledem k úhlu stínu a tomu odpovídajícímu výkonu panelů bych tento stín neřešil.
S-UPS.
20kWp v panelech rozdělených mezi východ, jih a západ. Do osmi stringů.
Baterie
Staré LiFePo4 o kapacitách 12, 24 kWh
Nové LiFePo4 o kapacitách 14, 14 kWh (od listopadu 2022), 14kWh (srpen 2024), 14kWh (prosinec 2024).
Rezerva Pb vrla 200Ah.
Systémové napětí 48V
Hlavní měnič Victron 5000VA.
Pomocné měniče 2x REVO VM 5000
Regulátory PCM60X
Systém je modulární s možností dalšího rozšíření (kdyby bylo kam) řešený tak, aby při výpadku kteréhokoliv jednoho modulu mohly ostatní fungovat dál bez omezení.
20kWp v panelech rozdělených mezi východ, jih a západ. Do osmi stringů.
Baterie
Staré LiFePo4 o kapacitách 12, 24 kWh
Nové LiFePo4 o kapacitách 14, 14 kWh (od listopadu 2022), 14kWh (srpen 2024), 14kWh (prosinec 2024).
Rezerva Pb vrla 200Ah.
Systémové napětí 48V
Hlavní měnič Victron 5000VA.
Pomocné měniče 2x REVO VM 5000
Regulátory PCM60X
Systém je modulární s možností dalšího rozšíření (kdyby bylo kam) řešený tak, aby při výpadku kteréhokoliv jednoho modulu mohly ostatní fungovat dál bez omezení.
Kdo je online
Uživatelé prohlížející si toto fórum: Claudebot [Bot], MartinF a 0 hostů