Studer informacie
Souhrn tématu
Ve fóru uživatelé sdílejí zkušenosti a informace o regulátorech Studer, zejména modelu VT-65, a jejich provozu v solárních systémech. Diskutují o nastavení pro LiFePO4 baterie, komunikaci mezi zařízeními a dostupném softwaru pro konfiguraci a monitoring. Zmiňují také aplikaci OpenStuder pro správu zařízení v reálném čase s možností vzdáleného přístupu, i když její vývoj byl ukončen.
- redcrown
- Příspěvky: 1138
- Registrován: pát říj 12, 2012 8:15 pm
- Reputace:75
- Bydliště: Severní Čechy
Re: Studer informacie
stačí čína za 10 doláčůpcnac píše:zdravim, XCOM-232I + USR-WIFI232-630, bola by funkca tato kombinacia na pripojenie netu cez wifi?
https://www.aliexpress.com/item/3295559 ... web201603_
mě to funguje dobře. Jestli se tedy dá mluvit o dobrém připojení na studer portal.
V provozu: ostrov 20kWp s dobíjením z DS, 6x XTM4000-48, 4xVT80, 80kWh LFP + Batrium
- LukasK
- Příspěvky: 76
- Registrován: pon dub 20, 2020 6:23 am
- Reputace:17
- Bydliště: Jihočeská republika
Re: Studer informacie
Kdyby někdo chtěl, mám k dispozici pár ks originál převodníků 232/ethernet co dává studer.
Případně SZ.
Případně SZ.
- solartom
- Příspěvky: 32
- Registrován: pát pro 06, 2019 9:55 am
- Reputace:3
Re: Studer informacie
Ahoj, chystám se stavět ostrovní systém XTM 4000 a VT65 (+RCC03 a Xcom232i). Baterie bude poskládaná z jednotlivých 120 Ah LiFePo4 článků. Výše v tomto vláknu jsem našel, že Studer podporuje tyto 4 BMS komunikující přes Xcom-CAN: LiTerminal, Orion, REC a HomeGrid BMS. Máte prosím někdo zkušenosti s některým z těchto BMS? Nebo komunikaci přes CAN protokol se Studerem zvládají i další BMS?
Když bude komunikace s baterii vyřešena přes BMS a CAN, uplatní se ještě nějak Studer BSP? Četl jsem, že RCC 03 přes něj zobrazuje a loguje data - lze totéž vyčíst přes CAN nebo je vhodné mít i BSP?
Díky.
Když bude komunikace s baterii vyřešena přes BMS a CAN, uplatní se ještě nějak Studer BSP? Četl jsem, že RCC 03 přes něj zobrazuje a loguje data - lze totéž vyčíst přes CAN nebo je vhodné mít i BSP?
Díky.
- youda
- Příspěvky: 3153
- Registrován: stř dub 27, 2016 12:12 am
- Reputace:961
Re: Studer informacie
Orion a REC patří mezi velmi dobré, ale také dost drahé BMS.
Trochu levněji vychází Batrium, které se Studerem funguje také. Navíc, v ČR ho používá rozhodně více lidí, než Orion či REC. O těch dvou dalších typech BMS (LiTerminal a HomeGrid) slyším prvně v životě, takže bys byl asi průkopník.
Ohledně kombinace Studer + aftermaket BMS doporučuji začít zde:
https://forum.mypower.cz/viewtopic.php?p=83115#p83115
Trochu levněji vychází Batrium, které se Studerem funguje také. Navíc, v ČR ho používá rozhodně více lidí, než Orion či REC. O těch dvou dalších typech BMS (LiTerminal a HomeGrid) slyším prvně v životě, takže bys byl asi průkopník.
Ohledně kombinace Studer + aftermaket BMS doporučuji začít zde:
https://forum.mypower.cz/viewtopic.php?p=83115#p83115
Youdova ostrovní laboratoř 20kWp: https://youda.mypower.cz
- redcrown
- Příspěvky: 1138
- Registrován: pát říj 12, 2012 8:15 pm
- Reputace:75
- Bydliště: Severní Čechy
Re: Studer informacie
Dostal se na mě dotaz a neumím odpovědět, třeba někdo ze zdejších odborníků....
Lze provozovat více XTM4000 v zapojení:
3ks na L1, připojeno na DS L1, režim hybrid
1ks na L2, bez připojení DS nebo připojeno na DS L1
1ks na L3, bez připojení DS nebo připojeno na DS L1
s tím, že by tvořili třífázovou soustavu, fáze L1 posílena 3ks XTM, L2 a L3 bez DS nebo na DS L1
Níže jsou dva typové případy, jen je otázka, jestli jdou zkombinovat. Navíc je otázka, jestli jdou vypnout XTM na L2 a L3 a L1 aby běželo?
Díky
Lze provozovat více XTM4000 v zapojení:
3ks na L1, připojeno na DS L1, režim hybrid
1ks na L2, bez připojení DS nebo připojeno na DS L1
1ks na L3, bez připojení DS nebo připojeno na DS L1
s tím, že by tvořili třífázovou soustavu, fáze L1 posílena 3ks XTM, L2 a L3 bez DS nebo na DS L1
Níže jsou dva typové případy, jen je otázka, jestli jdou zkombinovat. Navíc je otázka, jestli jdou vypnout XTM na L2 a L3 a L1 aby běželo?
Díky
V provozu: ostrov 20kWp s dobíjením z DS, 6x XTM4000-48, 4xVT80, 80kWh LFP + Batrium
- rottenkiwi
- Příspěvky: 5451
- Registrován: pát úno 13, 2015 2:24 pm
- Reputace:287
- Lokalita: SO, SK
- Bydliště: SO, SK
Re: Studer informacie
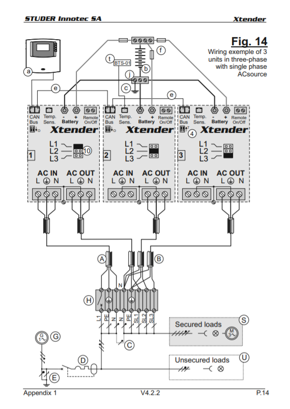
Toto píšu studeráci.
Ak je ako zdroj dostupná len L1, musí byť napojená na 1. Ostatné pojdu v inverter móde.
Viac na obr. 13. a 14. v pdf.
Kompatibilitu striedačov si treba overiť podľa sér. čísla.
Sú tam parametre:
1187 - stand-by level / ak je 0, stand-by sa vypne /
1188 - number of stand-by pulses
1189 - time delay beetween stand-by pulses
Ak je to nastaviteĺné pre všetky fázy zvlášť,
tak je možné predpokladať, že 2. a 3. sa prepne do stand-by.
Jumperami sa nastavia fázy. Ak nebude L1 aktívna, všetky v 3F systéme pojdu v inverter móde.Three Xtenders of the same voltage (power or type can be different) can be used and combined in
order to establish a three-phase grid. An example of cabling in three-phase is given at figs. 13.-14 of
the appendix.
When three Xtenders are wired to form a three-phase grid, the wired phases at the input determine
the jumper position for selecting the phase (10). It is vital to determine and select the phase for each
Xtender. If the grid is not available at the input of the master unit (phase 1), all the units of the system
will switch to inverter mode. If only a single-phase source is available, it must be connected to phase
1. The other two phases will therefore be supplied by the other two working units in inverter mode.
Ak je ako zdroj dostupná len L1, musí byť napojená na 1. Ostatné pojdu v inverter móde.
Viac na obr. 13. a 14. v pdf.
Kompatibilitu striedačov si treba overiť podľa sér. čísla.
Sú tam parametre:
1187 - stand-by level / ak je 0, stand-by sa vypne /
1188 - number of stand-by pulses
1189 - time delay beetween stand-by pulses
Ak je to nastaviteĺné pre všetky fázy zvlášť,
tak je možné predpokladať, že 2. a 3. sa prepne do stand-by.
Naposledy upravil(a) rottenkiwi dne ned srp 30, 2020 9:35 pm, celkem upraveno 1 x.
- redcrown
- Příspěvky: 1138
- Registrován: pát říj 12, 2012 8:15 pm
- Reputace:75
- Bydliště: Severní Čechy
Re: Studer informacie
díky. Zůstává nezodpovězeno, jestli dle fig.14 jde použít na posílení L1 dva nebo 3 XTMka. Pak je ještě ta otázka, jestli jdou vypnout měniče pro L2 a L3.
Je ta kompatibilita otázkou FW nebo i HW?
Je ta kompatibilita otázkou FW nebo i HW?
V provozu: ostrov 20kWp s dobíjením z DS, 6x XTM4000-48, 4xVT80, 80kWh LFP + Batrium
- rottenkiwi
- Příspěvky: 5451
- Registrován: pát úno 13, 2015 2:24 pm
- Reputace:287
- Lokalita: SO, SK
- Bydliště: SO, SK
Re: Studer informacie
Čo čítam parametere a potom chyby,
tak ak je v systéme viac ako 9 Xtenderov, tak systém vyhlási chybu.
Max. 3 na fázu. Aj rozne výkonné.
Paralelne len rovnako výkonné.
Sú tam chybové stavy 25, 26, 32:
Potom je tam aj chybový stav 34.
si treba dať pozor na zapojenie N, na dĺžku + a - k meničom k DC bus alebo
u hviezdicového zapojenia, k bodu, kde sa to vetví.
Tiež je nutné správne zvoliť hrúbku vystupného AC kábla.
On nesmie byť ani tenký ale ani hrubý, lebo inak sa zle rozdelí výstupné
napatie na jednotlivých meničoch.
tak ak je v systéme viac ako 9 Xtenderov, tak systém vyhlási chybu.
Max. 3 na fázu. Aj rozne výkonné.
Paralelne len rovnako výkonné.
Sú tam chybové stavy 25, 26, 32:
Tu píšu aj o HW aj SW nekompatibilite.Hardware/software incompatibility. Perform
software upgrade. If necessary, contact your
Studer distributor.
Potom je tam aj chybový stav 34.
A ďalej 36,38,40. / Tu sa odporúča update softu /The Factory Identification number (FID) is
corrupted. This number is necessary for systems
with multiple devices. Contact your Studer
distributor.
A ešte chybový kód 53, ak nefunguje CAN komunikácia.A software problem was detected. Update
software to the most recent version available
on the Studer website.
Ešte pri tých multi-fazových a multi-paralelných systémoch na fázuThere are different versions of the CAN
communication protocol installed on the
devices in the system. A full software update to
the most recent version is required.
si treba dať pozor na zapojenie N, na dĺžku + a - k meničom k DC bus alebo
u hviezdicového zapojenia, k bodu, kde sa to vetví.
Tiež je nutné správne zvoliť hrúbku vystupného AC kábla.
On nesmie byť ani tenký ale ani hrubý, lebo inak sa zle rozdelí výstupné
napatie na jednotlivých meničoch.
Naposledy upravil(a) rottenkiwi dne ned srp 30, 2020 9:53 pm, celkem upraveno 3 x.
- DanoP
- Příspěvky: 949
- Registrován: stř črc 06, 2016 12:27 pm
- Reputace:216
- Bydliště: Trnava, Slovensko
Re: Studer informacie
Podla mojich manualov sa pise len o potrebe zjednotenia FW, a hardverovo o rovnakych typoch. Nic o seriovych cislach som nenasiel.
1,77kWp monokryštál + Fangpusun MPPT 150/45, 3,2kWp +Victron MPPT 250/60, 2xStuder XTM4048 + 47kWh LiFePO4, vlastny monitoring na https://www.mms-softec.sk/pip/
- solartom
- Příspěvky: 32
- Registrován: pát pro 06, 2019 9:55 am
- Reputace:3
Re: Studer informacie
youda: díky za nasměrování, prošel jsem si to a musím nad tím popřemýšlet.
Ještě si sám zodpovím svou druhou otázku, jestli mám pořídit i BSP i Xcom-CAN pro komunikaci s BMS: Studer v návodu na str. 16 uvádí, že Xcom-CAN je nekompatibilní s BSP, tato dvě zařízení dohromady nemůžou být zapojena na jedné sběrnici.
Ještě si sám zodpovím svou druhou otázku, jestli mám pořídit i BSP i Xcom-CAN pro komunikaci s BMS: Studer v návodu na str. 16 uvádí, že Xcom-CAN je nekompatibilní s BSP, tato dvě zařízení dohromady nemůžou být zapojena na jedné sběrnici.
- DanoP
- Příspěvky: 949
- Registrován: stř črc 06, 2016 12:27 pm
- Reputace:216
- Bydliště: Trnava, Slovensko
Re: Studer informacie
Pokial bezi komunikacia cez XCom-Can v BMS mode, tak BMS si urcuje pozadovane napatia, pozadovane prudy, potrebu dobita a pod (vid CAN protokol), v tomto je obsiahnute aj info o SOC (z BMS), takze BSP tam naozaj nema co hladat. Ale pozor, aby to fungovalo uplne koser, musia byt aj MPPT regulatory studer, v opacnom pripade nedokaze riadit nabijaci prud/napatia zo solaru. Ak ma clovek mix, musi si to urobit po vlastnej osi.
1,77kWp monokryštál + Fangpusun MPPT 150/45, 3,2kWp +Victron MPPT 250/60, 2xStuder XTM4048 + 47kWh LiFePO4, vlastny monitoring na https://www.mms-softec.sk/pip/
- oscar
- Příspěvky: 115
- Registrován: ned říj 14, 2018 6:53 am
- Reputace:22
Re: Studer informacie
Ahojte, vie mi prosim niekto pomoct s konfiguraciou Xtender XTM 4000-48?
Kludne aj za peniaze - poprosim PM idealne s telefonnym kontaktom, niak z toho neviem sam vysomarit za rozumny cas.
Kludne aj za peniaze - poprosim PM idealne s telefonnym kontaktom, niak z toho neviem sam vysomarit za rozumny cas.
- DanoP
- Příspěvky: 949
- Registrován: stř črc 06, 2016 12:27 pm
- Reputace:216
- Bydliště: Trnava, Slovensko
Re: Studer informacie
Nevie niekto ako resetnut XCom232i do faktory setings? Mam jednu a ta ma aktivny SCOM Watchog a bez nulovania watchdog flagu sa resetne RS232 rozhranie, co nie je zrovna to co potrebujem. Default z tovarne je toto vypnute.
Mal by sa dat spravit celkovy reset do factory settings premenovanim adresaru 02 na 03 a updatom, ale to plati pre vsetko zapojene v systeme, a mne staci resetnut len to XCom232i.
Mal by sa dat spravit celkovy reset do factory settings premenovanim adresaru 02 na 03 a updatom, ale to plati pre vsetko zapojene v systeme, a mne staci resetnut len to XCom232i.
1,77kWp monokryštál + Fangpusun MPPT 150/45, 3,2kWp +Victron MPPT 250/60, 2xStuder XTM4048 + 47kWh LiFePO4, vlastny monitoring na https://www.mms-softec.sk/pip/
- luge
- Příspěvky: 770
- Registrován: ned lis 13, 2011 5:52 pm
- Reputace:40
- Bydliště: SK
- mobilik
- Příspěvky: 2677
- Registrován: úte úno 04, 2014 9:06 am
- Reputace:266
- Bydliště: Neďaleko Košic (SR)
Re: Studer informacie
Však toto tam už je asi mesiac. Keď nie viac. 
Najprv sa učíme chodiť a hovoriť, neskôr sa učíme sedieť a držať hubu... :stupidme:
Hybridná FVE dom: 6,3kWp, Victron Energy, 12kWh Pylontech+GB-Aku
On-Grid FVE dom: 3,6kWp, FRONIUS AC Coupling+VB
OFF-Grid FVE chata: 1,5kWp, Axpert, PCM, 200Ah/24V 18650
Hybridná FVE dom: 6,3kWp, Victron Energy, 12kWh Pylontech+GB-Aku
On-Grid FVE dom: 3,6kWp, FRONIUS AC Coupling+VB
OFF-Grid FVE chata: 1,5kWp, Axpert, PCM, 200Ah/24V 18650
- pkougl
- Příspěvky: 325
- Registrován: ned srp 05, 2012 10:41 am
- Reputace:38
Re: Studer informacie
Ahoj Studeráci,
měl bych dotaz, ve zprávách na portále Studeru u mojí instalaci mi co cca 3 minuty chodí upozornění:
LocalXcom 66 System warning (64) 19/09/2020 07:57:08 Notifications
netušíte čím to je?
v manuálech jsem toto nikde nenašel (mám 2xXTM, xcom232i a MOXA n-port)
díky za případné nasměrování
Pavel
měl bych dotaz, ve zprávách na portále Studeru u mojí instalaci mi co cca 3 minuty chodí upozornění:
LocalXcom 66 System warning (64) 19/09/2020 07:57:08 Notifications
netušíte čím to je?
v manuálech jsem toto nikde nenašel (mám 2xXTM, xcom232i a MOXA n-port)
díky za případné nasměrování
Pavel
7,1kWp - 8x3 panely Renesola 240Wp, 2x3x235Wp lightway, 2xTristat TS60, trakční 48V 2x750Ah olovo, 2xměnič Studer XTM 4000, SDS Micro, solární dvouosý tracker se třemi panely
- milhaus
- Příspěvky: 273
- Registrován: úte úno 05, 2013 8:32 pm
- Reputace:51
- Lokalita: Zábřeh 78901
- Systémové napětí: >48V
- Výkon panelů [Wp]: 10500
- Kapacita baterie [kWh]: 24
Re: Studer informacie
Ahoj, je v RCC a 232 nahraný stejný poslední system update R670 ?
Hlavně v tom Xcom-232i ?
Hlavně v tom Xcom-232i ?
- pkougl
- Příspěvky: 325
- Registrován: ned srp 05, 2012 10:41 am
- Reputace:38
Re: Studer informacie
Ahoj,
RCC nemám a určitě jsem xcom neupdatovat (teprve se s tím seznamuju, komponenty jsem koupil starší tak soft tamu bude z někdy, většinou co už jednou funguje jak chci tak to tak nechám)
myslíš že by to mohlo dělat neaktuálnost toho xcomu?
RCC nemám a určitě jsem xcom neupdatovat (teprve se s tím seznamuju, komponenty jsem koupil starší tak soft tamu bude z někdy, většinou co už jednou funguje jak chci tak to tak nechám)
myslíš že by to mohlo dělat neaktuálnost toho xcomu?
7,1kWp - 8x3 panely Renesola 240Wp, 2x3x235Wp lightway, 2xTristat TS60, trakční 48V 2x750Ah olovo, 2xměnič Studer XTM 4000, SDS Micro, solární dvouosý tracker se třemi panely
- milhaus
- Příspěvky: 273
- Registrován: úte úno 05, 2013 8:32 pm
- Reputace:51
- Lokalita: Zábřeh 78901
- Systémové napětí: >48V
- Výkon panelů [Wp]: 10500
- Kapacita baterie [kWh]: 24
Re: Studer informacie
Ano, může to být tím.
Pokud ten Xcom a XTM jsou ze SecondSolu , tak tam jsou nahrané ještě hodně staré verze 5kové řady.
Poslední R670 je plně funkční , také jsem dlouho zůstával na starší verzi , ale není čeho se obávat.
Hlavně v nové R670 se zlepší rychlost odezvy načítání dat na portál Studer.
Otazka jak vlastně aktualizovat XTM bez RCC ?
Xcom není problém , tam se vsune karta s novým updatem , ale to RCC
někde půjčit? Kde je instalace?
Pozor na nekompatibilitu R5... a R6... !
Neaktualizovat pouze jedno zařízení , pokud není možné i další. (RCC- Xcom232i)
Pokud ten Xcom a XTM jsou ze SecondSolu , tak tam jsou nahrané ještě hodně staré verze 5kové řady.
Poslední R670 je plně funkční , také jsem dlouho zůstával na starší verzi , ale není čeho se obávat.
Hlavně v nové R670 se zlepší rychlost odezvy načítání dat na portál Studer.
Otazka jak vlastně aktualizovat XTM bez RCC ?
Xcom není problém , tam se vsune karta s novým updatem , ale to RCC
Pozor na nekompatibilitu R5... a R6... !
Neaktualizovat pouze jedno zařízení , pokud není možné i další. (RCC- Xcom232i)
- MareC3k
- Příspěvky: 486
- Registrován: pát říj 05, 2012 8:37 pm
- Reputace:56
- Bydliště: SK pri Presove
Re: Studer informacie
xtm aj xcom sa sami pekne aktualizuju cez sd kartu so stiahnutym novym sw zo stranky studeru. Uplne jednoducho som stiahol sw, rozbalil .zip dal obsah na kartu, vlozil do xcom a vsetko sa aktualizovalo samo... asi do 10minut,
+- 25kWp, 53V 700Ah LifeYpo4+zaloha olovo, 2x5kW Axpert + 3x XTM 4000+Victron quattro 15.000, 5x Victron 250/100, https://forum.mypower.cz/viewtopic.php?t=780KIA EV6
Kdo je online
Uživatelé procházející toto fórum: Claudebot [Bot]
