Oprava generátoru větrníku 3kW
- tomas
- Příspěvky: 2578
- Registrován: pon bře 07, 2011 11:05 am
- Reputace: 243
- Bydliště: Třinec
Oprava generátoru větrníku 3kW
Větrník 3kW, 48V, v této elektrárně:
https://forum.mypower.cz/viewtopic.php?f=3&t=1681
foto:
https://forum.mypower.cz/viewtopic.php? ... =20#p28336
prakticky nic nevyrobil, spíše více spotřeboval. Dvakrát došlo ke zničení FETů regulátoru a nakonec se i větrník přestal úplně točit vlivem zkratu v generátoru. V okolí jsou dvě firmy které opravují motory a generátory, ale nikdo to nechtěl opravit. Tak jsem si půjčil stahovák na ložiska který jsem musel upravit na větší rozměr a pustil jsem se sám do opravy. Koho by zajímaly střeva toho Čínského šuntu, tak fotky jsou níže.
Po odstranění zkratů je generátor funkční, ještě řeším jak opravit ty kartáče na kroužcích, nebo jestli koupit nové-lepší. Sundávat toho cca 100kg macka ze sloupu je dost drahé a nebezpečné a nechci to moc často opakovat.
Potom ještě musím opravit a vylepšit regulátor WWS-30-48-L01
http://shop.mypower.cz/hybridni-regulat ... 8-l01-2260
stávající zapojení mám zmapované, přidám tam ochrany, napěťový limiter a další vylepšení, popíšu později až to bude hotové. Ale láká mně ta novější verze s MPPT a možností nastavení napětí, brzdy v závislosti na otáčkách (frekvenci) atd..
http://www.aliexpress.com/item/3KW-48V- ... 38650.html
Na tom WWS-30-48-L01 nejde nastavit nic (je k tomu nějaký Windows-only software ale nedařilo se mi, ani to CD nejde zkopírovat (zálohovat)) a nezobrazuje ani otáčky (frekvenci).
https://forum.mypower.cz/viewtopic.php?f=3&t=1681
foto:
https://forum.mypower.cz/viewtopic.php? ... =20#p28336
prakticky nic nevyrobil, spíše více spotřeboval. Dvakrát došlo ke zničení FETů regulátoru a nakonec se i větrník přestal úplně točit vlivem zkratu v generátoru. V okolí jsou dvě firmy které opravují motory a generátory, ale nikdo to nechtěl opravit. Tak jsem si půjčil stahovák na ložiska který jsem musel upravit na větší rozměr a pustil jsem se sám do opravy. Koho by zajímaly střeva toho Čínského šuntu, tak fotky jsou níže.
Po odstranění zkratů je generátor funkční, ještě řeším jak opravit ty kartáče na kroužcích, nebo jestli koupit nové-lepší. Sundávat toho cca 100kg macka ze sloupu je dost drahé a nebezpečné a nechci to moc často opakovat.
Potom ještě musím opravit a vylepšit regulátor WWS-30-48-L01
http://shop.mypower.cz/hybridni-regulat ... 8-l01-2260
stávající zapojení mám zmapované, přidám tam ochrany, napěťový limiter a další vylepšení, popíšu později až to bude hotové. Ale láká mně ta novější verze s MPPT a možností nastavení napětí, brzdy v závislosti na otáčkách (frekvenci) atd..
http://www.aliexpress.com/item/3KW-48V- ... 38650.html
Na tom WWS-30-48-L01 nejde nastavit nic (je k tomu nějaký Windows-only software ale nedařilo se mi, ani to CD nejde zkopírovat (zálohovat)) a nezobrazuje ani otáčky (frekvenci).
- Přílohy
Chci elektrárnu s licencí a s prodejem přebytků nebo komunitní výměnou energie: ANO
-
- Příspěvky: 1466
- Registrován: pát bře 08, 2013 7:19 pm
- Reputace: 73
- Bydliště: Aš
Re: Oprava generátoru větrníku 3kW
no hezky narafičeno,mám doma taky podobný čínský zmetek ale jen 300W ze začátku sem se na sloup mohl odstěhovat (12M) držím palce k donucení pracovat já to vzdal 

-
- Příspěvky: 428
- Registrován: pon čer 30, 2014 7:02 am
- Reputace: 30
Re: Oprava generátoru větrníku 3kW
Jak dlouho vydrzel , nez ,,motor svou praci vzdal,,?
...a viděl jsem Křižíka nazpět se otáčeti ...
- kybos
- Příspěvky: 2819
- Registrován: sob zář 08, 2012 10:40 pm
- Reputace: 516
- Lokalita: Šternberk
- Systémové napětí: 48V
- Výkon panelů [Wp]: 15000
- Kapacita baterie [kWh]: 40
- Bydliště: v údolí mezi kopci
Re: Oprava generátoru větrníku 3kW
K čemu jsou na synchronním generátoru s permanentními magnety kroužky?
15 kWp JJZ + 3x Tristar MPPT60 + Victron 150/100 + 48V LiFePO 850 Ah + UPS 8kW (MPP-Solar 8048 LC) + 4 x nabíječka 1,2 kW (DELTA) Start: 2012
-
- Příspěvky: 1466
- Registrován: pát bře 08, 2013 7:19 pm
- Reputace: 73
- Bydliště: Aš
Re: Oprava generátoru větrníku 3kW
Kybos:kroužky jsou tam od toho aby se celá elektrárna otáčela kolem osy dokola
- kybos
- Příspěvky: 2819
- Registrován: sob zář 08, 2012 10:40 pm
- Reputace: 516
- Lokalita: Šternberk
- Systémové napětí: 48V
- Výkon panelů [Wp]: 15000
- Kapacita baterie [kWh]: 40
- Bydliště: v údolí mezi kopci
Re: Oprava generátoru větrníku 3kW
Tak to je asi konstrukce připravená na tornádo. Já mám větrník na 12 m stožáru už 13 let bez kroužků a ještě jsem kabely nerozmotával. Spoléhám prostě na to, že směr větru se netočí jedním směrem ale náhodně a tak se to ještě nezamotalo.
15 kWp JJZ + 3x Tristar MPPT60 + Victron 150/100 + 48V LiFePO 850 Ah + UPS 8kW (MPP-Solar 8048 LC) + 4 x nabíječka 1,2 kW (DELTA) Start: 2012
- abrams
- Příspěvky: 2774
- Registrován: ned črc 17, 2011 12:19 pm
- Reputace: 427
- Lokalita: Brno
- Bydliště: Brno
Re: Oprava generátoru větrníku 3kW
Zdravím ,
... proč to dělat jednoduše , když to de složitě
.
Dodnes sem nepotkal čínskej výrobek bez jediný sprzněniny která naprosto zbytečně degraduje celý výrobek
. Ale ze zkušeností vím , že se takové mechanické krpy dají napravit a poté už věc slouží jak má
.
Držím palce ať se oprava povede
.
Elektronům zdar
... proč to dělat jednoduše , když to de složitě

Dodnes sem nepotkal čínskej výrobek bez jediný sprzněniny která naprosto zbytečně degraduje celý výrobek


Držím palce ať se oprava povede

Elektronům zdar

3,96kWp monokrystalů + 2x regl PCM60X + 24kWh LiFePO4 + 6kW HF sínus měnič 48MWh+ , celé na 52V systému .
Chibi v textu vyhrazeny
Chibi v textu vyhrazeny

- tomas
- Příspěvky: 2578
- Registrován: pon bře 07, 2011 11:05 am
- Reputace: 243
- Bydliště: Třinec
Re: Oprava generátoru větrníku 3kW
Byl nainstalován 18.10.2013. Chvíli na to přišel orkán Kirill a regulátor to nedal. Tak jsem vyměnit FETy chvíli to zase fungovalo do dalšího většího větru na jaře 2014, kdy zas FETy odešly. Tak jsem FETy zase vyměnil a potom to asi hodinu vyrábělo do cca 800W a zase FETy vpetrs píše:Jak dlouho vydrzel , nez ,,motor svou praci vzdal,,?

Chci elektrárnu s licencí a s prodejem přebytků nebo komunitní výměnou energie: ANO
- tomas
- Příspěvky: 2578
- Registrován: pon bře 07, 2011 11:05 am
- Reputace: 243
- Bydliště: Třinec
Re: Oprava generátoru větrníku 3kW
Na příhradovém stožáru nejsou kroužky nutné. Stačí dole 3f. zásuvka (4x32A nebo 4x63A) a kabel občas odpojit a kabel se sám rozmotá. Tak to bylo kdysi dávno řešené i na větrníku na Rohlence, ale i tam jsem jednou viděl že kabel byl dost zkroucený a plný smyček. Ale kabel ve sloupu se moc dobře rozmotat nedá.kybos píše:Tak to je asi konstrukce připravená na tornádo. Já mám větrník na 12 m stožáru už 13 let bez kroužků a ještě jsem kabely nerozmotával. Spoléhám prostě na to, že směr větru se netočí jedním směrem ale náhodně a tak se to ještě nezamotalo.
Chci elektrárnu s licencí a s prodejem přebytků nebo komunitní výměnou energie: ANO
-
- Příspěvky: 1466
- Registrován: pát bře 08, 2013 7:19 pm
- Reputace: 73
- Bydliště: Aš
Re: Oprava generátoru větrníku 3kW
ty kroužky nejsou špatné ale musí být dobře udělané a na to číňan sere o drátech ani nemluvím viz to foto propálených drátů.
- tomas
- Příspěvky: 2578
- Registrován: pon bře 07, 2011 11:05 am
- Reputace: 243
- Bydliště: Třinec
Re: Oprava generátoru větrníku 3kW
Jsou to kroužky SRK 050-3P1 na 20A:
http://www.a2v.fr/docs/servotecnica/SRK ... EV00en.pdf
6 kroužků po 20A by mělo přenést při 48V výkon 5,76kW. Takže výkonově je to OK, ale mechanicky to bylo zprzněné.
http://www.a2v.fr/docs/servotecnica/SRK ... EV00en.pdf
6 kroužků po 20A by mělo přenést při 48V výkon 5,76kW. Takže výkonově je to OK, ale mechanicky to bylo zprzněné.
Chci elektrárnu s licencí a s prodejem přebytků nebo komunitní výměnou energie: ANO
-
- Příspěvky: 1466
- Registrován: pát bře 08, 2013 7:19 pm
- Reputace: 73
- Bydliště: Aš
Re: Oprava generátoru větrníku 3kW
jedno mi vrtá hlavou:proč jsou prošlehnutý ty vodiče až za kroužkama?kde jsou relativně v klidu?Nevisí ti na tom celá váha kabelu co vede sloupem??pak mohlo váhou dojít k poškození izolace a bylo hotovo.Kroužky bych nechal jen je doplnil místo štětin o uhlíky a budou nesmrtelné.
-
- Příspěvky: 428
- Registrován: pon čer 30, 2014 7:02 am
- Reputace: 30
Re: Oprava generátoru větrníku 3kW
Skoda,vic starosti nez uzitku.tomas píše:Byl nainstalován 18.10.2013. Chvíli na to přišel orkán Kirill a regulátor to nedal. Tak jsem vyměnit FETy chvíli to zase fungovalo do dalšího většího větru na jaře 2014, kdy zas FETy odešly. Tak jsem FETy zase vyměnil a potom to asi hodinu vyrábělo do cca 800W a zase FETy vpetrs píše:Jak dlouho vydrzel , nez ,,motor svou praci vzdal,,?ale už ani větrník se nechtěl točit. Tak tam stál celou zimu až do jara 2015.
...a viděl jsem Křižíka nazpět se otáčeti ...
- tomas
- Příspěvky: 2578
- Registrován: pon bře 07, 2011 11:05 am
- Reputace: 243
- Bydliště: Třinec
Re: Oprava generátoru větrníku 3kW
Je tam ostrá hrana bez opilování pilníkem a bylo to udělané tak, aby kabel na tom visel, ale mne bylo jasné že je to blbost aby ten kabel na tom visel. Takže jsem to tak neudělal a na spodní přírubu kterou gondola drží na sloupu jsem navařil šroub na který jsem zavěsil kabel jdoucí sloupem. Takže ne, kabel na tom nevisel.goodbie píše:jedno mi vrtá hlavou:proč jsou prošlehnutý ty vodiče až za kroužkama?kde jsou relativně v klidu?Nevisí ti na tom celá váha kabelu co vede sloupem??pak mohlo váhou dojít k poškození izolace a bylo hotovo.Kroužky bych nechal jen je doplnil místo štětin o uhlíky a budou nesmrtelné.
Ale také mi vrtá hlavou jak je možné že tam evidentně tekl proud proti kostře (Zemi) když je to až po 3f. usměrňovač IT síť a proti Zemi tam není potenciál. Až DC strana akumulátoru a FVE má záporný pól uzemněn. Aby tímto místem tekl proud z akumulátoru do Země tak by musel prorazit diodu D2 a 3f. usměrňovací můstek a ty jsou v pořádku. A při poslední poruše byla spálená i pojistka 63A mezi akumulátorem a regulátorem.
Diody v regulátoru: https://forum.mypower.cz/download/file. ... &mode=view
Také to mohl udělat i blesk s kladným potenciálem proti Zemi který celý neprošel přes ložiska gondoly do uzemnění stožáru, a jeho část se vydala přes izolaci vodiče do regulátoru přes 3. usměrňovač, diodu D2, pojistku 63A(kterou přepálil) a přes akumulátor a jeho mínus pól do Země. Uzemnění je sice vzájemně pospojované zemnícím páskem, ale na těch 70 metrech pásku také mohl vzniknout nějaký úbytek napětí který si vybral tuto trasu. Každopádně ta izolace musela být už načutnutá o tu hranu.
Chci elektrárnu s licencí a s prodejem přebytků nebo komunitní výměnou energie: ANO
-
- Příspěvky: 1589
- Registrován: pát bře 15, 2013 7:53 pm
- Reputace: 73
Re: Oprava generátoru větrníku 3kW
No každopádně mechanicky je to dost hrůza to zpracování.
A po tak málo letech už taková koroze, co je na pár dílech z těch fotek vidět, to je taky zarážející.
Věřm, že je to k vzteku a držím palce. Na kolik to tenkrát vyšlo?
A po tak málo letech už taková koroze, co je na pár dílech z těch fotek vidět, to je taky zarážející.
Věřm, že je to k vzteku a držím palce. Na kolik to tenkrát vyšlo?
- tomas
- Příspěvky: 2578
- Registrován: pon bře 07, 2011 11:05 am
- Reputace: 243
- Bydliště: Třinec
Re: Oprava generátoru větrníku 3kW
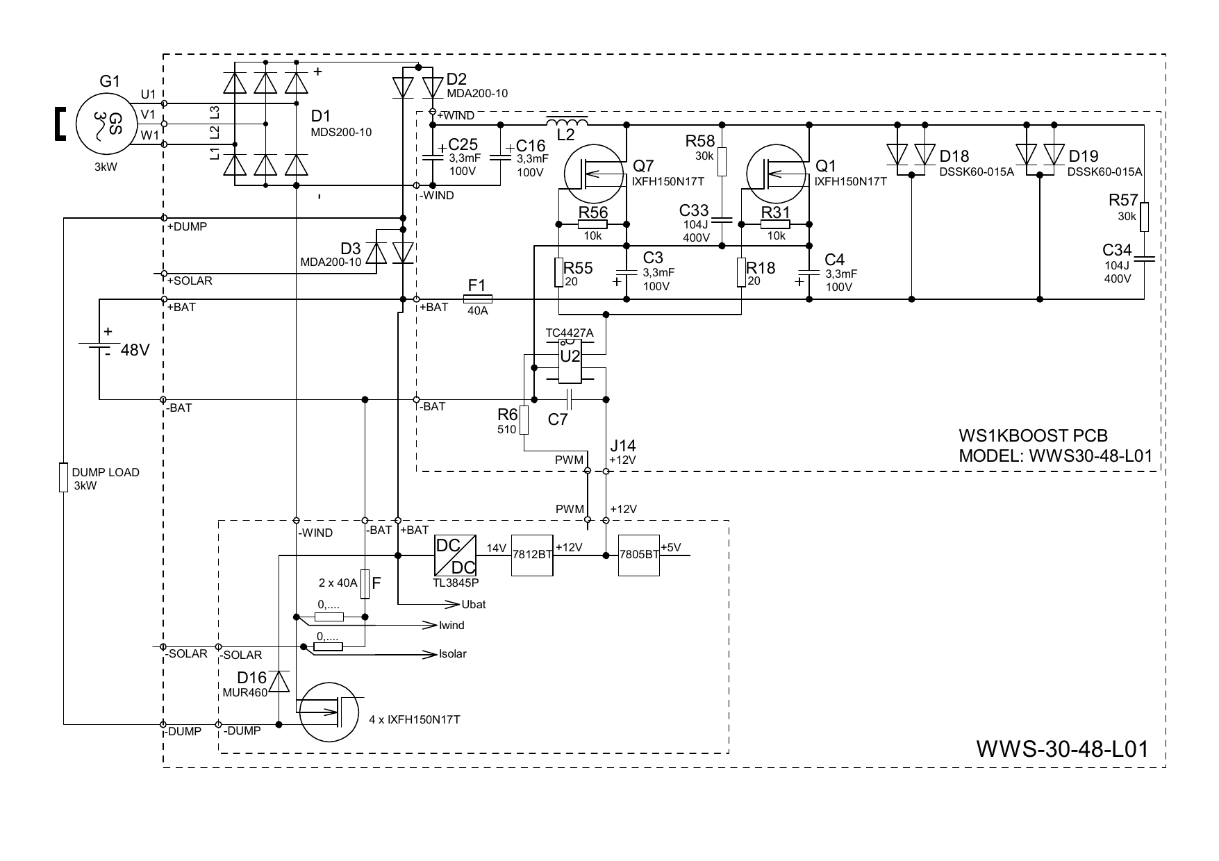
regulátor WWS-30-48-L01
Chci elektrárnu s licencí a s prodejem přebytků nebo komunitní výměnou energie: ANO
-
- Příspěvky: 7999
- Registrován: sob črc 19, 2014 8:56 pm
- Reputace: 1003
- Lokalita: severně od Brna
- Systémové napětí: 48V
- Výkon panelů [Wp]: 8kWp
- Kapacita baterie [kWh]: 12kWh
- Chci prodávat energii: NE
- Chci/Mám dotaci: NE
Re: Oprava generátoru větrníku 3kW
jo, jednoduché, prostě usměrňovač a step up se zdvojeným tranzistorem a zečtyřnásobenou diodou. Akorát by mě zajímalo, jestli to nějak měří otáčky generátoru, příp napětí ne generátoru, vypadá to, že ne, že to zkouší najít mppt bod podle proudu do baterie.
ostrov skoro 8kWp neustále ve stádiu zrodu: smartshunt(ex WBJR), MPPT150/45, MPPT 250/100(ex midnitesolar 150 clasic lite), 16S a různě P cca 340Ah Winston, MP II 5000,( ex Powerjack 8kW, ex samodomo cca 4kW). 48V DC rozvody a spotřebiče.
- tomas
- Příspěvky: 2578
- Registrován: pon bře 07, 2011 11:05 am
- Reputace: 243
- Bydliště: Třinec
Re: Oprava generátoru větrníku 3kW
Měří se napětí a snad i frekvence větrníku a napětí solaru. Dokreslím, nestíhám.
Pokračování k regulátoru zde: https://forum.mypower.cz/viewtopic.php?f=41&t=2780
Pokračování k regulátoru zde: https://forum.mypower.cz/viewtopic.php?f=41&t=2780
Chci elektrárnu s licencí a s prodejem přebytků nebo komunitní výměnou energie: ANO
- tomas
- Příspěvky: 2578
- Registrován: pon bře 07, 2011 11:05 am
- Reputace: 243
- Bydliště: Třinec
Re: Oprava generátoru větrníku 3kW
Větrník opraven. Nainstalovány nové kroužky s kartáči. Hřídel gondoly na které jsou nasazeny tyto kroužky je špatně svařena a hází. Kartáče byly ale přichyceny na pevno a nemohli sledovat házení kroužků. Proto se zničili. Nové kartáče jsem upevnil s vůlí mezi dvě nedotažené matice tak, aby mohli sledovat házení kroužků. No a aby toto uchycení při každé změně směru otočení neklepalo, tak jsem to vyplnil silikonovým tmelem ve kterém ten spoj pruží a neklepe. Také jsem zajistil tmelem všechny šroubové spoje aby se nepovolovali. Magnet se mi podařilo očistit od kovových pilin pomocí vysavače
. Tak snad to nějakou delší dobu vydrží.
Teď ještě opravit regulátor: https://forum.mypower.cz/viewtopic.php?f=41&t=2780

Teď ještě opravit regulátor: https://forum.mypower.cz/viewtopic.php?f=41&t=2780
Chci elektrárnu s licencí a s prodejem přebytků nebo komunitní výměnou energie: ANO
Kdo je online
Uživatelé prohlížející si toto fórum: Claudebot [Bot] a 0 hostů