Bojler Ariston VELIS EVO Wi-Fi 80 - úprava pro FVE
-
- Příspěvky: 1423
- Registrován: pon dub 24, 2023 8:47 am
- Reputace: 189
- Lokalita: Lašská brána Beskyd
- Systémové napětí: 48V
- Výkon panelů [Wp]: 8kWp
- Kapacita baterie [kWh]: 20kWh
Bojler Ariston VELIS EVO Wi-Fi 80 - úprava pro FVE
V rámci budování naší malé FVE jsme se rozhodli samozřejmě řešit bojler, jako asi většina. Protože jsme si před dvěma rokama do naší nově budované "chytré" chaty koupili "chytrý" bojler, tak jsem se rozhodl zachovat jeho "inteligenci" a řídit jen zdroj pro nahřívání topných těles.
Bojler má dvě propojené nádrže. V každé topné těleso (1,5kW), které spíná samostatně i dvě samostatné tepelné čidla.
Již před časem jsem k původním tepelným čidlům namontoval další dvě čidla (PT100 v mikro provední) abych mohl sledovat, jak se vlastně ten "inteligentní" bojler chová. A je to asi takhle: Bojler změří teplotu a pokud je nižší než nastavená, tak nahřeje na požadovanou teplotu nejdříve výstupní nádrž a pak přepne na vstupní nádrrž a nahřeje i tuhle. Max příkon je tak k pořád jen 1,5kW. Pak odpočívá a pokud v některé nádrží klesne teplota o více než 5 stupňů nahřeje ji. Zas tak moc inteligence v tom nevidím
Ale je pravda, že máme ten samoučící mód vypnutý.
Návrh zapojení:
Přepojení a spínání topných těles ponechám na bojreru a budu jen přepínat zdroj napájení. FVE přes vytěžovač bude zapojena více méně pořád a pokud bude třeba, tak řídící jednotka chaty přepně napájení bojleru na DS.
Bojler má dvě propojené nádrže. V každé topné těleso (1,5kW), které spíná samostatně i dvě samostatné tepelné čidla.
Již před časem jsem k původním tepelným čidlům namontoval další dvě čidla (PT100 v mikro provední) abych mohl sledovat, jak se vlastně ten "inteligentní" bojler chová. A je to asi takhle: Bojler změří teplotu a pokud je nižší než nastavená, tak nahřeje na požadovanou teplotu nejdříve výstupní nádrž a pak přepne na vstupní nádrrž a nahřeje i tuhle. Max příkon je tak k pořád jen 1,5kW. Pak odpočívá a pokud v některé nádrží klesne teplota o více než 5 stupňů nahřeje ji. Zas tak moc inteligence v tom nevidím

Návrh zapojení:
Přepojení a spínání topných těles ponechám na bojreru a budu jen přepínat zdroj napájení. FVE přes vytěžovač bude zapojena více méně pořád a pokud bude třeba, tak řídící jednotka chaty přepně napájení bojleru na DS.
SkyFVE 8 kWp (ve výstavbě) na výzkumné "chytré" chatě. 4x MPPT Epever XTRA4415N 4x40A, 1x AC Charger WATE 42V/10A, Li-Ion 3x 12s 156Ah (20 kWh/44V), SkyPowerBox LF 4810 1kVA, Victron Atlas 48/1600, REVO VM II 5.5kW, APC SmartUPS 5kVA + PLC Siemens Logo! + Dell Optiplex 3040 Micro (Proxmox: HA, Node-RED, InfluxDB, Grafana, Mqtt, Zigbee2Mqtt, Samba, Tailscale)
-
- Příspěvky: 1423
- Registrován: pon dub 24, 2023 8:47 am
- Reputace: 189
- Lokalita: Lašská brána Beskyd
- Systémové napětí: 48V
- Výkon panelů [Wp]: 8kWp
- Kapacita baterie [kWh]: 20kWh
Re: Bojler Ariston VELIS EVO Wi-Fi 80 - úprava pro FVE
Realizace (krok1) - malá destička s třema relátkama (jedno na 24V DC a dvě na 230V AC). Až bude vhodná doba, tak to zkusím do bojleru namontovat a uvidíme 

SkyFVE 8 kWp (ve výstavbě) na výzkumné "chytré" chatě. 4x MPPT Epever XTRA4415N 4x40A, 1x AC Charger WATE 42V/10A, Li-Ion 3x 12s 156Ah (20 kWh/44V), SkyPowerBox LF 4810 1kVA, Victron Atlas 48/1600, REVO VM II 5.5kW, APC SmartUPS 5kVA + PLC Siemens Logo! + Dell Optiplex 3040 Micro (Proxmox: HA, Node-RED, InfluxDB, Grafana, Mqtt, Zigbee2Mqtt, Samba, Tailscale)
-
- Příspěvky: 8011
- Registrován: sob črc 19, 2014 8:56 pm
- Reputace: 1008
- Lokalita: severně od Brna
- Systémové napětí: 48V
- Výkon panelů [Wp]: 8kWp
- Kapacita baterie [kWh]: 12kWh
- Chci prodávat energii: NE
- Chci/Mám dotaci: NE
Re: Bojler Ariston VELIS EVO Wi-Fi 80 - úprava pro FVE
ty přepínací kontakty mezi DS a FVE nejsou dobrej nápad. Podle normy to mají být dva sykačem mech. a el. blokovaný, s 4mm mezerama na kontaktech. Tyhle relátka mají když moc tak 1.5mm, a v koamžiku přepnutí se mlůže stát, (a leckomu už se stalo)že se kontakty slepí a je konec. Takhle NE!!! U mě došlo ke kompletní destrukci Sitonu a vypadly pojistky až před domem.
ostrov skoro 8kWp neustále ve stádiu zrodu: smartshunt(ex WBJR), MPPT150/45, MPPT 250/100(ex midnitesolar 150 clasic lite), 16S a různě P cca 340Ah Winston, MP II 5000,( ex Powerjack 8kW, ex samodomo cca 4kW). 48V DC rozvody a spotřebiče.
-
- Příspěvky: 1423
- Registrován: pon dub 24, 2023 8:47 am
- Reputace: 189
- Lokalita: Lašská brána Beskyd
- Systémové napětí: 48V
- Výkon panelů [Wp]: 8kWp
- Kapacita baterie [kWh]: 20kWh
Re: Bojler Ariston VELIS EVO Wi-Fi 80 - úprava pro FVE
OK, díky za upozornění. Proto jsem to taky tady zveřejnil, aby se eventuálně někdo k tomuto řešení vyjádřil. Takže malá změna. Přepinání zdroje napájení topných spirál (FVE/DS) přesunu do rozvaděče a malé relé nahradím stykačem. Co tohle?
https://www.schrack.cz/eshop/modulovy-s ... 26472.html
https://www.schrack.cz/eshop/modulovy-s ... 26472.html
SkyFVE 8 kWp (ve výstavbě) na výzkumné "chytré" chatě. 4x MPPT Epever XTRA4415N 4x40A, 1x AC Charger WATE 42V/10A, Li-Ion 3x 12s 156Ah (20 kWh/44V), SkyPowerBox LF 4810 1kVA, Victron Atlas 48/1600, REVO VM II 5.5kW, APC SmartUPS 5kVA + PLC Siemens Logo! + Dell Optiplex 3040 Micro (Proxmox: HA, Node-RED, InfluxDB, Grafana, Mqtt, Zigbee2Mqtt, Samba, Tailscale)
-
- Příspěvky: 8011
- Registrován: sob črc 19, 2014 8:56 pm
- Reputace: 1008
- Lokalita: severně od Brna
- Systémové napětí: 48V
- Výkon panelů [Wp]: 8kWp
- Kapacita baterie [kWh]: 12kWh
- Chci prodávat energii: NE
- Chci/Mám dotaci: NE
Re: Bojler Ariston VELIS EVO Wi-Fi 80 - úprava pro FVE
proč to asi píšu:
takže nejlevnější řešení co tohle splňuje je přepínač sítí z aliexpresu. Není potřeba vymejšlet vymyšlený a opakovat chyby co už udělal někdo jinej...Podle normy to mají být dva stykačem mech. a el. blokovaný, s 4mm mezerama na kontaktech.
ostrov skoro 8kWp neustále ve stádiu zrodu: smartshunt(ex WBJR), MPPT150/45, MPPT 250/100(ex midnitesolar 150 clasic lite), 16S a různě P cca 340Ah Winston, MP II 5000,( ex Powerjack 8kW, ex samodomo cca 4kW). 48V DC rozvody a spotřebiče.
-
- Příspěvky: 1423
- Registrován: pon dub 24, 2023 8:47 am
- Reputace: 189
- Lokalita: Lašská brána Beskyd
- Systémové napětí: 48V
- Výkon panelů [Wp]: 8kWp
- Kapacita baterie [kWh]: 20kWh
Re: Bojler Ariston VELIS EVO Wi-Fi 80 - úprava pro FVE
No, aliexpress je můj oblíbený dodavatel, ale do silové části rozvaděče mám jiné oblíbené dodavatele
Tam mám i jiné priority než je cena ...
Možná ještě tohle by se mi líbilo i cenou:
https://www.tme.eu/cz/details/ikd25-22_ ... 0-046-033/
https://www.tme.eu/cz/details/ikd25-22- ... 0-046-967/

Možná ještě tohle by se mi líbilo i cenou:
https://www.tme.eu/cz/details/ikd25-22_ ... 0-046-033/
https://www.tme.eu/cz/details/ikd25-22- ... 0-046-967/
SkyFVE 8 kWp (ve výstavbě) na výzkumné "chytré" chatě. 4x MPPT Epever XTRA4415N 4x40A, 1x AC Charger WATE 42V/10A, Li-Ion 3x 12s 156Ah (20 kWh/44V), SkyPowerBox LF 4810 1kVA, Victron Atlas 48/1600, REVO VM II 5.5kW, APC SmartUPS 5kVA + PLC Siemens Logo! + Dell Optiplex 3040 Micro (Proxmox: HA, Node-RED, InfluxDB, Grafana, Mqtt, Zigbee2Mqtt, Samba, Tailscale)
- sopousek
- Příspěvky: 2
- Registrován: stř kvě 10, 2023 7:35 am
- Reputace: 0
- Lokalita: Brno
- Systémové napětí: 48V
- Výkon panelů [Wp]: 2,67
- Kapacita baterie [kWh]: 12
Re: Bojler Ariston VELIS EVO Wi-Fi 80 - úprava pro FVE
Chystám se také koupit vícekomorový bojler. Má někdo informaci, zda existuje i jiný výrobce nežli Ariston, který to dělá?
Ostrovní systém (chata) bez přípojek, FVE 2,7kWp, Victron Multiplus II, 48V, baterie BYD 12kWh, vrt, topení dřevem, vzdálený monitoring a ostraha.
-
- Příspěvky: 1423
- Registrován: pon dub 24, 2023 8:47 am
- Reputace: 189
- Lokalita: Lašská brána Beskyd
- Systémové napětí: 48V
- Výkon panelů [Wp]: 8kWp
- Kapacita baterie [kWh]: 20kWh
Re: Bojler Ariston VELIS EVO Wi-Fi 80 - úprava pro FVE
Mezistupeň úpravy našeho bojleru Ariston:
V rámci přípravy připojení bojleru na naši nově budovanou malou SkyFVE (doufám, že ji již o víkendu konečně uvedeme do provozu) jsem potřeboval vyřešit snížení příkonu bojleru (než zprovozním nějakou verzi vytěžovacího regulátoru).
Nechal jsem se inspirovat úpravou topných těles bojlerů Dražice a napadlo mne spojit dvě topná tělesa bojleru Ariston do serie a tím snížit příkon bojleru z 1,5kW na 750W.
A vypadá to, že vše funguje. Obě nádrže se nyní nahřívají současně a ne postupně, ale menším příkonem. Druhá nádrž se sice nenahřívá na maximum, ale to je možná spíše ke prospěchu.
Vedlejším efektem snížení příkonu je i snížení hlučnosti. Bojler momentálně prakticky vůbec není slyšet, což se nedalo tvrdit před úpravou.
V rámci přípravy připojení bojleru na naši nově budovanou malou SkyFVE (doufám, že ji již o víkendu konečně uvedeme do provozu) jsem potřeboval vyřešit snížení příkonu bojleru (než zprovozním nějakou verzi vytěžovacího regulátoru).
Nechal jsem se inspirovat úpravou topných těles bojlerů Dražice a napadlo mne spojit dvě topná tělesa bojleru Ariston do serie a tím snížit příkon bojleru z 1,5kW na 750W.
A vypadá to, že vše funguje. Obě nádrže se nyní nahřívají současně a ne postupně, ale menším příkonem. Druhá nádrž se sice nenahřívá na maximum, ale to je možná spíše ke prospěchu.
Vedlejším efektem snížení příkonu je i snížení hlučnosti. Bojler momentálně prakticky vůbec není slyšet, což se nedalo tvrdit před úpravou.
SkyFVE 8 kWp (ve výstavbě) na výzkumné "chytré" chatě. 4x MPPT Epever XTRA4415N 4x40A, 1x AC Charger WATE 42V/10A, Li-Ion 3x 12s 156Ah (20 kWh/44V), SkyPowerBox LF 4810 1kVA, Victron Atlas 48/1600, REVO VM II 5.5kW, APC SmartUPS 5kVA + PLC Siemens Logo! + Dell Optiplex 3040 Micro (Proxmox: HA, Node-RED, InfluxDB, Grafana, Mqtt, Zigbee2Mqtt, Samba, Tailscale)
-
- Příspěvky: 1423
- Registrován: pon dub 24, 2023 8:47 am
- Reputace: 189
- Lokalita: Lašská brána Beskyd
- Systémové napětí: 48V
- Výkon panelů [Wp]: 8kWp
- Kapacita baterie [kWh]: 20kWh
Re: Bojler Ariston VELIS EVO Wi-Fi 80 - úprava pro FVE
Časová osa nahřívání po úpravě:
15:45 spuštění upraveného bojleru
18:15 konec NT (vypnutí bojleru)
00:15 začátek NT (spuštění bojleru)
05:15 konec NT (vypnutí bojleru)
BTW? Druhý bojler (Dražice OKCE 80) jsem již přivezl a taky se bude co nevidět chystat na instalaci pro předehřev TUV pomoci FVE.
15:45 spuštění upraveného bojleru
18:15 konec NT (vypnutí bojleru)
00:15 začátek NT (spuštění bojleru)
05:15 konec NT (vypnutí bojleru)
BTW? Druhý bojler (Dražice OKCE 80) jsem již přivezl a taky se bude co nevidět chystat na instalaci pro předehřev TUV pomoci FVE.
SkyFVE 8 kWp (ve výstavbě) na výzkumné "chytré" chatě. 4x MPPT Epever XTRA4415N 4x40A, 1x AC Charger WATE 42V/10A, Li-Ion 3x 12s 156Ah (20 kWh/44V), SkyPowerBox LF 4810 1kVA, Victron Atlas 48/1600, REVO VM II 5.5kW, APC SmartUPS 5kVA + PLC Siemens Logo! + Dell Optiplex 3040 Micro (Proxmox: HA, Node-RED, InfluxDB, Grafana, Mqtt, Zigbee2Mqtt, Samba, Tailscale)
-
- Příspěvky: 1423
- Registrován: pon dub 24, 2023 8:47 am
- Reputace: 189
- Lokalita: Lašská brána Beskyd
- Systémové napětí: 48V
- Výkon panelů [Wp]: 8kWp
- Kapacita baterie [kWh]: 20kWh
Re: Bojler Ariston VELIS EVO Wi-Fi 80 - úprava pro FVE
@sopousek: Tak zrovna Dražice jsou snad nejjednodušeji upravitelné na nižší výkon
.Taky jsem si jedny dovezl, které budu upravovat na příkon 550W/1100W (původně 2200W). Navíc Nadeta do nich dodává už hotové upravené topná tělesa na různé výkony (i různé napětí).

SkyFVE 8 kWp (ve výstavbě) na výzkumné "chytré" chatě. 4x MPPT Epever XTRA4415N 4x40A, 1x AC Charger WATE 42V/10A, Li-Ion 3x 12s 156Ah (20 kWh/44V), SkyPowerBox LF 4810 1kVA, Victron Atlas 48/1600, REVO VM II 5.5kW, APC SmartUPS 5kVA + PLC Siemens Logo! + Dell Optiplex 3040 Micro (Proxmox: HA, Node-RED, InfluxDB, Grafana, Mqtt, Zigbee2Mqtt, Samba, Tailscale)
-
- Příspěvky: 1461
- Registrován: ned led 01, 2023 6:17 pm
- Reputace: 300
- Lokalita: Východně od 3nce
- Systémové napětí: 48V
- Výkon panelů [Wp]: 16kWp
- Kapacita baterie [kWh]: 44kWh
- Chci prodávat energii: NE
- Chci/Mám dotaci: NE
Re: Bojler Ariston VELIS EVO Wi-Fi 80 - úprava pro FVE
Koupit OKCE 2/2 a zapojit obě spirály do série, mělo by to být 1kW
Koupit OKCE 2/4, tam je druhá spirála asi 3x1,3kW, pokud použiješ 1, tak 1,3kW, pokud 2 do série, tak 650W. Ten doma mám, ale ještě jsem druhou spirálu nepřipojil, budu spínat vytěžování FVE ve 3 stupních podle dostupného výkonu.
Koupit jako ND spirálu s výkonem jaký potřebuješ a v bojleru vyměnit, jak píše skybor.
Koupit OKCE 2/4, tam je druhá spirála asi 3x1,3kW, pokud použiješ 1, tak 1,3kW, pokud 2 do série, tak 650W. Ten doma mám, ale ještě jsem druhou spirálu nepřipojil, budu spínat vytěžování FVE ve 3 stupních podle dostupného výkonu.
Koupit jako ND spirálu s výkonem jaký potřebuješ a v bojleru vyměnit, jak píše skybor.
9,2kWp JV 45°, 4,6kWp JZ 45°, 2,3kWp JV 90°, 2 x Victron MP II 5kVA, 3 x SmartSolar 150/70, Smartshunt, Cerbo, 16x280Ah + 16X300Ah + 16x300Ah LiFePO4 + 3xJK BMS.
K levné elektřině se dostaneme jen vytrvalou prací a svým kapitálem. Vladimír List, Elektrisace Československa 1934
K levné elektřině se dostaneme jen vytrvalou prací a svým kapitálem. Vladimír List, Elektrisace Československa 1934
- sopousek
- Příspěvky: 2
- Registrován: stř kvě 10, 2023 7:35 am
- Reputace: 0
- Lokalita: Brno
- Systémové napětí: 48V
- Výkon panelů [Wp]: 2,67
- Kapacita baterie [kWh]: 12
Re: Bojler Ariston VELIS EVO Wi-Fi 80 - úprava pro FVE
Přidávám příspěvek ke vlastnímu dotazu, abych podal zprávu: "jak to dopadlo". Ten Ariston se dvěma tělesy je zbytečný a hlavně není na tvrdou vodu. Na tu je třeba bojler se suchým tělesem.
Koupil jsem bojler Dražice Dražice OKCE 100 za 6996Kč
. Nainstaloval jej do špičky štítu chaty (Dražice mají i případný dohřev proti zamrznutí). Připojil bojler na vodu a el. přes samostatný jistič 13A k rozvodu 230V mého ostrovního systému. Suché topné těleso pro tvrdou vodu odebírá reálně okolo 2,1kV. Takový výkon moje panely 2,6kVp většinou nemají, takže to jde s asistencí z baterek 12kWh. Na ohřátí vody na 60stC je třeba cca 40% energie čistě z baterií. Z 60stC na 30stc se teplá voda ochladí za cca 4dny. Výsledek je naprostá spokojenost
. Topné těleso bude třeba cca po roce zkontrolovat (aby se zjistilo jak ho ovlivňuje tvrdá voda). I tak mi ale stále energie přebývá (výhledově půjde do skleníku).



Ostrovní systém (chata) bez přípojek, FVE 2,7kWp, Victron Multiplus II, 48V, baterie BYD 12kWh, vrt, topení dřevem, vzdálený monitoring a ostraha.
-
- Příspěvky: 1423
- Registrován: pon dub 24, 2023 8:47 am
- Reputace: 189
- Lokalita: Lašská brána Beskyd
- Systémové napětí: 48V
- Výkon panelů [Wp]: 8kWp
- Kapacita baterie [kWh]: 20kWh
Re: Bojler Ariston VELIS EVO Wi-Fi 80 - úprava pro FVE
sopousek: OKCE má suché topné těleso. To bude i po 10 letech beze změny. Tam nemusíš nic kontrolovat. Můžeš si to topné těleso i upravit (bez vypuštění bojleru) na menši výkon (poloviční) a tím pošetřit baterku. Horší to bude s anodou, ta asi bude po dvou letech na výměnu.
SkyFVE 8 kWp (ve výstavbě) na výzkumné "chytré" chatě. 4x MPPT Epever XTRA4415N 4x40A, 1x AC Charger WATE 42V/10A, Li-Ion 3x 12s 156Ah (20 kWh/44V), SkyPowerBox LF 4810 1kVA, Victron Atlas 48/1600, REVO VM II 5.5kW, APC SmartUPS 5kVA + PLC Siemens Logo! + Dell Optiplex 3040 Micro (Proxmox: HA, Node-RED, InfluxDB, Grafana, Mqtt, Zigbee2Mqtt, Samba, Tailscale)
-
- Příspěvky: 11
- Registrován: úte led 02, 2024 12:37 pm
- Reputace: 4
- Lokalita: Olomouc
Re: Bojler Ariston VELIS EVO Wi-Fi 80 - úprava pro FVE
Muzes hodit odkaz na Ali co koupit? Dikykodl69 píše: pon kvě 22, 2023 3:47 amproč to asi píšu:takže nejlevnější řešení co tohle splňuje je přepínač sítí z aliexpresu. Není potřeba vymejšlet vymyšlený a opakovat chyby co už udělal někdo jinej...Podle normy to mají být dva stykačem mech. a el. blokovaný, s 4mm mezerama na kontaktech.
-
- Příspěvky: 1423
- Registrován: pon dub 24, 2023 8:47 am
- Reputace: 189
- Lokalita: Lašská brána Beskyd
- Systémové napětí: 48V
- Výkon panelů [Wp]: 8kWp
- Kapacita baterie [kWh]: 20kWh
Re: Bojler Ariston VELIS EVO Wi-Fi 80 - úprava pro FVE
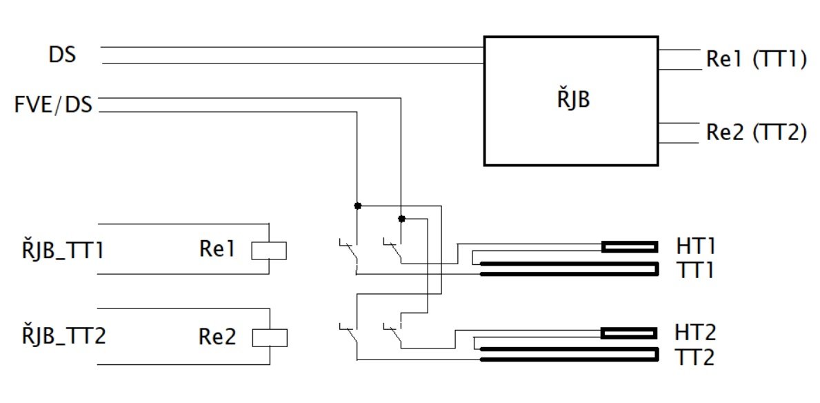
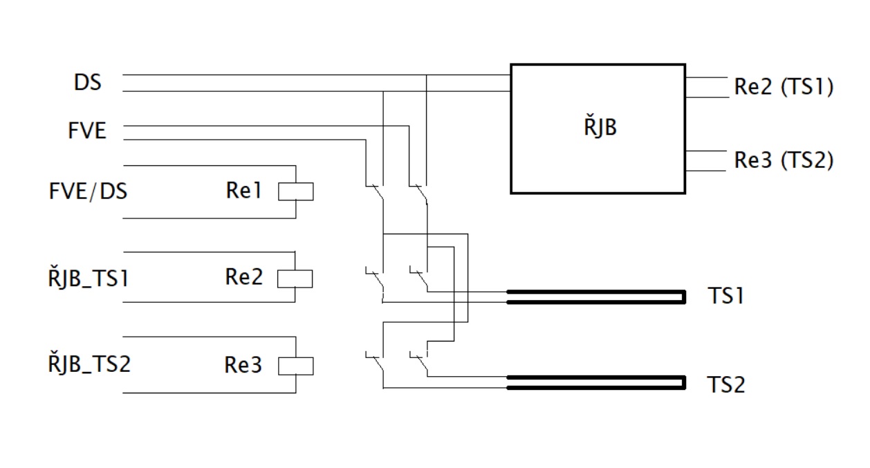
Tak v rámci příprav na druhou FVE sezonu došlo i na změnu zapojení našeho bojleru Ariston.
Elektronika je nyní připojená stále na DS a topné tělesa jsou připojované přes relé, které spína elektronika bojleru (místo toho aby spínala přímo topné tělesa). Přepínání napájení topných těles je nyní přesunuto do rozvaděče, kde je přepínání DS/FVE přes reverzní stykač. V rámci posílení bezpečnosti jsou topné tělesa připojeny přes přidané havarijní termostaty.
Elektronika je nyní připojená stále na DS a topné tělesa jsou připojované přes relé, které spína elektronika bojleru (místo toho aby spínala přímo topné tělesa). Přepínání napájení topných těles je nyní přesunuto do rozvaděče, kde je přepínání DS/FVE přes reverzní stykač. V rámci posílení bezpečnosti jsou topné tělesa připojeny přes přidané havarijní termostaty.
SkyFVE 8 kWp (ve výstavbě) na výzkumné "chytré" chatě. 4x MPPT Epever XTRA4415N 4x40A, 1x AC Charger WATE 42V/10A, Li-Ion 3x 12s 156Ah (20 kWh/44V), SkyPowerBox LF 4810 1kVA, Victron Atlas 48/1600, REVO VM II 5.5kW, APC SmartUPS 5kVA + PLC Siemens Logo! + Dell Optiplex 3040 Micro (Proxmox: HA, Node-RED, InfluxDB, Grafana, Mqtt, Zigbee2Mqtt, Samba, Tailscale)
-
- Příspěvky: 1423
- Registrován: pon dub 24, 2023 8:47 am
- Reputace: 189
- Lokalita: Lašská brána Beskyd
- Systémové napětí: 48V
- Výkon panelů [Wp]: 8kWp
- Kapacita baterie [kWh]: 20kWh
Re: Bojler Ariston VELIS EVO Wi-Fi 80 - úprava pro FVE
Tak, po roce provozu se něco podělalo. Původně jsem myslel, že něco v mém přídavném řízení, ale ona se podělala ta originál super elektronika bojleru
Takže jsem předělal komplet řízení ohřevu přímo z PLC (a NodeRED) a celou "chytrou!" originál elektroniku degradoval na zobrazení teploty na displeji bojleru

Takže jsem předělal komplet řízení ohřevu přímo z PLC (a NodeRED) a celou "chytrou!" originál elektroniku degradoval na zobrazení teploty na displeji bojleru

SkyFVE 8 kWp (ve výstavbě) na výzkumné "chytré" chatě. 4x MPPT Epever XTRA4415N 4x40A, 1x AC Charger WATE 42V/10A, Li-Ion 3x 12s 156Ah (20 kWh/44V), SkyPowerBox LF 4810 1kVA, Victron Atlas 48/1600, REVO VM II 5.5kW, APC SmartUPS 5kVA + PLC Siemens Logo! + Dell Optiplex 3040 Micro (Proxmox: HA, Node-RED, InfluxDB, Grafana, Mqtt, Zigbee2Mqtt, Samba, Tailscale)
Kdo je online
Uživatelé prohlížející si toto fórum: Claudebot [Bot] a 0 hostů