Vetranie kupelne s automatickym dobehom ventilatora
- el_salvadore
- Příspěvky: 173
- Registrován: pon led 28, 2019 8:39 pm
- Reputace: 21
- Lokalita: Považská Bystrica
- Systémové napětí: 48V
- Výkon panelů [Wp]: 6000
- Kapacita baterie [kWh]: 14,4
- Chci prodávat energii: NE
- Chci/Mám dotaci: NE
Vetranie kupelne s automatickym dobehom ventilatora
Zdravim pani, riesim vzduchotechniku v buducom ostrove, konkretne ventilator do kupelne. Jedna sa o nasledujuci problem. Chcel by som tam dat ventilator s automatickym dobehom aktivovanym vypinacom/tlacitkom, cize klasika, vydes z kupelne stlacis vypinac, ventilator sa zapne, frci par minut a potom sa sam vypne. Problem ale nastava ked treba riesit aj spotrebu samotneho solarneho menica v aktivnom stave. Chcem sa teda vyhnut tomu aby menic stale bezal ked tam registruje zataz (co i len minimalnu) a niesom si isty ci to bude tak aj v pripade tohto ventilatora. Ventilator ma zapojenie L,N a LT pre aktivaciu casoveho dobehu. Co s tym? treba to riesit alebo je zbytocne sa s tym zaoberat...?
Ostrov. 6kWp/14,4kWh/3x4000kVA (12xCanadian Solar CS3Y490MS, 4xPylontech US3000C, 3xXTM-4000-48, VS-120, RCC-02)
- mgx
- Příspěvky: 569
- Registrován: stř dub 15, 2015 1:14 pm
- Reputace: 111
- Bydliště: Tatranska Lomnica
Re: Vetranie kupelne s automatickym dobehom ventilatora
zaoberas sa somarinami. kup si normalny ventilator, k tomu shelly 1 alebo 1p, nastavis dobeh 5 minut a neriesis. Ak mas ostrov, druha moznost je ze si v kupelni spravis okno (preferovane) a na jar otvoris na vetracku a na jesen zavries. Vyhoda okna je, ze mas aj naturalne svetlo, pripadne pri defekacii mozes pozorovat okolie 

- el_salvadore
- Příspěvky: 173
- Registrován: pon led 28, 2019 8:39 pm
- Reputace: 21
- Lokalita: Považská Bystrica
- Systémové napětí: 48V
- Výkon panelů [Wp]: 6000
- Kapacita baterie [kWh]: 14,4
- Chci prodávat energii: NE
- Chci/Mám dotaci: NE
Re: Vetranie kupelne s automatickym dobehom ventilatora
Riesim detaily, to je snad dovolene. Kupovat dalsiu krabicu co nieco ovlada nieje zrovna moja salka kavy, v jednoduchosti je krasa. Legitimnejsia odpoved ako sekanie okien do murov by mozno bolo nastavenie citlivosti menica, tie lepsie by to mali zvladnut.
Ostrov. 6kWp/14,4kWh/3x4000kVA (12xCanadian Solar CS3Y490MS, 4xPylontech US3000C, 3xXTM-4000-48, VS-120, RCC-02)
- mgx
- Příspěvky: 569
- Registrován: stř dub 15, 2015 1:14 pm
- Reputace: 111
- Bydliště: Tatranska Lomnica
Re: Vetranie kupelne s automatickym dobehom ventilatora
spytam sa takto, okno v tej kupelni budes mat? Ak nie, tak predpokladam ze sa nekupes po tme a pojde tam nejaka ziarovka (ci uz 48V DC alebo 220V AC necham na teba). AK zapnes jedno, menic sa prepne zo stavu standby (povedzme 5W na beznu prevadzku 20W). Druha moznost je napajat 48V rozvod priamo baterkou a vtedy mozes napojit ventilator priamo na neho (zasa shelly DC podporuje aj DC rozvody).
nastavenie citlivosti menica, tie lepsie by to mali zvladnut = daj mi jeden menic, kde sa da takato "citlivost" nastavit
.
nastavenie citlivosti menica, tie lepsie by to mali zvladnut = daj mi jeden menic, kde sa da takato "citlivost" nastavit

- el_salvadore
- Příspěvky: 173
- Registrován: pon led 28, 2019 8:39 pm
- Reputace: 21
- Lokalita: Považská Bystrica
- Systémové napětí: 48V
- Výkon panelů [Wp]: 6000
- Kapacita baterie [kWh]: 14,4
- Chci prodávat energii: NE
- Chci/Mám dotaci: NE
Re: Vetranie kupelne s automatickym dobehom ventilatora
V tej kupelni okno nieje. Svietit sa bude 48V LED. Citlivostou som myslel prave ten treshold pri ktorom prepne zo stand-by na ON. A jeden, kde by ten treshold mal byt nastavitelny, by som pre teba mal:
https://www.studer-innotec.com/media/do ... 8.0_en.pdf
7.1.1 Automatic load detection (load search)
In order to save battery energy, the Xtender inverter stops and automatically goes into load search
mode when the detected load is lower than the sensitivity set by the parameter {1187}.
https://www.studer-innotec.com/media/do ... 8.0_en.pdf
7.1.1 Automatic load detection (load search)
In order to save battery energy, the Xtender inverter stops and automatically goes into load search
mode when the detected load is lower than the sensitivity set by the parameter {1187}.
Ostrov. 6kWp/14,4kWh/3x4000kVA (12xCanadian Solar CS3Y490MS, 4xPylontech US3000C, 3xXTM-4000-48, VS-120, RCC-02)
- mgx
- Příspěvky: 569
- Registrován: stř dub 15, 2015 1:14 pm
- Reputace: 111
- Bydliště: Tatranska Lomnica
Re: Vetranie kupelne s automatickym dobehom ventilatora
Dakujem, jeden taky na stene mam.
Moje nastavenie je 10% (screenshot), ale nechapem kam tym cielis a co konkretne chces usetrit (aktivnu spotrebu menica?). Ak ta mrzi spotreba v rezime Active, mozes sice zvysit citlivost na 100%, ale zasa ti nemusi ist router, laptop, atd. Samozrejme, zavisi od nastavenia, ale bezna spotreba XTM 4000-48 za den je okolo 0.6kWh. U mna dom aj ked spi berie 100W (routery, LoraWan GW, kamery, Nas, chladnicka). Pri porovnani s bazalnou spotrebou bezneho domu je to naozaj zanedbatelna vec. Ak chces setrit, tak bud natvrdo -> ziadne elektricke blbosti ala ventilatoriky, kurenie samospad. Alebo toto vsetko spravit primarne na 48 DC a poriadne prepanelovat. Menic dat len na "velke spotrebice" na AC. Tretia moznost je neriesit a nechat vsetko na AC. Ja mam rekonstrukciu stareho domu a natahovat nove DC by znamenalo zasa vsetko rozburat, takze som isiel 3tou cestou, ale v pripade noveho by som si urcite spravil 48V DC zbernicu.
Takze, aj ked je tam citlivostny parameter, neusetris absolutne nic.
Bud ti menic nepojde (lebo odber v rezime load search < hranicu nastavenia). Vysledok je ze ventilator nejde.
Alebo je nad a ventilator ide ale invertor je v rezime active. Tak ci onak, neda sa ovplyvnit "vnutorna spotreba menica", o ktoru sa tu snazis, ta je dana zapojenim, nie SW nastavenim.
Moje nastavenie je 10% (screenshot), ale nechapem kam tym cielis a co konkretne chces usetrit (aktivnu spotrebu menica?). Ak ta mrzi spotreba v rezime Active, mozes sice zvysit citlivost na 100%, ale zasa ti nemusi ist router, laptop, atd. Samozrejme, zavisi od nastavenia, ale bezna spotreba XTM 4000-48 za den je okolo 0.6kWh. U mna dom aj ked spi berie 100W (routery, LoraWan GW, kamery, Nas, chladnicka). Pri porovnani s bazalnou spotrebou bezneho domu je to naozaj zanedbatelna vec. Ak chces setrit, tak bud natvrdo -> ziadne elektricke blbosti ala ventilatoriky, kurenie samospad. Alebo toto vsetko spravit primarne na 48 DC a poriadne prepanelovat. Menic dat len na "velke spotrebice" na AC. Tretia moznost je neriesit a nechat vsetko na AC. Ja mam rekonstrukciu stareho domu a natahovat nove DC by znamenalo zasa vsetko rozburat, takze som isiel 3tou cestou, ale v pripade noveho by som si urcite spravil 48V DC zbernicu.
Takze, aj ked je tam citlivostny parameter, neusetris absolutne nic.
Bud ti menic nepojde (lebo odber v rezime load search < hranicu nastavenia). Vysledok je ze ventilator nejde.
Alebo je nad a ventilator ide ale invertor je v rezime active. Tak ci onak, neda sa ovplyvnit "vnutorna spotreba menica", o ktoru sa tu snazis, ta je dana zapojenim, nie SW nastavenim.
- el_salvadore
- Příspěvky: 173
- Registrován: pon led 28, 2019 8:39 pm
- Reputace: 21
- Lokalita: Považská Bystrica
- Systémové napětí: 48V
- Výkon panelů [Wp]: 6000
- Kapacita baterie [kWh]: 14,4
- Chci prodávat energii: NE
- Chci/Mám dotaci: NE
Re: Vetranie kupelne s automatickym dobehom ventilatora
Ano jednalo sa mi o zamedzenie zbytocnej spotreby menica v aktivnom stave, kedze ventilator s casovacom, aj ked vypnuty je stale natvrdo pripojeny na fazu: Jednoducho nastavit citlivost menica tak, aby nereagoval na spotrebu v idle rezime ventilatora ale az po jeho aktivovani (S3). Ale uz asi rozumiem kam mieris, kedze spinacia elektronika nebude aktivna v idle rezime, ventilator nezopne ani po jeho aktivacii S3. Pokial je to takto tak sa ospravedlnujem, az teraz mi to docvaklo. To odporucane relatko potom zacne davat zmysel.Moje nastavenie je 10% (screenshot), ale nechapem kam tym cielis a co konkretne chces usetrit (aktivnu spotrebu menica?).
Ja sa chystam urcite riesit DC48V rozvody na svetla,wifi a pod.
Ostrov. 6kWp/14,4kWh/3x4000kVA (12xCanadian Solar CS3Y490MS, 4xPylontech US3000C, 3xXTM-4000-48, VS-120, RCC-02)
- beethowen
- Příspěvky: 868
- Registrován: pát čer 23, 2017 7:46 pm
- Reputace: 153
- Bydliště: Brno-venkov
Re: Vetranie kupelne s automatickym dobehom ventilatora
To je právě ono. V idle režimu se měnič v pravidelných intervalech na maličkou chvíli zapne změří odběr na výstupu a pokud není odběr vyšší než nastavená hodnota, tak se zase uspí. Tak se to neustále opakuje a může dosáhnout té nízké spotřeby.
V běžné domácnosti se to moc neuplatní. Potom by ti nefungovaly různé časovače třeba na pračky, myčky, atd. Ty standby obvody v přístrojích by musely být upraveno na baterii, nebo na ten DC rozvod.
Ono se to hodí třeba někde na chatu, kde máš max. světla nebo třeba lednici (ale né moc "chytrou", jenom s termostatem). Když se něco z toho zapne, tak měnič to pozná a na potřebnou dobu se nahodí. Jakmile spotřeba ustane, tak se zase uspí.
V domácnosti to bude trošku těžší to vyladit, aby to nevadilo komfortu. Ale asi by to šlo. Kdyby s tím počítali výrobci, bylo by to fajn. Stačil by do každého přístroje, který to potřebuje, malý akumulátor. Který by se nabil, když by byl přístroj zapnutý.
V běžné domácnosti se to moc neuplatní. Potom by ti nefungovaly různé časovače třeba na pračky, myčky, atd. Ty standby obvody v přístrojích by musely být upraveno na baterii, nebo na ten DC rozvod.
Ono se to hodí třeba někde na chatu, kde máš max. světla nebo třeba lednici (ale né moc "chytrou", jenom s termostatem). Když se něco z toho zapne, tak měnič to pozná a na potřebnou dobu se nahodí. Jakmile spotřeba ustane, tak se zase uspí.
V domácnosti to bude trošku těžší to vyladit, aby to nevadilo komfortu. Ale asi by to šlo. Kdyby s tím počítali výrobci, bylo by to fajn. Stačil by do každého přístroje, který to potřebuje, malý akumulátor. Který by se nabil, když by byl přístroj zapnutý.
10,2kWp poly/mono, XTH6000-48, 2x VT-80A, Li-ion 48kWh
viewtopic.php?t=5358#p103484
viewtopic.php?t=4136#p72550
viewtopic.php?t=5358#p103484
viewtopic.php?t=4136#p72550
-
- Příspěvky: 8011
- Registrován: sob črc 19, 2014 8:56 pm
- Reputace: 1008
- Lokalita: severně od Brna
- Systémové napětí: 48V
- Výkon panelů [Wp]: 8kWp
- Kapacita baterie [kWh]: 12kWh
- Chci prodávat energii: NE
- Chci/Mám dotaci: NE
Re: Vetranie kupelne s automatickym dobehom ventilatora
Větrání WC a koupelny jsem nedávno řešil. Klidová spotřeba 0W. Žádnej měnič. Ventilátor 120mm na 48V z ali za 10USD, časovej spínač průmyslovej, tuším siemens., kterej funguje od 12V DC po 230V AC. Zapojený to mám tak, že tlačítkem připojím napájení časovače, a přes diodu je tam zapojen výstup tj. po dobu sepnutí ventilátoru má časovač napájení, až odpadne kontakt, je to odpojeno. Jednoduché, účinné. Když už jsou světla na DC rozvodu, proč by nebyl ventilátor.
ostrov skoro 8kWp neustále ve stádiu zrodu: smartshunt(ex WBJR), MPPT150/45, MPPT 250/100(ex midnitesolar 150 clasic lite), 16S a různě P cca 340Ah Winston, MP II 5000,( ex Powerjack 8kW, ex samodomo cca 4kW). 48V DC rozvody a spotřebiče.
- el_salvadore
- Příspěvky: 173
- Registrován: pon led 28, 2019 8:39 pm
- Reputace: 21
- Lokalita: Považská Bystrica
- Systémové napětí: 48V
- Výkon panelů [Wp]: 6000
- Kapacita baterie [kWh]: 14,4
- Chci prodávat energii: NE
- Chci/Mám dotaci: NE
Re: Vetranie kupelne s automatickym dobehom ventilatora
@beethoven: to je dobry dotaz s tou chladnickou... ako najlepsie odhadnut "inteligenciu" chladnicky pred jej kupou, aby splnala dane poziadavky, cize iba spinanie termostatom? Mojim cielom bolo pouzit chladnicku s co najmensim (ale dostacujucim pre 2 osoby) objemom, bez displayov a ovladacich prvkov na vonkajsej strane, a samozrejme s max. uspornostou.
@kodl69, si si isty ze je to 48V? Ja tam (na Ali/Ebay) ine ako na 12/24V nevidim, potom by to bolo treba konvertovat DC/DC menicom, aj nad tym uvazujem.
@kodl69, si si isty ze je to 48V? Ja tam (na Ali/Ebay) ine ako na 12/24V nevidim, potom by to bolo treba konvertovat DC/DC menicom, aj nad tym uvazujem.
Ostrov. 6kWp/14,4kWh/3x4000kVA (12xCanadian Solar CS3Y490MS, 4xPylontech US3000C, 3xXTM-4000-48, VS-120, RCC-02)
- mgx
- Příspěvky: 569
- Registrován: stř dub 15, 2015 1:14 pm
- Reputace: 111
- Bydliště: Tatranska Lomnica
Re: Vetranie kupelne s automatickym dobehom ventilatora
@el_salvatore -> DC ventilatory 48V su bezny standard, v podstate sa ine ani v telco nepouzivaju. Robit DC/DC konverziu je tu zbytocne a neefektivne.
Ja mam overenu nasl. kombinaciu:
Ventilator z TME
https://www.tme.eu/sk/details/4418f_2/v ... ebm-papst/
cena sice 45euro, ale dostupne kryty, filtre, mas ho 2hy den.
Ak chces cakat mesiac-dva a cena je dolezita, tak ali
Napr:
https://www.aliexpress.com/item/3276891 ... web201603_
je tam verzia 48V/4500rpm, ale su 2-3x hlucnejsie. Dalsia moznost si kupit velky ventilator a urobit ho na pomale otacky
.
Casovac a spinanie tlacitkovym vypinacom (aj sceny a pod) riesim SHelly 1/Shelly 1pm s standby/active spotrebou 0.75W/1W, kde sa da nastavit zapnutie, vypnutie, casovanie, sceny, co len chces. cena shelly 10euro. shelly je v krabici za vypinacom. Shelly toleruje 230V AC alebo 24-60V DC.
Ja mam overenu nasl. kombinaciu:
Ventilator z TME
https://www.tme.eu/sk/details/4418f_2/v ... ebm-papst/
cena sice 45euro, ale dostupne kryty, filtre, mas ho 2hy den.
Ak chces cakat mesiac-dva a cena je dolezita, tak ali
Napr:
https://www.aliexpress.com/item/3276891 ... web201603_
je tam verzia 48V/4500rpm, ale su 2-3x hlucnejsie. Dalsia moznost si kupit velky ventilator a urobit ho na pomale otacky

Casovac a spinanie tlacitkovym vypinacom (aj sceny a pod) riesim SHelly 1/Shelly 1pm s standby/active spotrebou 0.75W/1W, kde sa da nastavit zapnutie, vypnutie, casovanie, sceny, co len chces. cena shelly 10euro. shelly je v krabici za vypinacom. Shelly toleruje 230V AC alebo 24-60V DC.
- el_salvadore
- Příspěvky: 173
- Registrován: pon led 28, 2019 8:39 pm
- Reputace: 21
- Lokalita: Považská Bystrica
- Systémové napětí: 48V
- Výkon panelů [Wp]: 6000
- Kapacita baterie [kWh]: 14,4
- Chci prodávat energii: NE
- Chci/Mám dotaci: NE
Re: Vetranie kupelne s automatickym dobehom ventilatora
@ MGX, ja som hladal klasicke ventilatory do kupelne aj s nejakym tym IP krytim, pokial to bude odtahovat vlhke vodne pary az to casom neklakne. Ale pokial to je overene a v poriadku tak potom fajn. Vdaka za tip, dam to s tym shelly dohromady.
Ostrov. 6kWp/14,4kWh/3x4000kVA (12xCanadian Solar CS3Y490MS, 4xPylontech US3000C, 3xXTM-4000-48, VS-120, RCC-02)
-
- Příspěvky: 8011
- Registrován: sob črc 19, 2014 8:56 pm
- Reputace: 1008
- Lokalita: severně od Brna
- Systémové napětí: 48V
- Výkon panelů [Wp]: 8kWp
- Kapacita baterie [kWh]: 12kWh
- Chci prodávat energii: NE
- Chci/Mám dotaci: NE
Re: Vetranie kupelne s automatickym dobehom ventilatora
jsem si jistý, mám je doma a i na tom aliexpresu je potřeba umět hledat: https://www.aliexpress.com/item/4001094 ... 4c4dR6aQjk
https://www.aliexpress.com/item/1005001 ... 4c4dR6aQjk
60mm: https://www.aliexpress.com/item/4000649 ... 4c4dR6aQjk
a na konec axiál, kterj by mohl natáhnout i menší domáčí zvíře: https://www.aliexpress.com/item/3302106 ... 4c4dR6aQjk
ale ten se jaksi na potrubí moc nehodí, mám ho nachystanej na chlazení měniče.
Samozřejmě je možný dát i 12V variantu, a k tomu obyč DC/DC, mám odzkoušený tyhle: https://www.aliexpress.com/item/3291247 ... web201603_ ale po tragické zkušenosti, kdy se mi jeden prorazil, dávám i na vstup i na výstup transil...
Jestli si myslíš, že origo ventilátor na 230V do koupelny má nějak ošetřenej ten motorek proti vlhkosti, tak tě můžu ujistit, že nemá.
Ten Sanyo je hlučnější a má až moc velkej tah na odtah z koupelny a WC (mám jedno potrubí se zp. klapkama) a ten číňan viz odkaz je celkem ok. 4,5tis. otáček už bude celkem mela... Už mi to takhle funguje několik let, s tím, že ventilátor je v půdním meziprostoru mezi dvěma hrdly 120mm novoduru, skrz dírky ve ventilátoru jsou M3 závitovky a samořezkama přes úhelníčky z měerkuru je to přitažený k novoduru, hermetičnost zajistila šedá "americká" lepicí páska. Až to budu jednou rozdělávat, tak tady čekám problém.
Shelly: další čínskej krakatit s cloudovým ovládáním. a 1W spotřeba? to je za rok 8,7kWh!!! to bych nedopustil, já si provozuju jiný žrouty trvale
Teď na mě jukla ještě 90mm varianta, https://www.aliexpress.com/item/1005001 ... 5613%23468 po obrání rožků by se měla vejít do 100mm trubky jak nic, 36dB je celkem rozumná hlučnost.
https://www.aliexpress.com/item/1005001 ... 4c4dR6aQjk
60mm: https://www.aliexpress.com/item/4000649 ... 4c4dR6aQjk
a na konec axiál, kterj by mohl natáhnout i menší domáčí zvíře: https://www.aliexpress.com/item/3302106 ... 4c4dR6aQjk
ale ten se jaksi na potrubí moc nehodí, mám ho nachystanej na chlazení měniče.
Samozřejmě je možný dát i 12V variantu, a k tomu obyč DC/DC, mám odzkoušený tyhle: https://www.aliexpress.com/item/3291247 ... web201603_ ale po tragické zkušenosti, kdy se mi jeden prorazil, dávám i na vstup i na výstup transil...
Jestli si myslíš, že origo ventilátor na 230V do koupelny má nějak ošetřenej ten motorek proti vlhkosti, tak tě můžu ujistit, že nemá.
Ten Sanyo je hlučnější a má až moc velkej tah na odtah z koupelny a WC (mám jedno potrubí se zp. klapkama) a ten číňan viz odkaz je celkem ok. 4,5tis. otáček už bude celkem mela... Už mi to takhle funguje několik let, s tím, že ventilátor je v půdním meziprostoru mezi dvěma hrdly 120mm novoduru, skrz dírky ve ventilátoru jsou M3 závitovky a samořezkama přes úhelníčky z měerkuru je to přitažený k novoduru, hermetičnost zajistila šedá "americká" lepicí páska. Až to budu jednou rozdělávat, tak tady čekám problém.
Shelly: další čínskej krakatit s cloudovým ovládáním. a 1W spotřeba? to je za rok 8,7kWh!!! to bych nedopustil, já si provozuju jiný žrouty trvale

Teď na mě jukla ještě 90mm varianta, https://www.aliexpress.com/item/1005001 ... 5613%23468 po obrání rožků by se měla vejít do 100mm trubky jak nic, 36dB je celkem rozumná hlučnost.
ostrov skoro 8kWp neustále ve stádiu zrodu: smartshunt(ex WBJR), MPPT150/45, MPPT 250/100(ex midnitesolar 150 clasic lite), 16S a různě P cca 340Ah Winston, MP II 5000,( ex Powerjack 8kW, ex samodomo cca 4kW). 48V DC rozvody a spotřebiče.
- el_salvadore
- Příspěvky: 173
- Registrován: pon led 28, 2019 8:39 pm
- Reputace: 21
- Lokalita: Považská Bystrica
- Systémové napětí: 48V
- Výkon panelů [Wp]: 6000
- Kapacita baterie [kWh]: 14,4
- Chci prodávat energii: NE
- Chci/Mám dotaci: NE
Re: Vetranie kupelne s automatickym dobehom ventilatora
@kodl69, na ten priemyslovy casovac ktory tam mas nahodou nejaky link nenajdes? resp. alternativu. vdaka
Ostrov. 6kWp/14,4kWh/3x4000kVA (12xCanadian Solar CS3Y490MS, 4xPylontech US3000C, 3xXTM-4000-48, VS-120, RCC-02)
- mgx
- Příspěvky: 569
- Registrován: stř dub 15, 2015 1:14 pm
- Reputace: 111
- Bydliště: Tatranska Lomnica
Re: Vetranie kupelne s automatickym dobehom ventilatora
@kodl69 - shelly vyrabaju bulhari, na baze bezneho ESP32. Cloud nemusis mat vobec zapnuty ak nechces, ja to mam zlinkovane s domacou automatizaciou HOME ASSISTANT bez cloudu. Mozes si tam hodit akykolvek firmware chces, ma to dokonca aj vyvedene programovaci interface. Takze ak chces, kludne custom fw tasmota alebo iny opensource.
-
- Příspěvky: 8011
- Registrován: sob črc 19, 2014 8:56 pm
- Reputace: 1008
- Lokalita: severně od Brna
- Systémové napětí: 48V
- Výkon panelů [Wp]: 8kWp
- Kapacita baterie [kWh]: 12kWh
- Chci prodávat energii: NE
- Chci/Mám dotaci: NE
Re: Vetranie kupelne s automatickym dobehom ventilatora
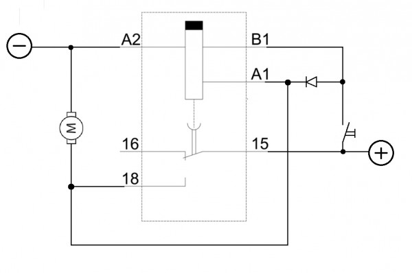
https://mall.industry.siemens.com/mall/ ... guage%3Den
zapojení je prosté, - přívod na A2, tlačítko jedním koncem na + a na + i svorku 15, druhej konec tlačítka na B1, dioda z B1 (anoda) na(katoda) A1, na vývod 18 spojit s A1 a na ventilátor. Samozřejmě může být A1 zapojenej na + pořád, ale bude to mít pár mA klidovou spotřebu, a na to jsem úchyl. Tohle jsem použil proto, že to bylo v šuplíku, nekupoval jsem to. V zásadě díky diodě se dostane napájení i na A1, kam se dostane i po sepnutí kontaktu, a je tam napájení do konce intervalu, pak už je všechno odpojeno od napájení.
to MGX - vyzkouším. Ostatně sonoff je esp8266, taky se dá zkrotit, ale tak jak je z obchodu, je to klasickej krakatit v rukou číňana.
Máš někde odkaz, kde se to koupí a kde jsou alternativní firmware? Možná by to sneslo samostaný vlákno ohledně home asistant a pod...
zapojení je prosté, - přívod na A2, tlačítko jedním koncem na + a na + i svorku 15, druhej konec tlačítka na B1, dioda z B1 (anoda) na(katoda) A1, na vývod 18 spojit s A1 a na ventilátor. Samozřejmě může být A1 zapojenej na + pořád, ale bude to mít pár mA klidovou spotřebu, a na to jsem úchyl. Tohle jsem použil proto, že to bylo v šuplíku, nekupoval jsem to. V zásadě díky diodě se dostane napájení i na A1, kam se dostane i po sepnutí kontaktu, a je tam napájení do konce intervalu, pak už je všechno odpojeno od napájení.
to MGX - vyzkouším. Ostatně sonoff je esp8266, taky se dá zkrotit, ale tak jak je z obchodu, je to klasickej krakatit v rukou číňana.
Máš někde odkaz, kde se to koupí a kde jsou alternativní firmware? Možná by to sneslo samostaný vlákno ohledně home asistant a pod...
ostrov skoro 8kWp neustále ve stádiu zrodu: smartshunt(ex WBJR), MPPT150/45, MPPT 250/100(ex midnitesolar 150 clasic lite), 16S a různě P cca 340Ah Winston, MP II 5000,( ex Powerjack 8kW, ex samodomo cca 4kW). 48V DC rozvody a spotřebiče.
- mgx
- Příspěvky: 569
- Registrován: stř dub 15, 2015 1:14 pm
- Reputace: 111
- Bydliště: Tatranska Lomnica
Re: Vetranie kupelne s automatickym dobehom ventilatora
@kodl69 - kupujem priamo na shelly.cloud. Bulhar ma dobre ceny, doprava vacsinou do tyzdna doma.
idem so stock firmware, ale tasmota to podporuje uplne v pohode
eshop: https://shelly.cloud/
urcite najdes aj na SK,CZ ale mierne predrazene
https://tasmota.github.io/docs/devices/Shelly-1/
pripadne mi posli PM.
idem so stock firmware, ale tasmota to podporuje uplne v pohode
eshop: https://shelly.cloud/
urcite najdes aj na SK,CZ ale mierne predrazene
https://tasmota.github.io/docs/devices/Shelly-1/
pripadne mi posli PM.
- el_salvadore
- Příspěvky: 173
- Registrován: pon led 28, 2019 8:39 pm
- Reputace: 21
- Lokalita: Považská Bystrica
- Systémové napětí: 48V
- Výkon panelů [Wp]: 6000
- Kapacita baterie [kWh]: 14,4
- Chci prodávat energii: NE
- Chci/Mám dotaci: NE
Re: Vetranie kupelne s automatickym dobehom ventilatora
@Kodl69: Vdaka za detailny popis. Kazdopadne, pokial by si A1 napojil na + pernamentne, nepremostil by si tym ventilator tiez natvrdo na +? Resp, vtedy by si asi nespajal 18 s A1...kodl69 píše:https://mall.industry.siemens.com/mall/ ... guage%3Den
zapojení je prosté, - přívod na A2, tlačítko jedním koncem na + a na + i svorku 15, druhej konec tlačítka na B1, dioda z B1 (anoda) na(katoda) A1, na vývod 18 spojit s A1 a na ventilátor. Samozřejmě může být A1 zapojenej na + pořád, ale bude to mít pár mA klidovou spotřebu...
Ostrov. 6kWp/14,4kWh/3x4000kVA (12xCanadian Solar CS3Y490MS, 4xPylontech US3000C, 3xXTM-4000-48, VS-120, RCC-02)
-
- Příspěvky: 8011
- Registrován: sob črc 19, 2014 8:56 pm
- Reputace: 1008
- Lokalita: severně od Brna
- Systémové napětí: 48V
- Výkon panelů [Wp]: 8kWp
- Kapacita baterie [kWh]: 12kWh
- Chci prodávat energii: NE
- Chci/Mám dotaci: NE
Re: Vetranie kupelne s automatickym dobehom ventilatora
Samozřejmě, potom není nutná ani dioda a propoj 18 - A1 tam nesmí být, ale tohle je zapojení úchyla na každej miliampér klidové spotřeby
.Takhle to bude fungovat i s časovejma spínačema jinejch výrobců, běžně se takovýhle věci vyskytují na hřbitovech strojů...

ostrov skoro 8kWp neustále ve stádiu zrodu: smartshunt(ex WBJR), MPPT150/45, MPPT 250/100(ex midnitesolar 150 clasic lite), 16S a různě P cca 340Ah Winston, MP II 5000,( ex Powerjack 8kW, ex samodomo cca 4kW). 48V DC rozvody a spotřebiče.
- Petra366
- Příspěvky: 1
- Registrován: čtv zář 21, 2023 1:08 pm
- Reputace: 0
- Lokalita: Olomouc
Re: Vetranie kupelne s automatickym dobehom ventilatora
Zdá se, že máte zajímavý projekt týkající se ventilace v koupelně. Co se týče vaší otázky ohledně spotřeby solárního měniče a ventilátoru s automatickým dobehem, mohu vám nabídnout několik tipů.el_salvadore píše: čtv led 07, 2021 3:44 pmZdravim pani, riesim vzduchotechniku v buducom ostrove, konkretne ventilator do kupelne. Jedna sa o nasledujuci problem. Chcel by som tam dat ventilator s automatickym dobehom aktivovanym vypinacom/tlacitkom, cize klasika, vydes z kupelne stlacis vypinac, ventilator sa zapne, frci par minut a potom sa sam vypne. Problem ale nastava ked treba riesit aj spotrebu samotneho solarneho menica v aktivnom stave. Chcem sa teda vyhnut tomu aby menic stale bezal ked tam registruje zataz (co i len minimalnu) a niesom si isty ci to bude tak aj v pripade tohto ventilatora. Ventilator ma zapojenie L,N a LT pre aktivaciu casoveho dobehu. Co s tym? treba to riesit alebo je zbytocne sa s tym zaoberat...?
Pokud ventilátor má zapojení L (fáze), N (nulový vodič) a LT pro aktivaci časového doběhu, můžete se pokusit nainstalovat relé mezi L a LT. To by mohlo pomoci řešit váš problém s nepřetržitým provozem solárního měniče. Relé by bylo aktivováno stiskem tlačítka pro ventilátor a poskytlo by fázi pouze tehdy, když je ventilátor aktivován. Jakmile se ventilátor automaticky vypne, relé by mohlo odpojit fázi od LT a tím vypnout i solární měnič.
Reklama smazana, jestli chces, domluv se na spolupraci s adminem!
Kdo je online
Uživatelé prohlížející si toto fórum: Claudebot [Bot] a 0 hostů