Malý panel k chlazení piva s natáčením na slunce
-
- Příspěvky: 13
- Registrován: pát říj 18, 2019 9:40 am
- Reputace: 19
Malý panel k chlazení piva s natáčením na slunce
Panelitida a solarióza
POZDRAV VŠEM PACIENTŮM!
ZÁKLADNÍ IDEA A POŽADAVKY – pro začátek mírně nevážně:
Protože na naší zahrádce nemáme elektřinu a já nenávidím teplé pivo, rozhodl jsem se pro stavbu malé sluneční elektrárničky. Je to honosný název pro jediný panýlek, který se snaží šmírovat slunce. Jsem si naprosto vědom faktu, že tohle zařízení je naprosto amatérské a bylo mi úplně jedno, že se asi nikdy nemůže zaplatit, ale studené pivo je studené pivo. V podstatě to bylo jen hračičkování a hlavně – chlastání piva je můj koníček. Totiž pochopitelně elektronika a bastlení.
Protože naše zahrádka má rozměry pouze 20 x 15 m a výběr místa se stálým slunečním svitem bez překážek mám silně omezen, nemohl a nechtěl jsem stavět žádný megalomanský projekt.
Hlavní inspiraci jsem čerpal od pana Radima Řeháka, který zde už také publikoval (nick „radimre“) a jehož samotný web jsem objevil jako první. Tímto mu vyjadřuji velké poděkování. Své zařízení jsem si sice navrhoval sám a se svými požadavky, ale některé obvody jsem zcela bezostyšně obšlehl a upravil pro své potřeby. Nač vymýšlet znova něco, co je již vymyšleno a osvědčilo se.
Celé zařízení je v podstatě jen drahá hračka, ale svůj účel splňuje – celé léto jsme měli vychlazené pití a nekazily se nám pochutiny. Vím jen jedno – tudy cesta zatím nevede, pokud se nepodaří řídit počasí a zajistit, aby slunce svítilo i v noci. Nemuseli bychom chodit spát a mohli bychom chodit furt do práce a budovat kapitalismus. Panebože, kam na tyhle kraviny chodím? To je nedostatek chlastu!
Dokud se nepodaří silně zvednout účinnost panelů a akumulátorů a zároveň neklesnou ceny, budou to jen v podstatě drahé hračky. Celý trh je pokřiven dotacemi, někdo na tom vydělává těžký prachy a my jim to platíme. Všem těm politikům bych rozkopal rypáky. Zcela jednoznačně jsem zastáncem jaderných elektráren. Tu však bohužel neumím vyrobit doma na koleně.
Popis zařízení - teď zase trochu vážněji:
Fotovoltaický panel (dále jen panel) s deklarovaným výkonem cca 160W nabíjí přes tzv. solar tracker MPPT akumulátor 77 Ah, který pohání relativně velkou autoledničku. Z důvodu docílení vyšší účinnosti výroby elektřiny po delší denní dobu (zejména v létě) je panel umístěn na natáčecí konstrukci, kterou pohání 2 motory s převodovkami – jeden je určen pro horizontální pohon směrem z východu na západ a večer zpět na východ, druhý pro vertikální pohon směrem od země k nebi a zpět podle výšky slunce. Pohyby konstrukce s panelem – řízení a ovládání motorů obstarává řídící elektronika umístěná v ovládací skříňce poblíž konstrukce.
Na konstrukci se nacházejí kromě obou motorů s převodovkami také 4 koncové spínače, které zajistí vypnutí napájení příslušných motorů při dosažení krajních nastavených požadovaných poloh.
Fotorezistor zabudovaný na konstrukci v malé samostatné krabičce dává informaci o venkovním osvětlení do komparátoru na desce s plošnými spoji (DPS) a ten po západu slunce rozhoduje o návratu panelu zpět na východ a čekání na rozednění.
Na samostatné vertikálně pohyblivé části konstrukce nad samotným panelem se nachází čtveřice fotorezistorů, která je umístěna tak, aby rozeznala svým osvětlením od slunce, kam je potřeba posunout a natočit panel pro co největší účinnost. Horizontální dvojice posílá informaci do komparátoru směr západ / východ, vertikální dvojice je určena pro komparátor směr nahoru / dolů. Oba komparátory poté pošlou povely pro relé, která zajistí sepnutí napájení příslušných měničů pro napájení motorů pro pohyb konstrukce požadovanými směry.
Výstup z panelu – vyrobená energie - je vedena vodiči do chatky k trackeru, který se podle svých technických specifikací stará o nabíjení hlavního akumulátoru, jeho ochrany a distribuci energie do spotřebičů. Druhý dodělávaný výstup z panelu je veden do ovládací skříňky, kde je přes dobíjecí automatický obvod hlídán a nabíjen malý akumulátor, který se stará o napájení celé desky řídící elektroniky. Stav jeho případného vybití hlídá obvod s indikací dvoubarevnou LED zelená / červená, který je nastaven na vypínací napětí vybitého akumulátoru na 10V z důvodu jeho ochrany proti nadměrnému vybití. Tento obvod pro mě vymyslel pan Jaroslav Belza, kterému tímto rovněž moc děkuji. Já jsem ho opět jen trochu upravil dle svých potřeb (ten obvod, ne pana Belzu).
Obsluha zařízení: normální stav (běžný provoz):
Za normálního stavu – běžného provozu jsou spínače ručního ovládání pohybů „nahoru, dolů, západ a východ“ v dolní poloze ve vypnutém stavu a přepínač AUTO / MAN je v horní poloze „automatický provoz“. V případě potřeby je tento přepínač možno přepnout na manuální ovládání a čtyřmi spínači tak lze docílit libovolnou požadovanou polohu panelu např. pro servis a údržbu v rozmezí nastavení koncových spínačů, které plní mimo jiné také ochrannou funkci v případě selhání elektroniky nebo pohonů. Přepínač AUTO / MAN slouží rovněž k vypnutí celého zařízení (např. i během výměny napájecího akumulátoru.)
Žádná další obsluha není nutná. Zařízení pracuje automaticky, pronásleduje slunce a vyrábí energii. Večer se vrátí do výchozí polohy na východ a čeká na další skvělý slunečný den.
Co se mi neosvědčilo
Měření směru větru: V původním návrhu zařízení jsem se zabýval ochranou konstrukce a hlavně panelu proti silnému větru a krupobití. V zakoupeném anemometru s korouhví (Hadex Ostrava) jsem po rozebrání korouhve zjistil, že obsahuje 8 jazýčkových kontaktů (v hvězdici po 45°) spínaných magnetem a nějaké SMD smetí. Podle toho, který jazýček sepnul, by byla výsledná hodnota sestavy poslána kabelem do meteostanice, kde by byla vyhodnocena. SMD jsem vyházel a osadil mezi jazýčky rezistory 10k. Poté jsem vyrobil stejnou destičku, kterou jsem namontoval na rotor horizontálního pohonu. Původní myšlenka byla, že v případě silného větru se podle jeho směru natočí celá konstrukce s panelem do kolmé praporové polohy a tím bude klást větru pokud možno minimální odpor. Případné kroupy by měly teoreticky většinou hladce sklouznout neškodně podél panelu. Celé to měl řešit obvod komparátoru, který měl porovnávat natočení korouhve se snímačem polohy rotoru.
Bohužel tato myšlenka se naprosto neosvědčila, protože vlivem turbulencí se korouhev neustále otáčela nebo rychle kolébala nevyzpytatelnými směry a komparátor neustále vysílal povely k natočení panelu horizontálním směrem sem a tam. Proto jsem se vrátil k původní myšlence natočení panelu do horizontální praporové polohy, u které je naprosto jedno, ze které světové strany vichr fouká. V tomto případě ovšem hrozí riziko poškození panelu kroupami. Po celkem náročné úvaze jsem se rozhodl toto riziko akceptovat z několika důvodů, zejména proto, že panely jsou pravděpodobně na toto konstruovány – nějaké malé kroupy by měly vydržet. Dále se domnívám, že velké kroupy jsou naštěstí relativně řídkým jevem. Takže v případě velké smůly se bude bohužel kupovat panel nový. Otázkou zůstává, zda se dá toto riziko za přijatelný peníz pojistit.
Měření rychlosti větru: Další velká potíž! Domnívám se, že minimálně v našich končinách prakticky neexistuje oblast, kde se v případě bouře vyskytuje vítr (jakkoliv silný), který by foukal alespoň po nějakou delší dobu konstantní rychlostí. Prakticky se domnívám, že je to pokaždé jen nárazový vichr, který navíc neustále mění směr a sílu. Bohužel to pro vyhodnocovací obvody znamená, že je do nich nutno zavádět co nejvíce zpožďovacích prvků, aby se zbytečně nespínaly pohony motorů. Je to prakticky stejná potíž jako v případě natáčení panelu do praporové polohy. Další potíž spočívá v tom, že vertikální pohon je natolik zpřevodován, že jeho natočení z vertikální do požadované horizontální polohy trvá v krajním případě až 80 minut, kdy mezitím pravděpodobně dostane několikrát povel k reverzaci.
Jak z toho ven? Možná by stačilo, kdyby se prostě už při první detekci silného větru jednoduše spustil časovač např. na 6 hodin, který by po uplynutí této doby nechal opět vše na měřiči rychlosti větru s následným opakováním funkce. Možná bych přišel až o jeden dva dny výroby energie, ale konstrukce by byla zachráněna před případnou destrukcí. V současné době (říjen 2019) je celé řešení teprve rozpracované a obvod na DPS vyřazen z činnosti. Ještě mám co dodělávat.
NEDOSTATKY
Moje zařízení bohužel neumí sledovat polohu slunce, pokud je zataženo a ze všech směrů přichází do čidel (fotoodporů) stejné světlo, respektive šero. Neuvažoval jsem totiž o zabudování jakéhokoliv zařízení na bázi polohování astronomických dalekohledů (je to zatím otevřená otázka). Tudíž se celá sestava při zatažené obloze zastaví, případně se nepohne už od rána. Pokud je zataženo celý den nebo se zatáhne během např. odpoledne, celkem nic se nestane, protože je pokles výkonu panelu natolik značný, že je stejně v podstatě jedno, kde se panel nachází. Pokud panel zůstane vlivem šera stát už od rána, ale odpoledne se vyčasí, bohužel se panel rovněž nepohne, protože čidla jsou namířena stejným směrem jako aktivní strana panelu. Pokud v takový den nebudu přítomen na zahrádce a neposunu panel na slunce ručním ovládáním, po zbytek dne tak výroba energie bohužel už neproběhne. V každém případě se ale v noci panel vždy automaticky vrací na východ a do spodní polohy (pokud se tam již nenachází). Tam čeká na rozednění. Pro extrémní případy dlouhodobě nepříznivého počasí je akumulátor chráněn automatikou proti nadměrnému vybití, což má pochopitelně přednost před ztepláním piva (nevěřil jsem, že něco takového někdy napíšu!) nebo případným zkažením několika málo potravin.
Během letošního léta panel vyrobil podle displeje trackeru něco málo přes 50 kWh. Protože léto 2019 bylo velmi slunečné, mohlo to být možná mnohem více, ale kapacita mého akumulátoru je malá a tracker nedovolil jeho přebíjení. Energie vyrobená navíc přišla vniveč. Nadchází zima a přemýšlím, zda panel nechat i v zimě na stožáru a vyrobenou energii proměnit v teplo a temperovat chatku či na jaře skleník. Sbohem přízemní mrazíky!
Další záležitost, která mě zaskočila koncem letošního léta, bylo časté kálení holubů či jiných leteckých hovad na aktivní stranu panelu. Budu muset vymyslet nějakou zábranu nebo plašič, aby si ptáci na panel nesedali. Na mytí panelu mám houbu na tyči, ale denně to umývat nehodlám. Fakt by mě zajímalo, jak se tyto problémy řeší v případě velkých stacionárních elektráren.
Solární tracker (zřejmě made in PRC) mě pro změnu rozčiluje tím, že produkuje rušení minimálně v pásmu FM rádia a spolehlivě zaruší slabší a slabé stanice do vzdálenost cca 10 m. Samozřejmě ty moje oblíbené. Ostatní stanice, které hrají „píííp“, jedou samozřejmě dál. Rušení se projevuje zejména při sepnutí termostatu lednice. Podle mého názoru ten tracker nemohl projít testem elektromagnetické kompatibility. S tím se Číňan nemastí…
Dalším velkým nedostatkem je mrtvý chod v převodovce horizontálního pohonu. Vítr s tou konstrukcí mlátí, jak se mu zachce. Zatím jsem neměl čas se tím pořádně zabývat. Až se to poláme, budu to zase opravovat, měnit a vulgárně nadávat.
Co se mnou pořádně zacvičilo: jiná hodnota jednoho ze čtyř fotoodporů (stejná vizáž).
Zakoupil jsem v e-shopu mimo jiné také 5 kousků fotoodporů (jeden jako náhradní) a 4 jsem použil do vyhodnocovacího prvku směrů západ / východ a nahoru / dolů. Pořád jsem však nebyl spokojen s dvojicí nahoru / dolů. Za slunečného dne se zařízení chovalo poměrně normálně, avšak během např. doby, kdy se začala obloha zatahovat, začal vertikální pohon čím dál více ujíždět ze správného směru od slunce pryč. Zkoušel jsem všechno možné – od prohazování vodičů od fotoodporů po kroucení trimry. Nepodařilo se mi to nastavit ani za prase. Nakonec jsem růžici sundal a jal se měřit hodnoty fotoodporů. Jeden z nich vykazoval za světla o pouhých 40Ω jinou hodnotu než zbylé tři. Jenže za šera už to dělalo jednotky až desítky kiloohmů!!! Tohle samozřejmě komparátor nemohl vykompenzovat!
Příčina? Záměna hodnoty fotoodporu, který pravděpodobně prodejci přepadl z jednoho šuplíku do vedlejšího a protože jsou vizuálně naprosto stejné, samozřejmě se na to nepřišlo. Po výměně nevyhovujícího fotoodporu náhradním pátým fotoodporem se správnou hodnotou pracuje komparátor jako z praku. Seznam mých nadávek v pekle se prodloužil o několik metrů a vymyslel jsem některé nové.
Letos asi už nic nestihnu, takže teď jen dovymyslet ty nedostatky a na jaře chutě do toho.
Zdravím a přeji hezké slunečné dny!
Další fotky a případně schémata přidám příště, i kdyby nebyl zájem. Teď už nemám čas, jdu na zahrádku na pivo.
Pivorád 12
POZDRAV VŠEM PACIENTŮM!
ZÁKLADNÍ IDEA A POŽADAVKY – pro začátek mírně nevážně:
Protože na naší zahrádce nemáme elektřinu a já nenávidím teplé pivo, rozhodl jsem se pro stavbu malé sluneční elektrárničky. Je to honosný název pro jediný panýlek, který se snaží šmírovat slunce. Jsem si naprosto vědom faktu, že tohle zařízení je naprosto amatérské a bylo mi úplně jedno, že se asi nikdy nemůže zaplatit, ale studené pivo je studené pivo. V podstatě to bylo jen hračičkování a hlavně – chlastání piva je můj koníček. Totiž pochopitelně elektronika a bastlení.
Protože naše zahrádka má rozměry pouze 20 x 15 m a výběr místa se stálým slunečním svitem bez překážek mám silně omezen, nemohl a nechtěl jsem stavět žádný megalomanský projekt.
Hlavní inspiraci jsem čerpal od pana Radima Řeháka, který zde už také publikoval (nick „radimre“) a jehož samotný web jsem objevil jako první. Tímto mu vyjadřuji velké poděkování. Své zařízení jsem si sice navrhoval sám a se svými požadavky, ale některé obvody jsem zcela bezostyšně obšlehl a upravil pro své potřeby. Nač vymýšlet znova něco, co je již vymyšleno a osvědčilo se.
Celé zařízení je v podstatě jen drahá hračka, ale svůj účel splňuje – celé léto jsme měli vychlazené pití a nekazily se nám pochutiny. Vím jen jedno – tudy cesta zatím nevede, pokud se nepodaří řídit počasí a zajistit, aby slunce svítilo i v noci. Nemuseli bychom chodit spát a mohli bychom chodit furt do práce a budovat kapitalismus. Panebože, kam na tyhle kraviny chodím? To je nedostatek chlastu!
Dokud se nepodaří silně zvednout účinnost panelů a akumulátorů a zároveň neklesnou ceny, budou to jen v podstatě drahé hračky. Celý trh je pokřiven dotacemi, někdo na tom vydělává těžký prachy a my jim to platíme. Všem těm politikům bych rozkopal rypáky. Zcela jednoznačně jsem zastáncem jaderných elektráren. Tu však bohužel neumím vyrobit doma na koleně.
Popis zařízení - teď zase trochu vážněji:
Fotovoltaický panel (dále jen panel) s deklarovaným výkonem cca 160W nabíjí přes tzv. solar tracker MPPT akumulátor 77 Ah, který pohání relativně velkou autoledničku. Z důvodu docílení vyšší účinnosti výroby elektřiny po delší denní dobu (zejména v létě) je panel umístěn na natáčecí konstrukci, kterou pohání 2 motory s převodovkami – jeden je určen pro horizontální pohon směrem z východu na západ a večer zpět na východ, druhý pro vertikální pohon směrem od země k nebi a zpět podle výšky slunce. Pohyby konstrukce s panelem – řízení a ovládání motorů obstarává řídící elektronika umístěná v ovládací skříňce poblíž konstrukce.
Na konstrukci se nacházejí kromě obou motorů s převodovkami také 4 koncové spínače, které zajistí vypnutí napájení příslušných motorů při dosažení krajních nastavených požadovaných poloh.
Fotorezistor zabudovaný na konstrukci v malé samostatné krabičce dává informaci o venkovním osvětlení do komparátoru na desce s plošnými spoji (DPS) a ten po západu slunce rozhoduje o návratu panelu zpět na východ a čekání na rozednění.
Na samostatné vertikálně pohyblivé části konstrukce nad samotným panelem se nachází čtveřice fotorezistorů, která je umístěna tak, aby rozeznala svým osvětlením od slunce, kam je potřeba posunout a natočit panel pro co největší účinnost. Horizontální dvojice posílá informaci do komparátoru směr západ / východ, vertikální dvojice je určena pro komparátor směr nahoru / dolů. Oba komparátory poté pošlou povely pro relé, která zajistí sepnutí napájení příslušných měničů pro napájení motorů pro pohyb konstrukce požadovanými směry.
Výstup z panelu – vyrobená energie - je vedena vodiči do chatky k trackeru, který se podle svých technických specifikací stará o nabíjení hlavního akumulátoru, jeho ochrany a distribuci energie do spotřebičů. Druhý dodělávaný výstup z panelu je veden do ovládací skříňky, kde je přes dobíjecí automatický obvod hlídán a nabíjen malý akumulátor, který se stará o napájení celé desky řídící elektroniky. Stav jeho případného vybití hlídá obvod s indikací dvoubarevnou LED zelená / červená, který je nastaven na vypínací napětí vybitého akumulátoru na 10V z důvodu jeho ochrany proti nadměrnému vybití. Tento obvod pro mě vymyslel pan Jaroslav Belza, kterému tímto rovněž moc děkuji. Já jsem ho opět jen trochu upravil dle svých potřeb (ten obvod, ne pana Belzu).
Obsluha zařízení: normální stav (běžný provoz):
Za normálního stavu – běžného provozu jsou spínače ručního ovládání pohybů „nahoru, dolů, západ a východ“ v dolní poloze ve vypnutém stavu a přepínač AUTO / MAN je v horní poloze „automatický provoz“. V případě potřeby je tento přepínač možno přepnout na manuální ovládání a čtyřmi spínači tak lze docílit libovolnou požadovanou polohu panelu např. pro servis a údržbu v rozmezí nastavení koncových spínačů, které plní mimo jiné také ochrannou funkci v případě selhání elektroniky nebo pohonů. Přepínač AUTO / MAN slouží rovněž k vypnutí celého zařízení (např. i během výměny napájecího akumulátoru.)
Žádná další obsluha není nutná. Zařízení pracuje automaticky, pronásleduje slunce a vyrábí energii. Večer se vrátí do výchozí polohy na východ a čeká na další skvělý slunečný den.
Co se mi neosvědčilo
Měření směru větru: V původním návrhu zařízení jsem se zabýval ochranou konstrukce a hlavně panelu proti silnému větru a krupobití. V zakoupeném anemometru s korouhví (Hadex Ostrava) jsem po rozebrání korouhve zjistil, že obsahuje 8 jazýčkových kontaktů (v hvězdici po 45°) spínaných magnetem a nějaké SMD smetí. Podle toho, který jazýček sepnul, by byla výsledná hodnota sestavy poslána kabelem do meteostanice, kde by byla vyhodnocena. SMD jsem vyházel a osadil mezi jazýčky rezistory 10k. Poté jsem vyrobil stejnou destičku, kterou jsem namontoval na rotor horizontálního pohonu. Původní myšlenka byla, že v případě silného větru se podle jeho směru natočí celá konstrukce s panelem do kolmé praporové polohy a tím bude klást větru pokud možno minimální odpor. Případné kroupy by měly teoreticky většinou hladce sklouznout neškodně podél panelu. Celé to měl řešit obvod komparátoru, který měl porovnávat natočení korouhve se snímačem polohy rotoru.
Bohužel tato myšlenka se naprosto neosvědčila, protože vlivem turbulencí se korouhev neustále otáčela nebo rychle kolébala nevyzpytatelnými směry a komparátor neustále vysílal povely k natočení panelu horizontálním směrem sem a tam. Proto jsem se vrátil k původní myšlence natočení panelu do horizontální praporové polohy, u které je naprosto jedno, ze které světové strany vichr fouká. V tomto případě ovšem hrozí riziko poškození panelu kroupami. Po celkem náročné úvaze jsem se rozhodl toto riziko akceptovat z několika důvodů, zejména proto, že panely jsou pravděpodobně na toto konstruovány – nějaké malé kroupy by měly vydržet. Dále se domnívám, že velké kroupy jsou naštěstí relativně řídkým jevem. Takže v případě velké smůly se bude bohužel kupovat panel nový. Otázkou zůstává, zda se dá toto riziko za přijatelný peníz pojistit.
Měření rychlosti větru: Další velká potíž! Domnívám se, že minimálně v našich končinách prakticky neexistuje oblast, kde se v případě bouře vyskytuje vítr (jakkoliv silný), který by foukal alespoň po nějakou delší dobu konstantní rychlostí. Prakticky se domnívám, že je to pokaždé jen nárazový vichr, který navíc neustále mění směr a sílu. Bohužel to pro vyhodnocovací obvody znamená, že je do nich nutno zavádět co nejvíce zpožďovacích prvků, aby se zbytečně nespínaly pohony motorů. Je to prakticky stejná potíž jako v případě natáčení panelu do praporové polohy. Další potíž spočívá v tom, že vertikální pohon je natolik zpřevodován, že jeho natočení z vertikální do požadované horizontální polohy trvá v krajním případě až 80 minut, kdy mezitím pravděpodobně dostane několikrát povel k reverzaci.
Jak z toho ven? Možná by stačilo, kdyby se prostě už při první detekci silného větru jednoduše spustil časovač např. na 6 hodin, který by po uplynutí této doby nechal opět vše na měřiči rychlosti větru s následným opakováním funkce. Možná bych přišel až o jeden dva dny výroby energie, ale konstrukce by byla zachráněna před případnou destrukcí. V současné době (říjen 2019) je celé řešení teprve rozpracované a obvod na DPS vyřazen z činnosti. Ještě mám co dodělávat.
NEDOSTATKY
Moje zařízení bohužel neumí sledovat polohu slunce, pokud je zataženo a ze všech směrů přichází do čidel (fotoodporů) stejné světlo, respektive šero. Neuvažoval jsem totiž o zabudování jakéhokoliv zařízení na bázi polohování astronomických dalekohledů (je to zatím otevřená otázka). Tudíž se celá sestava při zatažené obloze zastaví, případně se nepohne už od rána. Pokud je zataženo celý den nebo se zatáhne během např. odpoledne, celkem nic se nestane, protože je pokles výkonu panelu natolik značný, že je stejně v podstatě jedno, kde se panel nachází. Pokud panel zůstane vlivem šera stát už od rána, ale odpoledne se vyčasí, bohužel se panel rovněž nepohne, protože čidla jsou namířena stejným směrem jako aktivní strana panelu. Pokud v takový den nebudu přítomen na zahrádce a neposunu panel na slunce ručním ovládáním, po zbytek dne tak výroba energie bohužel už neproběhne. V každém případě se ale v noci panel vždy automaticky vrací na východ a do spodní polohy (pokud se tam již nenachází). Tam čeká na rozednění. Pro extrémní případy dlouhodobě nepříznivého počasí je akumulátor chráněn automatikou proti nadměrnému vybití, což má pochopitelně přednost před ztepláním piva (nevěřil jsem, že něco takového někdy napíšu!) nebo případným zkažením několika málo potravin.
Během letošního léta panel vyrobil podle displeje trackeru něco málo přes 50 kWh. Protože léto 2019 bylo velmi slunečné, mohlo to být možná mnohem více, ale kapacita mého akumulátoru je malá a tracker nedovolil jeho přebíjení. Energie vyrobená navíc přišla vniveč. Nadchází zima a přemýšlím, zda panel nechat i v zimě na stožáru a vyrobenou energii proměnit v teplo a temperovat chatku či na jaře skleník. Sbohem přízemní mrazíky!
Další záležitost, která mě zaskočila koncem letošního léta, bylo časté kálení holubů či jiných leteckých hovad na aktivní stranu panelu. Budu muset vymyslet nějakou zábranu nebo plašič, aby si ptáci na panel nesedali. Na mytí panelu mám houbu na tyči, ale denně to umývat nehodlám. Fakt by mě zajímalo, jak se tyto problémy řeší v případě velkých stacionárních elektráren.
Solární tracker (zřejmě made in PRC) mě pro změnu rozčiluje tím, že produkuje rušení minimálně v pásmu FM rádia a spolehlivě zaruší slabší a slabé stanice do vzdálenost cca 10 m. Samozřejmě ty moje oblíbené. Ostatní stanice, které hrají „píííp“, jedou samozřejmě dál. Rušení se projevuje zejména při sepnutí termostatu lednice. Podle mého názoru ten tracker nemohl projít testem elektromagnetické kompatibility. S tím se Číňan nemastí…
Dalším velkým nedostatkem je mrtvý chod v převodovce horizontálního pohonu. Vítr s tou konstrukcí mlátí, jak se mu zachce. Zatím jsem neměl čas se tím pořádně zabývat. Až se to poláme, budu to zase opravovat, měnit a vulgárně nadávat.
Co se mnou pořádně zacvičilo: jiná hodnota jednoho ze čtyř fotoodporů (stejná vizáž).
Zakoupil jsem v e-shopu mimo jiné také 5 kousků fotoodporů (jeden jako náhradní) a 4 jsem použil do vyhodnocovacího prvku směrů západ / východ a nahoru / dolů. Pořád jsem však nebyl spokojen s dvojicí nahoru / dolů. Za slunečného dne se zařízení chovalo poměrně normálně, avšak během např. doby, kdy se začala obloha zatahovat, začal vertikální pohon čím dál více ujíždět ze správného směru od slunce pryč. Zkoušel jsem všechno možné – od prohazování vodičů od fotoodporů po kroucení trimry. Nepodařilo se mi to nastavit ani za prase. Nakonec jsem růžici sundal a jal se měřit hodnoty fotoodporů. Jeden z nich vykazoval za světla o pouhých 40Ω jinou hodnotu než zbylé tři. Jenže za šera už to dělalo jednotky až desítky kiloohmů!!! Tohle samozřejmě komparátor nemohl vykompenzovat!
Příčina? Záměna hodnoty fotoodporu, který pravděpodobně prodejci přepadl z jednoho šuplíku do vedlejšího a protože jsou vizuálně naprosto stejné, samozřejmě se na to nepřišlo. Po výměně nevyhovujícího fotoodporu náhradním pátým fotoodporem se správnou hodnotou pracuje komparátor jako z praku. Seznam mých nadávek v pekle se prodloužil o několik metrů a vymyslel jsem některé nové.
Letos asi už nic nestihnu, takže teď jen dovymyslet ty nedostatky a na jaře chutě do toho.
Zdravím a přeji hezké slunečné dny!
Další fotky a případně schémata přidám příště, i kdyby nebyl zájem. Teď už nemám čas, jdu na zahrádku na pivo.
Pivorád 12
- kybos
- Příspěvky: 2819
- Registrován: sob zář 08, 2012 10:40 pm
- Reputace: 517
- Lokalita: Šternberk
- Systémové napětí: 48V
- Výkon panelů [Wp]: 15000
- Kapacita baterie [kWh]: 40
- Bydliště: v údolí mezi kopci
Re: Malý panel k chlazení piva s natáčením na slunce
Nebylo by jednodušší nainstalovat dva panely tak, že jeden by byl orientovaný na JJV a druhý na JJZ na pevnou elevaci 50°? Při jejich paralelním připojení na jeden MPPT by to asi dalo i o něco málo více energie než choulostivé polohovací zařízení s jedním panelem občas zmatečně natočeným.
15 kWp JJZ + 3x Tristar MPPT60 + Victron 150/100 + 48V LiFePO 850 Ah + UPS 8kW (MPP-Solar 8048 LC) + 4 x nabíječka 1,2 kW (DELTA) Start: 2012
-
- Příspěvky: 2461
- Registrován: ned srp 14, 2011 10:13 pm
- Reputace: 162
- Lokalita: poblíž Hodonína
- Systémové napětí: >48V
- Výkon panelů [Wp]: 7200
- Kapacita baterie [kWh]: 9
Re: Malý panel k chlazení piva s natáčením na slunce
Taky jsem to chtěl napsat, dal bych 2 panely 225Wp paralelně co se nabízí tady na fóru a regulátor Victron 15A a je to, na to chlazení piva a lednici to stačí, taky to tak dělám, ale dával jsem i na rovnou střechu 2 panely 280W a regl Victron 100/20 a je to v pohodě, nadbytek výkonu z panelů nad cca 300Wp to ořízne, při menším osvitu dá maximum.kybos píše:Nebylo by jednodušší nainstalovat dva panely tak, že jeden by byl orientovaný na JJV a druhý na JJZ na pevnou elevaci 50°? Při jejich paralelním připojení na jeden MPPT by to asi dalo i o něco málo více energie než choulostivé polohovací zařízení s jedním panelem občas zmatečně natočeným.
5,4 kWp JJZ 4deg,1,8kWp JV 24deg, do 13.8.2022 bylo 3,6 kWp, MPII 5k, Victron MPPT 250/85-TR, aku 9,45 kWh Lion 15S, BMS 200A, Smart Shunt 500A.
k 27.3.2025 13250kWh
k 27.3.2025 13250kWh
- vlkazajac
- R.I.P.
- Příspěvky: 3479
- Registrován: úte čer 11, 2013 10:40 pm
- Reputace: 528
Re: Malý panel k chlazení piva s natáčením na slunce
No ja by som ocenil HiTech, prečo nie ? Zjednodušenie na jediný rotačný pohyb okolo polárnej osi by v ničom nezaostávalo, výšku slnka by potom stačilo párkrát za rok ručne korigovať.
Proti milej vtáčej verbeži je toho vymysleného dosť, napr. tu :
https://www.google.com/search?q=z%C3%A1 ... 45&bih=886
Proti milej vtáčej verbeži je toho vymysleného dosť, napr. tu :
https://www.google.com/search?q=z%C3%A1 ... 45&bih=886
750 Wp, LS3024B, 18650 - 198P8S 30,4 V, Multiplus C 800 nonstop / všetky slabé spotrebiče
1950 Wp, 2 x LS3024B, VS2024N, olovo - 330 Ah / 24 V, Carspa 3000 sin deň / silné spotrebiče a ohrev TUV
5995 kWh za meničmi za posledné 2 roky.
1950 Wp, 2 x LS3024B, VS2024N, olovo - 330 Ah / 24 V, Carspa 3000 sin deň / silné spotrebiče a ohrev TUV
5995 kWh za meničmi za posledné 2 roky.
-
- Příspěvky: 13
- Registrován: pát říj 18, 2019 9:40 am
- Reputace: 19
Re: Malý panel k chlazení piva s natáčením na slunce
Bylo. Téměř vše jde udělat jinak (lépe, hůře, levněji, dráže...). Já jsem našel motory na smeťáku a mnoho součástek se mi válelo po šuplíkách. Kdysi jsem strašně moc toužil po Merkuru, ale nikdy jsem ho neměl. Tak jsem si pohrál s těmito profily a motory.kybos píše:Nebylo by jednodušší nainstalovat dva panely tak, že jeden by byl orientovaný na JJV a druhý na JJZ na pevnou elevaci 50°? Při jejich paralelním připojení na jeden MPPT by to asi dalo i o něco málo více energie než choulostivé polohovací zařízení s jedním panelem občas zmatečně natočeným.

-
- Příspěvky: 13
- Registrován: pát říj 18, 2019 9:40 am
- Reputace: 19
Re: Malý panel k chlazení piva s natáčením na slunce
Díky za odkaz, něco takového tam nainstaluju.vlkazajac píše:No ja by som ocenil HiTech, prečo nie ? Zjednodušenie na jediný rotačný pohyb okolo polárnej osi by v ničom nezaostávalo, výšku slnka by potom stačilo párkrát za rok ručne korigovať.
Proti milej vtáčej verbeži je toho vymysleného dosť.
Jinak až takový hitech to zdaleka není, jsou to v podstatě 3 komparátory s různou prioritou, které spínají měniče s motory, a kolem toho je nějaká podpůrná bižuterie. Jak píšu, jen jsem si trochu pohrál, peněz bylo dost.
Paradoxně když jsem zařízení dostavěl, byla možnost složit se s ostatními na přípojku. Podle Murphyho zákona teď, když mám nářadí už na aku nebo benzín. Už jsem se na to vykašlal, do hrobu už brzy začnu stříhat metr a ať si to zařídí případný nový majitel či dědic. V případě velké nutnosti mi půjčí fázi ochotný soused zahrádkář za plechovku dobře vychlazenýho.

-
- Příspěvky: 13
- Registrován: pát říj 18, 2019 9:40 am
- Reputace: 19
Re: Malý panel k chlazení piva s natáčením na slunce
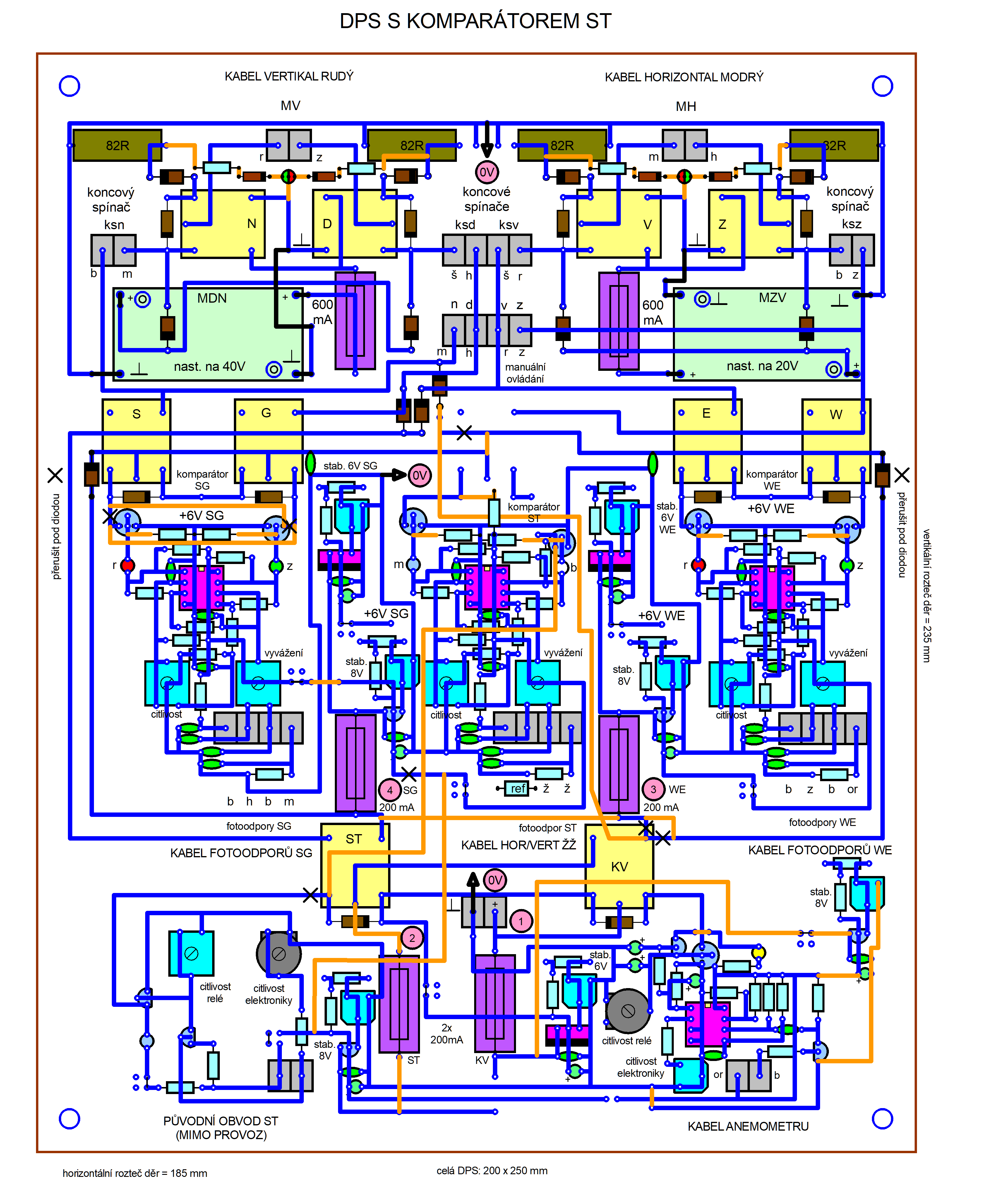
Ahoj všem,
přikládám pár dalších fotek a několik schémat.
SCHÉMATA
S sky, G ground, W west, E east, N nahoru, D dolů, Z západ, V východ, ST světlo/tma, KV klid/vichr
FOTKY
Zatím neodzkoušený obvod anemometru (bude obsahovat chyby a možná nebude fungovat vůbec):
HODNĚ SLUNCE!!!
Pivorád 12°
přikládám pár dalších fotek a několik schémat.
SCHÉMATA
S sky, G ground, W west, E east, N nahoru, D dolů, Z západ, V východ, ST světlo/tma, KV klid/vichr
FOTKY
Zatím neodzkoušený obvod anemometru (bude obsahovat chyby a možná nebude fungovat vůbec):
HODNĚ SLUNCE!!!
Pivorád 12°
- youda
- Příspěvky: 3155
- Registrován: stř dub 27, 2016 12:12 am
- Reputace: 961
Re: Malý panel k chlazení piva s natáčením na slunce
Ó!
Tedy pane kolego, tak toto je zcela ultimátní mašina!
Jsem ohromen, smekám, klaním se a padám na znak. Po shlédnutí dokumentace Vašeho projektu musím okamžitě vrátit jak diplom, tak i Nobelovku
MAZEC!
PS:
Mám teď rozpracovaný jeden bezvýznamný projekt a nějak jsem se zaseknul při oživení pohonu. Ovšem s Vaší pomocí bychom to jistě dali dohromady coby-dup!
Principiálně by to mělo fungovat nějak takto:
Tedy pane kolego, tak toto je zcela ultimátní mašina!
Jsem ohromen, smekám, klaním se a padám na znak. Po shlédnutí dokumentace Vašeho projektu musím okamžitě vrátit jak diplom, tak i Nobelovku

MAZEC!
PS:
Mám teď rozpracovaný jeden bezvýznamný projekt a nějak jsem se zaseknul při oživení pohonu. Ovšem s Vaší pomocí bychom to jistě dali dohromady coby-dup!
Principiálně by to mělo fungovat nějak takto:
Youdova ostrovní laboratoř 20kWp: https://youda.mypower.cz
-
- Příspěvky: 374
- Registrován: pát říj 28, 2016 2:30 pm
- Reputace: 57
Re: Malý panel k chlazení piva s natáčením na slunce
Moc pěkný,
konečně někdo, kdo nemusí vše řídit procesorem, ale pěkně analogově
Tenkrát jsem vycházel ze systému Traxle, ale o ten nejde, když máte už postavené tohle (i když by to bylo jednodušší).
Vzhledem k tomu, že je řízen i pohyb nahoru a dolů, tak je nutné aplikovat ještě další dva solární řezy, kolmé na panel a kolmé na směr východ-západ.
Jinak doporučuju upravit umístění stávajících fotoodporů podle obrázku 6, str. 11:
http://stretech.fs.cvut.cz/2011/sbornik_2011/60.pdf
Vliv nelinearity fotoodporů se lépe potlačí (odraz od plochy eliminuje polohu mraků oproti stínítku co je tam teď).
Pak ještě možná projet V-A charakteristiku všech fotoodporů, což by bylo náročné na opakování u všech kousků.
Fotoodpory mají jednu velkou necnost a to tu, že při stmívání se V-A charakteristiky rozcházejí sice v řádu %, ale při setmění to hraje roli, že jeden může mít v danou chvíli 100k a druhý třeba 101k a už je to rozhozené a točí se to jak cirkusák v manéži.
F-V panely při stmívání mají charakteristiku mnohem podobnější...nemusím snad ale připomínat, že by ty panýlky (řezy) měly být pokud možno ze stejné série nebo aspoň stejného typu.
Držím pěsti, nápad i provedení se mi moc líbí
konečně někdo, kdo nemusí vše řídit procesorem, ale pěkně analogově

A co tak zkusit místo fotoodporů použít malé solární panely (nebo solární řezy), slepit je zády k sobě a nad ten velký panel jej umístit kolmo? Řešil jsem to v bakalářce, ale bohužel jsem přišel o zálohu a v té době se práce na net ještě nevystavovaly...no, žádná škodaPivorád 12 píše:Zakoupil jsem v e-shopu mimo jiné také 5 kousků fotoodporů (jeden jako náhradní) a 4 jsem použil do vyhodnocovacího prvku směrů západ / východ a nahoru / dolů. Pořád jsem však nebyl spokojen s dvojicí nahoru / dolů. Za slunečného dne se zařízení chovalo poměrně normálně, avšak během např. doby, kdy se začala obloha zatahovat, začal vertikální pohon čím dál více ujíždět ze správného směru od slunce pryč. Zkoušel jsem všechno možné ...
Pivorád 12

Tenkrát jsem vycházel ze systému Traxle, ale o ten nejde, když máte už postavené tohle (i když by to bylo jednodušší).
Vzhledem k tomu, že je řízen i pohyb nahoru a dolů, tak je nutné aplikovat ještě další dva solární řezy, kolmé na panel a kolmé na směr východ-západ.
Jinak doporučuju upravit umístění stávajících fotoodporů podle obrázku 6, str. 11:
http://stretech.fs.cvut.cz/2011/sbornik_2011/60.pdf
Vliv nelinearity fotoodporů se lépe potlačí (odraz od plochy eliminuje polohu mraků oproti stínítku co je tam teď).
Pak ještě možná projet V-A charakteristiku všech fotoodporů, což by bylo náročné na opakování u všech kousků.
Fotoodpory mají jednu velkou necnost a to tu, že při stmívání se V-A charakteristiky rozcházejí sice v řádu %, ale při setmění to hraje roli, že jeden může mít v danou chvíli 100k a druhý třeba 101k a už je to rozhozené a točí se to jak cirkusák v manéži.
F-V panely při stmívání mají charakteristiku mnohem podobnější...nemusím snad ale připomínat, že by ty panýlky (řezy) měly být pokud možno ze stejné série nebo aspoň stejného typu.
Držím pěsti, nápad i provedení se mi moc líbí

-
- Příspěvky: 13
- Registrován: pát říj 18, 2019 9:40 am
- Reputace: 19
Re: Malý panel k chlazení piva s natáčením na slunce
Jsem rád, že jste se pobavil.youda píše:Ó!
Tedy pane kolego, tak toto je zcela ultimátní mašina!
Jsem ohromen, smekám, klaním se a padám na znak. Po shlédnutí dokumentace Vašeho projektu musím okamžitě vrátit jak diplom, tak i Nobelovku![]()
MAZEC!
PS:
Mám teď rozpracovaný jeden bezvýznamný projekt a nějak jsem se zaseknul při oživení pohonu. Ovšem s Vaší pomocí bychom to jistě dali dohromady coby-dup!

Pokud si vzpomínáte, tak ve třetím díle mé oblíbené trilogie měl dr. Emmett Brown zařízení na výrobu kostek ledu o velikosti poloviny stodoly. Protože od dob divokého západu technologie pokročily, chladím pivo trochu jinak.

Je evidentní, že proti Vám jsem čučkař a troškař. Vy dokážete se svým zařízením zálohovat Temelín.

Hluboká úcta!
TAK AŤ SE VÁM DAŘÍ!!!

- rottenkiwi
- Příspěvky: 5451
- Registrován: pát úno 13, 2015 2:24 pm
- Reputace: 287
- Lokalita: SO, SK
- Bydliště: SO, SK
Re: Malý panel k chlazení piva s natáčením na slunce
Aj ja sa konečne na niečo podobné chystám, ale bude to max. jednoduché.
DC-AC inverter REC Lion DC-AC ESP32 DIY inv. 15 GB za sekundu DIY MPPT Holder
Zjedz vsetko, co si kupil, v obchode a netreba ti tasku, auto ci chladnicku.
Zjedz vsetko, co si kupil, v obchode a netreba ti tasku, auto ci chladnicku.
-
- Příspěvky: 13
- Registrován: pát říj 18, 2019 9:40 am
- Reputace: 19
Re: Malý panel k chlazení piva s natáčením na slunce
Přesně tohle mi nafackovalo. Mám v úmyslu právě s tímhle si ještě pořádně pohrát.thomas.007 píše:Fotoodpory mají jednu velkou necnost a to tu, že při stmívání se V-A charakteristiky rozcházejí sice v řádu %, ale při setmění to hraje roli, že jeden může mít v danou chvíli 100k a druhý třeba 101k a už je to rozhozené a točí se to jak cirkusák v manéži.
Zrovna včera se stalo v oblasti mého bydliště přesně to, čeho se bojí všichni solárníci. Celý den byla snad vlivem inverze či čeho tak hustá mlha, že bylo až přítmí. Panel zůstal z minulé noci na východě, jen se otočil zcela nahoru a k večeru zase dolů. Celý den nevyrobil možná ani wattsekundu! Přitom mám potvrzeno, že jinde bylo jasno a slunce rumplovalo jako o život.
SMŮLA!

-
- Příspěvky: 8011
- Registrován: sob črc 19, 2014 8:56 pm
- Reputace: 1008
- Lokalita: severně od Brna
- Systémové napětí: 48V
- Výkon panelů [Wp]: 8kWp
- Kapacita baterie [kWh]: 12kWh
- Chci prodávat energii: NE
- Chci/Mám dotaci: NE
Re: Malý panel k chlazení piva s natáčením na slunce
Takže spotřeba o několik řádů vyšší než výroba. Možná by bylo dobrý ten pohyb nějak vázat aspoň na minimální výrobu. A nebo se na to vykašlat, koupit tři panely místo jednoho a upevnit je napevno.
ostrov skoro 8kWp neustále ve stádiu zrodu: smartshunt(ex WBJR), MPPT150/45, MPPT 250/100(ex midnitesolar 150 clasic lite), 16S a různě P cca 340Ah Winston, MP II 5000,( ex Powerjack 8kW, ex samodomo cca 4kW). 48V DC rozvody a spotřebiče.
-
- Příspěvky: 13
- Registrován: pát říj 18, 2019 9:40 am
- Reputace: 19
Re: Malý panel k chlazení piva s natáčením na slunce
Ten pohyb ale je vázán na minimální výrobu - za šera se zastaví měniče a motory, žerou jen 3 komparátory.
Škoda, že jsem včera nezměřil klidový odběr DPS, kdy neběží měniče a motory a po setmění ani 2 ze 3 komparátorů. V současné době je odpojen jumperem i obvod anemometru a z celé desky v noci běží jen komparátor světlo/tma. Odhadem to může žrát kolem 20 mA. Příště ještě změřím proud při postupném stmívání.
Na 2 a více panelů nemám místo, na střechu to nemá smysl dávat - hřeben běží zhruba severojižním směrem.
ZNOVA OPAKUJI: je to pouhá hračka bez nároku na sebezaplacení, která je určena na chlazení piva a pochutin.
Škoda, že jsem včera nezměřil klidový odběr DPS, kdy neběží měniče a motory a po setmění ani 2 ze 3 komparátorů. V současné době je odpojen jumperem i obvod anemometru a z celé desky v noci běží jen komparátor světlo/tma. Odhadem to může žrát kolem 20 mA. Příště ještě změřím proud při postupném stmívání.
Na 2 a více panelů nemám místo, na střechu to nemá smysl dávat - hřeben běží zhruba severojižním směrem.
ZNOVA OPAKUJI: je to pouhá hračka bez nároku na sebezaplacení, která je určena na chlazení piva a pochutin.

- Brbla
- Příspěvky: 261
- Registrován: čtv srp 08, 2019 3:44 pm
- Reputace: 72
Re: Malý panel k chlazení piva s natáčením na slunce
Hm, napadlo mne lehce silové řešení problému natáčení za sluncem v pošmourných dnech.
Co takhle "půlkruh" čidel (je jedno jestli fotodioda, fototranzistor, fotoodpor ..) usazený napevno s tím, že elektronika by se snažila natočit panel směrem nejvíce nasvíceného čidla?
Samozřejmě by to šlo horizintálne i vertikálně, cena čidel je celkem zanedbatelná. Leč asi by to chtělo něco chytřejšího, než komparátor ...
Co takhle "půlkruh" čidel (je jedno jestli fotodioda, fototranzistor, fotoodpor ..) usazený napevno s tím, že elektronika by se snažila natočit panel směrem nejvíce nasvíceného čidla?
Samozřejmě by to šlo horizintálne i vertikálně, cena čidel je celkem zanedbatelná. Leč asi by to chtělo něco chytřejšího, než komparátor ...
- NOPARasito
- Příspěvky: 2600
- Registrován: čtv črc 19, 2018 12:14 am
- Reputace: 192
- Bydliště: Vidiek, Trhanova Lhota
Re: Malý panel k chlazení piva s natáčením na slunce
Taky moznost, nebo pohyb nasimulovat na cas a korigovat jen leto/zima sklonem a vykaslat se na nejakej sledovac. Jednou za cas zkorigovat jestli dle slunce sedi a je to. Tady ty komplikovany udelatory jsou akorat nachylny na jakykoli nesvar.kodl69 píše:Takže spotřeba o několik řádů vyšší než výroba. Možná by bylo dobrý ten pohyb nějak vázat aspoň na minimální výrobu. A nebo se na to vykašlat, koupit tři panely místo jednoho a upevnit je napevno.
Osobne toho mam v praci dost. Jeste si to tahat do baraku.
Ale pokud je to zabava a vyvoj proc ne. Kazdej ma nejakeho konicka.
Jinak smekam nad vlastovkou v podobe 1ks panelu.
-
- Příspěvky: 395
- Registrován: pát zář 01, 2017 8:54 am
- Reputace: 55
Re: Malý panel k chlazení piva s natáčením na slunce
Pre polohu Slnka su efemeridy zname, takze vyrobit takyto rotator nieje problem, len to chce prvotnu kalibraciu a nejaky pocitac z rtc co nastavuje motory. Podobne to maju urobene astronomovia, alebo aj radioamateri, aby im to sledovalo druzice, alebo mesiac.
Pre inspiraciu projekt jednoducheho online radioamaterskeho rotatora https://satnogs.org/
Pre inspiraciu projekt jednoducheho online radioamaterskeho rotatora https://satnogs.org/
- youda
- Příspěvky: 3155
- Registrován: stř dub 27, 2016 12:12 am
- Reputace: 961
Re: Malý panel k chlazení piva s natáčením na slunce
Zdravím Vás pane kolego!Pivorád 12 píše:Ten pohyb ale je vázán na minimální výrobu - za šera se zastaví měniče a motory, žerou jen 3 komparátory.
Škoda, že jsem včera nezměřil klidový odběr DPS, kdy neběží měniče a motory a po setmění ani 2 ze 3 komparátorů. V současné době je odpojen jumperem i obvod anemometru a z celé desky v noci běží jen komparátor světlo/tma. Odhadem to může žrát kolem 20 mA. Příště ještě změřím proud při postupném stmívání.
Na 2 a více panelů nemám místo, na střechu to nemá smysl dávat - hřeben běží zhruba severojižním směrem.
ZNOVA OPAKUJI: je to pouhá hračka bez nároku na sebezaplacení, která je určena na chlazení piva a pochutin.
Když je hnusně, tak to nevyrábí nikomu, ať máme panely na trackeru, nebo jen tak rozházené v trávě. Navíc, většině z nás běží 24x7 invertory, a ty mají reálné spotřeby na prázdno 15 až 100W. Tudíž, nějakých 20mA pro řídící obvody Vašeho planetária jsou, řekl bych, pod hranicí chyby měření

Pokud planetárium funguje k Vaší spokojenosti, tak bych nic neřešil a jen se kochal, jak to krásně šlape.
A že někdy pivko zteplá, když je celý týden tak hnusné počasí, že by člověk psa nevyhnal? To vůbec nevadí, v takovém období je přece lepší, dát si čaj s rumem a počkat, až se pěnivý mok znovu vychladí.
Pokud by snad někdy mělo dojít k upgradu lednice na násobně větší a žravější typ, vůbec bych se stávající orientace střechy nebál. Umístění panelů ve směru Východ-Západ mám já, pan doktor Rva i další kolegové a mohu potvrdit, že to funguje uspokojivě.
Práci čest!
PS: Jakou funkci zastává ta červená kačenka?
Youdova ostrovní laboratoř 20kWp: https://youda.mypower.cz
-
- Příspěvky: 13
- Registrován: pát říj 18, 2019 9:40 am
- Reputace: 19
Re: Malý panel k chlazení piva s natáčením na slunce
Zdravím srdečně také!
Mám rád lidi se smyslem pro humor - mám pocit, že se spousta lidí bere moc vážně. To víte, že se kochám, možná víc, než doktor z Vesničky. Jsem totiž ješitnej jako skoro každej chlap.
Kachnička je skoro nejdůležitější součást zařízení a já jsem na ni málem zapomněl!
1. odklání blesky - je gumová a dobře izoluje
2. chrání 1 cm tyče před korozí
3. informuje mě (bohužel pouze analogově) o směru otáčení vertikálního pohonu
4. odrazuje zloděje
5. dělá radost vnoučkovi, ale hlavně mně
6. přitahuje sluneční paprsky pro vyšší účinnost
7. občas způsobí návštěvám roztažení koutků úst žádoucím směrem (nahoru ke slunci)
8. nahrazuje meteostanici, protože pokud
a) je mokrá, prší
b) je suchá, neprší
c) se kymácí, je větrno
d) je rozteklá, je děsné vedro
e) je tvrdá, mrzne
f) zmizela, bylo tornádo
Další využití pro ni teprve hledám.
Teď je cca 9:40 a kačenka pořád ještě není vidět (!), tzn. dostávám tentokrát digitální (ano/ne) informaci, že je mlha jako prase a zase nic nevyrábím.
A jinak? Na celém tom kutění byla kupodivu nejkrásnější ta práce, kdy se sice něco vymyslelo, ale v praxi neosvědčilo, a muselo se vymyslet něco jiného a znovu to odzkoušet. A potom ten pocit pro bohy, kdy to začne chodit a splňuje to tvoje požadavky... To se musí zažít na vlastní kůži. Vždyť to určitě znáte sám! Já ve svém věku bych se to nebál nazvat orgasmem...
TAK AŤ SE CO NEJVÍC DAŘÍ!
Mám rád lidi se smyslem pro humor - mám pocit, že se spousta lidí bere moc vážně. To víte, že se kochám, možná víc, než doktor z Vesničky. Jsem totiž ješitnej jako skoro každej chlap.

Kachnička je skoro nejdůležitější součást zařízení a já jsem na ni málem zapomněl!

1. odklání blesky - je gumová a dobře izoluje
2. chrání 1 cm tyče před korozí
3. informuje mě (bohužel pouze analogově) o směru otáčení vertikálního pohonu
4. odrazuje zloděje
5. dělá radost vnoučkovi, ale hlavně mně
6. přitahuje sluneční paprsky pro vyšší účinnost
7. občas způsobí návštěvám roztažení koutků úst žádoucím směrem (nahoru ke slunci)
8. nahrazuje meteostanici, protože pokud
a) je mokrá, prší
b) je suchá, neprší
c) se kymácí, je větrno
d) je rozteklá, je děsné vedro
e) je tvrdá, mrzne
f) zmizela, bylo tornádo
Další využití pro ni teprve hledám.
Teď je cca 9:40 a kačenka pořád ještě není vidět (!), tzn. dostávám tentokrát digitální (ano/ne) informaci, že je mlha jako prase a zase nic nevyrábím.

A jinak? Na celém tom kutění byla kupodivu nejkrásnější ta práce, kdy se sice něco vymyslelo, ale v praxi neosvědčilo, a muselo se vymyslet něco jiného a znovu to odzkoušet. A potom ten pocit pro bohy, kdy to začne chodit a splňuje to tvoje požadavky... To se musí zažít na vlastní kůži. Vždyť to určitě znáte sám! Já ve svém věku bych se to nebál nazvat orgasmem...

TAK AŤ SE CO NEJVÍC DAŘÍ!
- fugas
- Příspěvky: 2239
- Registrován: sob pro 21, 2013 6:58 pm
- Reputace: 384
Re: Malý panel k chlazení piva s natáčením na slunce
Kachnička podle Cimrmana 

Isolar 5kW (Axpert klon), LiFePo4 202Ah Lishen 18s.Nyní v přestavbě P106 Electric z projektu LiFePo4 na LiIon 100Ah.
Kdo je online
Uživatelé prohlížející si toto fórum: Ahrefs [Bot], Applebot [Bot], Claudebot [Bot], Google [Bot] a 1 host