WATT router
Souhrn tématu
Diskuze o provozu watt routeru v domácích fotovoltaických instalacích se zaměřením na využití SSR výstupů pro nabíjení bojleru a baterií. Uživatelé sdílejí své zkušenosti, návody a schémata zapojení, které pomáhají lépe pochopit a optimalizovat instalaci. Příspěvky obsahují i technické detaily a rady pro správné přepínání výstupů, což usnadňuje efektivní řízení energie.
- abrams
- Příspěvky: 2792
- Registrován: ned črc 17, 2011 12:19 pm
- Reputace:427
- Lokalita: Brno
- Bydliště: Brno
WATT router
Zdravím ,
Má tu někdo zkušenosti s provozem watt routru http://www.solarcontrols.cz/wattrouter_cwx_ssr.html ?
Uvažují o koupi , ale je docela pálka , moc bych ocenil Vaše zkušenosti , postřehy a komentáře
.
Nahradil bych jím tu zbastleninu , co už mele z posledního
. Co jsem zatím pochopil tak bych využil
jen SSR výstupy : 1. "nabíjení" bojléru a 2. pro nabíjení
.
Předem děkuji
.
Elektronům zdar
Má tu někdo zkušenosti s provozem watt routru http://www.solarcontrols.cz/wattrouter_cwx_ssr.html ?
Uvažují o koupi , ale je docela pálka , moc bych ocenil Vaše zkušenosti , postřehy a komentáře
Nahradil bych jím tu zbastleninu , co už mele z posledního
jen SSR výstupy : 1. "nabíjení" bojléru a 2. pro nabíjení
Předem děkuji
Elektronům zdar
3,96kWp monokrystalů + 2x regl PCM60X + 24kWh LiFePO4 + 6kW HF sínus měnič s nájezdem 55 MWh @ 80.000 motohodin . , celé na 52V systému .
Chibi v textu vyhrazeny
Chibi v textu vyhrazeny
- joseff
- Příspěvky: 811
- Registrován: pon srp 08, 2011 9:55 am
- Reputace:31
Re: WATT router
myslim, ze tomu kdo si WATT router koupi, aby misto "odevzdavani" prebytku za soucasnou cenu tyto prebytky radeji sam smysluplne vyuzil, tak se mu investice co za nej da do roka v pohode vrati
- bert
- Příspěvky: 365
- Registrován: stř zář 07, 2011 10:09 pm
- Reputace:11
Re: WATT router
Skúsenosti nemám. Ak máte pripojenú elektráreň na sieť, je to asi dobré riadenie spotreby. Neviem, ako by to cez SSR malo nabíjať. Asi by bol lepší relé výstup(alebo aspom nie PVM riadenie SSR) a "intaligentná nabíjačka" zo siete.
Dobre som pochopil?
Dobre som pochopil?
- drama
- Příspěvky: 1001
- Registrován: čtv črc 28, 2011 12:01 pm
- Reputace:20
Re: WATT router
Pokud mate regulator, se kterym se da komunikovat, neni vubec slozite si takovy maly WATTrouter postavit. Algoritmus bude zhruba nasledujici:
1.) je rozdil ciloveho napeti regulatoru a napeti na bateriich velmi maly? Pokud ano, jdi na bod 2., pokud ne jdi na bod 3.
2.) zvedni vykon balastu pres SSR rele o par procent a jdi k bodu 1).
3.) sniz vykon balastu pres SSR rele o par procent a jdi k bodu 1).
1.) je rozdil ciloveho napeti regulatoru a napeti na bateriich velmi maly? Pokud ano, jdi na bod 2., pokud ne jdi na bod 3.
2.) zvedni vykon balastu pres SSR rele o par procent a jdi k bodu 1).
3.) sniz vykon balastu pres SSR rele o par procent a jdi k bodu 1).
- tomas
- Příspěvky: 2579
- Registrován: pon bře 07, 2011 11:05 am
- Reputace:243
- Bydliště: Třinec
Re: WATT router
Namontoval jsem dva WATTrouter CWx SSR na dvě FVE, 12kW a 3kW. Funguje to dobře. Starý kotoučkový elektroměr stojí. Při zapnutí spotřebiče sebou kotouček cukne, případně se pootočí o cca půl otáčky dle výkonu spotřebiče a rychlosti reakce regulátoru. Při vypnutí spotřebiče sebou kotouček zase cukne zpět. Při regulaci každé fáze zvlášť. Umí také regulaci všech fází dohromady (vektorový součet). Distributoři přeprogramovávají elektroměry pro měření každé fáze zvlášť, což jim umožňuje nový zákon který prolobovali díky odklánějícímu Kocourovi. To je nevýhodné pro výrobce energie v zeleném bonusu a výhodné pro distribuční firmy.
Osobně bych na WATTrouteru uvítal LAN RJ45 (sériový port) nebo i stávající USB, ale s otevřeným komunikačním protokolem. Ten jejich nastavovací prográmek lze sice spustit ve WINE, ale WINE zatím nepodporuje USB. Takže v Linuxu nebo zobrazení na webu případně data dále zpracovávat není jednoduše možné.
Osobně bych na WATTrouteru uvítal LAN RJ45 (sériový port) nebo i stávající USB, ale s otevřeným komunikačním protokolem. Ten jejich nastavovací prográmek lze sice spustit ve WINE, ale WINE zatím nepodporuje USB. Takže v Linuxu nebo zobrazení na webu případně data dále zpracovávat není jednoduše možné.
Chci elektrárnu s licencí a s prodejem přebytků nebo komunitní výměnou energie: ANO
- drama
- Příspěvky: 1001
- Registrován: čtv črc 28, 2011 12:01 pm
- Reputace:20
Re: WATT router
Včera jsem naprogramoval jednoduchý PoC pro Arduino, takový malý WATT router, který pracuje jako housátko. Co první uvidí po vylíhnutí, to je jeho maminka. Pro Arduino je to tak, že co je na vstupu při zapnutí, to bere jako cílové napětí. Postupně zvyšuje výkon (přes SSR relé připojené na jeden pin) resp. výkon snižuje pokud napětí klesne pod stanovenou odchylku od cílového napětí. Program je samozřejmě možné hodně zlepšit. Je napsán, aby byl snadno k pochopení. Až mi dorazí SSR relé, otestuji jej v praxi. Plán je ten, že Arduino sepne nadřazená jednotka ve chvíli, kdy je systém v absorbci či ve floatu a je tedy žádoucí drobné přebytky uložit třeba do bojleru. Ještě poznámka. Vzhledem k tomu, že je potřeba PWM frekvence v řádu jednotek Hz, tak není možné použít vestavěné PWM piny.
Kód: Vybrat vše
int analogPin = 3; // pin na kterem merime napeti na baterii
float targetVoltage = 27; // hodnota ciloveho napeti
float minVoltage = 26; // minimalni hodnota napeti, pri ktere se vypina PWM
float analogVoltage = 0; // hodnota na pinu analogPin
int pwmPin = 13; // pin na kterem vyrabime PWM signal
float analogDivision= 18.6; // rozliseni na 1 volt (zapocitan o. delic)
float diffMax = 0.2; // maximalni odchylka od ciloveho napeti
byte pwmDuty = 0; // kolik % PWM cyklu bude rele zapnuto
byte pwmStep = 20; // minimalni zmena skoku PWM
int pwmFreq = 10; // frekvence PWM - maximalne 100Hz!
int pwmCycle = 2; // cas v sekundach mezi zmenou PWM duty
int sumTime = 0; // celkova delka PWM cyklu v ms
int pwmLength = 0; // delka jednoho cyklu v milisekundach
// funkce se provede po startu
void setup() {
// inicializace serioveho portu na rychlost 9600 bps:
Serial.begin(9600);
// nastaveni digitalniho pinu jako vystup
pinMode(pwmPin, OUTPUT);
// pojistka, aby jsme si nezapamatovali prilis
// nizke cilove napeti
while (analogVoltage < minVoltage + diffMax)
{
// pulsekunda na usazeni
delay(500);
// napeti na analogPin bude brano jako cilove napeti
analogVoltage=analogRead(analogPin)/analogDivision;
// vypiseme
Serial.println("Aktualni napeti:");
Serial.println(analogVoltage);
}
// napeti je dostatecne vysoke, takze ho bereme jako cilove
targetVoltage=analogVoltage;
Serial.println("Cilove napeti nastaveno na:");
Serial.println(analogVoltage);
}
void loop() {
// nacteme aktualni napeti
analogVoltage=analogRead(analogPin)/analogDivision;
// pokud je rozdil napeti skutecneho a ciloveho
// ve stanovene mezi, zvysime vykon, jinak snizujeme
if (targetVoltage - analogVoltage < diffMax)
{
if (pwmDuty+pwmStep > 100)
{
pwmDuty=100;
}
else
{
pwmDuty=pwmDuty+pwmStep;
}
}
else
{
if (pwmDuty-pwmStep < 0)
{
pwmDuty=0;
}
else
{
pwmDuty=pwmDuty-pwmStep;
}
}
// skokove stazeni vykonu, pokud dojde k poklesu napeti
if ( analogVoltage < minVoltage)
{
pwmDuty=0;
}
Serial.println("Cilove napeti:");
Serial.println(targetVoltage);
Serial.println("Aktualni napeti:");
Serial.println(analogVoltage);
Serial.println("PWM:");
Serial.println(pwmDuty);
// Vlastni PWM cyklus
sumTime = 0;
pwmLength = 1000 / pwmFreq;
while ( sumTime < pwmCycle * 1000)
{
sumTime=sumTime+pwmLength;
digitalWrite(pwmPin, HIGH);
delay(pwmDuty*pwmLength/100);
digitalWrite(pwmPin, LOW);
delay(pwmLength*(100-pwmDuty)/100);
}
}
- abrams
- Příspěvky: 2792
- Registrován: ned črc 17, 2011 12:19 pm
- Reputace:427
- Lokalita: Brno
- Bydliště: Brno
Re: WATT router
Zdravím ,
děkuji za odpovědi a postřehy
.
Málem na mě nic nezbylo , včerá měl výrobce na skladě ještě 3 komlety a dnes ráno nic
, budou až 30.4.
.
Tak sem koupil regl + měřák - celkem o stovku dražší , holt kdo zaváha ..........
.
Úspory v čudu
, snad to k něčemu bude
.
Elektronům zdar
děkuji za odpovědi a postřehy
Málem na mě nic nezbylo , včerá měl výrobce na skladě ještě 3 komlety a dnes ráno nic
Tak sem koupil regl + měřák - celkem o stovku dražší , holt kdo zaváha ..........
Úspory v čudu
Elektronům zdar
3,96kWp monokrystalů + 2x regl PCM60X + 24kWh LiFePO4 + 6kW HF sínus měnič s nájezdem 55 MWh @ 80.000 motohodin . , celé na 52V systému .
Chibi v textu vyhrazeny
Chibi v textu vyhrazeny
- PavelR
- Příspěvky: 3555
- Registrován: ned led 29, 2012 3:59 pm
- Reputace:265
- Lokalita: Žabčice
- Systémové napětí: 48V
- Výkon panelů [Wp]: 29139
- Kapacita baterie [kWh]: 65
- Chci prodávat energii: ANO
- Chci/Mám dotaci: NE
Re: WATT router
myslis ze je rozumny na vystupu menice v jednotkach herzt cloumat s vykony napr 2kw? aby to neodskakal menicdrama píše:Ještě poznámka. Vzhledem k tomu, že je potřeba PWM frekvence v řádu jednotek Hz, tak není možné použít vestavěné PWM piny.
- drama
- Příspěvky: 1001
- Registrován: čtv črc 28, 2011 12:01 pm
- Reputace:20
Re: WATT router
SSR relé zapíná jen v nule, frekvence sítě je daná. To jsou jasná fakta, se kterými se nepohne. Při větším plnění lze dynamicky zvyšovat frekvenci PWM, ale ne příliš, pořád je tu ten frekvenční limit sítě. Jiná možnost podle mě není.
- jhladik
- Příspěvky: 99
- Registrován: pon čer 27, 2011 6:02 pm
- Reputace:1
Re: WATT router
Viděl jsem domácí zapojení (přednášku) borce, který nepoužíval SSR spínání v nule (pro řízení odporové zátěže-boileru), ale plynule zvětšoval střídu PWM signálu řízení SSR. Sice tam pak vznikají různé špičky, rušení atd, ale změřil si rušení na FM, AM rádiu a oproti stand. střídači byl "pocitově" někde jinde- téměř žádné rušení. Takže jde to, může to přinášet různé problémy, ale přináší to možnost plynulé regulace.... Chtělo by to analyzátor sítě a podívat se co pak se na zátěži doopravdy děje.drama píše:SSR relé zapíná jen v nule, frekvence sítě je daná. To jsou jasná fakta, se kterými se nepohne. Při větším plnění lze dynamicky zvyšovat frekvenci PWM, ale ne příliš, pořád je tu ten frekvenční limit sítě. Jiná možnost podle mě není.
- drama
- Příspěvky: 1001
- Registrován: čtv črc 28, 2011 12:01 pm
- Reputace:20
Re: WATT router
Tomu nějak nerozumím. Ten borec používal nebo nepoužíval SSR relé? Pokud ano, tak muselo zapínat a vypínat v nule, protože tak je prostě navrženo. Já také budu řídit SSR relé PWM, ale se zapínáním a vypínáním v nule to nemá nic společného.
- abrams
- Příspěvky: 2792
- Registrován: ned črc 17, 2011 12:19 pm
- Reputace:427
- Lokalita: Brno
- Bydliště: Brno
Re: WATT router
Zdravím ,
mám dotaz , pro ovládání bojléru (2kW) použiji jeden triak toho Wattrouteru , akorát že jsem už nenašel v rozvodech
volný drát , takže budu k bojléru tahat extra drát 2,5mm2 ale cca 45m . A to jen fázi , nulu a zem použiji ze stávajících
rozvodů . Nebude to nějak vadit ?
Elektronům zdar
mám dotaz , pro ovládání bojléru (2kW) použiji jeden triak toho Wattrouteru , akorát že jsem už nenašel v rozvodech
volný drát , takže budu k bojléru tahat extra drát 2,5mm2 ale cca 45m . A to jen fázi , nulu a zem použiji ze stávajících
rozvodů . Nebude to nějak vadit ?
Elektronům zdar
3,96kWp monokrystalů + 2x regl PCM60X + 24kWh LiFePO4 + 6kW HF sínus měnič s nájezdem 55 MWh @ 80.000 motohodin . , celé na 52V systému .
Chibi v textu vyhrazeny
Chibi v textu vyhrazeny
- drama
- Příspěvky: 1001
- Registrován: čtv črc 28, 2011 12:01 pm
- Reputace:20
Re: WATT router
Pokud tam máte proudový chránič, tak to vadit bude.
- abrams
- Příspěvky: 2792
- Registrován: ned črc 17, 2011 12:19 pm
- Reputace:427
- Lokalita: Brno
- Bydliště: Brno
Re: WATT router
Zdravím ,
to jako kvůli rozdílné impedanci vodičů ?
Zapoměl jsem napsat , že ten Wattrouter bude mít na vstupu L1 , L2 , L3 a PEN přímo od hodin a a na vstupu do triaku
fáze z domovního rozvodu - tudíž za Fíčkem . Pokusím se nakreslit schéma a dát jej sem .
Elektronům zdar
to jako kvůli rozdílné impedanci vodičů ?
Zapoměl jsem napsat , že ten Wattrouter bude mít na vstupu L1 , L2 , L3 a PEN přímo od hodin a a na vstupu do triaku
fáze z domovního rozvodu - tudíž za Fíčkem . Pokusím se nakreslit schéma a dát jej sem .
Elektronům zdar
3,96kWp monokrystalů + 2x regl PCM60X + 24kWh LiFePO4 + 6kW HF sínus měnič s nájezdem 55 MWh @ 80.000 motohodin . , celé na 52V systému .
Chibi v textu vyhrazeny
Chibi v textu vyhrazeny
- abrams
- Příspěvky: 2792
- Registrován: ned črc 17, 2011 12:19 pm
- Reputace:427
- Lokalita: Brno
- Bydliště: Brno
Re: WATT router
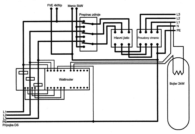
Zdravím ,
takhle nějak bych si to představoval : Je to jen hrubý náčrt , uvítám jakékoliv rady
.
Elektronům zdar
takhle nějak bych si to představoval : Je to jen hrubý náčrt , uvítám jakékoliv rady
Elektronům zdar
3,96kWp monokrystalů + 2x regl PCM60X + 24kWh LiFePO4 + 6kW HF sínus měnič s nájezdem 55 MWh @ 80.000 motohodin . , celé na 52V systému .
Chibi v textu vyhrazeny
Chibi v textu vyhrazeny
- bert
- Příspěvky: 365
- Registrován: stř zář 07, 2011 10:09 pm
- Reputace:11
Re: WATT router
Na obrázku hore máte FVE4kW pripojené natvrdo na L1, čiže 230V AC 
- drama
- Příspěvky: 1001
- Registrován: čtv črc 28, 2011 12:01 pm
- Reputace:20
Re: WATT router
Pokud jde o bojler, nemam pripominek.
- abrams
- Příspěvky: 2792
- Registrován: ned črc 17, 2011 12:19 pm
- Reputace:427
- Lokalita: Brno
- Bydliště: Brno
Re: WATT router
Samozřejmě že nic není připojeno natvrdo , vše je přes jističe . Kdybych do schématu zakreslil každý detail ,tak by mi
to trvalo celej den
. Konkrétně FVE 4 kWp má vlastní rozvaděč s kontrolním relé + jističem + el.měrem atd.
včetně síťového střídače .
Takže podle Vás dramo , by to takto mělo fungovat ?
Totiž , nejsem znalý principu fungování triaku , abych jej neopálil .
Pravdou je , že bych měl nakreslit podrobné schéma , abych se v tom za pár let vyznal
.
Elektronům zdar
to trvalo celej den
včetně síťového střídače .
Takže podle Vás dramo , by to takto mělo fungovat ?
Totiž , nejsem znalý principu fungování triaku , abych jej neopálil .
Pravdou je , že bych měl nakreslit podrobné schéma , abych se v tom za pár let vyznal
Elektronům zdar
3,96kWp monokrystalů + 2x regl PCM60X + 24kWh LiFePO4 + 6kW HF sínus měnič s nájezdem 55 MWh @ 80.000 motohodin . , celé na 52V systému .
Chibi v textu vyhrazeny
Chibi v textu vyhrazeny
- bert
- Příspěvky: 365
- Registrován: stř zář 07, 2011 10:09 pm
- Reputace:11
Re: WATT router
Pardón! Nemyslel som istenie. Až teraz som pochopil, že FVE4kW je pripojená Grid onbert píše:Na obrázku hore máte FVE4kW pripojené natvrdo na L1, čiže 230V AC
Snád len pripojiť ochranný vodič PE na kostrudrama píše:Pokud jde o bojler, nemam pripominek.
A ako bude uzemnený menič? Nečítal som znovu celé vlákno, no vyzerá to tak, že ste si z dvojfázového meniča "vylosoval" jednu fázu a tú ste pokrstil na PEN. To treba najprv vyskúšať, či nebude obal toho meniča kopať voči zemi z DS.
Treba rátať aj s tým, že keď budete napájať jednou fázou z meniča, prúd sa rozdelí medzi tri fázy, no nulák - N, prenáša plný výkon 5kW, v zábere možno do 10kW! Treba ho na tento prúd nadimenzovať, až po zbernicu za prúdovým chráničom.
- tomas
- Příspěvky: 2579
- Registrován: pon bře 07, 2011 11:05 am
- Reputace:243
- Bydliště: Třinec
Re: WATT router
Existují SSR které spínají v nule, ale také takové které spínají okamžitě nebo analogové.drama píše:Tomu nějak nerozumím. Ten borec používal nebo nepoužíval SSR relé? Pokud ano, tak muselo zapínat a vypínat v nule, protože tak je prostě navrženo. Já také budu řídit SSR relé PWM, ale se zapínáním a vypínáním v nule to nemá nic společného.
http://www.enika.cz/cz/soucastky-pro-el ... ladic.html
Chci elektrárnu s licencí a s prodejem přebytků nebo komunitní výměnou energie: ANO
Kdo je online
Uživatelé procházející toto fórum: Claudebot [Bot]
