Přednostní proudové relé - priorita spotřebičů
Souhrn tématu
Diskuse se věnuje návrhu a fungování přednostního proudového relé, které umožňuje řídit spotřebiče podle priority jejich odběru. Uživatelé řeší možné problémy se zpožděním relé, přetížením měniče a správným zapojením měřící smyčky. Součástí jsou i praktické zkušenosti s různými spotřebiči jako pračka, rychlovarka, vařič nebo bojler a doporučení pro optimální nastavení systému.
- mypower.cz
- R.I.P.
- Příspěvky: 4895
- Registrován: pát bře 04, 2011 11:36 am
- Reputace:522
Přednostní proudové relé - priorita spotřebičů
Hoj, navazuji na svou otázku ohledně přednostního proudového relé, kterou jsem položil v jiném tématu.
Nedalo mi to a zkusil si to nakreslit. Vidí tam někdo nějaký problém? Mohlo by to fungovat?
Relé:
https://www.e1.cz/produkt/1147041-predn ... 5a?t=popis
Pravidla:
- Hřeje-li pračka, tak nezapínáme nic, počkáme až dohřeje, pak bude prát a dostane se na řádově menší příkon a můžeme spínat dál.
- Nehřeje-li pračka, můžeme zapnout rychlovarku. Je to rychlovarka, tak to nebude asi tak dlouho trvat a vše ostatní chvíli vydrží. Kafe je navíc důležitější než vše ostatní, ale reset pračky za to nestojí.
- Je-li kafe uděláno, spínáme vařič, ten se nahřeje a setrvačností hřeje a nějaké přerušování rychlovarkou ani nepocítí, nicméně v tu chvíli prostě počká na prioritnější rychlovarku.
- Jestliže ani vařič nejede, tak to pustíme do bojleru, je-li zaplý a je-li jeho termostat seplý.
- Když bojler nejede, tak není co dělat, takže to pošlem třeba sousedovi, a pokud soused má menší spotřebu jak 230W (1A), tak rozsvítíme ceduli, že není co dělat.
- Čerpadlo jede paralelně s pračkou a má 600W. Snese se se souběhy ostatních spotřebičů a pokud nebude současně hřát pračka, tak klidně 3kW měnič snese i rychlovarku nebo něco dalšího.
Možné problémy
Problém asi bude ta půlvteřina zpoždění toho relé, zejména při startu, kdy je vlastně vše sepnuto. Nevim jak se to bude chovat.
V realu asi po startu naskoci trvale zapnuty bojler a mozna by pul vteriny jela i cedule a sousedovic v te dobe zapnuty odber. To muze byt pro 3kW menic palba.
Pri prepinani taky netusim jestli by to nemelo reagovat spise rychleji.
Jede bojler. Zapnu rychlovarku. Bojler vypina po pul vterine, zatez na 3kW menic je 4kW po dobu pul vteriny, to je v pohode, to da. Ale asi tam muzou kratkodobe nastat vyjimecne soubehy, kdy se muzem dostat na hodne velky prikon.
Jeste asi jeden problem s typem rele a jeho parametry: "AC 230 V - výstupní kontakt 1x přepínací 8 A (AC1) ", to je asi na tyhle spotrebice docela malo.

Admin edit: výše uvedené schéma je nakresleno špatně, funkční řešení je níže
Nedalo mi to a zkusil si to nakreslit. Vidí tam někdo nějaký problém? Mohlo by to fungovat?
Relé:
https://www.e1.cz/produkt/1147041-predn ... 5a?t=popis
Pravidla:
- Hřeje-li pračka, tak nezapínáme nic, počkáme až dohřeje, pak bude prát a dostane se na řádově menší příkon a můžeme spínat dál.
- Nehřeje-li pračka, můžeme zapnout rychlovarku. Je to rychlovarka, tak to nebude asi tak dlouho trvat a vše ostatní chvíli vydrží. Kafe je navíc důležitější než vše ostatní, ale reset pračky za to nestojí.
- Je-li kafe uděláno, spínáme vařič, ten se nahřeje a setrvačností hřeje a nějaké přerušování rychlovarkou ani nepocítí, nicméně v tu chvíli prostě počká na prioritnější rychlovarku.
- Jestliže ani vařič nejede, tak to pustíme do bojleru, je-li zaplý a je-li jeho termostat seplý.
- Když bojler nejede, tak není co dělat, takže to pošlem třeba sousedovi, a pokud soused má menší spotřebu jak 230W (1A), tak rozsvítíme ceduli, že není co dělat.
- Čerpadlo jede paralelně s pračkou a má 600W. Snese se se souběhy ostatních spotřebičů a pokud nebude současně hřát pračka, tak klidně 3kW měnič snese i rychlovarku nebo něco dalšího.
Možné problémy
Problém asi bude ta půlvteřina zpoždění toho relé, zejména při startu, kdy je vlastně vše sepnuto. Nevim jak se to bude chovat.
V realu asi po startu naskoci trvale zapnuty bojler a mozna by pul vteriny jela i cedule a sousedovic v te dobe zapnuty odber. To muze byt pro 3kW menic palba.
Pri prepinani taky netusim jestli by to nemelo reagovat spise rychleji.
Jede bojler. Zapnu rychlovarku. Bojler vypina po pul vterine, zatez na 3kW menic je 4kW po dobu pul vteriny, to je v pohode, to da. Ale asi tam muzou kratkodobe nastat vyjimecne soubehy, kdy se muzem dostat na hodne velky prikon.
Jeste asi jeden problem s typem rele a jeho parametry: "AC 230 V - výstupní kontakt 1x přepínací 8 A (AC1) ", to je asi na tyhle spotrebice docela malo.
Admin edit: výše uvedené schéma je nakresleno špatně, funkční řešení je níže
- diablo007
- Příspěvky: 3186
- Registrován: stř lis 28, 2018 7:57 pm
- Reputace:239
- Bydliště: Vyškov
Re: Přednostní proudové relé - priorita spotřebičů
Jakou elektronikou neboli mozkem chceš naprogramovat co při kterém relé může jet a co ne protože pri tom počtu relé dokážeš určit jedno které odpojí zbytek jen klasickým spojením ovládacích cívek ale to aby každé dokázalo odpojovat vždy ty zbylé už musí být něčím rizeno
- rva
- Příspěvky: 4904
- Registrován: úte dub 23, 2013 10:21 am
- Reputace:961
- Lokalita: Kousek od Lysé nad Labem
- Systémové napětí: 48V
- Výkon panelů [Wp]: 46000
- Kapacita baterie [kWh]: 62
- Chci prodávat energii: NE
- Chci/Mám dotaci: NE
- Bydliště: Kousek od Lysé nad Labem
Re: Přednostní proudové relé - priorita spotřebičů
K automatickému odpojování některých silových větví používám hlídač proudového maxima HJ306, který je zapojen hned za měniči Axpert, aby měřil jejich výstupní proud. Nastavím si na něm (DIP přepínače po kroku 1 A) max. proud, který Axperty snesou bez přepnutí na bypass (mám tam 17 A, ale lze kdykoliv za provozu přenastavit). No a HJ306 vše hlídá - on ví, jaké přetížení vzniklo a kdy může tedy nepreferovaný obvod opět zapnout. Návod - https://www.schrack.cz/fileadmin/f/cz/B ... HJ_xxx.pdf
Odpojení provádím dvěma způsoby dle toho, který je snáze realizovatelný
1. Drátově - HJ306 má v sobě kontakty, kterými odpojuji cívky relé stykačů, přes které odpojuji některé silové obvody při přetížení ve dvou stupních pomocí stykače odpojuji.
2. Bezdrátově - ty samé kontakty zapínají vysílače 433 MHz a před žravým spotřebičem je přijímač (integrovaný třeba do prodlužky), který spotřebič odpojí.
Odpojení provádím dvěma způsoby dle toho, který je snáze realizovatelný
1. Drátově - HJ306 má v sobě kontakty, kterými odpojuji cívky relé stykačů, přes které odpojuji některé silové obvody při přetížení ve dvou stupních pomocí stykače odpojuji.
2. Bezdrátově - ty samé kontakty zapínají vysílače 433 MHz a před žravým spotřebičem je přijímač (integrovaný třeba do prodlužky), který spotřebič odpojí.
_______________________________________________________________________
43 kWp, LiFePO4 62 kWh,
EPSolar 60 A/150 V ET6415N + 3x Isolar SM II (5 kW, 450 V, 80 A) + Axpert PIP 5048MS
43 kWp, LiFePO4 62 kWh,
EPSolar 60 A/150 V ET6415N + 3x Isolar SM II (5 kW, 450 V, 80 A) + Axpert PIP 5048MS
- diablo007
- Příspěvky: 3186
- Registrován: stř lis 28, 2018 7:57 pm
- Reputace:239
- Bydliště: Vyškov
Re: Přednostní proudové relé - priorita spotřebičů
Tohle prostě odpojí daný spotřebič při překročení odběru tam máš defakto určenou prioritu daným proudem co se odpojí jako poslední chápu to správně?
- mypower.cz
- R.I.P.
- Příspěvky: 4895
- Registrován: pát bře 04, 2011 11:36 am
- Reputace:522
Re: Přednostní proudové relé - priorita spotřebičů
To vyse je nekolik proudovych rele.diablo007 píše:Jakou elektronikou neboli mozkem chceš naprogramovat co při kterém relé může jet a co ne protože pri tom počtu relé dokážeš určit jedno které odpojí zbytek jen klasickým spojením ovládacích cívek ale to aby každé dokázalo odpojovat vždy ty zbylé už musí být něčím rizeno
Rizeno je kazde rele pomoci proudu, ktery tece v kabelu, ktery je provlecen tim rele.
Tudiz spotrebic na schematu vice vpravo jsem schopen vypnout jede-li spotrebic o jedno od neho vlevo.
Mrknete na dokumentaci:
https://www.e1.cz/api/products/1147041/ ... pri_52.pdf
https://www.e1.cz/api/products/1147041/ ... pri_52.pdf
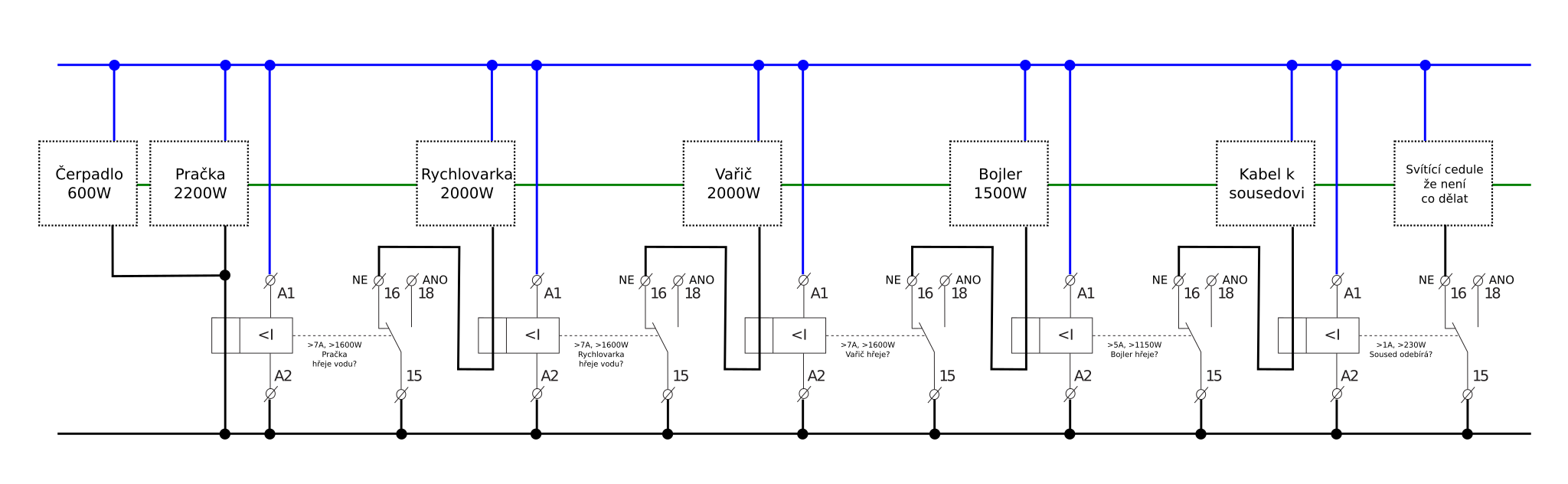
A uz ted ale vidim ze to schema mam spatne.
Kdyz sepne rychlovarka, sice mi vypne varic ale diky tomu ze je vypnuty varic sepne bojler.
Hm .. jeste to bude chtit poladit.
- diablo007
- Příspěvky: 3186
- Registrován: stř lis 28, 2018 7:57 pm
- Reputace:239
- Bydliště: Vyškov
Re: Přednostní proudové relé - priorita spotřebičů
Právě že to není tak jak jsi asi chtěl aby to fungovalo. Ty víceméně máš asi v plánu že pojede jen jedna z těch větví že?
- mypower.cz
- R.I.P.
- Příspěvky: 4895
- Registrován: pát bře 04, 2011 11:36 am
- Reputace:522
Re: Přednostní proudové relé - priorita spotřebičů
Tak tak. Nicmene tuhle funkci puvodne navrzene schema neplni dobre uz od pohledu. Takze jeste to predelamdiablo007 píše:Právě že to není tak jak jsi asi chtěl aby to fungovalo. Ty víceméně máš asi v plánu že pojede jen jedna z těch větví že?
- diablo007
- Příspěvky: 3186
- Registrován: stř lis 28, 2018 7:57 pm
- Reputace:239
- Bydliště: Vyškov
Re: Přednostní proudové relé - priorita spotřebičů
Já se bojím že to jen proudová relé stejně nevyřeší jelikož by kazde rele mělo dokázat odpojit všechny ostatní tak bys ty ostatní cívky musel mít nějakým způsobem spojené pokud natvrdo tak vlastně se vypne vše protože bude vše se vším spojeno k tomuto by už bylo potřeba zařízení co bude mít hlavu aby podle impulzů na vstupu vždy odstrihlo jen ty zbylé
- mypower.cz
- R.I.P.
- Příspěvky: 4895
- Registrován: pát bře 04, 2011 11:36 am
- Reputace:522
Re: Přednostní proudové relé - priorita spotřebičů
Uprava schematu by spocivala v tom ze kazdym rele se musi protahnout vsechny vodice napajejici spotrebice vice vlevo. Tedy asi. Zatim jen nad tim spekulujudiablo007 píše:Já se bojím že to jen proudová relé stejně nevyřeší jelikož by kazde rele mělo dokázat odpojit všechny ostatní tak bys ty ostatní cívky musel mít nějakým způsobem spojené pokud natvrdo tak vlastně se vypne vše protože bude vše se vším spojeno k tomuto by už bylo potřeba zařízení co bude mít hlavu aby podle impulzů na vstupu vždy odstrihlo jen ty zbylé
Protazenim vice vodicu mericim trafem toho rele ziskame funkci "NEBO".
Tudiz at jede pracka NEBO rychlovarka NEBO varic, nesepne bojler. Merenim rele treba pro bojler musime provest kabliky napajejici pracku, cerpadlo, rychlovarku a varic. U kablu k sousedovi provleceme merenim pracku, rychlovarku, varic i bojler. Dokud neco z toho jede, nesepne soused. Tak nejak by to mohlo asi i fakcit.
Pozdeji nakreslim a uvidim co z toho vznikne a flaknu to sem na posouzeni
- diablo007
- Příspěvky: 3186
- Registrován: stř lis 28, 2018 7:57 pm
- Reputace:239
- Bydliště: Vyškov
Re: Přednostní proudové relé - priorita spotřebičů
Průřez který uvádí že se do toho vleze je max 2x2.5mm2 takže dva zásuvkové okruhy
- ota
- Příspěvky: 2297
- Registrován: čtv dub 18, 2013 9:37 am
- Reputace:514
- Bydliště: na chaloupce u lesa-Příbramsko
Re: Přednostní proudové relé - priorita spotřebičů
Přednostním relé odpínám bojler a chystám se připojit ještě jedno čerpadlo.
Malé relátko co je v PRI ve mě nevzbuzuje mnoho důvěry. Netuším kolik vydrží jeho kontakty.
Pro čerpadlo plánuji, na omezení proudového nárazu dát do serie ještě varistor. Má to smysl?
Malé relátko co je v PRI ve mě nevzbuzuje mnoho důvěry. Netuším kolik vydrží jeho kontakty.
Pro čerpadlo plánuji, na omezení proudového nárazu dát do serie ještě varistor. Má to smysl?
70kWp + 10kW Infinity, 25kWh LiFe
- diablo007
- Příspěvky: 3186
- Registrován: stř lis 28, 2018 7:57 pm
- Reputace:239
- Bydliště: Vyškov
Re: Přednostní proudové relé - priorita spotřebičů
https://www.conrad.cz/omezovace-nabehov ... u.c0809073
Nikde radši neuvádí co v tom vlastně je
Nikde radši neuvádí co v tom vlastně je
- NOPARasito
- Příspěvky: 2601
- Registrován: čtv črc 19, 2018 12:14 am
- Reputace:192
- Bydliště: Vidiek, Trhanova Lhota
Re: Přednostní proudové relé - priorita spotřebičů
To by uz davalo smysl, prvni schema se ti ovlivnovaly jen spotrebice navzajem co mely spolecnou smycku na mereni v relemypower.cz píše:Uprava schematu by spocivala v tom ze kazdym rele se musi protahnout vsechny vodice napajejici spotrebice vice vlevo. Tedy asi. Zatim jen nad tim spekulujudiablo007 píše:Já se bojím že to jen proudová relé stejně nevyřeší jelikož by kazde rele mělo dokázat odpojit všechny ostatní tak bys ty ostatní cívky musel mít nějakým způsobem spojené pokud natvrdo tak vlastně se vypne vše protože bude vše se vším spojeno k tomuto by už bylo potřeba zařízení co bude mít hlavu aby podle impulzů na vstupu vždy odstrihlo jen ty zbylé
Protazenim vice vodicu mericim trafem toho rele ziskame funkci "NEBO".
Tudiz at jede pracka NEBO rychlovarka NEBO varic, nesepne bojler. Merenim rele treba pro bojler musime provest kabliky napajejici pracku, cerpadlo, rychlovarku a varic. U kablu k sousedovi provleceme merenim pracku, rychlovarku, varic i bojler. Dokud neco z toho jede, nesepne soused. Tak nejak by to mohlo asi i fakcit.
Pozdeji nakreslim a uvidim co z toho vznikne a flaknu to sem na posouzeni
Naposledy upravil(a) NOPARasito dne úte úno 12, 2019 11:34 am, celkem upraveno 1 x.
- diablo007
- Příspěvky: 3186
- Registrován: stř lis 28, 2018 7:57 pm
- Reputace:239
- Bydliště: Vyškov
- mypower.cz
- R.I.P.
- Příspěvky: 4895
- Registrován: pát bře 04, 2011 11:36 am
- Reputace:522
Re: Přednostní proudové relé - priorita spotřebičů
Jeste me napadlo merit spolecny nulak (vystup ze spotrebicu) nebo spolecne napajeni (fazi) vsech spotrebicu v kaskade pred spinanym spotrebicem. Tim by se asi nemuselo provlikat vic kablu ale jen jeden.NOPARasito píše:To by uu davalo smysl, prvni schema se ti ovlivnovaly jen spotrebice navzajem co mely spolecnou smycku na mereni v relemypower.cz píše:Uprava schematu by spocivala v tom ze kazdym rele se musi protahnout vsechny vodice napajejici spotrebice vice vlevo. Tedy asi. Zatim jen nad tim spekulujudiablo007 píše:Já se bojím že to jen proudová relé stejně nevyřeší jelikož by kazde rele mělo dokázat odpojit všechny ostatní tak bys ty ostatní cívky musel mít nějakým způsobem spojené pokud natvrdo tak vlastně se vypne vše protože bude vše se vším spojeno k tomuto by už bylo potřeba zařízení co bude mít hlavu aby podle impulzů na vstupu vždy odstrihlo jen ty zbylé
Protazenim vice vodicu mericim trafem toho rele ziskame funkci "NEBO".
Tudiz at jede pracka NEBO rychlovarka NEBO varic, nesepne bojler. Merenim rele treba pro bojler musime provest kabliky napajejici pracku, cerpadlo, rychlovarku a varic. U kablu k sousedovi provleceme merenim pracku, rychlovarku, varic i bojler. Dokud neco z toho jede, nesepne soused. Tak nejak by to mohlo asi i fakcit.
Pozdeji nakreslim a uvidim co z toho vznikne a flaknu to sem na posouzeni.
- diablo007
- Příspěvky: 3186
- Registrován: stř lis 28, 2018 7:57 pm
- Reputace:239
- Bydliště: Vyškov
Re: Přednostní proudové relé - priorita spotřebičů
Nebo to dotáhnout do té fáze že to budeš měřit na přívodu těch jističů pro zařízení a to kabelem o prurezu 4mm který to relé taky pobere
- NOPARasito
- Příspěvky: 2601
- Registrován: čtv črc 19, 2018 12:14 am
- Reputace:192
- Bydliště: Vidiek, Trhanova Lhota
Re: Přednostní proudové relé - priorita spotřebičů
Přes nulák by to šlo, bojím se, že první relé na řadě, bude dostávat proudově pěkně na prdel. Tuším, že uvnitř bude klasika relé za pár šušňů.
Ja na to sel jinou cestou 2x4kW trvale a spicka 20kW, ale toto je vhodne pri vhodne velikosti baterie, jelikoz sosat vse co se blizi 1C nebude nic moc pro
Ja na to sel jinou cestou 2x4kW trvale a spicka 20kW, ale toto je vhodne pri vhodne velikosti baterie, jelikoz sosat vse co se blizi 1C nebude nic moc pro
- rva
- Příspěvky: 4904
- Registrován: úte dub 23, 2013 10:21 am
- Reputace:961
- Lokalita: Kousek od Lysé nad Labem
- Systémové napětí: 48V
- Výkon panelů [Wp]: 46000
- Kapacita baterie [kWh]: 62
- Chci prodávat energii: NE
- Chci/Mám dotaci: NE
- Bydliště: Kousek od Lysé nad Labem
Re: Přednostní proudové relé - priorita spotřebičů
Na regulaci spotřebičů je potřeba se připravit už s předstihem. Teda i při nákupu spotřebiče. Například pračky existují takové, kterým výpadek elektřiny nevadí a po opětovném náběhu pokračují v pracím cyklu.
Některé spotřebiče je možné kdykoliv vypnout, ale není dobré je rychle zapnout - například klimatizace, i když některé mají ochranu, která zabrání okamžitému náběhu. A nebo čerpadlům též nedělá dobře časté spínání.
A vlastní realizace je často už v hotovém domě s nějakou elektroinstalací, kde není snadné natahat dodatečné kabely k jednotlivým spotřebičům.
A je potřeba myslet na to, že současný stav není konečný, změní se spotřebiče, něco žravého přibude, přemístí se. Tak aby byla změna nějak normálně realizovatelná.
Některé spotřebiče je možné kdykoliv vypnout, ale není dobré je rychle zapnout - například klimatizace, i když některé mají ochranu, která zabrání okamžitému náběhu. A nebo čerpadlům též nedělá dobře časté spínání.
A vlastní realizace je často už v hotovém domě s nějakou elektroinstalací, kde není snadné natahat dodatečné kabely k jednotlivým spotřebičům.
A je potřeba myslet na to, že současný stav není konečný, změní se spotřebiče, něco žravého přibude, přemístí se. Tak aby byla změna nějak normálně realizovatelná.
_______________________________________________________________________
43 kWp, LiFePO4 62 kWh,
EPSolar 60 A/150 V ET6415N + 3x Isolar SM II (5 kW, 450 V, 80 A) + Axpert PIP 5048MS
43 kWp, LiFePO4 62 kWh,
EPSolar 60 A/150 V ET6415N + 3x Isolar SM II (5 kW, 450 V, 80 A) + Axpert PIP 5048MS
- mypower.cz
- R.I.P.
- Příspěvky: 4895
- Registrován: pát bře 04, 2011 11:36 am
- Reputace:522
Re: Přednostní proudové relé - priorita spotřebičů
Verze 2.0 by už asi i mohla fungovat... 
Nebo je tam teoreticky ještě nějaký problém?
Odhlédněme teď od toho, že kontakty toho mého výše vybraného relé jsou 8A max, to je samozřejmě málo. Chce to něco robustnějšího, tak 10A-15A.
Nebo je tam teoreticky ještě nějaký problém?
Odhlédněme teď od toho, že kontakty toho mého výše vybraného relé jsou 8A max, to je samozřejmě málo. Chce to něco robustnějšího, tak 10A-15A.
- NOPARasito
- Příspěvky: 2601
- Registrován: čtv črc 19, 2018 12:14 am
- Reputace:192
- Bydliště: Vidiek, Trhanova Lhota
Re: Přednostní proudové relé - priorita spotřebičů
Pokud bude regl (menic) napojenej z prave strany tak by to mohlo fungovat 
Mam pocit ze se daji najit rele i na 25A.
Mam pocit ze se daji najit rele i na 25A.
Naposledy upravil(a) NOPARasito dne úte úno 12, 2019 7:54 pm, celkem upraveno 1 x.
Kdo je online
Uživatelé procházející toto fórum: Claudebot [Bot]
