Ako zopnúť 210 V DC
Souhrn tématu
Diskuze se věnuje praktickému řešení, jak zopnúť 210 V DC na stykači tak, aby nedošlo k poškození kontaktů. Uživatelé sdílejí zkušenosti s použitím nabíjecích odporů, varistorů a triků s napájením cívky ze sekundáru transformátoru. Součástí jsou i schémata zapojení a rady pro dimenzování komponent, které pomáhají eliminovat problémy s proudovým nárazem a výpadky jističů.
- rottenkiwi
- Příspěvky: 5451
- Registrován: pát úno 13, 2015 2:24 pm
- Reputace:287
- Lokalita: SO, SK
- Bydliště: SO, SK
Ako zopnúť 210 V DC
V tomto videu pekne vyriešili, ako zopnúť 210 V DC na stykači, aby to neopálilo kontakty.
https://youtu.be/utDVUNUC474?t=1h15s
https://youtu.be/utDVUNUC474?t=1h15s
- kodl69
- Příspěvky: 8427
- Registrován: sob črc 19, 2014 8:56 pm
- Reputace:1091
- Lokalita: severně od Brna
- Systémové napětí: 48V
- Výkon panelů [Wp]: 8kWp
- Kapacita baterie [kWh]: 12kWh
- Chci prodávat energii: NE
- Chci/Mám dotaci: NE
Re: Ako zopnúť 210 V DC
Taky by mě zajímalo, jak je to udělaný, chlapíkovi není moc rozumět...
ostrov skoro 8kWp neustále ve stádiu zrodu: smartshunt(ex WBJR), MPPT150/45, MPPT 250/100(ex midnitesolar 150 clasic lite), 16S a různě P cca 340Ah Winston, MP II 5000,( ex Powerjack 8kW, ex samodomo cca 4kW). 48V DC rozvody a spotřebiče.
- willcz
- Příspěvky: 590
- Registrován: úte zář 06, 2016 2:52 pm
- Reputace:106
Re: Ako zopnúť 210 V DC
V nasich strojich bezne spiname 300V DC pri cca 20A. Podobne to bude u toho auta, jen tam jsou vetsi proudy.
To co se snazi rict je ze je tam nabijeci resistor a pak preklenovaci relatka. Je to videt I na tech popisich soucastek.
Anglicky se tomuto obvodu rika inrush current limiter.
Podle me je to trosku jina situace nez se resi u elektrarny. Neverim ze to spinani probiha pri nejake zatezi, natoz pak pri jizde.
To ze dokazu spinat v okamziku kdy tam netece proud, prave zajisti to ze neopalim kontakty
U velkych traf se to dela uplne primitivne, na primaru je v privodu odpor a ten se po nabuzeni trafa preklenem kontaktem stykace napajeneho ze sekundaru. U DC se to resi podobne, jen se musi generovat to zpozdeni nejakou elektronikou. Klidne muzu poslat kousek zapojeni z nasich stroju.
To co se snazi rict je ze je tam nabijeci resistor a pak preklenovaci relatka. Je to videt I na tech popisich soucastek.
Anglicky se tomuto obvodu rika inrush current limiter.
Podle me je to trosku jina situace nez se resi u elektrarny. Neverim ze to spinani probiha pri nejake zatezi, natoz pak pri jizde.
To ze dokazu spinat v okamziku kdy tam netece proud, prave zajisti to ze neopalim kontakty
U velkych traf se to dela uplne primitivne, na primaru je v privodu odpor a ten se po nabuzeni trafa preklenem kontaktem stykace napajeneho ze sekundaru. U DC se to resi podobne, jen se musi generovat to zpozdeni nejakou elektronikou. Klidne muzu poslat kousek zapojeni z nasich stroju.
- rva
- Příspěvky: 4918
- Registrován: úte dub 23, 2013 10:21 am
- Reputace:962
- Lokalita: Kousek od Lysé nad Labem
- Systémové napětí: 48V
- Výkon panelů [Wp]: 46000
- Kapacita baterie [kWh]: 62
- Chci prodávat energii: NE
- Chci/Mám dotaci: NE
- Bydliště: Kousek od Lysé nad Labem
Re: Ako zopnúť 210 V DC
Ahoj, právě řešíme připínání stroje, kde je 3-fázové trafo 6 kVA a vyhazuje to jistič 32 A, takže se chytne až na několikerý pokus. Máš nějaký odhad jaké odpory do primáru k překlenutí?
_______________________________________________________________________
43 kWp, LiFePO4 62 kWh,
EPSolar 60 A/150 V ET6415N + 3x Isolar SM II (5 kW, 450 V, 80 A) + Axpert PIP 5048MS
43 kWp, LiFePO4 62 kWh,
EPSolar 60 A/150 V ET6415N + 3x Isolar SM II (5 kW, 450 V, 80 A) + Axpert PIP 5048MS
- willcz
- Příspěvky: 590
- Registrován: úte zář 06, 2016 2:52 pm
- Reputace:106
Re: Ako zopnúť 210 V DC
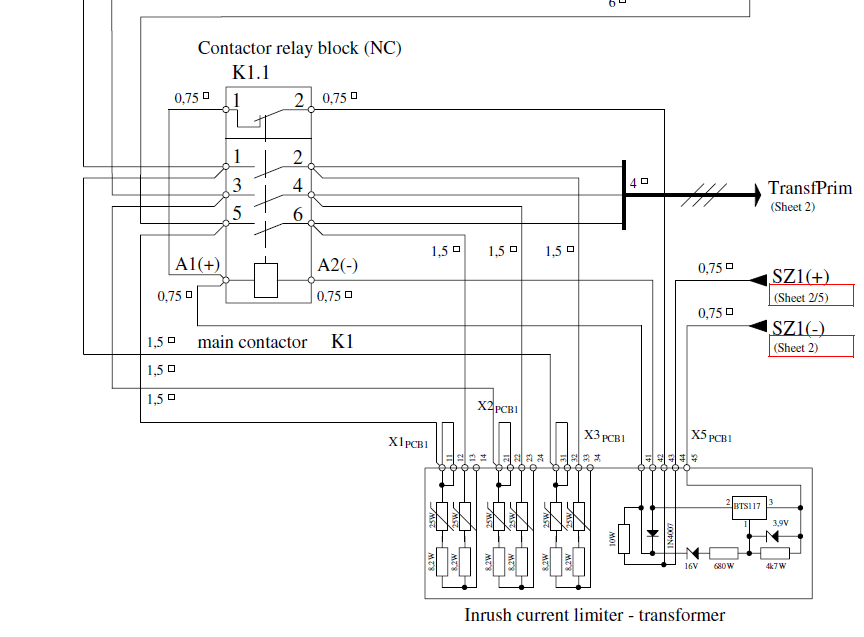
Tady je schema kde jsou v serii dva 8R2 odpory a k tomu 2x varistor 25R.rva píše:Ahoj, právě řešíme připínání stroje, kde je 3-fázové trafo 6 kVA a vyhazuje to jistič 32 A, takže se chytne až na několikerý pokus. Máš nějaký odhad jaké odpory do primáru k překlenutí?
je to na trafu cca 4kVA
je to tam takto slozitej protoze masina umi jet i na 110V (posune se konektor a nejsou pak v serii)
Ale jako inspirace to snad staci.
Muzu zkusit najit I foto desky pro predstavu o dimenzovani vykonu tech odporu.
Na DC vetvi to je pak udela pomoci kondiku a odporu v serii (napajeni pro serva se odpina pri otevreni krytu a opet by odchazely kontakty)
Pavel
- rva
- Příspěvky: 4918
- Registrován: úte dub 23, 2013 10:21 am
- Reputace:962
- Lokalita: Kousek od Lysé nad Labem
- Systémové napětí: 48V
- Výkon panelů [Wp]: 46000
- Kapacita baterie [kWh]: 62
- Chci prodávat energii: NE
- Chci/Mám dotaci: NE
- Bydliště: Kousek od Lysé nad Labem
Re: Ako zopnúť 210 V DC
Díky, dobrá inspirace. Hrubý rozměr odporu by se taky hodil.
_______________________________________________________________________
43 kWp, LiFePO4 62 kWh,
EPSolar 60 A/150 V ET6415N + 3x Isolar SM II (5 kW, 450 V, 80 A) + Axpert PIP 5048MS
43 kWp, LiFePO4 62 kWh,
EPSolar 60 A/150 V ET6415N + 3x Isolar SM II (5 kW, 450 V, 80 A) + Axpert PIP 5048MS
- willcz
- Příspěvky: 590
- Registrován: úte zář 06, 2016 2:52 pm
- Reputace:106
Re: Ako zopnúť 210 V DC
Obrazek zderva píše:Díky, dobrá inspirace. Hrubý rozměr odporu by se taky hodil.
na tom SZ kolem 40V DC
- rva
- Příspěvky: 4918
- Registrován: úte dub 23, 2013 10:21 am
- Reputace:962
- Lokalita: Kousek od Lysé nad Labem
- Systémové napětí: 48V
- Výkon panelů [Wp]: 46000
- Kapacita baterie [kWh]: 62
- Chci prodávat energii: NE
- Chci/Mám dotaci: NE
- Bydliště: Kousek od Lysé nad Labem
Re: Ako zopnúť 210 V DC
Tak kámoš to u svého trafa zrealizoval a vše funguje k všeobecné spokojenosti, jističe nevypadávají, nic nehoří a 6kVA trafo se nasytí. Ten trik s napájením cívky ze sekundáru je geniální.
_______________________________________________________________________
43 kWp, LiFePO4 62 kWh,
EPSolar 60 A/150 V ET6415N + 3x Isolar SM II (5 kW, 450 V, 80 A) + Axpert PIP 5048MS
43 kWp, LiFePO4 62 kWh,
EPSolar 60 A/150 V ET6415N + 3x Isolar SM II (5 kW, 450 V, 80 A) + Axpert PIP 5048MS
Kdo je online
Uživatelé procházející toto fórum: Claudebot [Bot]
