Mikroostrov Prešov 1x 230 Wp
- Tonicek
- Příspěvky: 127
- Registrován: pát úno 21, 2014 12:25 pm
- Reputace: 20
- Bydliště: Prešov
Mikroostrov Prešov 1x 230 Wp
Tak po roku zmýšľaný ostrov pri Prešove zrealizovaný. V súčasnosti "systém" plne pokrýva potreby na čo bol vytvorený. LEd osvetlenie 3 miestností a terasy (cca 30W max pri komplet zapojení). Rozvod je 12V 4mm2 kábel a každá z miestností má vlastný okruh (zatiaľ len svetelný, podľa potreby pribudne zásuvkový tiež na 12V). Systém počas dňa spoľahlivo dobije Notebook, mobil, ale aj bateriu do akuvŕtačky. Utiahne autochladničku, čerpadlo, autovysávač a aj upravenú akuvŕtačku na 12V priamo. Istenie okruhov cez autopoistky, Pnely - poistkový odpájač + DC 2xistič bateria a panel (vprípade vypadnutia baterie odpojí panel)
Plán: Výmena batérií (zatiaľ síce postačuje vyradená autobatéria), regulátora (súčasný PWM ževraj 30A) a časom dokúpenie meniča, aby potiahol chladničku)
Chatka slúži na víkendové trávenie času v dobrom počasí. Ostatné energeticky náročné náradia sú podľa potreby napájané dovezenou elektrocentrálou. Počas predchádzajúcich víkendov som chatku opúšťal vždy v stave plne nabitej batérie a to bez toho, aby som sa obmedzoval v spotrebe.
PS: Za panel ďakujem Mobilikovi (aj za rady) a za rady Abramsovi, Vlkzajacovi, Dedovi, Dedovi2, Marecekovi, LIX, Ome a samozrejme všetkým z tohto fóra.
Plán: Výmena batérií (zatiaľ síce postačuje vyradená autobatéria), regulátora (súčasný PWM ževraj 30A) a časom dokúpenie meniča, aby potiahol chladničku)
Chatka slúži na víkendové trávenie času v dobrom počasí. Ostatné energeticky náročné náradia sú podľa potreby napájané dovezenou elektrocentrálou. Počas predchádzajúcich víkendov som chatku opúšťal vždy v stave plne nabitej batérie a to bez toho, aby som sa obmedzoval v spotrebe.
PS: Za panel ďakujem Mobilikovi (aj za rady) a za rady Abramsovi, Vlkzajacovi, Dedovi, Dedovi2, Marecekovi, LIX, Ome a samozrejme všetkým z tohto fóra.
1x
230Wp,
NI-CD 210 Ah, 12V, Victron MPPT 100/15A


-
- Příspěvky: 57
- Registrován: pát úno 08, 2013 12:14 pm
- Reputace: 3
Re: Mikroostrov Prešov 1x 230 Wp
Mohu poprosit o schéma zapojení? Jaké čerpadlo tím poháníš? Rád bych přesně "toto" sestrojil rodičum na chatce. Děkuji!
-
- Příspěvky: 159
- Registrován: úte čer 03, 2014 5:16 pm
- Reputace: 29
Re: Mikroostrov Prešov 1x 230 Wp
Super mas to spravene. Pekny zaciatok. Ja som zacinal trochu skor ako ty, ale este stale nemam rozvadzac (skrinu)
Ale najprv musim vyriesit prebytky. 


500Wp seriovo balkon JZ a 960Wp paralelne strecha J a JV,
epsolar 2210, 24v 19xKPH 150 + 12xSunica 70 cca 3,3 kW/h, menice modif. sinus 1000W cina a PJ 3000W LF
epsolar 2210, 24v 19xKPH 150 + 12xSunica 70 cca 3,3 kW/h, menice modif. sinus 1000W cina a PJ 3000W LF
- Tonicek
- Příspěvky: 127
- Registrován: pát úno 21, 2014 12:25 pm
- Reputace: 20
- Bydliště: Prešov
Re: Mikroostrov Prešov 1x 230 Wp
doplnim foto čerpadlá, ale je to čerpadlo na lode na 12v. Precerpavam vodu do záhradnej sprchy na samospad. Schému náhodu, ale ja nie som elektrikár a samozrejme neviem či je to OK, ale bez panely to fungovalo rok a s panelom to funguje cca 2 týždne bez problémov. Ďakujem za ohlasy, ale pre mňa je i tak najväčšia pochvala od detí a manželky, že večer si kľudne prečítajú knihu alebo bez problémov zhrame na chatke karty, čo dovtedy bolo komplikované.
1x
230Wp,
NI-CD 210 Ah, 12V, Victron MPPT 100/15A


-
- Příspěvky: 57
- Registrován: pát úno 08, 2013 12:14 pm
- Reputace: 3
Re: Mikroostrov Prešov 1x 230 Wp
Klidně laické schéma. Nějak se pak dopátráme k výsledku. Děkuji!
- Tonicek
- Příspěvky: 127
- Registrován: pát úno 21, 2014 12:25 pm
- Reputace: 20
- Bydliště: Prešov
Re: Mikroostrov Prešov 1x 230 Wp
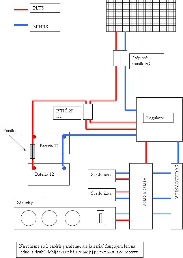
Sľubovaná schéma a čerpadlo. Z fotiek predtým je vidno ako je to reálne zapojené a aj použité komponenty. Uvítam oponentúru, nakoľko ja sa živím počítaním čísielok a nie elektrotechnikou alebo tesarinou (chatka postavená vlastnoručne). PanelPetr-II píše:Klidně laické schéma. Nějak se pak dopátráme k výsledku. Děkuji!

Vetvy svetiel sú privedené na vypínače IP44 a k normálnym svietidlám. Žiarovky majú cca 3-5 W spotrebu a nehrejú, t.j. jedna izba dá max 0,5 A a to vypínač v pohode zvláda. Dá sa samozrejme použiť aj autovypínač - tie sú na 30A (napríklad ten na fotke meranie, ale je potrebné, aspoň v mojom prípade odpojiť tlmivku, aby nesvietil). V stropných svetlách sú všesmerové LEDky a bodové LED.
PS: schéma je označená inak ako relaita, nakoľko som zohnal len čierny a modrý 4mm2 kabel (6mm2 som už zhonal aj červený a mal som ešte kable 6mm2 s očkami hnedé) a regulátor má vstup len na 2,5mm2

tak v reále je to takto:
čierna je mínus
žltozelená je mínus
modrá je plus
červená plus
hnedá plus
1x
230Wp,
NI-CD 210 Ah, 12V, Victron MPPT 100/15A


-
- Příspěvky: 57
- Registrován: pát úno 08, 2013 12:14 pm
- Reputace: 3
Re: Mikroostrov Prešov 1x 230 Wp
Schéma naprosto jasné. Dík.
Jen prosím o doplnění typu toho jističe a odpojovače. Foto je rozmazané. Dík.
Jen prosím o doplnění typu toho jističe a odpojovače. Foto je rozmazané. Dík.
- Tonicek
- Příspěvky: 127
- Registrován: pát úno 21, 2014 12:25 pm
- Reputace: 20
- Bydliště: Prešov
Re: Mikroostrov Prešov 1x 230 Wp
ISTIČ: http://sa.rsdelivers.com/product/schnei ... 21537.aspx
ODpojovač: napríklad tento
http://www.jakama-ge.sk/jakama-ge/eshop ... P-1000V-DC
Ja mám iný: http://eshop.elkoep.cz/vlc-10-2p-0-bez- ... 00101.aspx a poistku tam mam 32A
Ch10 32A 500V
ODpojovač: napríklad tento
http://www.jakama-ge.sk/jakama-ge/eshop ... P-1000V-DC
Ja mám iný: http://eshop.elkoep.cz/vlc-10-2p-0-bez- ... 00101.aspx a poistku tam mam 32A
Ch10 32A 500V
1x
230Wp,
NI-CD 210 Ah, 12V, Victron MPPT 100/15A


-
- Příspěvky: 2677
- Registrován: úte úno 04, 2014 9:06 am
- Reputace: 266
- Bydliště: Neďaleko Košic (SR)
Re: Mikroostrov Prešov 1x 230 Wp
Sikovny si. Drzim palce.
Pekne to mas.

Najprv sa učíme chodiť a hovoriť, neskôr sa učíme sedieť a držať hubu... :stupidme:
Hybridná FVE dom: 6,3kWp, Victron Energy, 12kWh Pylontech+GB-Aku
On-Grid FVE dom: 3,6kWp, FRONIUS AC Coupling+VB
OFF-Grid FVE chata: 1,5kWp, Axpert, PCM, 200Ah/24V 18650
Hybridná FVE dom: 6,3kWp, Victron Energy, 12kWh Pylontech+GB-Aku
On-Grid FVE dom: 3,6kWp, FRONIUS AC Coupling+VB
OFF-Grid FVE chata: 1,5kWp, Axpert, PCM, 200Ah/24V 18650
- Tonicek
- Příspěvky: 127
- Registrován: pát úno 21, 2014 12:25 pm
- Reputace: 20
- Bydliště: Prešov
Re: Mikroostrov Prešov 1x 230 Wp
No zatiaľ systém fungiruje v pohode. Ale ide zima a prvý upgrade sa chystá. Výmena regulátora. Panel je 60 čl 30V cca.
Systém je 12V a z toho vyplýva výmena PWM regulátora. Do úvahy prichádza Victron Bluesolar 75/15 resp Epsolar 20A - Cenovo je výhodnejší Victron a aj tu na fóre samé chvlály. Otázka, či postači na tento panel, ktorý nie je v ideálnej polohe.
Systém je 12V a z toho vyplýva výmena PWM regulátora. Do úvahy prichádza Victron Bluesolar 75/15 resp Epsolar 20A - Cenovo je výhodnejší Victron a aj tu na fóre samé chvlály. Otázka, či postači na tento panel, ktorý nie je v ideálnej polohe.
1x
230Wp,
NI-CD 210 Ah, 12V, Victron MPPT 100/15A


-
- Příspěvky: 2460
- Registrován: ned srp 14, 2011 10:13 pm
- Reputace: 162
- Lokalita: poblíž Hodonína
- Systémové napětí: >48V
- Výkon panelů [Wp]: 7200
- Kapacita baterie [kWh]: 9
Re: Mikroostrov Prešov 1x 230 Wp
Zdravím, já ty Victron regulátory 75/15A používám k panelům až 260Wp a není problém, on si proud kdyžtak ořízne pokud by překročil, ale to není až tak často, je to jem když by byli hodně vybité akumulátory a hodně by svítilo slunce. Jinak to má i nějaké funkce oproti těm EP. K takovému panelu dávám 230Ah Banerku Energy Bull a tahá to celou chatku i s ledničkou A++ od jara do zimy.Tonicek píše:No zatiaľ systém fungiruje v pohode. Ale ide zima a prvý upgrade sa chystá. Výmena regulátora. Panel je 60 čl 30V cca.
Systém je 12V a z toho vyplýva výmena PWM regulátora. Do úvahy prichádza Victron Bluesolar 75/15 resp Epsolar 20A - Cenovo je výhodnejší Victron a aj tu na fóre samé chvlály. Otázka, či postači na tento panel, ktorý nie je v ideálnej polohe.
5,4 kWp JJZ 4deg,1,8kWp JV 24deg, do 13.8.2022 bylo 3,6 kWp, MPII 5k, Victron MPPT 250/85-TR, aku 9,45 kWh Lion 15S, BMS 200A, Smart Shunt 500A.
k 27.3.2025 13250kWh
k 27.3.2025 13250kWh
-
- Příspěvky: 42
- Registrován: pát srp 24, 2012 10:12 pm
- Reputace: 6
Re: Mikroostrov Prešov 1x 230 Wp
Zdravim,
doporucuji baterie pri paralelnim zapojovani zapojit krizem, treba plus kabel na jedne a minus na druhe baterii, takto dle schematu bude jedna baterie zatezovana vzdy vetsim proudem, zatim asi jen pri nabijeni, kazdopadne ma to vliv na zivotnost. A doporuciji prejit na LiFePo, urcite preskocit NiCd z duvodu male ucinnosti a problemu s korozi v blizkosti clanku.
Soucasne bych doporucil menice od Victronu, jiz typ 350VA je docela levny a spolehlivy( na lednice je potreba minimalne 800VA). Existuji i levnejsi menice, ale je tam otazka prave lednicek ap. , kde menic bez toroidniho
transformatoru ma problemy. Pozor zde taky na to ze pokud vypne menic pri nejakem pretizeni, tak se nerozbehne kompresor v lednici, ktery pak bere znacny vykon do doby nez odpoji tepelna ochrana kompresoru.
Taky privody 4mm2 jsou u rozvodu 12V na hranici. Zalezi na delce a predpokladanem vyuziti.
Pokud budete uvazovat o silnejsich odberech je dobre pouzivat misto autopojistek nozove pojistky, pripadne jine s keramickym pouzdrem, nebo pojistkove odpojovace. On totiz kazdy i kdyz maly odpor v ceste je hodne znat, hlavne u takto maleho systemoveho napeti.
doporucuji baterie pri paralelnim zapojovani zapojit krizem, treba plus kabel na jedne a minus na druhe baterii, takto dle schematu bude jedna baterie zatezovana vzdy vetsim proudem, zatim asi jen pri nabijeni, kazdopadne ma to vliv na zivotnost. A doporuciji prejit na LiFePo, urcite preskocit NiCd z duvodu male ucinnosti a problemu s korozi v blizkosti clanku.
Soucasne bych doporucil menice od Victronu, jiz typ 350VA je docela levny a spolehlivy( na lednice je potreba minimalne 800VA). Existuji i levnejsi menice, ale je tam otazka prave lednicek ap. , kde menic bez toroidniho
transformatoru ma problemy. Pozor zde taky na to ze pokud vypne menic pri nejakem pretizeni, tak se nerozbehne kompresor v lednici, ktery pak bere znacny vykon do doby nez odpoji tepelna ochrana kompresoru.
Taky privody 4mm2 jsou u rozvodu 12V na hranici. Zalezi na delce a predpokladanem vyuziti.
Pokud budete uvazovat o silnejsich odberech je dobre pouzivat misto autopojistek nozove pojistky, pripadne jine s keramickym pouzdrem, nebo pojistkove odpojovace. On totiz kazdy i kdyz maly odpor v ceste je hodne znat, hlavne u takto maleho systemoveho napeti.
Naposledy upravil(a) tikonik dne úte črc 28, 2015 11:40 pm, celkem upraveno 1 x.
7500Wp, system 48V, 5KW Victron, 3KW Victron, 20KWh NiCd, 10KWh LiFePo, DC/DC 48V/12V 1000W, 2x TSMPPT, 1x EPsolar. DC ukladani prebytku do bojleru, 2x elektromobil Kangoo. TC 9KW pres Victron na jaro a podzim ke zpracovani prebytku.
-
- Příspěvky: 8002
- Registrován: sob črc 19, 2014 8:56 pm
- Reputace: 1007
- Lokalita: severně od Brna
- Systémové napětí: 48V
- Výkon panelů [Wp]: 8kWp
- Kapacita baterie [kWh]: 12kWh
- Chci prodávat energii: NE
- Chci/Mám dotaci: NE
Re: Mikroostrov Prešov 1x 230 Wp
12V rozvody jdou bezpečně udělat snad jenom po jedné místnosti, pokud by mělo být zajištěno odpojení při zkratu v časech dle normy pro el. instalace nn, tak vychází neuvěřitelné průřezy už pro 10A jištění. Pro 48V a rozvod cca 50m k nejvzdálenějšímu svítidlu mi vychází max pojistka 4A při kabelu 3x1,5mm2, takže na hranici použitelnosti s LED svítidly. (pozor na schodišťové a křížové spínače, délka vodiče se výrazně zvyšuje oproti přímému propojení a narůstají přechodové odpory na kontaktech). Pro spolehlivé vypnutí v čase 0,4s je třeba počítat 7,5 násobek jmen. proudu pojistky a spočítat odpor vedení (tam i zpátky), jestli tam ty pojistky nejsou jenom na okrasu. Např 25m 2x CY4mm2 má 0,21 Ohm, což je při 12V zkratový proud 56A při zanedbání odporu pojistky, tj max pojistka 6A. Tohle je hodnota bez odporu svorek, spínačů a podobně. Naměřená hodnota bude jistě horší. Klasický vypínač na 230V je téměř nepoužitelný kvůli přechodovému odporu kontaktů. Pokud toto nedodržíš, může se při zkratu roztavit izolace vodičů dřív, než vypne pojistka a v dřevěné chatě je to na černou kroniku. Ale jinak ok, na malou chatku asi dostatečné řešení.
ostrov skoro 8kWp neustále ve stádiu zrodu: smartshunt(ex WBJR), MPPT150/45, MPPT 250/100(ex midnitesolar 150 clasic lite), 16S a různě P cca 340Ah Winston, MP II 5000,( ex Powerjack 8kW, ex samodomo cca 4kW). 48V DC rozvody a spotřebiče.
-
- Příspěvky: 2677
- Registrován: úte úno 04, 2014 9:06 am
- Reputace: 266
- Bydliště: Neďaleko Košic (SR)
Re: Mikroostrov Prešov 1x 230 Wp
Ja na chate pouzivam 12V rozvody na svetla. Pouzivam aj klasicke vypinace a je to uplne v pohode. Registrujem ubytok U do pol volta pri kabloch 2,5mm. Najdlhsi kabel ma cca. 15m. Svietim LEDkamy, tak aspon budu mat dlhsiu zivotnost. Istim to cele 15A tavnou poistkou. Podla tabuliek je to na prd. Ale realita je ina. 
Takze ja by som sa toho isto nebal.

Takze ja by som sa toho isto nebal.
Najprv sa učíme chodiť a hovoriť, neskôr sa učíme sedieť a držať hubu... :stupidme:
Hybridná FVE dom: 6,3kWp, Victron Energy, 12kWh Pylontech+GB-Aku
On-Grid FVE dom: 3,6kWp, FRONIUS AC Coupling+VB
OFF-Grid FVE chata: 1,5kWp, Axpert, PCM, 200Ah/24V 18650
Hybridná FVE dom: 6,3kWp, Victron Energy, 12kWh Pylontech+GB-Aku
On-Grid FVE dom: 3,6kWp, FRONIUS AC Coupling+VB
OFF-Grid FVE chata: 1,5kWp, Axpert, PCM, 200Ah/24V 18650
- Tonicek
- Příspěvky: 127
- Registrován: pát úno 21, 2014 12:25 pm
- Reputace: 20
- Bydliště: Prešov
Re: Mikroostrov Prešov 1x 230 Wp
Každá vetva k svietidlu istená a odber jedného LED svietidla je do 1A max (v súčasnosti ak môžem veriť meraniu tak je to 0,45 A) dlžka kablu max 10 m. Tak snáď to bude Ok.kodl69 píše:12V rozvody jdou bezpečně udělat snad jenom po jedné místnosti, pokud by mělo být zajištěno odpojení při zkratu v časech dle normy pro el. instalace nn, tak vychází neuvěřitelné průřezy už pro 10A jištění. Pro 48V a rozvod cca 50m k nejvzdálenějšímu svítidlu mi vychází max pojistka 4A při kabelu 3x1,5mm2, takže na hranici použitelnosti s LED svítidly. (pozor na schodišťové a křížové spínače, délka vodiče se výrazně zvyšuje oproti přímému propojení a narůstají přechodové odpory na kontaktech). Pro spolehlivé vypnutí v čase 0,4s je třeba počítat 7,5 násobek jmen. proudu pojistky a spočítat odpor vedení (tam i zpátky), jestli tam ty pojistky nejsou jenom na okrasu. Např 25m 2x CY4mm2 má 0,21 Ohm, což je při 12V zkratový proud 56A při zanedbání odporu pojistky, tj max pojistka 6A. Tohle je hodnota bez odporu svorek, spínačů a podobně. Naměřená hodnota bude jistě horší. Klasický vypínač na 230V je téměř nepoužitelný kvůli přechodovému odporu kontaktů. Pokud toto nedodržíš, může se při zkratu roztavit izolace vodičů dřív, než vypne pojistka a v dřevěné chatě je to na černou kroniku. Ale jinak ok, na malou chatku asi dostatečné řešení.
1x
230Wp,
NI-CD 210 Ah, 12V, Victron MPPT 100/15A


-
- Příspěvky: 8002
- Registrován: sob črc 19, 2014 8:56 pm
- Reputace: 1007
- Lokalita: severně od Brna
- Systémové napětí: 48V
- Výkon panelů [Wp]: 8kWp
- Kapacita baterie [kWh]: 12kWh
- Chci prodávat energii: NE
- Chci/Mám dotaci: NE
Re: Mikroostrov Prešov 1x 230 Wp
To mobilik: ano, a kolik máš těch led svítidel, je ta 15A pojistka potřeba? úbytek napětí 0,5V při jakém proudu? To nic neříká o odporu vedení. Ideální vypočtený stav pro 2,5mm2 kabel o délce 15m je cca 58A zkratový proud, 16A pojistka se jistě přepálí, ale bude to trvat jistě víc než 0,4s (můj odhad je tak 20s) a je značná šance, že se ti kabel roztaví. (Předpokládám že je na dřevě, možná ve skelné vatě - o to vyšší šance zničení kabelu, příp požáru). A proč je asi na vypínači napsáno 10A/250V? Že by alibizmus výrobce?, vždyť to vydrží jistě víc, že jo.. A že ke zkratu nedojde je optimizmus hraničící s blbostí. Pokud máš 10 ks 10w led svítidel, stačilo by jistit 10A, tak proč zbytečně silná pojistka?
Realita je jiná, slyšel jsem, že na na slovensku se za zbytečný výjezd hasičů platí plné náklady
)
Možná by někdo mohl udělat pokus v měřítku 12V/3V: vzít odřezky 3x2,5mm2, udělat nějaký spoj v krabici, zapojit přes vypínač a celkovou délku cca 4m připojit přes pojistku 16A na jeden článek 3,3V. Kabel položit na dřevo a zakrýt skelnou vatou. Připojit, zapnout vypínačem do zkratovaného konce a video potom nasdílet. Asi by někteří byli překvapeni, co vlastně znamená nápis na pojistce.
Realita je jiná, slyšel jsem, že na na slovensku se za zbytečný výjezd hasičů platí plné náklady

Možná by někdo mohl udělat pokus v měřítku 12V/3V: vzít odřezky 3x2,5mm2, udělat nějaký spoj v krabici, zapojit přes vypínač a celkovou délku cca 4m připojit přes pojistku 16A na jeden článek 3,3V. Kabel položit na dřevo a zakrýt skelnou vatou. Připojit, zapnout vypínačem do zkratovaného konce a video potom nasdílet. Asi by někteří byli překvapeni, co vlastně znamená nápis na pojistce.
ostrov skoro 8kWp neustále ve stádiu zrodu: smartshunt(ex WBJR), MPPT150/45, MPPT 250/100(ex midnitesolar 150 clasic lite), 16S a různě P cca 340Ah Winston, MP II 5000,( ex Powerjack 8kW, ex samodomo cca 4kW). 48V DC rozvody a spotřebiče.
-
- Příspěvky: 2677
- Registrován: úte úno 04, 2014 9:06 am
- Reputace: 266
- Bydliště: Neďaleko Košic (SR)
Re: Mikroostrov Prešov 1x 230 Wp
Kable su ulozene v murovanej stene. Svietidla tam su 10ks 3W LED 2x21W ziarovka z auta, a asi 5m LED pasu. Maximum co tak badam ked som tam tak slo okolo 6A. 15A je tam preto, lebo je hlavna pre zasuvky a aj na svetla. Potom za nou su 2x 10A poistky pre svetlo a zasuvky osobytne. Mozno som blbec, ale taky uz som. 

Najprv sa učíme chodiť a hovoriť, neskôr sa učíme sedieť a držať hubu... :stupidme:
Hybridná FVE dom: 6,3kWp, Victron Energy, 12kWh Pylontech+GB-Aku
On-Grid FVE dom: 3,6kWp, FRONIUS AC Coupling+VB
OFF-Grid FVE chata: 1,5kWp, Axpert, PCM, 200Ah/24V 18650
Hybridná FVE dom: 6,3kWp, Victron Energy, 12kWh Pylontech+GB-Aku
On-Grid FVE dom: 3,6kWp, FRONIUS AC Coupling+VB
OFF-Grid FVE chata: 1,5kWp, Axpert, PCM, 200Ah/24V 18650
- Tonicek
- Příspěvky: 127
- Registrován: pát úno 21, 2014 12:25 pm
- Reputace: 20
- Bydliště: Prešov
Re: Mikroostrov Prešov 1x 230 Wp
KOdi ja som blbý účtovník a o elektrine toho veľa neviem. Tak mi povedz ako istiť tieto moje svetlá aby to bolo v pohode. Kable 4 mm2 uložene v inštalačných lištách samozhášacích určených pre drevostavby KOPOS uložených na povrchu stien. Spotreba alebo ako to nazvať je do 1A max a ak by sme sa bavili o buducom napojení napríklad notebooku do izby tak max 5A na vetvu (aj na to by bola samstatná vetva ťahaná v lište). Momentálne mám poistky 7,5A (mal som zvyšné tak som dal). Rad by som počul, akú poistku použiť. Menič nechcem. Ďakujemkodl69 píše:To mobilik: ano, a kolik máš těch led svítidel, je ta 15A pojistka potřeba? úbytek napětí 0,5V při jakém proudu? To nic neříká o odporu vedení. Ideální vypočtený stav pro 2,5mm2 kabel o délce 15m je cca 58A zkratový proud, 16A pojistka se jistě přepálí, ale bude to trvat jistě víc než 0,4s (můj odhad je tak 20s) a je značná šance, že se ti kabel roztaví. (Předpokládám že je na dřevě, možná ve skelné vatě - o to vyšší šance zničení kabelu, příp požáru). A proč je asi na vypínači napsáno 10A/250V? Že by alibizmus výrobce?, vždyť to vydrží jistě víc, že jo.. A že ke zkratu nedojde je optimizmus hraničící s blbostí. Pokud máš 10 ks 10w led svítidel, stačilo by jistit 10A, tak proč zbytečně silná pojistka?
Realita je jiná, slyšel jsem, že na na slovensku se za zbytečný výjezd hasičů platí plné náklady)
Možná by někdo mohl udělat pokus v měřítku 12V/3V: vzít odřezky 3x2,5mm2, udělat nějaký spoj v krabici, zapojit přes vypínač a celkovou délku cca 4m připojit přes pojistku 16A na jeden článek 3,3V. Kabel položit na dřevo a zakrýt skelnou vatou. Připojit, zapnout vypínačem do zkratovaného konce a video potom nasdílet. Asi by někteří byli překvapeni, co vlastně znamená nápis na pojistce.
1x
230Wp,
NI-CD 210 Ah, 12V, Victron MPPT 100/15A


-
- Příspěvky: 8002
- Registrován: sob črc 19, 2014 8:56 pm
- Reputace: 1007
- Lokalita: severně od Brna
- Systémové napětí: 48V
- Výkon panelů [Wp]: 8kWp
- Kapacita baterie [kWh]: 12kWh
- Chci prodávat energii: NE
- Chci/Mám dotaci: NE
Re: Mikroostrov Prešov 1x 230 Wp
ty pojistky 7,5A by snad mohla být ok, nejlepší by bylo provést měření na konci vedení: zatížit třeba na 5A (halogen z auta 55W), změřit napětí bez zatížení, se zatížením a proud do zátěže. Rozdíl napětí / proud je skutečný odpor vedení, a dle ohmova zákona I=12/R ti vyjde skutečný zkratový proud, co by měl být 7,5x vyšší než co píšou na pojistce. Pro NB by možná bylo lepší udělat samostatný přívod, co nejkratší, některý dokážou brát až 100W při nabíjení, takže 10A pojistka a nebo víc a potom možná i 6mm2 dráty.
ostrov skoro 8kWp neustále ve stádiu zrodu: smartshunt(ex WBJR), MPPT150/45, MPPT 250/100(ex midnitesolar 150 clasic lite), 16S a různě P cca 340Ah Winston, MP II 5000,( ex Powerjack 8kW, ex samodomo cca 4kW). 48V DC rozvody a spotřebiče.
- Tonicek
- Příspěvky: 127
- Registrován: pát úno 21, 2014 12:25 pm
- Reputace: 20
- Bydliště: Prešov
Kdo je online
Uživatelé prohlížející si toto fórum: Claudebot [Bot], Google [Bot], Yandex [Bot] a 0 hostů