Ochrana LiFe
Souhrn tématu
Uživatelé diskutují o ochraně LiFe baterií v 12V systémech s MPPT regulátory a měniči. Sdílejí zkušenosti s pojistkami, balancery, napěťovými relé a vzdáleným vypínáním měničů, zejména u značky Victron. Hlavním cílem je zajistit bezpečný provoz a efektivní ochranu baterií před přebitím, vybitím či přetížením.
- Toul
- Příspěvky: 333
- Registrován: čtv dub 21, 2011 2:46 pm
- Reputace:3
Ochrana LiFe
Zdravim,
prosím o radu jakým způsobem řešíte ochranu LiFe baterií? Ač jsem to tu celé několikrát pročetl, tak v tom mám čím dál větší zmatek.
Konkrétně:
12V systém, morningstar MPPT 60A, 200Ah LiFe, měnič,
Ochrané prvky: pojistka, balancery, cell log, napěťové relé.
Zapojení:
pojistka natvrdo na plus pól za ní bistabilní relé 100A.
vybití hlídáno napěťovým relé, které odpojí měnič, druhá úrověň pomocí Cell log který hlídá vybití i přebití a odpojí pomocí relé +pól, tedy celý systém.
Otázkou je co se stane s regulátorem pokud má odpojené baterie, ale připojené panely?
Jak máte vyřešenou ochranu vy?
Díky za rady a názory:-)
prosím o radu jakým způsobem řešíte ochranu LiFe baterií? Ač jsem to tu celé několikrát pročetl, tak v tom mám čím dál větší zmatek.
Konkrétně:
12V systém, morningstar MPPT 60A, 200Ah LiFe, měnič,
Ochrané prvky: pojistka, balancery, cell log, napěťové relé.
Zapojení:
pojistka natvrdo na plus pól za ní bistabilní relé 100A.
vybití hlídáno napěťovým relé, které odpojí měnič, druhá úrověň pomocí Cell log který hlídá vybití i přebití a odpojí pomocí relé +pól, tedy celý systém.
Otázkou je co se stane s regulátorem pokud má odpojené baterie, ale připojené panely?
Jak máte vyřešenou ochranu vy?
Díky za rady a názory:-)
- vata
- Příspěvky: 1407
- Registrován: pon zář 12, 2011 11:32 am
- Reputace:93
Re: Ochrana LiFe
Zdravím, chráním je podpěťovou ochranou, momentálně řešenou pomocí programu v SDS a relátky, kterými vypnu měnič a DC zátěž. Dříve jsem používala "analogovou" ochranu, kterou jsem popsala zde: https://forum.mypower.cz/viewtopic.php? ... t=80#p7162
Stav, kdy jsou k regulátoru připojeny panely ale ne baterie, dokumentace k Tristaru zakazuje, takže na to bych si dala pozor...
Stav, kdy jsou k regulátoru připojeny panely ale ne baterie, dokumentace k Tristaru zakazuje, takže na to bych si dala pozor...
Inteligentní ostrov - www.vati.cz
- Toul
- Příspěvky: 333
- Registrován: čtv dub 21, 2011 2:46 pm
- Reputace:3
Re: Ochrana LiFe
Děkuji za tip, upravím to tak že se bude vypínat měnič a při dalším vybití i DC zátěž. Regulátor odpojovat raději nebudu.
Přepětí řešené nemáte? tedy věříte že Tristar nepřebije?
Přepětí řešené nemáte? tedy věříte že Tristar nepřebije?
- luge
- Příspěvky: 771
- Registrován: ned lis 13, 2011 5:52 pm
- Reputace:40
- Bydliště: SK
Re: Ochrana LiFe
Mám to presne ako ty navyše je ešte jedno bistabilné relé medzi reglom a baterkami.Prepetie riešim cez cellog a BMV monitor.
- Toul
- Příspěvky: 333
- Registrován: čtv dub 21, 2011 2:46 pm
- Reputace:3
Re: Ochrana LiFe
K čemu druhé relé mezi regl a baterky? Vždyť regl můžu vypínat relátkem.luge píše:Mám to presne ako ty navyše je ešte jedno bistabilné relé medzi reglom a baterkami.Prepetie riešim cez cellog a BMV monitor.
- honzaL
- Příspěvky: 414
- Registrován: pon kvě 21, 2012 11:33 am
- Reputace:18
- Bydliště: Hradec Kráové
Re: Ochrana LiFe
Zdravím solárníky, osvědčilo se mi použití PLC LOGO! Siemens. Na odporovém děliči snižuji napětí z baterií na hodnotu pod 10V a to přímo PLC měří a vyhodnotí. PLC pak působí jako další ochranný prvek pro hlídání, když ostatní zařízení ve své hlídací funkci selžou (nebo jsou na jiný typ baterií jako třeba DC/AC měnič). Přes relé http://www.ev-power.eu/DC-Contactors/DC ... l-48V.html je zapojen veškerý odběr a při nízkém napětí baterie je relé rozpojeno. V serii ovládací cívky relé mám ještě hlídání z http://www.ev-power.eu/SBM-CBM-1-1/Simp ... V-60A.html (a už mne to jednou zachránilo). Přebití pak hlídá stejný automat a to přes relé http://www.ev-power.eu/DC-Contactors/DC ... l-48V.html, kdy se odpojí panely od chargeru (zas pro jistotu, kdyby selhal regulátor). Navíc mi PLC hlídá i ukládání přebytků do vody (kdyby selhal Mosfet, který pouští přímo DC do speciálně navinuté topné spirály). Měření zase jednoduše přes odporový dělič s termistorem.
Protože mám 48V nemůžu použít 2xCellog8, má totiž zem kominukace spojenou s 0 pólem každé z bateríí. Když jsem je oba zapojil na jeden USB HUB, jen jsem zíral, jak se z komunikačních kabelů kouří (Cellog to kupodivu přežil).
Protože mám 48V nemůžu použít 2xCellog8, má totiž zem kominukace spojenou s 0 pólem každé z bateríí. Když jsem je oba zapojil na jeden USB HUB, jen jsem zíral, jak se z komunikačních kabelů kouří (Cellog to kupodivu přežil).
18x 550Wp, 16xLiFePO 780Ah (stáří 1, 1, 4, 13, 15 let), STUDER: 3x MPPT VT65; 4x Xtender 4000-48. PLC TECO2091
(v minulosti = CEEG 15x230 Wp, 16xLiFePO 500 Ah, MS TS60A, Studer 4000-48, PLC Siemens,)
(v minulosti = CEEG 15x230 Wp, 16xLiFePO 500 Ah, MS TS60A, Studer 4000-48, PLC Siemens,)
- vata
- Příspěvky: 1407
- Registrován: pon zář 12, 2011 11:32 am
- Reputace:93
Re: Ochrana LiFe
Přepětí celé baterie: věřím mu, je v tomto směru velmi spolehlivý, kromě toho mám absorpční napětí na 14.05, takže přepětí na článku nastane až při vysokém rozbalancování, a od toho tam mám balancery.Toul píše:Přepětí řešené nemáte? tedy věříte že Tristar nepřebije?
Inteligentní ostrov - www.vati.cz
- honzaL
- Příspěvky: 414
- Registrován: pon kvě 21, 2012 11:33 am
- Reputace:18
- Bydliště: Hradec Kráové
Re: Ochrana LiFe
Podle hesla důvěřuj ale pojisti se, jsem po roce provozu zařadil i to odpojování panelů. Výrobce MS60A mi při poruše nic nedá a baterky jsou za 100 000,- Kč. Kapacita PLC byla volná a jedno relé za cca 360Kc za ten pocit moci stojí. Navíc můžu při bouřce relé rozpojit i na dálku. (Já vím, když do toho práskne je 3 mm mezera mezi kontakty jako nic).
18x 550Wp, 16xLiFePO 780Ah (stáří 1, 1, 4, 13, 15 let), STUDER: 3x MPPT VT65; 4x Xtender 4000-48. PLC TECO2091
(v minulosti = CEEG 15x230 Wp, 16xLiFePO 500 Ah, MS TS60A, Studer 4000-48, PLC Siemens,)
(v minulosti = CEEG 15x230 Wp, 16xLiFePO 500 Ah, MS TS60A, Studer 4000-48, PLC Siemens,)
- netko
- Příspěvky: 174
- Registrován: sob zář 01, 2012 12:43 am
- Reputace:10
- Lokalita: Orava
Re: Ochrana LiFe
Ahoj
Mam otazku co sa tyka tohto rele "http://www.ev-power.eu/DC-Contactors/DC ... l-48V.html[/url] je zapojen veškerý odběr a při nízkém napětí baterie je relé rozpojeno.!" Toto rele je stale pod napatim ovladacia cievka? A ak y ma odber ak je to tak? Pripadne ak inak mozem poprosit info. Dik
Mam otazku co sa tyka tohto rele "http://www.ev-power.eu/DC-Contactors/DC ... l-48V.html[/url] je zapojen veškerý odběr a při nízkém napětí baterie je relé rozpojeno.!" Toto rele je stale pod napatim ovladacia cievka? A ak y ma odber ak je to tak? Pripadne ak inak mozem poprosit info. Dik
honzaL píše:Zdravím solárníky, osvědčilo se mi použití PLC LOGO! Siemens. Na odporovém děliči snižuji napětí z baterií na hodnotu pod 10V a to přímo PLC měří a vyhodnotí. PLC pak působí jako další ochranný prvek pro hlídání, když ostatní zařízení ve své hlídací funkci selžou (nebo jsou na jiný typ baterií jako třeba DC/AC měnič). Přes relé http://www.ev-power.eu/DC-Contactors/DC ... l-48V.html je zapojen veškerý odběr a při nízkém napětí baterie je relé rozpojeno. V serii ovládací cívky relé mám ještě hlídání z http://www.ev-power.eu/SBM-CBM-1-1/Simp ... V-60A.html (a už mne to jednou zachránilo). Přebití pak hlídá stejný automat a to přes relé http://www.ev-power.eu/DC-Contactors/DC ... l-48V.html, kdy se odpojí panely od chargeru (zas pro jistotu, kdyby selhal regulátor). Navíc mi PLC hlídá i ukládání přebytků do vody (kdyby selhal Mosfet, který pouští přímo DC do speciálně navinuté topné spirály). Měření zase jednoduše přes odporový dělič s termistorem.
Protože mám 48V nemůžu použít 2xCellog8, má totiž zem kominukace spojenou s 0 pólem každé z bateríí. Když jsem je oba zapojil na jeden USB HUB, jen jsem zíral, jak se z komunikačních kabelů kouří (Cellog to kupodivu přežil).
- Pan Taum
- Příspěvky: 565
- Registrován: sob úno 25, 2012 9:36 pm
- Reputace:25
Re: Ochrana LiFe
The consumption of the DC contactors
Our tests show the following consumption of the DC contactors:
12V/100A model - 0.45 Amp at 13.4V
48V/200A model - 0.13 Amp at 53.5V
http://gwl-power.tumblr.com/post/434243 ... -our-tests
Our tests show the following consumption of the DC contactors:
12V/100A model - 0.45 Amp at 13.4V
48V/200A model - 0.13 Amp at 53.5V
http://gwl-power.tumblr.com/post/434243 ... -our-tests
- honzaL
- Příspěvky: 414
- Registrován: pon kvě 21, 2012 11:33 am
- Reputace:18
- Bydliště: Hradec Kráové
Re: Ochrana LiFe
Pokud si vzpomínám tak při měření proudu cívky jsem kdysi naměřil asi 120 mA. Teď jsem to byl přeměřit klešťákem a s hrůzou zjistl, že tím teče asi 250mA.(moc tomu ale u malých proudů nejde věřit). Takže původní předpoklad byl 6W teď to vypadá na 13W. Měřil jsem i odpor cívky pomocí multimetru (nevím jakou metodou to měří je to levný multimetr) a naměřil pouze 12.5ohmu u 100A a 10,5 u 200A relé, to vypadá jako blbost, asi to není DC měření.
Beru to ale tak, že proud tím teče jen když jsou baterky nabité a tam mi nějaký zlomek ampery tak moc nevadí.
Beru to ale tak, že proud tím teče jen když jsou baterky nabité a tam mi nějaký zlomek ampery tak moc nevadí.
18x 550Wp, 16xLiFePO 780Ah (stáří 1, 1, 4, 13, 15 let), STUDER: 3x MPPT VT65; 4x Xtender 4000-48. PLC TECO2091
(v minulosti = CEEG 15x230 Wp, 16xLiFePO 500 Ah, MS TS60A, Studer 4000-48, PLC Siemens,)
(v minulosti = CEEG 15x230 Wp, 16xLiFePO 500 Ah, MS TS60A, Studer 4000-48, PLC Siemens,)
- netko
- Příspěvky: 174
- Registrován: sob zář 01, 2012 12:43 am
- Reputace:10
- Lokalita: Orava
Re: Ochrana LiFe
Mna v podstate zaujimalo to, ze rele(stykač) ktorym odpojim baterie od menica na 230V(alebo aj MPPT regulatora?) je stale zopnute a pri vypadku ovladacieho napätia alebo nastavenej hodnoty U (na PLC, vyhodnocovacie rele, BMS, BMV, ...) sa baterie odpoja na tvrdo od menica na 230V. To znamena ze vzdy je ovladacia cievka tohto rele(stykača) kym napätie članku(baterie) neklesne pod neaku nastavenu hodnotu.
honzaL píše:Pokud si vzpomínám tak při měření proudu cívky jsem kdysi naměřil asi 120 mA. Teď jsem to byl přeměřit klešťákem a s hrůzou zjistl, že tím teče asi 250mA.(moc tomu ale u malých proudů nejde věřit). Takže původní předpoklad byl 6W teď to vypadá na 13W. Měřil jsem i odpor cívky pomocí multimetru (nevím jakou metodou to měří je to levný multimetr) a naměřil pouze 12.5ohmu u 100A a 10,5 u 200A relé, to vypadá jako blbost, asi to není DC měření.
Beru to ale tak, že proud tím teče jen když jsou baterky nabité a tam mi nějaký zlomek ampery tak moc nevadí.
- Toul
- Příspěvky: 333
- Registrován: čtv dub 21, 2011 2:46 pm
- Reputace:3
Re: Ochrana LiFe
Já to mám připravené tak, že v případě sepnutí ochrany baterie při podpětí toto relé odpojí i samo sebe.
- LIX
- Příspěvky: 856
- Registrován: pon črc 30, 2012 3:43 pm
- Reputace:48
- Lokalita: Trnava
- Systémové napětí: 48V
- Výkon panelů [Wp]: 4900
- Kapacita baterie [kWh]: 7,5
- Chci prodávat energii: NE
- Chci/Mám dotaci: NE
Re: Ochrana LiFe
Ja vypínam napäťovým relé iba menič cez jeho vypínač a ešte dc rozvod 30A relé. Batéria ostáva k meniču pripojená aj po zareagovaní ochrany (napäťového relé). Keby sa stalo niečo v meniči tak batériu od meniča odpojí 200A istič ktorý asi zadymí na stene.
Odpojovať regulátor od batérie je pekná blbosť, pokial necháš pripojené panele, bacha na to. 
- honzaL
- Příspěvky: 414
- Registrován: pon kvě 21, 2012 11:33 am
- Reputace:18
- Bydliště: Hradec Kráové
Re: Ochrana LiFe
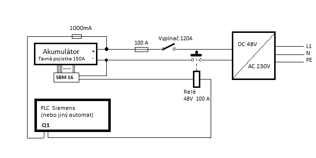
Zapojení měniče je podle následujícího obrázku. Původně byla celá silová větev vedená přes SBM, to ale zvládá nejvíce 60A, tak jsem to předělal přes relé 100A (to už chvilkové přetížení snese stejně jako měnič).netko píše:Mna v podstate zaujimalo to, ze rele(stykač) ktorym odpojim baterie od menica na 230V(alebo aj MPPT regulatora?) je stale zopnute a pri vypadku ovladacieho napätia alebo nastavenej hodnoty U (na PLC, vyhodnocovacie rele, BMS, BMV, ...) sa baterie odpoja na tvrdo od menica na 230V. To znamena ze vzdy je ovladacia cievka tohto rele(stykača) kym napätie članku(baterie) neklesne pod neaku nastavenu hodnotu.
Takže ano, je to odpojení natvrdo a nic už nemůže akumulátor vybíjet. Při sepnutí relé to trvá v mém případě cca 5 sec než měnič najede.
18x 550Wp, 16xLiFePO 780Ah (stáří 1, 1, 4, 13, 15 let), STUDER: 3x MPPT VT65; 4x Xtender 4000-48. PLC TECO2091
(v minulosti = CEEG 15x230 Wp, 16xLiFePO 500 Ah, MS TS60A, Studer 4000-48, PLC Siemens,)
(v minulosti = CEEG 15x230 Wp, 16xLiFePO 500 Ah, MS TS60A, Studer 4000-48, PLC Siemens,)
- LIX
- Příspěvky: 856
- Registrován: pon črc 30, 2012 3:43 pm
- Reputace:48
- Lokalita: Trnava
- Systémové napětí: 48V
- Výkon panelů [Wp]: 4900
- Kapacita baterie [kWh]: 7,5
- Chci prodávat energii: NE
- Chci/Mám dotaci: NE
Re: Ochrana LiFe
Taketo odpajanie menica od baterie pod zatazou menicom nerobi dva krat najlepsie.
- abrams
- Příspěvky: 2792
- Registrován: ned črc 17, 2011 12:19 pm
- Reputace:427
- Lokalita: Brno
- Bydliště: Brno
Re: Ochrana LiFe
Zdravím ,
též si myslím , že odpojovat DC stranu měniče při jeho chodu není dobrý nápad . Já při nouzových stavech (přebití nebo vybití aku / kteréhokoli článku) odpojuju AC stranu ... pravda , neřeší to stále běžící měnič , ale limitní hodnoty napětí mám s velkou rezervou na které může měnič jet hromadu hodin . Což se vlastně nestane , jelikož hranice napětí při kterém je měnič dálkově vypnut je o cca 1V výše než-li hranice reakce AC odpojovače
.
Elektronům zdar
též si myslím , že odpojovat DC stranu měniče při jeho chodu není dobrý nápad . Já při nouzových stavech (přebití nebo vybití aku / kteréhokoli článku) odpojuju AC stranu ... pravda , neřeší to stále běžící měnič , ale limitní hodnoty napětí mám s velkou rezervou na které může měnič jet hromadu hodin . Což se vlastně nestane , jelikož hranice napětí při kterém je měnič dálkově vypnut je o cca 1V výše než-li hranice reakce AC odpojovače
Elektronům zdar
3,96kWp monokrystalů + 2x regl PCM60X + 24kWh LiFePO4 + 6kW HF sínus měnič s nájezdem 55 MWh @ 80.000 motohodin . , celé na 52V systému .
Chibi v textu vyhrazeny
Chibi v textu vyhrazeny
- 007ToMMaS
- Příspěvky: 1095
- Registrován: sob zář 15, 2012 8:53 pm
- Reputace:16
Re: Ochrana LiFe
Najlepšie by bolo najskôr pred takýmto "tvrdým" odpojením meniča od napájania dať do série s vypínačom meniča relé. A ak by bolo treba odpojiť menič natvrdo tak by sa najskôr menič vypol prirodzeným spôsobom tj. relé ktoré by bolo v sérii s vypínačom a potom cez to výkonové relé. Ale myslím že až takto vypínať menič neni treba lebo on má keď je vypnutý odber pár desiatok mA
3,2kWp REC320NP - juh
3,6kWp - Phonosolar PS450M5GFH-24/TH- východ
2x IGridSV-IV5.6KW, 2x Li-ion - 48V / 156Ah =312Ah
3,6kWp - Phonosolar PS450M5GFH-24/TH- východ
2x IGridSV-IV5.6KW, 2x Li-ion - 48V / 156Ah =312Ah
- LIX
- Příspěvky: 856
- Registrován: pon črc 30, 2012 3:43 pm
- Reputace:48
- Lokalita: Trnava
- Systémové napětí: 48V
- Výkon panelů [Wp]: 4900
- Kapacita baterie [kWh]: 7,5
- Chci prodávat energii: NE
- Chci/Mám dotaci: NE
Re: Ochrana LiFe
Ja vypínam menič relátkom ktoré je napojené na vypínač meniča tak ako píšeš, je to najlepší spôsob a menič by baterku takto vypnutý nevybil baterku nikdy. Odber je 0,nič.
- honzaL
- Příspěvky: 414
- Registrován: pon kvě 21, 2012 11:33 am
- Reputace:18
- Bydliště: Hradec Kráové
Re: Ochrana LiFe
To by mne zajímalo, který měnič má takto vyvedený vypínač. Pokud do měniče nějak zasahujete je po záruce.
Já bych nejradši vypínal po komunikačním kanálu, ale moje PLC to neumí a komplikovat to dalším zařízením již nechci.
Zatím mi to takto rok funguje. Vypínám jen v zimě zpravidla 1x denně při zatížení max 20 procent a zatím do jede již více než rok.
Já bych nejradši vypínal po komunikačním kanálu, ale moje PLC to neumí a komplikovat to dalším zařízením již nechci.
Zatím mi to takto rok funguje. Vypínám jen v zimě zpravidla 1x denně při zatížení max 20 procent a zatím do jede již více než rok.
18x 550Wp, 16xLiFePO 780Ah (stáří 1, 1, 4, 13, 15 let), STUDER: 3x MPPT VT65; 4x Xtender 4000-48. PLC TECO2091
(v minulosti = CEEG 15x230 Wp, 16xLiFePO 500 Ah, MS TS60A, Studer 4000-48, PLC Siemens,)
(v minulosti = CEEG 15x230 Wp, 16xLiFePO 500 Ah, MS TS60A, Studer 4000-48, PLC Siemens,)
Kdo je online
Uživatelé procházející toto fórum: Claudebot [Bot], META
