Dva 24V měniče zapojené k 48V baterii
-
- Příspěvky: 4
- Registrován: čtv úno 08, 2024 11:54 am
- Reputace: 0
- Lokalita: Vysočina
- Systémové napětí: 48V
- Výkon panelů [Wp]: 6000
- Kapacita baterie [kWh]: 200
- Chci prodávat energii: NE
- Chci/Mám dotaci: NE
Dva 24V měniče zapojené k 48V baterii
Dobrý den, prosím neukřižujte mě za asi hloupý dotaz
Mám 48V baterie a z dřívějška mám zbylé 2 měniče 24V. Můj dotaz tedy je, jestli můžu dva kontakt k baterii plus jednoho měniče spojit s minus kontaktem druhého měniče a zapojit je tak v sérii k 48V baterii nebo je to úplně špatně ? Díky.

-
- Příspěvky: 2043
- Registrován: ned dub 02, 2017 3:45 pm
- Reputace: 234
- Lokalita: podhůří Orlických hor
- Výkon panelů [Wp]: 7500
- Chci prodávat energii: NE
- Chci/Mám dotaci: NE
Re: Dva 24V měniče zapojené k 48V baterii
něco mi říká,že by to vedlo spolehlivě k jejich odchodu na šrotiště....
7,5kWp-
aexpert max 8 kw,power jack 10 kw a cca 45kW LIFE A LION
aexpert max 8 kw,power jack 10 kw a cca 45kW LIFE A LION
-
- Příspěvky: 4397
- Registrován: pon úno 07, 2022 10:11 pm
- Reputace: 289
- Lokalita: Zlaté Hory / Olomouc
- Systémové napětí: 24V
- Výkon panelů [Wp]: 3600
- Kapacita baterie [kWh]: 16
- Chci prodávat energii: NE
- Chci/Mám dotaci: NE
- Bydliště: Zlaté Hory
Re: Dva 24V měniče zapojené k 48V baterii
Pokud oba spotřebiče budou mít stejný odběr z té baterky tak to lze (třeba dvě stejné 24V žárovky) ale jak to chceš zajistit u spotřebiče který má rozdílnou spotřebu?
Pak by na jednom bylo větší napětí a na druhém menší a co udělá větší napětí než je povolené no asi to odejde do křemíkového nebe....
Prostě při seriovém spojení musí být stejný proud aby se napětí rozdělilo přesně na polovic.
Takže blbý nápad......
Pak by na jednom bylo větší napětí a na druhém menší a co udělá větší napětí než je povolené no asi to odejde do křemíkového nebe....
Prostě při seriovém spojení musí být stejný proud aby se napětí rozdělilo přesně na polovic.
Takže blbý nápad......
3,6kWp
| 2x MUST PV18-3024 VHM, 3kW/24V | 16kWh 


-
- Příspěvky: 1450
- Registrován: ned led 01, 2023 6:17 pm
- Reputace: 288
- Lokalita: Východně od 3nce
- Systémové napětí: 48V
- Výkon panelů [Wp]: 16kWp
- Kapacita baterie [kWh]: 44kWh
- Chci prodávat energii: NE
- Chci/Mám dotaci: NE
Re: Dva 24V měniče zapojené k 48V baterii
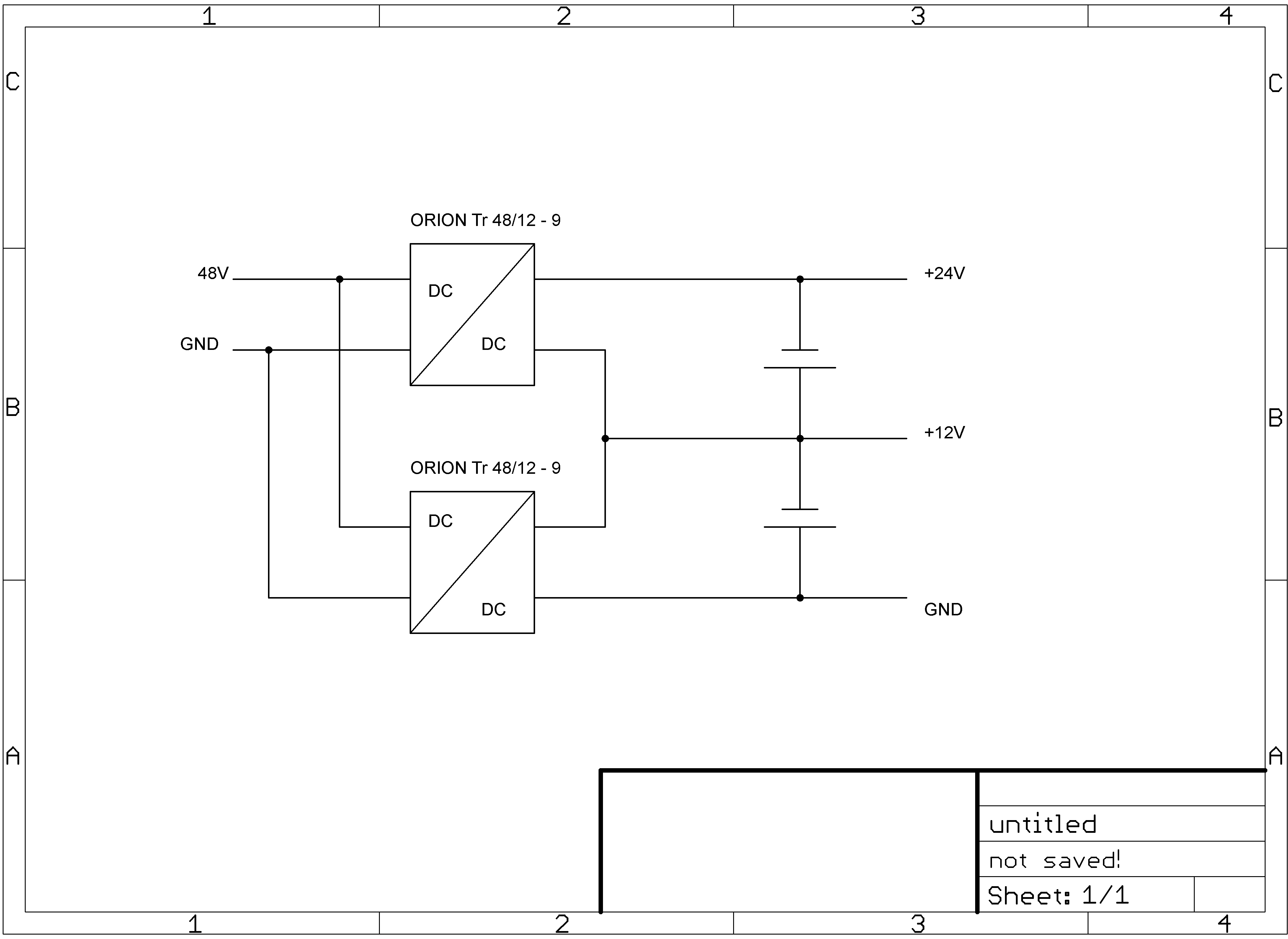
Trochu málo informací, za URČITÝCH PODMÍNEK to může fungovat naprosto v pohodě.
Doma provozuji systém 12/24V dlouhodbě bez problému.
Pro jednoduchost nejsou zakresleny jistící prvky.

Doma provozuji systém 12/24V dlouhodbě bez problému.
Pro jednoduchost nejsou zakresleny jistící prvky.
9,2kWp JV 45°, 4,6kWp JZ 45°, 2,3kWp JV 90°, 2 x Victron MP II 5kVA, 3 x SmartSolar 150/70, Smartshunt, Cerbo, 16x280Ah + 16X300Ah + 16x300Ah LiFePO4 + 3xJK BMS.
K levné elektřině se dostaneme jen vytrvalou prací a svým kapitálem. Vladimír List, Elektrisace Československa 1934
K levné elektřině se dostaneme jen vytrvalou prací a svým kapitálem. Vladimír List, Elektrisace Československa 1934
-
- Příspěvky: 3162
- Registrován: stř úno 02, 2022 10:30 am
- Reputace: 386
- Lokalita: okolí Mělníka
- Systémové napětí: 48V
- Výkon panelů [Wp]: 13000
- Kapacita baterie [kWh]: 15
Re: Dva 24V měniče zapojené k 48V baterii
menice-nabijece musi byt izolovane a pak to bude fungovat.
-
- Příspěvky: 1787
- Registrován: úte říj 12, 2021 10:43 am
- Reputace: 314
- Lokalita: Blízko Ústí nad Labem
- Systémové napětí: 48V
- Výkon panelů [Wp]: 10790
- Kapacita baterie [kWh]: 13
- Chci prodávat energii: NE
- Chci/Mám dotaci: NE
Re: Dva 24V měniče zapojené k 48V baterii
Ale on chce zapojit baterkový vstup dvou 24V měničů do série a potom ty dva měniče v sérii připojit na baterii 48V!
I když budou ty měniče galvanicky oddělený, tak to neřeší problém, že při zatížení jednoho měniče víc než druhého bude na jednom měniči nižší a na druhém naopak vyšší napětí než je těch 24V (na vstupu od baterky).
Jinak mi přijde, že Pibi tu původní otázku asi správně nepochopil, z otázky to nevypadá na DC/DC měniče ale na invertery, tedy měniče 24V DC/230V AC.
I když budou ty měniče galvanicky oddělený, tak to neřeší problém, že při zatížení jednoho měniče víc než druhého bude na jednom měniči nižší a na druhém naopak vyšší napětí než je těch 24V (na vstupu od baterky).
Jinak mi přijde, že Pibi tu původní otázku asi správně nepochopil, z otázky to nevypadá na DC/DC měniče ale na invertery, tedy měniče 24V DC/230V AC.
mobilní elektrárna 3x Uni-solar PVL-68 a Victron 75/15 MPPT
doma 3280 Wp JV, 3810 Wp JZ, 3690 Wp SZ, Easun SMW 8k (rebrandovaný MAX 8 kW), aku 13kWh 16s LiFePO4
doma 3280 Wp JV, 3810 Wp JZ, 3690 Wp SZ, Easun SMW 8k (rebrandovaný MAX 8 kW), aku 13kWh 16s LiFePO4
-
- Příspěvky: 2032
- Registrován: sob bře 30, 2019 10:27 am
- Reputace: 364
- Lokalita: JV od pekla :)
- Systémové napětí: 48V
- Výkon panelů [Wp]: 5100
- Kapacita baterie [kWh]: 33
- Chci/Mám dotaci: NE
Re: Dva 24V měniče zapojené k 48V baterii
Kdyby to byly čistě transformátory, bylo to na střídavině, byly nachlup stejné a na výstupu propojené paralelně, tak ano.
Ty si nejdřív musíš uvědomit, jak funguje odporový dělič napětí, tedy de facto dva odpory v sérii. Pokud jeden z nich změní odpor, na druhém se změní napětí. Vyšší proud měničem = nižší odpor = pokles napětí na tom měniči s vyšším proudem a vzrůst napětí na tom druhém. Kdyby byly na výstupu zapojeny paralelně a kdybys naměřil odpor v řádu megaohm mezi vstupními a výstupními svorkami (tedy pokud jsou izolované, jak píše předřečník -- a to je zásadní podmínka), tak by to šlo. Pokud jsou ale dvě z nich (třeba - na vstupu a 0 na výstupu) propojené, tak je to úplně špatně, půjde to do zkratu a zničíš to. Další zásadní podmínka, pokud mají střídavý výstup, je sfázování toho výstupu. Závěr: zapomeň na to
Ty si nejdřív musíš uvědomit, jak funguje odporový dělič napětí, tedy de facto dva odpory v sérii. Pokud jeden z nich změní odpor, na druhém se změní napětí. Vyšší proud měničem = nižší odpor = pokles napětí na tom měniči s vyšším proudem a vzrůst napětí na tom druhém. Kdyby byly na výstupu zapojeny paralelně a kdybys naměřil odpor v řádu megaohm mezi vstupními a výstupními svorkami (tedy pokud jsou izolované, jak píše předřečník -- a to je zásadní podmínka), tak by to šlo. Pokud jsou ale dvě z nich (třeba - na vstupu a 0 na výstupu) propojené, tak je to úplně špatně, půjde to do zkratu a zničíš to. Další zásadní podmínka, pokud mají střídavý výstup, je sfázování toho výstupu. Závěr: zapomeň na to

-
- Příspěvky: 1450
- Registrován: ned led 01, 2023 6:17 pm
- Reputace: 288
- Lokalita: Východně od 3nce
- Systémové napětí: 48V
- Výkon panelů [Wp]: 16kWp
- Kapacita baterie [kWh]: 44kWh
- Chci prodávat energii: NE
- Chci/Mám dotaci: NE
Re: Dva 24V měniče zapojené k 48V baterii
Otázku jsem pochopil, když bude mít dostatečně velkou baterku, zajistí její balancování, střed vyvede na spojku obou měničů, tak to fungovat může.
Proto píšu málo informací a za určitých podmínek, v reálu je to samozřejmě nesmysl.
Proto píšu málo informací a za určitých podmínek, v reálu je to samozřejmě nesmysl.

9,2kWp JV 45°, 4,6kWp JZ 45°, 2,3kWp JV 90°, 2 x Victron MP II 5kVA, 3 x SmartSolar 150/70, Smartshunt, Cerbo, 16x280Ah + 16X300Ah + 16x300Ah LiFePO4 + 3xJK BMS.
K levné elektřině se dostaneme jen vytrvalou prací a svým kapitálem. Vladimír List, Elektrisace Československa 1934
K levné elektřině se dostaneme jen vytrvalou prací a svým kapitálem. Vladimír List, Elektrisace Československa 1934
-
- Příspěvky: 2459
- Registrován: ned srp 14, 2011 10:13 pm
- Reputace: 162
- Lokalita: poblíž Hodonína
- Systémové napětí: >48V
- Výkon panelů [Wp]: 7200
- Kapacita baterie [kWh]: 9
Re: Dva 24V měniče zapojené k 48V baterii
Nesmysl, nedělal bych to.frodikcz píše: čtv kvě 30, 2024 9:48 amDobrý den, prosím neukřižujte mě za asi hloupý dotazMám 48V baterie a z dřívějška mám zbylé 2 měniče 24V. Můj dotaz tedy je, jestli můžu dva kontakt k baterii plus jednoho měniče spojit s minus kontaktem druhého měniče a zapojit je tak v sérii k 48V baterii nebo je to úplně špatně ? Díky.
5,4 kWp JJZ 4deg,1,8kWp JV 24deg, do 13.8.2022 bylo 3,6 kWp, MPII 5k, Victron MPPT 250/85-TR, aku 9,45 kWh Lion 15S, BMS 200A, Smart Shunt 500A.
k 27.3.2025 13250kWh
k 27.3.2025 13250kWh
Kdo je online
Uživatelé prohlížející si toto fórum: Claudebot [Bot] a 0 hostů