FV zapojeni plan
-
- Příspěvky: 21
- Registrován: úte lis 27, 2012 8:34 pm
- Reputace: 0
FV zapojeni plan
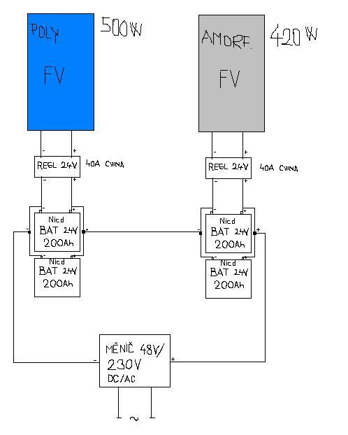
Ahoj.Chtel bych vas požadat o radu jestli by byl problem s timto zapojenim.Mam 4poly 130w(12V),4amorf asi105w(24V)(cc130w zacatek pak klesa na 105w).Mam 2regle epsolar.Z duvodu jelikoz tyto regle nespolupracuji idealne pri jednom bateriovem poli(dle informaci zde naforu) ,tak bych chtel vytvorit 2vetve se 2 bat.array.Takove zapojeni je take proto abych zjistil zda prikoupit vice poly nebo amorf.S mistem kam dat panely neni problem(zatim).nicd zatim shromazduji.Chtel bych koupit menic s cistým sinusem(potrebuji kuli tv apod),nejradeji bych na 48V.Bude mit s timto zapojením problem menic 48V/230V?Neodejde neco?Mate nekdo podobný system?Případne jak ridit regulatory tak aby mohli zasobovat oba paralelne jedno pole (pri systemu24V).Dik P.
muj soucasný system je 4x 130w poly,regl 40A epsolar,bat pb 270Ah(12v),menic 12V/1000W/230V cist.sinus
Dekuji.
muj soucasný system je 4x 130w poly,regl 40A epsolar,bat pb 270Ah(12v),menic 12V/1000W/230V cist.sinus
Dekuji.
- Marek_Kuřim
- Příspěvky: 324
- Registrován: čtv led 10, 2013 1:24 pm
- Reputace: 19
- Lokalita: Blansko
- Chci prodávat energii: NE
- Chci/Mám dotaci: NE
- Bydliště: Blansko
Re: FV zapojeni plan
Nechci se hádat, ale mám obavu, že ty panely 2×400Ah nikdy nenabijí do plna. Na tolik kapacity máš podle mě malý výkon panelů.
Půjčím si link z jiného tématu: http://re.jrc.ec.europa.eu/pvgis/apps4/pvest.php
Jinak si myslím, že by to mohlo fungovat (princip zapojení.)
Půjčím si link z jiného tématu: http://re.jrc.ec.europa.eu/pvgis/apps4/pvest.php
Jinak si myslím, že by to mohlo fungovat (princip zapojení.)
Marek Svoboda
___________________________
Fyzikální zákony jdou velmi těžko obechcat, zvláště třeba ten Ohmův. Myslete na to, když se hrabete v elektrice.
oblíbená muzika: metal, folk, country
___________________________
Fyzikální zákony jdou velmi těžko obechcat, zvláště třeba ten Ohmův. Myslete na to, když se hrabete v elektrice.
oblíbená muzika: metal, folk, country
-
- Příspěvky: 21
- Registrován: úte lis 27, 2012 8:34 pm
- Reputace: 0
Re: FV zapojeni plan
O nabijeni nicd mam zatim malo zkusenosti.ta kapacita je tam pouze informativni.Jde zatim o princip zapojeni.Pokud jak rikaz by to bylo malo musel bych pak prikoupit panely.Ale jake to uz musim zjistit prave podle mereni tech 2vetvi.Ja jsem si myslel ,ze nicd bat muzes nabijet jakýmkoliv C napr 0.1C a do uplneho nabiti tak prijdou po delsi dobe.
- Marek_Kuřim
- Příspěvky: 324
- Registrován: čtv led 10, 2013 1:24 pm
- Reputace: 19
- Lokalita: Blansko
- Chci prodávat energii: NE
- Chci/Mám dotaci: NE
- Bydliště: Blansko
Re: FV zapojeni plan
Naťukej si údaje o svém navrženém systému do toho linku, co jsem uvedl v předchozím příspěvku.spee píše:O nabijeni nicd mam zatim malo zkusenosti.ta kapacita je tam pouze informativni.Jde zatim o princip zapojeni.Pokud jak rikaz by to bylo malo musel bych pak prikoupit panely.Ale jake to uz musim zjistit prave podle mereni tech 2vetvi.Ja jsem si myslel ,ze nicd bat muzes nabijet jakýmkoliv C napr 0.1C a do uplneho nabiti tak prijdou po delsi dobe.
Mě to docela pomohlo, neb se chystám experimentovat s 500Wp od dubna.
0,1 C můžeš nabíjet jakoukoliv baterii, celkem to prospívá všem. Je potřeba se ale podívat, jaký k tomu budeš mít odběr z baterie.
Navíc, 0,1C ze 400Ah je jestli se nepletu 40A, což je slušný nabíjecí proud.
Na tyto počty je dobré všechno si to naťukat do tabulky (excelu) a provázat to výpočtama. Pak uvidíš, co ti udělá změna jednoho parametru.
Marek Svoboda
___________________________
Fyzikální zákony jdou velmi těžko obechcat, zvláště třeba ten Ohmův. Myslete na to, když se hrabete v elektrice.
oblíbená muzika: metal, folk, country
___________________________
Fyzikální zákony jdou velmi těžko obechcat, zvláště třeba ten Ohmův. Myslete na to, když se hrabete v elektrice.
oblíbená muzika: metal, folk, country
- Lui
- Příspěvky: 1280
- Registrován: pon srp 08, 2011 3:14 pm
- Reputace: 148
- Lokalita: Senec
- Systémové napětí: 48V
- Výkon panelů [Wp]: cca 35kwp
- Kapacita baterie [kWh]: malá
- Bydliště: Slovensko
Re: FV zapojeni plan
Ten systém zapojenia bude samozrejme fungovať, ako -tak....ale bude treba kontrolovať napetie na oboch systémoch,aby sa to moc nerozbalancovalo....lebo môže sa stať,že jeden bateriový pack sa skôr vybije ako ten druhý....
ale zas čím menej budeš spotrebovávať zo systémov súčasne,tým stabilnejšie to bude fungovať....
ale zas čím menej budeš spotrebovávať zo systémov súčasne,tým stabilnejšie to bude fungovať....

málo kwp
, 60V 1,2kAh , 15S 600P Lion
+ 60V 198Ah Lifepo4
, 10 x MPPT VT-80 , 4xStuder XTH 8000 vo výstavbe ,
Záloha:180Wp
,12V LiFePO4 60Ah
, epsolar 10 ,victron 350w sinus



Záloha:180Wp


-
- Příspěvky: 856
- Registrován: pon črc 30, 2012 3:43 pm
- Reputace: 48
- Lokalita: Trnava
- Systémové napětí: 48V
- Výkon panelů [Wp]: 4900
- Kapacita baterie [kWh]: 7,5
- Chci prodávat energii: NE
- Chci/Mám dotaci: NE
Re: FV zapojeni plan
Podla mňa je hlúposť takto to zapájať. Ako napísal Lui- fungovať to bude. Ide o to ako. Nikdy sa ti nenabijú rovnako batérie v oboch systémoch a to bude škodiť. Prečo si radšej nespravíš dva systémy? Jeden amorf systém a druhý poly? Čo všetko máš v pláne s tým napájať?
-
- Příspěvky: 21
- Registrován: úte lis 27, 2012 8:34 pm
- Reputace: 0
Re: FV zapojeni plan
V podstate jde o to ,ze v prubehu toho co jsem koupil 4x amorf,ktery predpokladam ze bude lepsi pri zatazene obloze tak jsem po precteni xxx clanku zjistil ze pokud budu chtit napajet co nejvic spotrebicu z FV tak musim prikoupit jak panely ,tak prejit na 48V system,takze chci zatim pouzit věci ,ktere mam jiz koupene.S temi vecmi co mam bych chtel zjistit do ceho investovat(amorf vs poly).To spojeni na 48V menic jsem myslel ze bych jiz koupil kvalitni menic(cisty sinus) na 48V a ten pouzil,jinak plan je takovy:
Z FV nabijet baterie ktere pokryjou veskerou spotrebu.Denni spotreba je cca 10kW.Pokud dojdou baterie system prepne na DC.Pokud budou prebytky y FV system bude napajet bojlery.To je zhruba k cemu bych se chtel priblizit.Avsak v prubehu dneska jsem narazil zas na hybridni menice.Takze otayka jaky koupit 48V menic je zatim pro me otevrena.
Mate nekdo jiz system,ktery takto pracuje?Cili fv dobiji baterky a pkud jsou jiz dobite cpe to do bojleru(apod) a v pripade podpeti baterii ,kdy FV nestaci dodavat(zimni obdobi) si system bere napeti z DC?Cili DCjako zalohu jen na zimu a v pripade spicek(kdyz by jelo xxx spotrebicu naraz)?Jake mate systemy?Idealni by bylo mit 3Fazový system,ale zatim postaci jednofazový.S tim souvisi vyber menice,aby se v budoucnu dalo prejit na 3f.
Z FV nabijet baterie ktere pokryjou veskerou spotrebu.Denni spotreba je cca 10kW.Pokud dojdou baterie system prepne na DC.Pokud budou prebytky y FV system bude napajet bojlery.To je zhruba k cemu bych se chtel priblizit.Avsak v prubehu dneska jsem narazil zas na hybridni menice.Takze otayka jaky koupit 48V menic je zatim pro me otevrena.
Mate nekdo jiz system,ktery takto pracuje?Cili fv dobiji baterky a pkud jsou jiz dobite cpe to do bojleru(apod) a v pripade podpeti baterii ,kdy FV nestaci dodavat(zimni obdobi) si system bere napeti z DC?Cili DCjako zalohu jen na zimu a v pripade spicek(kdyz by jelo xxx spotrebicu naraz)?Jake mate systemy?Idealni by bylo mit 3Fazový system,ale zatim postaci jednofazový.S tim souvisi vyber menice,aby se v budoucnu dalo prejit na 3f.
-
- Příspěvky: 365
- Registrován: stř zář 07, 2011 10:09 pm
- Reputace: 11
Re: FV zapojeni plan
Zdravím!
Tá pôvodná schéma bude fungovať, len ak zaručíte pravidelné plné dobitie. Inak sa napätia budú rozchádzať. Vplyvom rôznych zdrojov pre dobíjanie batérií, sa podľa mňa dostanete do stavu, že polovica batérií skolabuje skôr a potom Vám bude tá druhá polovica pri 48V nanič. Buď to robte od začiatku na 48V, alebo na 24V. Ušetríte si tak duplované výdaje pri rozširovaní.
Prevláda tu často názor, že 48V je super-naj a jediná možnosť pri väčšom výkone. No 24V (dokonca aj 12V) dokáže takisto spoľahlivo preniesť dostatočný výkon. Ja mám 5000VA v meniči na 24V. A to sa chystám v budúcnosti z toho ťahať špičkovo asi 8kW.
48V systém má jedinú výhodu v tom, že potrebuje polovičný regulátor napätia pri tom istom výkone v paneloch. Argumenty o silnejších (drahších) kábloch u mňa neobstoja, lebo sa jedná iba o krátke trasy (reg.-bat. a bat.-menič). Naopak mínusom môže byť napríklad nutnosť dvojnásobku balancérov pri lítiu. Čím viac článkov, tým je tiež väčšia možnosť že niektorý z nich bude v budúcnosti robiť problémy.
Prajem všetkým veľa slnka.
Tá pôvodná schéma bude fungovať, len ak zaručíte pravidelné plné dobitie. Inak sa napätia budú rozchádzať. Vplyvom rôznych zdrojov pre dobíjanie batérií, sa podľa mňa dostanete do stavu, že polovica batérií skolabuje skôr a potom Vám bude tá druhá polovica pri 48V nanič. Buď to robte od začiatku na 48V, alebo na 24V. Ušetríte si tak duplované výdaje pri rozširovaní.
Prevláda tu často názor, že 48V je super-naj a jediná možnosť pri väčšom výkone. No 24V (dokonca aj 12V) dokáže takisto spoľahlivo preniesť dostatočný výkon. Ja mám 5000VA v meniči na 24V. A to sa chystám v budúcnosti z toho ťahať špičkovo asi 8kW.

48V systém má jedinú výhodu v tom, že potrebuje polovičný regulátor napätia pri tom istom výkone v paneloch. Argumenty o silnejších (drahších) kábloch u mňa neobstoja, lebo sa jedná iba o krátke trasy (reg.-bat. a bat.-menič). Naopak mínusom môže byť napríklad nutnosť dvojnásobku balancérov pri lítiu. Čím viac článkov, tým je tiež väčšia možnosť že niektorý z nich bude v budúcnosti robiť problémy.
Prajem všetkým veľa slnka.

-
- Příspěvky: 414
- Registrován: pon kvě 21, 2012 11:33 am
- Reputace: 18
- Bydliště: Hradec Kráové
Re: FV zapojeni plan
Problém 24V při 8kW je ve ztrátách na vedení, připojení na svorky a pod.
Je li celkový odpor trasy (tam i zpět) 0,001 ohmu je při maximálním výkonu 8000W a napětí 24V proud 333A a ztráta na vedení je pak 333*0,001=0,333 V, to je hrozně moc. Znamená to ztrátu výkonu 0,333 * 333 tedy 111W. Udělat připojení je tedy nutné s odporem menším než 0,001 ohmu (a uvažte, že stačí nerovnost na dosedací ploše, nečistoty a pod. a odpor roste!) nebo jít na vyšší napětí. Ztráty rostou s kvadrátem proudu. (Proto se taky vysoké výkony přenáší vysokým napětím a minimálními proudy
).
Počet balancérů záleží dost na výkonu. Pro 100 Ah použiju jeden, pro 200Ah dva, takže buď 8 článků 200Ah 24V nebo 16 článků 100Ah 48V je to stejný počet 16 blancérů. Je pravda, že balancéry zapojené paralelně u 200Ah zvyšují spolehlivost.
Účinnost měniče a nabíječek roste s napětím, to je třeba také vzít do úvahy.
Je li celkový odpor trasy (tam i zpět) 0,001 ohmu je při maximálním výkonu 8000W a napětí 24V proud 333A a ztráta na vedení je pak 333*0,001=0,333 V, to je hrozně moc. Znamená to ztrátu výkonu 0,333 * 333 tedy 111W. Udělat připojení je tedy nutné s odporem menším než 0,001 ohmu (a uvažte, že stačí nerovnost na dosedací ploše, nečistoty a pod. a odpor roste!) nebo jít na vyšší napětí. Ztráty rostou s kvadrátem proudu. (Proto se taky vysoké výkony přenáší vysokým napětím a minimálními proudy

Počet balancérů záleží dost na výkonu. Pro 100 Ah použiju jeden, pro 200Ah dva, takže buď 8 článků 200Ah 24V nebo 16 článků 100Ah 48V je to stejný počet 16 blancérů. Je pravda, že balancéry zapojené paralelně u 200Ah zvyšují spolehlivost.
Účinnost měniče a nabíječek roste s napětím, to je třeba také vzít do úvahy.
18x 550Wp, 16xLiFePO 780Ah (stáří 0, 1, 2, 10 let), STUDER: 3x MPPT VT65; 3x Xtender 4000-48. PLC TECO2091
(v minulosti = CEEG 15x230 Wp, 16xLiFePO 500 Ah, MS TS60A, Studer 4000-48, PLC Siemens,)
(v minulosti = CEEG 15x230 Wp, 16xLiFePO 500 Ah, MS TS60A, Studer 4000-48, PLC Siemens,)
-
- Příspěvky: 769
- Registrován: ned lis 13, 2011 5:52 pm
- Reputace: 38
- Bydliště: SK
Re: FV zapojeni plan
Regle za určitých podmienok idú do kopy na jedan pack.Ja ich tak používam.spee píše:Ahoj.Chtel bych vas požadat o radu jestli by byl problem s timto zapojenim.Mam 4poly 130w(12V),4amorf asi105w(24V)(cc130w zacatek pak klesa na 105w).Mam 2regle epsolar.Z duvodu jelikoz tyto regle nespolupracuji idealne pri jednom bateriovem poli(dle informaci zde naforu) ,tak bych chtel vytvorit 2vetve se 2 bat.array.Takove zapojeni je take proto abych zjistil zda prikoupit vice poly nebo amorf.S mistem kam dat panely neni problem(zatim).nicd zatim shromazduji.Chtel bych koupit menic s cistým sinusem(potrebuji kuli tv apod),nejradeji bych na 48V.Bude mit s timto zapojením problem menic 48V/230V?Neodejde neco?Mate nekdo podobný system?Případne jak ridit regulatory tak aby mohli zasobovat oba paralelne jedno pole (pri systemu24V).Dik P.
muj soucasný system je 4x 130w poly,regl 40A epsolar,bat pb 270Ah(12v),menic 12V/1000W/230V cist.sinus
Dekuji.
Tu som to popisoval https://forum.mypower.cz/viewtopic.php? ... UNFXlf3OTs
-
- Příspěvky: 414
- Registrován: pon kvě 21, 2012 11:33 am
- Reputace: 18
- Bydliště: Hradec Kráové
Re: FV zapojeni plan
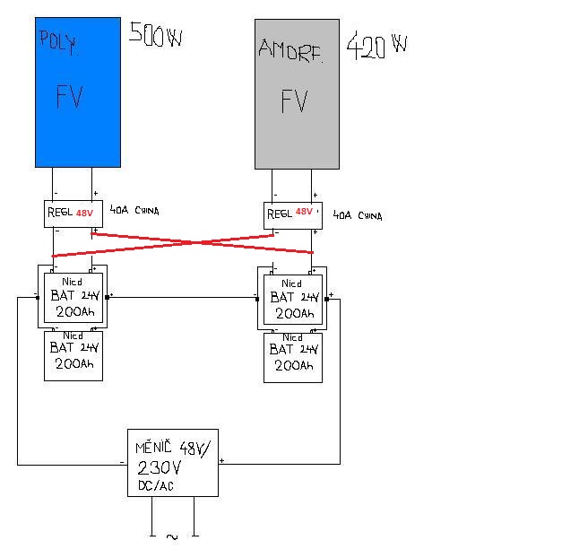
Já bych to řešil pomocí dvou regulátorů na baterii s napětím 48V. viz obrázek.
Paralelní spojení regulátorů by neměl být problém. Každý si myslí, že je sám s baterií, jen se trošku diví, jak mu to jde skvěle s nabíjením (myslí si že je sám)
. Odpadá problém s nevyvážeností jednotlivých baterií a to by mohl být problém zásadní. Navíc pak lze rozšiřovat kterýkoliv systém nezávisle na druhém, podle toho co bude výhodnější. Samozřejmě již teď bych kapacitu každého regulátoru předimenzoval nejlépe na 40A nebo 60A.
Paralelní spojení regulátorů by neměl být problém. Každý si myslí, že je sám s baterií, jen se trošku diví, jak mu to jde skvěle s nabíjením (myslí si že je sám)

18x 550Wp, 16xLiFePO 780Ah (stáří 0, 1, 2, 10 let), STUDER: 3x MPPT VT65; 3x Xtender 4000-48. PLC TECO2091
(v minulosti = CEEG 15x230 Wp, 16xLiFePO 500 Ah, MS TS60A, Studer 4000-48, PLC Siemens,)
(v minulosti = CEEG 15x230 Wp, 16xLiFePO 500 Ah, MS TS60A, Studer 4000-48, PLC Siemens,)
-
- Příspěvky: 856
- Registrován: pon črc 30, 2012 3:43 pm
- Reputace: 48
- Lokalita: Trnava
- Systémové napětí: 48V
- Výkon panelů [Wp]: 4900
- Kapacita baterie [kWh]: 7,5
- Chci prodávat energii: NE
- Chci/Mám dotaci: NE
Re: FV zapojeni plan
Netreba zabúdať že EP solar je iba do 24V na batériu. Na tvojom mieste by som kúpil TRISTAR MPPT REGULATOR 60A a tam si môžeš dať jednoducho 48V a máš to aj prešpičkovaný regulátor. Viem že vlastníš jeden EP solar ale bazáre fungujú...
Každopádne by som nešpekuloval s miešaním dvoch 24V regulátorov na 48V. Príde mi to byť tak strašne divné. Hlavne kôli tomu že na jeden regulátor chceš dať poly a na druhý amorfy. Keď tak daj na oba regulátory rovnaké panele a ja už budem ticho.
honzaL Nechápem moc tomu čo si to vymyslel, tak by sa tie batérie vôbec, ale vôbec nenabíjali.
Každopádne by som nešpekuloval s miešaním dvoch 24V regulátorov na 48V. Príde mi to byť tak strašne divné. Hlavne kôli tomu že na jeden regulátor chceš dať poly a na druhý amorfy. Keď tak daj na oba regulátory rovnaké panele a ja už budem ticho.

honzaL Nechápem moc tomu čo si to vymyslel, tak by sa tie batérie vôbec, ale vôbec nenabíjali.

-
- Příspěvky: 365
- Registrován: stř zář 07, 2011 10:09 pm
- Reputace: 11
Re: FV zapojeni plan
Ale nabíjali. Ak sa lepšie prizrieteLIX píše:...honzaL Nechápem moc tomu čo si to vymyslel, tak by sa tie batérie vôbec, ale vôbec nenabíjali.

-
- Příspěvky: 856
- Registrován: pon črc 30, 2012 3:43 pm
- Reputace: 48
- Lokalita: Trnava
- Systémové napětí: 48V
- Výkon panelů [Wp]: 4900
- Kapacita baterie [kWh]: 7,5
- Chci prodávat energii: NE
- Chci/Mám dotaci: NE
Re: FV zapojeni plan
Ospravedlňujem sa, tú zmenu regulátorov som si nevšimol. Ale pri tomto riešení sa naskytá otázka aký regulátor? Lebo ep solar nedáva 48V.
-
- Příspěvky: 1466
- Registrován: pát bře 08, 2013 7:19 pm
- Reputace: 73
- Bydliště: Aš
Re: FV zapojeni plan
volil bych xantrex mám je a veliká spokojenostLIX píše:Ospravedlňujem sa, tú zmenu regulátorov som si nevšimol. Ale pri tomto riešení sa naskytá otázka aký regulátor? Lebo ep solar nedáva 48V.
-
- Příspěvky: 21
- Registrován: úte lis 27, 2012 8:34 pm
- Reputace: 0
Re: FV zapojeni plan
Co je to arduino?Z clanku jsem pochopil ze je to neco co hlida napeti a v pripade dosazeni nejake nastavene hodnoty to neco sepne.To neco je jakesi rele(potrebuji ziskat vice zkusenosti)?Je mozne vysvetlit ,pripadne napsat typ veci potrebne pro sledovani.Nebo je arduino program,ktery bezi na nejakem pc?diky.luge píše:Regle za určitých podmienok idú do kopy na jedan pack.Ja ich tak používam.spee píše:Ahoj.Chtel bych vas požadat o radu jestli by byl problem s timto zapojenim.Mam 4poly 130w(12V),4amorf asi105w(24V)(cc130w zacatek pak klesa na 105w).Mam 2regle epsolar.Z duvodu jelikoz tyto regle nespolupracuji idealne pri jednom bateriovem poli(dle informaci zde naforu) ,tak bych chtel vytvorit 2vetve se 2 bat.array.Takove zapojeni je take proto abych zjistil zda prikoupit vice poly nebo amorf.S mistem kam dat panely neni problem(zatim).nicd zatim shromazduji.Chtel bych koupit menic s cistým sinusem(potrebuji kuli tv apod),nejradeji bych na 48V.Bude mit s timto zapojením problem menic 48V/230V?Neodejde neco?Mate nekdo podobný system?Případne jak ridit regulatory tak aby mohli zasobovat oba paralelne jedno pole (pri systemu24V).Dik P.
muj soucasný system je 4x 130w poly,regl 40A epsolar,bat pb 270Ah(12v),menic 12V/1000W/230V cist.sinus
Dekuji.
Tu som to popisoval https://forum.mypower.cz/viewtopic.php? ... UNFXlf3OTs
Naposledy upravil(a) spee dne sob bře 16, 2013 12:49 am, celkem upraveno 1 x.
-
- Příspěvky: 21
- Registrován: úte lis 27, 2012 8:34 pm
- Reputace: 0
Re: FV zapojeni plan
Tak to vypada,ze zatim pro ucely testovani zvolim sys 24V s tim ,ze regle budou do paralelu.Menic na 24V mam (zatim trapez5000W).Tv mi na trapez (1500w)delala brikule(interference-slisitelný vrneni) - musel jsem vymenit za cisty sine.Taky uz jsem ji mel v oprave(odesel zdroj:-)).Asi tam vlitla nejaka spicka napeti pri zapinani menice.Tak se obejdu bez zapojeni na tv a budu to cpat do neceho jinýho.
-
- Příspěvky: 21
- Registrován: úte lis 27, 2012 8:34 pm
- Reputace: 0
Re: FV zapojeni plan
Jinak mam jeste otazku - je nejaky menic ,ktery se chova tak jako bezna zasuvka?Totiz faze na zasuvce je vzdy vlevo.Kdyz merim na menici je vlevo i vpravo.Tzn prepojit menic na stavajici rozvody v dome nelze.Jak se toto resi?Musi se koupit drahsi menic?
-
- Příspěvky: 769
- Registrován: ned lis 13, 2011 5:52 pm
- Reputace: 38
- Bydliště: SK
Re: FV zapojeni plan
Pri stavbe som čerpal z tohto vlákna https://forum.mypower.cz/viewtopic.php? ... ytky#p7913spee píše:Co je to arduino?Z clanku jsem pochopil ze je to neco co hlida napeti a v pripade dosazeni nejake nastavene hodnoty to neco sepne.To neco je jakesi rele(potrebuji ziskat vice zkusenosti)?Je mozne vysvetlit ,pripadne napsat typ veci potrebne pro sledovani.Nebo je arduino program,ktery bezi na nejakem pc?diky.luge píše:Regle za určitých podmienok idú do kopy na jedan pack.Ja ich tak používam.spee píše:Ahoj.Chtel bych vas požadat o radu jestli by byl problem s timto zapojenim.Mam 4poly 130w(12V),4amorf asi105w(24V)(cc130w zacatek pak klesa na 105w).Mam 2regle epsolar.Z duvodu jelikoz tyto regle nespolupracuji idealne pri jednom bateriovem poli(dle informaci zde naforu) ,tak bych chtel vytvorit 2vetve se 2 bat.array.Takove zapojeni je take proto abych zjistil zda prikoupit vice poly nebo amorf.S mistem kam dat panely neni problem(zatim).nicd zatim shromazduji.Chtel bych koupit menic s cistým sinusem(potrebuji kuli tv apod),nejradeji bych na 48V.Bude mit s timto zapojením problem menic 48V/230V?Neodejde neco?Mate nekdo podobný system?Případne jak ridit regulatory tak aby mohli zasobovat oba paralelne jedno pole (pri systemu24V).Dik P.
muj soucasný system je 4x 130w poly,regl 40A epsolar,bat pb 270Ah(12v),menic 12V/1000W/230V cist.sinus
Dekuji.
Tu som to popisoval https://forum.mypower.cz/viewtopic.php? ... UNFXlf3OTs
tiež tu https://forum.mypower.cz/viewforum.php? ... URLmlf3OTs
Kdo je online
Uživatelé prohlížející si toto fórum: Claudebot [Bot] a 0 hostů