1F boiler na 3F
Souhrn tématu
Diskuze se věnuje možnosti zapojení jednofázového boileru (240V, 2kW) na třífázovou síť s cílem rovnoměrně rozložit proud mezi fáze. Uživatelé upozorňují na problémy s fázovým posunem, vznikem vyšších harmonických a možným přetížením nulového vodiče. Doporučuje se simulace zapojení a zvážení typu bojleru a jeho termostatu, protože nesprávné zapojení může vést k poškození zařízení nebo neefektivnímu provozu.
- swen77
- Příspěvky: 28
- Registrován: úte pro 06, 2022 11:11 am
- Reputace:2
- Lokalita: Jižní čechy
- Systémové napětí: 48V
- Výkon panelů [Wp]: 8250
- Kapacita baterie [kWh]: 58,32 Pb
1F boiler na 3F
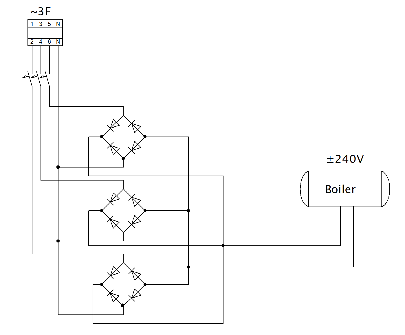
Zdravím, omlouvám se za možná blbou otázku ale chci se vás zeptat zda by bylo možné tímto způsobem usměrnit 3F pro boiler (240V 2KW) abych proud rovnoměrně rozložil. Vlastně jde o to zda můžu takto spojit ty výstupy. Díky
- Franta2776
- Příspěvky: 5662
- Registrován: pon úno 01, 2021 4:00 pm
- Reputace:577
Re: 1F boiler na 3F
Jmenuje se to 3 fázový usměrňovač
32540Wp, 90ks vakuové trubice jihozápad, (Lifepo4 17S 520Ah, trakční gel 800Ah), Axpert Max 7200VA, Easun Isolar 5500VA,Multiplus 2 48/5000,MPPT 150/85, 150/100
Pojízdná FV 200Wp=2x100Wp flexibilní+4x280Ah lifepo4+měnič 1500W
Pojízdná FV 200Wp=2x100Wp flexibilní+4x280Ah lifepo4+měnič 1500W
- swen77
- Příspěvky: 28
- Registrován: úte pro 06, 2022 11:11 am
- Reputace:2
- Lokalita: Jižní čechy
- Systémové napětí: 48V
- Výkon panelů [Wp]: 8250
- Kapacita baterie [kWh]: 58,32 Pb
Re: 1F boiler na 3F
3F můstkovy usměrňovač znám, ale protože bych usměrňoval sdružený napětí měl bych 400V DC. Ale já potřebuju jen 240V
- jova
- Příspěvky: 336
- Registrován: ned črc 10, 2016 10:39 pm
- Reputace:35
- Lokalita: Táborsko
- Systémové napětí: 48V
- Výkon panelů [Wp]: 14,2kWp
- Kapacita baterie [kWh]: 24kWh
- Chci prodávat energii: NE
- Chci/Mám dotaci: NE
Re: 1F boiler na 3F
Dostaneš se do stejných problémů se stejnosměrným napětím, jako by jsi to napájel z panelů. Nebudeš moct použít originální termostaty…
- greatlama
- Příspěvky: 41
- Registrován: ned říj 31, 2021 10:09 am
- Reputace:0
Re: 1F boiler na 3F
Nebylo by jednodušší přestavět bolier na 3f? Stačí vyměnit těleso a termostat... 
- swen77
- Příspěvky: 28
- Registrován: úte pro 06, 2022 11:11 am
- Reputace:2
- Lokalita: Jižní čechy
- Systémové napětí: 48V
- Výkon panelů [Wp]: 8250
- Kapacita baterie [kWh]: 58,32 Pb
Re: 1F boiler na 3F
Jako že tam budu muset dát SSR, to by bylo to nejmenší. Jde jen o to jestli to zapojení je možné a neudělám malý ohňostroj. A jestli to bude fungovat i když bude proud jen v jedné, nebo jen ve dvouch fázích.
- swen77
- Příspěvky: 28
- Registrován: úte pro 06, 2022 11:11 am
- Reputace:2
- Lokalita: Jižní čechy
- Systémové napětí: 48V
- Výkon panelů [Wp]: 8250
- Kapacita baterie [kWh]: 58,32 Pb
Re: 1F boiler na 3F
No, kdyby to bylo funkční tak bych to narouboval i na 2f pec na chleba kde bych ten proud taky rozložil do všech 3fázígreatlama píše:Nebylo by jednodušší přestavět bolier na 3f? Stačí vyměnit těleso a termostat...
- Franta2776
- Příspěvky: 5662
- Registrován: pon úno 01, 2021 4:00 pm
- Reputace:577
Re: 1F boiler na 3F
3F stykač zapojíš před usměrňovač na střídavou část. Pokud máš těleso se třemi smyčkami na 3x230V zapoj dvě smyčky to serie. Řešení je víc.swen77 píše:Jako že tam budu muset dát SSR, to by bylo to nejmenší. Jde jen o to jestli to zapojení je možné a neudělám malý ohňostroj. A jestli to bude fungovat i když bude proud jen v jedné, nebo jen ve dvouch fázích.
32540Wp, 90ks vakuové trubice jihozápad, (Lifepo4 17S 520Ah, trakční gel 800Ah), Axpert Max 7200VA, Easun Isolar 5500VA,Multiplus 2 48/5000,MPPT 150/85, 150/100
Pojízdná FV 200Wp=2x100Wp flexibilní+4x280Ah lifepo4+měnič 1500W
Pojízdná FV 200Wp=2x100Wp flexibilní+4x280Ah lifepo4+měnič 1500W
- glottis
- Příspěvky: 3796
- Registrován: stř úno 02, 2022 10:30 am
- Reputace:497
- Lokalita: okolí Mělníka
- Systémové napětí: 48V
- Výkon panelů [Wp]: 13000
- Kapacita baterie [kWh]: 30
Re: 1F boiler na 3F
Fungovat by to mělo ale je to kravina. Dobrovolné si posílat do bojleru DC. U tvého avatara výměn jméno 
- Pawel
- Příspěvky: 990
- Registrován: stř říj 02, 2013 8:57 am
- Reputace:71
Re: 1F boiler na 3F
Už hodně krát se tu řešilo že termostat bojleru nepřežije spínání DC. Použití 3f tělesa závisí na typu bojleru a použitého tělesa. To máte tak slabý jistič že nedá 1f 2kW? Bojler se zapíná většinou v noci ale u vás se asi jedná o firemní 3f FVE a chcete vytěžovat rovnoměrně všechny fáze z důvodu asymetrie kterou asi měnič neumí.
- Kostěj
- Příspěvky: 893
- Registrován: úte úno 25, 2014 9:33 pm
- Reputace:116
- Lokalita: Dobrovicko
- Systémové napětí: ~60 V
- Výkon panelů [Wp]: 9200
- Kapacita baterie [kWh]: 34
- Chci prodávat energii: NE
- Chci/Mám dotaci: NE
Re: 1F boiler na 3F
Ale i to schéma nahoře bude mít na výstupu podstatně větší napětí, než 240V. Stačí si vzít graf průběhu střídavého třífázového napětí a uvědomit si, že ty diody vlastně vyzobávají maxima proti minimům.swen77 píše:3F můstkovy usměrňovač znám, ale protože bych usměrňoval sdružený napětí měl bych 400V DC. Ale já potřebuju jen 240V
7.8kWp (12x650Wp jih 35°: 2p3s EpeverTracer6420AN, 3p2s AxpertKing), AxpertKing 5kW/150V. LiFePo 34kWh: 18x280Ah (2022)+18x315Ah (2026). 2xJBDBMS-UART->ESP32->grafana+vytěžování 60V/4.8kW do NADO750. 5x280Wp (2013)-> přímotop.
- sisdale
- Příspěvky: 296
- Registrován: sob črc 02, 2022 9:13 pm
- Reputace:82
- Bydliště: středočeský kraj, 400 m n.m.
Re: 1F boiler na 3F
Pokud je teleso bojleru zapojeno jen na jednu fazi 230V , tak proudovy odber na teto jedne fazi je pekna sinusovka. Problem u toho spojeni 3 usmernenych 230V fazi bude v tom, ze 3f system ma fazovy posun 120 stupnu a fakticky proud bude vzdy dodavat jen ta faze, ktera je aktualne nejvys/nejniz. Kdyz se pak podivas osciloskopem na proudove zateze v jednotlivych fazich, uvidis tam kratsi pulsy nahoru a dolu a pak kusy, kde netece nic. Z pohledu frekvencni analyzy proudoveho prubehu tam bude rada vyssich harmonickych. Generatoru dodavajicimu 3f se takovy zpusob zatizeni nebude libit.swen77 píše:No, kdyby to bylo funkční tak bych to narouboval i na 2f pec na chleba kde bych ten proud taky rozložil do všech 3fází
Navic by bylo dobre pak proverit jak bude vypaat proudove zatizeni na N vodici. Casto to v serverovnach, ktere maji hoidne spinanych zdroju rozhazenych na tri faze, vede na to, ze jsou ohromne proudove spicky na N vodici, ktery na to standardne neni dimenzovany. Nestaci stejny prumer jako na fazovych vodicich, ale je tam vicemene potreba N, ktery ma trojnasobnou dimenzi.
8.56 kWp - orientace JJV (160st.) sklon 23 st. - PERC, 72-half cut, bifacial
11 kW invertory - 2x Sorotec REVO II 5.5kW (aka Easun iGrid VE II 5.5kW) v paralelenim 1f zapojeni
33 kWh LiFePO4 baterie - cylindrical pack 100 AH a dve prismatic REPT 280 AH v 16-ti clankovem provedeni
plně elektrický dům, plná automatizace, 50+ ESP8266 + RPi, inteligentní vytěžovaní - samoučící prediktivní energetické rozvrhovaní
více v mém domovském vlákně zde
11 kW invertory - 2x Sorotec REVO II 5.5kW (aka Easun iGrid VE II 5.5kW) v paralelenim 1f zapojeni
33 kWh LiFePO4 baterie - cylindrical pack 100 AH a dve prismatic REPT 280 AH v 16-ti clankovem provedeni
plně elektrický dům, plná automatizace, 50+ ESP8266 + RPi, inteligentní vytěžovaní - samoučící prediktivní energetické rozvrhovaní
více v mém domovském vlákně zde
- glottis
- Příspěvky: 3796
- Registrován: stř úno 02, 2022 10:30 am
- Reputace:497
- Lokalita: okolí Mělníka
- Systémové napětí: 48V
- Výkon panelů [Wp]: 13000
- Kapacita baterie [kWh]: 30
Re: 1F boiler na 3F
sisdale píše:Pokud je teleso bojleru zapojeno jen na jednu fazi 230V , tak proudovy odber na teto jedne fazi je pekna sinusovka. Problem u toho spojeni 3 usmernenych 230V fazi bude v tom, ze 3f system ma fazovy posun 120 stupnu a fakticky proud bude vzdy dodavat jen ta faze, ktera je aktualne nejvys/nejniz. Kdyz se pak podivas osciloskopem na proudove zateze v jednotlivych fazich, uvidis tam kratsi pulsy nahoru a dolu a pak kusy, kde netece nic. Z pohledu frekvencni analyzy proudoveho prubehu tam bude rada vyssich harmonickych. Generatoru dodavajicimu 3f se takovy zpusob zatizeni nebude libit.swen77 píše:No, kdyby to bylo funkční tak bych to narouboval i na 2f pec na chleba kde bych ten proud taky rozložil do všech 3fází
Navic by bylo dobre pak proverit jak bude vypaat proudove zatizeni na N vodici. Casto to v serverovnach, ktere maji hoidne spinanych zdroju rozhazenych na tri faze, vede na to, ze jsou ohromne proudove spicky na N vodici, ktery na to standardne neni dimenzovany. Nestaci stejny prumer jako na fazovych vodicich, ale je tam vicemene potreba N, ktery ma trojnasobnou dimenzi.
Tady by k pretezovani nulaku dojit nemuselo kdy zto potahne vzdy jedna faze, co ma vyssi napeti. Problem serveroven jsou pak kondenzatory za usmernovacem, kde jsou opravdu ostre kratke spicky proudu, jak se kondenzatory nabiji jen v kratkem casovem useku. Kdyz tady kondenzatory nebudou, nemuselo by to byt tak hrozne.
Si to hod do simulatoru. Treba lt spice je zadarmo
https://www.analog.com/en/design-center ... lator.html
Kdo je online
Uživatelé procházející toto fórum: Claudebot [Bot], Seznam [Bot]
