měnič pro bojler a přepínání na síť
-
- Příspěvky: 131
- Registrován: úte říj 19, 2021 10:21 pm
- Reputace: 4
měnič pro bojler a přepínání na síť
Čím přepínáte bojler mezi měničem -pokud svítí a hdo (sítí) pokud nesvítí? Díky
-
- Příspěvky: 1035
- Registrován: pon bře 21, 2011 6:29 pm
- Reputace: 68
- Bydliště: 345m n.m. v Chřibech
Re: měnič pro bojler a přepínání na síť
Vytáhnu z jedné zásuvky, dám do druhé zásuvky. Spolehlivé, bezpečné, blbuvzdorné. Ale když zapomeneš, koupeš se ve studené... 

Pokud mě uvidíte tančit a nehraje hudba, vypněte, prosím, hlavní jistič...
-
- Příspěvky: 160
- Registrován: sob bře 18, 2023 12:50 pm
- Reputace: 17
- Lokalita: Jihlava
- Systémové napětí: 48V
- Výkon panelů [Wp]: 9840
- Kapacita baterie [kWh]: 13,6
Re: měnič pro bojler a přepínání na síť
Použij regulátor BEL v eshopu na těchto stránkách. mají i vyřešený modul pro přepínání. 

9,8kWp, 2x MPPT 150/100, MPPT 150/70, 3x MultiPlus-II 5kVA, Cerbo GX, 13,6kWh LiFePO4
+ Fronius Symo Hybrid 5.0-3-S, Battery Box 12kWh Li-ion, AC-coupling
ESS v síti E.On
+ Fronius Symo Hybrid 5.0-3-S, Battery Box 12kWh Li-ion, AC-coupling
ESS v síti E.On
-
- Příspěvky: 131
- Registrován: úte říj 19, 2021 10:21 pm
- Reputace: 4
Re: měnič pro bojler a přepínání na síť
bel je objednaný ale dodání za 4 měsíce nevydržel jsem a vzal zelený z polska a teď s e v tom babrám jestl relátko s přepínacím kontaktem a hodinky které zapnou večer a vypnou ráno..nebo přepínač od belu -ten má zpožďovač 5sekundový to se nepotká
-
- Moderátor
- Příspěvky: 6229
- Registrován: pon srp 16, 2021 9:31 pm
- Reputace: 843
- Lokalita: blízko Brna
- Systémové napětí: 24V
- Výkon panelů [Wp]: 13+ kWp
- Kapacita baterie [kWh]: 40+15
- Chci prodávat energii: NE
- Chci/Mám dotaci: NE
- Bydliště: blízko Brna
Re: měnič pro bojler a přepínání na síť
Zapnout večer je blbost, proč bys to nahříval přes noc, když bude druhý den ze slunka?
Časovač tak mezi hodně pozdní odpoledne a večer a musí to stačit.
Přepínací rozhodně ne.
Navíc, jak píše kolega, stačí ruční přepínač, klidně vačkový 1-0-2 za pár stovek, a pořešené. V předvečer mrkneš, jaká je teplota na bojleru, no a když tak přepneš. Do jednoho vstupu měnič, do druhého síť, ale přes hodiny, aby ti to nejelo v noci, když zapomeneš přepnout zpátky.
Časovač tak mezi hodně pozdní odpoledne a večer a musí to stačit.
Přepínací rozhodně ne.
Navíc, jak píše kolega, stačí ruční přepínač, klidně vačkový 1-0-2 za pár stovek, a pořešené. V předvečer mrkneš, jaká je teplota na bojleru, no a když tak přepneš. Do jednoho vstupu měnič, do druhého síť, ale přes hodiny, aby ti to nejelo v noci, když zapomeneš přepnout zpátky.
13,38 kWp: 9850 Wp Jih, 2040 Wp Východ, 1490 Wp Západ
Regulátory Epever a Victron
Phoenix 5 kVA + MP 24/5000 (můj byt + wifi/kamery/atd. + máti byt)
MP2 24/5000 vytěžování do akumulačních kamen
Epever 3kW vytěžování do bojlerů + žebříky
1 kW "nabíječka" 24 V
40 680 Wh staré olovo 15 258 Wh Li-Ion
záloha čerpadla ve sklepě MP12/3000/120-16 + 100Ah 12V monbat
Modře píši jako moderátor, černě jako člen.
Regulátory Epever a Victron
Phoenix 5 kVA + MP 24/5000 (můj byt + wifi/kamery/atd. + máti byt)
MP2 24/5000 vytěžování do akumulačních kamen
Epever 3kW vytěžování do bojlerů + žebříky
1 kW "nabíječka" 24 V
40 680 Wh staré olovo 15 258 Wh Li-Ion
záloha čerpadla ve sklepě MP12/3000/120-16 + 100Ah 12V monbat
Modře píši jako moderátor, černě jako člen.
-
- Příspěvky: 131
- Registrován: úte říj 19, 2021 10:21 pm
- Reputace: 4
Re: měnič pro bojler a přepínání na síť
Bohužel ruční ovládání doma neprojde, když nebudu doma nebo přijedem večer tak chceme teplou vodu
Takže přepínač od belu se zpožděním je jistota

Takže přepínač od belu se zpožděním je jistota
-
- Příspěvky: 265
- Registrován: pát kvě 27, 2022 8:40 pm
- Reputace: 37
- Bydliště: naplavenina u OL.
Re: měnič pro bojler a přepínání na síť
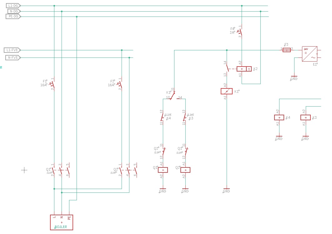
Takto mám zapojené přepínání bojleru FVE-DS
Stykače Q1, Q2 jsou mechanicky blokované proti sepnutí obou dvou současně. Zároveň jsou cívky blokované přes pomocné rozpínací kontakty druhého stakače.
Relé K1 přepíná stykače Q1-nahřátí z DS,Q2-nahřátí z FVE.
Spínací hodiny K2 jsou nastaveny na ohřátí bojleru z DS mezi 17 -21 hodinou.
Relé K3 blokuje ohřátí bojleru z DS za podmínky - jetliže je teplota v16:45 větší než 60°C je nahřátí blokováno do 21:15
Relé K4 blokuje vytěžování přebytků do bojleru po dosažení teploty bojleru 65°C v době 10-17hod a přepne vytěžování na akumulační nádrž.
Bojler je bez úprav, provozní tesmostat je nastaven na necelých 70°C. Pouze jsem doplnil čidla teploty.
Celé ovládání je napájeno zdrojem 24V se zálohou z UPS
Zapojení by bylo možné zjednodušit ale pracuji s tím co dům dal a co seženu.
Stykače Q1, Q2 jsou mechanicky blokované proti sepnutí obou dvou současně. Zároveň jsou cívky blokované přes pomocné rozpínací kontakty druhého stakače.
Relé K1 přepíná stykače Q1-nahřátí z DS,Q2-nahřátí z FVE.
Spínací hodiny K2 jsou nastaveny na ohřátí bojleru z DS mezi 17 -21 hodinou.
Relé K3 blokuje ohřátí bojleru z DS za podmínky - jetliže je teplota v16:45 větší než 60°C je nahřátí blokováno do 21:15
Relé K4 blokuje vytěžování přebytků do bojleru po dosažení teploty bojleru 65°C v době 10-17hod a přepne vytěžování na akumulační nádrž.
Bojler je bez úprav, provozní tesmostat je nastaven na necelých 70°C. Pouze jsem doplnil čidla teploty.
Celé ovládání je napájeno zdrojem 24V se zálohou z UPS
Zapojení by bylo možné zjednodušit ale pracuji s tím co dům dal a co seženu.

++
-
- Příspěvky: 12
- Registrován: pon kvě 30, 2022 10:37 pm
- Reputace: 0
Re: měnič pro bojler a přepínání na síť
Skvělé Neo! Prosím Tě, a jaká logika hlídá ty teploty a časy?
-
- Příspěvky: 265
- Registrován: pát kvě 27, 2022 8:40 pm
- Reputace: 37
- Bydliště: naplavenina u OL.
Re: měnič pro bojler a přepínání na síť
Základní čas 17 - 21 spínají obyčejné spínací hodiny na DIN lištu. Ostatní časy a teploty je řízeno domácí automatizací Fibaro.dejv111 píše:Skvělé Neo! Prosím Tě, a jaká logika hlídá ty teploty a časy?
++
Kdo je online
Uživatelé prohlížející si toto fórum: Claudebot [Bot], gupa a 0 hostů