Přepínání sítí
-
- Příspěvky: 2332
- Registrován: stř zář 21, 2022 10:03 am
- Reputace: 71
- Lokalita: okolí Teplic
- Systémové napětí: 48V
- Výkon panelů [Wp]: 8340
- Kapacita baterie [kWh]: 14,4
- Chci prodávat energii: NE
- Chci/Mám dotaci: NE
Re: Přepínání sítí
Ja konecne dodelal baterku tak uz konecne vyzkousim prepinac siti 1f FVE a 3f DS u rodicu 4 kontakt vyuzivam pro prepinani bojleru FVE/DS protoze ten ma extra privod mimo rozvadec v patre. Stykace jsou mechanicky i elektronicky blokovane 40A a maji zapadky aby nemuseli byt stale pod napetim ale nevejdou se do klasickeho rozvadece. Jsem zvedavej jak to bude fungovat zkousel jen to jen na stole a ostry provoz snad pristi tyden:-)
1: JZ 5460 Wp Ja Solar, JV 960 Wp Leapton, SV 1920 Wp Leapton, MPPT 250/100, MPPT 150/35, MPPT 150/45, 2x parallel Multiplus 2 5000VA, Cerbo GX + touch LCD, 16 x EVE 280Ah LiFePO4 + JK BMS 200A + SmartShunt 500A
2: JZ 3600 Wp Canadian Solar, V 1800 Wp Canadian Solar, MPPT 150/70, MPPT 150/35, Multiplus 2 5000VA, Cerbo GX + touch LCD, 16 x EVE 280Ah LiFePO4 + JK BMS 200A + BMV700
2: JZ 3600 Wp Canadian Solar, V 1800 Wp Canadian Solar, MPPT 150/70, MPPT 150/35, Multiplus 2 5000VA, Cerbo GX + touch LCD, 16 x EVE 280Ah LiFePO4 + JK BMS 200A + BMV700
-
- Příspěvky: 979
- Registrován: pon lis 08, 2021 9:10 pm
- Reputace: 97
- Lokalita: Posázaví
- Systémové napětí: 48V
- Chci prodávat energii: NE
- Chci/Mám dotaci: NE
- Bydliště: Posázaví
Re: Přepínání sítí
Co používáš za krabici? Mám také reverzační stykače s blokováním, ale hloubka je 15cm, tak hledám, do čeho je zavřít.
-
- Příspěvky: 265
- Registrován: pát kvě 27, 2022 8:40 pm
- Reputace: 37
- Bydliště: naplavenina u OL.
Re: Přepínání sítí
třeba toto https://www.emas.cz/schneider-nsys3d542 ... p-ral-7035soami píše:Co používáš za krabici? Mám také reverzační stykače s blokováním, ale hloubka je 15cm, tak hledám, do čeho je zavřít.
cena ale není lidová
++
-
- Příspěvky: 979
- Registrován: pon lis 08, 2021 9:10 pm
- Reputace: 97
- Lokalita: Posázaví
- Systémové napětí: 48V
- Chci prodávat energii: NE
- Chci/Mám dotaci: NE
- Bydliště: Posázaví
Re: Přepínání sítí
Díval jsem se na SEZ - plastové i kovové vyjdou za menší peníz a vypadají dobře zpracované.
-
- Příspěvky: 2332
- Registrován: stř zář 21, 2022 10:03 am
- Reputace: 71
- Lokalita: okolí Teplic
- Systémové napětí: 48V
- Výkon panelů [Wp]: 8340
- Kapacita baterie [kWh]: 14,4
- Chci prodávat energii: NE
- Chci/Mám dotaci: NE
Re: Přepínání sítí
Bral jsem tohle ale ted koukam ze v elfetexu chteji vic jak 4000:-D to bych nedal:-) Prvni DIN listu jsem zkratil a stykace prisrouboval primo na dno rozvadece.
1: JZ 5460 Wp Ja Solar, JV 960 Wp Leapton, SV 1920 Wp Leapton, MPPT 250/100, MPPT 150/35, MPPT 150/45, 2x parallel Multiplus 2 5000VA, Cerbo GX + touch LCD, 16 x EVE 280Ah LiFePO4 + JK BMS 200A + SmartShunt 500A
2: JZ 3600 Wp Canadian Solar, V 1800 Wp Canadian Solar, MPPT 150/70, MPPT 150/35, Multiplus 2 5000VA, Cerbo GX + touch LCD, 16 x EVE 280Ah LiFePO4 + JK BMS 200A + BMV700
2: JZ 3600 Wp Canadian Solar, V 1800 Wp Canadian Solar, MPPT 150/70, MPPT 150/35, Multiplus 2 5000VA, Cerbo GX + touch LCD, 16 x EVE 280Ah LiFePO4 + JK BMS 200A + BMV700
-
- Příspěvky: 979
- Registrován: pon lis 08, 2021 9:10 pm
- Reputace: 97
- Lokalita: Posázaví
- Systémové napětí: 48V
- Chci prodávat energii: NE
- Chci/Mám dotaci: NE
- Bydliště: Posázaví
Re: Přepínání sítí
Díky. Tak na schmachtl vidím cenu 3.150,- za ten tvůj rozvaděč. Takže buď máš speciální ceny, nebo kluci pěkně podražili.
-
- Příspěvky: 2332
- Registrován: stř zář 21, 2022 10:03 am
- Reputace: 71
- Lokalita: okolí Teplic
- Systémové napětí: 48V
- Výkon panelů [Wp]: 8340
- Kapacita baterie [kWh]: 14,4
- Chci prodávat energii: NE
- Chci/Mám dotaci: NE
Re: Přepínání sítí
Nemam zadnou specialni cenu bral jsem ji cca 3 mesice zpet a takovy rozdil v cene:-(
Naposledy upravil(a) ElektroEzs dne čtv črc 06, 2023 11:03 am, celkem upraveno 1 x.
1: JZ 5460 Wp Ja Solar, JV 960 Wp Leapton, SV 1920 Wp Leapton, MPPT 250/100, MPPT 150/35, MPPT 150/45, 2x parallel Multiplus 2 5000VA, Cerbo GX + touch LCD, 16 x EVE 280Ah LiFePO4 + JK BMS 200A + SmartShunt 500A
2: JZ 3600 Wp Canadian Solar, V 1800 Wp Canadian Solar, MPPT 150/70, MPPT 150/35, Multiplus 2 5000VA, Cerbo GX + touch LCD, 16 x EVE 280Ah LiFePO4 + JK BMS 200A + BMV700
2: JZ 3600 Wp Canadian Solar, V 1800 Wp Canadian Solar, MPPT 150/70, MPPT 150/35, Multiplus 2 5000VA, Cerbo GX + touch LCD, 16 x EVE 280Ah LiFePO4 + JK BMS 200A + BMV700
-
- Moderátor
- Příspěvky: 6277
- Registrován: pon srp 16, 2021 9:31 pm
- Reputace: 852
- Lokalita: blízko Brna
- Systémové napětí: 24V
- Výkon panelů [Wp]: 13+ kWp
- Kapacita baterie [kWh]: 40+15
- Chci prodávat energii: NE
- Chci/Mám dotaci: NE
- Bydliště: blízko Brna
Re: Přepínání sítí
OT: tem smajlik mel byt opacny, to je neskutecne, ten rozdil ... Clovek pochopi i treba 20-30, mozna i 50% nahoru, ale tohle?
13,38 kWp: 9850 Wp Jih, 2040 Wp Východ, 1490 Wp Západ
Regulátory Epever a Victron
Phoenix 5 kVA + MP 24/5000 (můj byt + wifi/kamery/atd. + máti byt)
MP2 24/5000 vytěžování do akumulačních kamen
Epever 3kW vytěžování do bojlerů + žebříky
1 kW "nabíječka" 24 V
40 680 Wh staré olovo 15 258 Wh Li-Ion
záloha čerpadla ve sklepě MP12/3000/120-16 + 100Ah 12V monbat
Modře píši jako moderátor, černě jako člen.
Regulátory Epever a Victron
Phoenix 5 kVA + MP 24/5000 (můj byt + wifi/kamery/atd. + máti byt)
MP2 24/5000 vytěžování do akumulačních kamen
Epever 3kW vytěžování do bojlerů + žebříky
1 kW "nabíječka" 24 V
40 680 Wh staré olovo 15 258 Wh Li-Ion
záloha čerpadla ve sklepě MP12/3000/120-16 + 100Ah 12V monbat
Modře píši jako moderátor, černě jako člen.
- Brbla
- Příspěvky: 261
- Registrován: čtv srp 08, 2019 3:44 pm
- Reputace: 72
Re: Přepínání sítí
Todle zapojení mám asi tak 1 a 1/2 roku. K dnešnímu dni celkem 731 přepnutí. Cca před 2-3 týdny jsem se rozhodl předělat rozvaděč a při té příležitosti jsem přepínač sítí rozebral a "okoukl" kontakty - žádné viditelné poškození jsem nenašel.ACDC píše:Pěkné. Ale ty poddimenzované kontakty mi tak nějak vadí. Proud mi taky běžně nestoupne nad těch 12-14A. Jak dlouho to šlape? ....
Pokud přepínám pomocí "home assistant", nejdřív se nechá snížit do nuly vytěžování, spotřeba je do 200-300W na fázi, a pak se teprv přepne.
Za celou dobu mi došlo jen párkrát (maximáně 10x) k neočekávanému přepnutí, ale nikdy při maximálním zatížení (maximálně mívám do 3 kW/fázi).
Jmenovitý proud použitého stykače je 12A/fázi při zatížení všech tří fází a 20A při zatížení jedné fáze. Spínací schopnost kontaktu přo 240V je 144A a mechanická životnost by měla být 10mil. cyklů.
Nepřijde mi, že by todle řešení bylo tak poddimenzované, abych se musel něčeho bát. A velikostně se to vejde do běžného rozvaděče, protože to má normální modulovou velikost.
Jo, a není to při přepnutí ani moc hlučné a většina spotřebičů přepnutí ani nezaregistruje.
Zde katalogový list
- Přílohy
-
Katalogový list Ex9CSR.pdf
- (1.48 MiB) Staženo 288 x
-
- Moderátor
- Příspěvky: 6277
- Registrován: pon srp 16, 2021 9:31 pm
- Reputace: 852
- Lokalita: blízko Brna
- Systémové napětí: 24V
- Výkon panelů [Wp]: 13+ kWp
- Kapacita baterie [kWh]: 40+15
- Chci prodávat energii: NE
- Chci/Mám dotaci: NE
- Bydliště: blízko Brna
Re: Přepínání sítí
Oni delaji i 25A verzi, akorat tomu v oznaceni chybi pismenko a jeste jsem nezjistil, co to znaci.
13,38 kWp: 9850 Wp Jih, 2040 Wp Východ, 1490 Wp Západ
Regulátory Epever a Victron
Phoenix 5 kVA + MP 24/5000 (můj byt + wifi/kamery/atd. + máti byt)
MP2 24/5000 vytěžování do akumulačních kamen
Epever 3kW vytěžování do bojlerů + žebříky
1 kW "nabíječka" 24 V
40 680 Wh staré olovo 15 258 Wh Li-Ion
záloha čerpadla ve sklepě MP12/3000/120-16 + 100Ah 12V monbat
Modře píši jako moderátor, černě jako člen.
Regulátory Epever a Victron
Phoenix 5 kVA + MP 24/5000 (můj byt + wifi/kamery/atd. + máti byt)
MP2 24/5000 vytěžování do akumulačních kamen
Epever 3kW vytěžování do bojlerů + žebříky
1 kW "nabíječka" 24 V
40 680 Wh staré olovo 15 258 Wh Li-Ion
záloha čerpadla ve sklepě MP12/3000/120-16 + 100Ah 12V monbat
Modře píši jako moderátor, černě jako člen.
-
- Příspěvky: 2332
- Registrován: stř zář 21, 2022 10:03 am
- Reputace: 71
- Lokalita: okolí Teplic
- Systémové napětí: 48V
- Výkon panelů [Wp]: 8340
- Kapacita baterie [kWh]: 14,4
- Chci prodávat energii: NE
- Chci/Mám dotaci: NE
Re: Přepínání sítí
Ja budu prepinat i v pripade pretizeni menice vic jak 5kW tak proto 40A stykace od Schneideru:)
1: JZ 5460 Wp Ja Solar, JV 960 Wp Leapton, SV 1920 Wp Leapton, MPPT 250/100, MPPT 150/35, MPPT 150/45, 2x parallel Multiplus 2 5000VA, Cerbo GX + touch LCD, 16 x EVE 280Ah LiFePO4 + JK BMS 200A + SmartShunt 500A
2: JZ 3600 Wp Canadian Solar, V 1800 Wp Canadian Solar, MPPT 150/70, MPPT 150/35, Multiplus 2 5000VA, Cerbo GX + touch LCD, 16 x EVE 280Ah LiFePO4 + JK BMS 200A + BMV700
2: JZ 3600 Wp Canadian Solar, V 1800 Wp Canadian Solar, MPPT 150/70, MPPT 150/35, Multiplus 2 5000VA, Cerbo GX + touch LCD, 16 x EVE 280Ah LiFePO4 + JK BMS 200A + BMV700
-
- Příspěvky: 581
- Registrován: pon kvě 09, 2022 8:31 am
- Reputace: 9
- Lokalita: Litomyšlsko
- Systémové napětí: 48V
- Výkon panelů [Wp]: 5,600
- Kapacita baterie [kWh]: 14,4
- Chci prodávat energii: NE
- Chci/Mám dotaci: NE
Re: Přepínání sítí
Že bych finder vrátil? Uvidím, jak bude vypadat. Případně to udělám s těmi malými 12A. Snad se sponzor nep.....
5,6kW , RESACS, EPEVER, Pb-C 14,4kW
Teorie=vše víme ale nic nefunguje
Praxe=vše funguje a nevíme proč
Teorie spojena s praxí=nic nefunguje a nikdo neví proč
Teorie=vše víme ale nic nefunguje
Praxe=vše funguje a nevíme proč
Teorie spojena s praxí=nic nefunguje a nikdo neví proč
-
- Příspěvky: 4412
- Registrován: pon úno 07, 2022 10:11 pm
- Reputace: 289
- Lokalita: Zlaté Hory / Olomouc
- Systémové napětí: 24V
- Výkon panelů [Wp]: 3600
- Kapacita baterie [kWh]: 16
- Chci prodávat energii: NE
- Chci/Mám dotaci: NE
- Bydliště: Zlaté Hory
Re: Přepínání sítí
Osobně bych tam nedával stykač na menší proud jako je jistič před stykačem!
3,6kWp
| 2x MUST PV18-3024 VHM, 3kW/24V | 16kWh 


-
- Příspěvky: 581
- Registrován: pon kvě 09, 2022 8:31 am
- Reputace: 9
- Lokalita: Litomyšlsko
- Systémové napětí: 48V
- Výkon panelů [Wp]: 5,600
- Kapacita baterie [kWh]: 14,4
- Chci prodávat energii: NE
- Chci/Mám dotaci: NE
Re: Přepínání sítí
To je sice základní el. zákon, ale ne dogma 

5,6kW , RESACS, EPEVER, Pb-C 14,4kW
Teorie=vše víme ale nic nefunguje
Praxe=vše funguje a nevíme proč
Teorie spojena s praxí=nic nefunguje a nikdo neví proč
Teorie=vše víme ale nic nefunguje
Praxe=vše funguje a nevíme proč
Teorie spojena s praxí=nic nefunguje a nikdo neví proč
-
- Příspěvky: 2332
- Registrován: stř zář 21, 2022 10:03 am
- Reputace: 71
- Lokalita: okolí Teplic
- Systémové napětí: 48V
- Výkon panelů [Wp]: 8340
- Kapacita baterie [kWh]: 14,4
- Chci prodávat energii: NE
- Chci/Mám dotaci: NE
Re: Přepínání sítí
Presne jak pises urcite bych nedaval slabsi stykac jak hlavni jistic.
1: JZ 5460 Wp Ja Solar, JV 960 Wp Leapton, SV 1920 Wp Leapton, MPPT 250/100, MPPT 150/35, MPPT 150/45, 2x parallel Multiplus 2 5000VA, Cerbo GX + touch LCD, 16 x EVE 280Ah LiFePO4 + JK BMS 200A + SmartShunt 500A
2: JZ 3600 Wp Canadian Solar, V 1800 Wp Canadian Solar, MPPT 150/70, MPPT 150/35, Multiplus 2 5000VA, Cerbo GX + touch LCD, 16 x EVE 280Ah LiFePO4 + JK BMS 200A + BMV700
2: JZ 3600 Wp Canadian Solar, V 1800 Wp Canadian Solar, MPPT 150/70, MPPT 150/35, Multiplus 2 5000VA, Cerbo GX + touch LCD, 16 x EVE 280Ah LiFePO4 + JK BMS 200A + BMV700
-
- Příspěvky: 4412
- Registrován: pon úno 07, 2022 10:11 pm
- Reputace: 289
- Lokalita: Zlaté Hory / Olomouc
- Systémové napětí: 24V
- Výkon panelů [Wp]: 3600
- Kapacita baterie [kWh]: 16
- Chci prodávat energii: NE
- Chci/Mám dotaci: NE
- Bydliště: Zlaté Hory
Re: Přepínání sítí
A pak tam musíte dávat blokování protože se kontakty svaří.......ACDC píše:To je sice základní el. zákon, ale ne dogma
Ale je to každého věc.......
3,6kWp
| 2x MUST PV18-3024 VHM, 3kW/24V | 16kWh 


-
- Příspěvky: 581
- Registrován: pon kvě 09, 2022 8:31 am
- Reputace: 9
- Lokalita: Litomyšlsko
- Systémové napětí: 48V
- Výkon panelů [Wp]: 5,600
- Kapacita baterie [kWh]: 14,4
- Chci prodávat energii: NE
- Chci/Mám dotaci: NE
Re: Přepínání sítí
Leda při zkratu, ale ne při pouhém přenosu výkonu. A zrovna u těchto výrobců bych se nebál. Za svou praxi jsem viděl fungovat bezchybně opravdové hrůzy, tohle je brnkačka. Navíc dnešní jističe jsou fakt hodně rychlé. Až moc.
5,6kW , RESACS, EPEVER, Pb-C 14,4kW
Teorie=vše víme ale nic nefunguje
Praxe=vše funguje a nevíme proč
Teorie spojena s praxí=nic nefunguje a nikdo neví proč
Teorie=vše víme ale nic nefunguje
Praxe=vše funguje a nevíme proč
Teorie spojena s praxí=nic nefunguje a nikdo neví proč
-
- Příspěvky: 69
- Registrován: úte kvě 10, 2022 11:32 pm
- Reputace: 7
- Lokalita: Ostrava
- Systémové napětí: 48V
- Chci prodávat energii: NE
- Chci/Mám dotaci: NE
Re: Přepínání sítí
Hledej Famatel je to kvalitní provedení, lze osadit na zeď bez vrtání do krabice, okapy zešikmeny a po včerejší průtrži která zničila všechnu úrodu na zahradě a potloukla mi auto musím říci že do ní opravdu nezatékásoami píše:Díky. Tak na schmachtl vidím cenu 3.150,- za ten tvůj rozvaděč. Takže buď máš speciální ceny, nebo kluci pěkně podražili.

cena těsně přes tisícovku i dnes
https://www.elektrotechmat.cz/cp-ip-65/ ... 07645.html
-
- Příspěvky: 61
- Registrován: pon lis 09, 2020 9:35 pm
- Reputace: 1
Re: Přepínání sítí
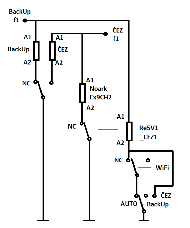
Moc pekne řešení! Mohl by jsi, prosim, poskytnout schema, jak to mas zapojene? Primární vstup je předpokládám ten Backup z GW a v případě nedostupnosti prepina ma CEZ? Chápu to správně?Brbla píše:Mějme jednoduché zadání:
přepínání dvou 3F sítí, jističe 3x20A, špičkový proud na fázi (BackUp a ČEZ) do 20A, běžně do 12A (2,9kW) (jednofázově se propojí funkční kontakty a je to zhruba 3x tolik)
přepínání bude "ručně" a automaticky (například z HomeAssistant) - režimy "Backup", "ČEZ", "automatika"
podmínky - pokud síť, na které je přepnuto vypadne, automaticky se přepne na druhou síť a po náběhu vypadlé sítě se to vrátí na přednastavenou, v případě výpadku obou přepínač čeká v poloze NIC a po zapnutí kterékoliv se na tuto přepne
stykače budou blokované (přepínání) mechanicky a elektricky
budeme potřebovat 2x 3F jistič 20A (Ex9BH B20), 2x 1F jistič 2A (Ex9BH B2), 1x Miniaturní reverzační stykač (Ex9CSR12) s mechanickým blokováním, 1x přepínací relé (Ex9CH2011), přepínač Ex9BT3, přepínací WiFi rele (cokoliv, co umíme ovládat svojí automatizací).
(Část přepínání zabere 7 pozic na DIN liště).
Moje řešení má mírně poddimenzované stykače (aby se to pěkně vešlo do rozvaděče přičemž moje běžné zatížení fází je do 10A). Celé to může vypadat například takto (samozřejmě bez zakrytování, aby to bylo lépe vidět)
Diky
- Brbla
- Příspěvky: 261
- Registrován: čtv srp 08, 2019 3:44 pm
- Reputace: 72
Re: Přepínání sítí
Ono je jedno, na kterém vstupu je to přepnuté. Vždy při jeho výpadku dojde k přepnutí na ten druhý (pokud funguje), to platí při ručním i automatickém řízení. Proto je tam i to relé.PavlikT píše:....
Moc pekne řešení! Mohl by jsi, prosim, poskytnout schema, jak to mas zapojene? Primární vstup je předpokládám ten Backup z GW a v případě nedostupnosti prepina ma CEZ? Chápu to správně?
Diky
Pravdivostní tabulku jsem si při návrhu udělal a schema "napatlal". Schema je poplatné osmdesátý letům a nejsou tam zakreslené NC kontakty stykačů (elektrická ochrana), ale to by neměl být pro nikoho problém zapojit.
(Už se mi nechtělo zprovozňovat "Ferdu mravence" a tak je to jen halabala v paintu).
V případě realizace doporučuji si to odladit "na stole" .
Backup A1-A2, ČEZ A1-A2 ... cívky stykače (jejich napájení vede do kříže přes NC kontakty druhého stykače)
Noark Ex9CH2 ... cívka rele NC
Re5V1_CEZ ... pomocí HomeAssistant ovládané relé
Auto-BackUp-ČEZ ... Přepínač Ex9BT3
- Přílohy
-
PravdivostniTabulka.xlsx
- (9.84 KiB) Staženo 184 x
Kdo je online
Uživatelé prohlížející si toto fórum: Claudebot [Bot] a 0 hostů