Obvod pro přepínání UPS na ČEZ
-
- Moderátor
- Příspěvky: 6291
- Registrován: pon srp 16, 2021 9:31 pm
- Reputace: 853
- Lokalita: blízko Brna
- Systémové napětí: 24V
- Výkon panelů [Wp]: 13+ kWp
- Kapacita baterie [kWh]: 40+15
- Chci prodávat energii: NE
- Chci/Mám dotaci: NE
- Bydliště: blízko Brna
Re: Obvod pro přepínání UPS na ČEZ
No a když přihodíš schémátko, označení typů. nastavení, atd., případně fotečku, tak to bude skvělá inspiračka 

13,38 kWp: 9850 Wp Jih, 2040 Wp Východ, 1490 Wp Západ
Regulátory Epever a Victron
Phoenix 5 kVA + MP 24/5000 (můj byt + wifi/kamery/atd. + máti byt)
MP2 24/5000 vytěžování do akumulačních kamen
Epever 3kW vytěžování do bojlerů + žebříky
1 kW "nabíječka" 24 V
40 680 Wh staré olovo 15 258 Wh Li-Ion
záloha čerpadla ve sklepě MP12/3000/120-16 + 100Ah 12V monbat
Modře píši jako moderátor, černě jako člen.
Regulátory Epever a Victron
Phoenix 5 kVA + MP 24/5000 (můj byt + wifi/kamery/atd. + máti byt)
MP2 24/5000 vytěžování do akumulačních kamen
Epever 3kW vytěžování do bojlerů + žebříky
1 kW "nabíječka" 24 V
40 680 Wh staré olovo 15 258 Wh Li-Ion
záloha čerpadla ve sklepě MP12/3000/120-16 + 100Ah 12V monbat
Modře píši jako moderátor, černě jako člen.
-
- Příspěvky: 110
- Registrován: čtv kvě 05, 2022 6:32 pm
- Reputace: 14
Re: Obvod pro přepínání UPS na ČEZ
Schéma nemám, drátováno online
a z materiálu "co dům dal". Nic složitého, 2x stykač dle požadovaného výkonu s mechanickým blokováním + elektrickým přes pomocné kontakty. Cívky stykačů ovládá PLC dle naprogramovaných požadavků.

- TomHC
- Příspěvky: 3156
- Registrován: pát lis 11, 2022 8:14 am
- Reputace: 615
- Lokalita: Hlohovec, SR
- Systémové napětí: 48V
- Výkon panelů [Wp]: 8820
- Kapacita baterie [kWh]: 30
- Chci prodávat energii: NE
- Chci/Mám dotaci: NE
- Bydliště: Hlohovec, SR
Re: Obvod pro přepínání UPS na ČEZ
Tak nie každý vie aké prevedenie stykačov použiť 11, 20 , ja osobne som zo silovej elektriky trochu mimo... Zopár členov to tu už trochu rozpísalo, napr. https://forum.mypower.cz/viewtopic.php? ... 20#p175251
2x MUST PH1800 5.5kW, 9kWp V+J+Z, 600 Ah LiFePO4 s BMS JBD 200A, SW: Home Assistant na Synology DS923+ ku tomu ESPHome, Tasmota, MariaDB, InfluxDB, Telegraf, Grafana, Zigbee2MQTT..., HW: ESPlan (ESP32 + LAN 8720 + RS485). Nejaké moje projekty: MUST-ESPhome, ELTEK Flatpack2 ESPhome, ESP32-EMON, PZEM-017@WiFi, diyBMS-CurrentShunt-ESPhome , BMS UART-TS485 adaptér
-
- Příspěvky: 110
- Registrován: čtv kvě 05, 2022 6:32 pm
- Reputace: 14
Re: Obvod pro přepínání UPS na ČEZ
Tady není možno napsat jedno univerzální řešení, každý má jiné požadavky.
Narychlo jen pro inspiraci
https://cz.rs-online.com/web/p/stykace/1884733
k tomu mechanické blokování (kompatibilitu nutno ověřit)
https://cz.rs-online.com/web/p/prisluse ... cu/7447005
ale vše je potřeba dimenzovat dle
http://www.eshop.elektrokomponenty.cz/n ... ich-prvku/
Narychlo jen pro inspiraci
https://cz.rs-online.com/web/p/stykace/1884733
k tomu mechanické blokování (kompatibilitu nutno ověřit)
https://cz.rs-online.com/web/p/prisluse ... cu/7447005
ale vše je potřeba dimenzovat dle
http://www.eshop.elektrokomponenty.cz/n ... ich-prvku/
-
- Moderátor
- Příspěvky: 6291
- Registrován: pon srp 16, 2021 9:31 pm
- Reputace: 853
- Lokalita: blízko Brna
- Systémové napětí: 24V
- Výkon panelů [Wp]: 13+ kWp
- Kapacita baterie [kWh]: 40+15
- Chci prodávat energii: NE
- Chci/Mám dotaci: NE
- Bydliště: blízko Brna
Re: Obvod pro přepínání UPS na ČEZ
Nebo třeba reverzační stykače, ty to mají všechno v sobě.
13,38 kWp: 9850 Wp Jih, 2040 Wp Východ, 1490 Wp Západ
Regulátory Epever a Victron
Phoenix 5 kVA + MP 24/5000 (můj byt + wifi/kamery/atd. + máti byt)
MP2 24/5000 vytěžování do akumulačních kamen
Epever 3kW vytěžování do bojlerů + žebříky
1 kW "nabíječka" 24 V
40 680 Wh staré olovo 15 258 Wh Li-Ion
záloha čerpadla ve sklepě MP12/3000/120-16 + 100Ah 12V monbat
Modře píši jako moderátor, černě jako člen.
Regulátory Epever a Victron
Phoenix 5 kVA + MP 24/5000 (můj byt + wifi/kamery/atd. + máti byt)
MP2 24/5000 vytěžování do akumulačních kamen
Epever 3kW vytěžování do bojlerů + žebříky
1 kW "nabíječka" 24 V
40 680 Wh staré olovo 15 258 Wh Li-Ion
záloha čerpadla ve sklepě MP12/3000/120-16 + 100Ah 12V monbat
Modře píši jako moderátor, černě jako člen.
-
- Příspěvky: 20
- Registrován: pon led 09, 2023 10:20 pm
- Reputace: 0
Re: Obvod pro přepínání UPS na ČEZ
Které jsou to tedy ty použitelné stykače, které mají již všechno v sobě?
Moc díky za odkaz.
Už bych rozvaděč jednou rád dodělal..jednou pro vždy.
Ještě jednou díky.
Moc díky za odkaz.
Už bych rozvaděč jednou rád dodělal..jednou pro vždy.
Ještě jednou díky.
-
- Příspěvky: 2360
- Registrován: stř zář 21, 2022 10:03 am
- Reputace: 71
- Lokalita: okolí Teplic
- Systémové napětí: 48V
- Výkon panelů [Wp]: 8340
- Kapacita baterie [kWh]: 14,4
- Chci prodávat energii: NE
- Chci/Mám dotaci: NE
Re: Obvod pro přepínání UPS na ČEZ
Ahoj já použil:
reverzační stykače s mechanickým blokováním Schneider LC1D40
2ks pomocný kontakt LAD8N11
2ks mechanická západka LA6DK10M
2ks časové relé RE17RMMU
1ks patice RXZE2M114M
1ks relé RXM4AB1P7
2ks jistič A9F07106
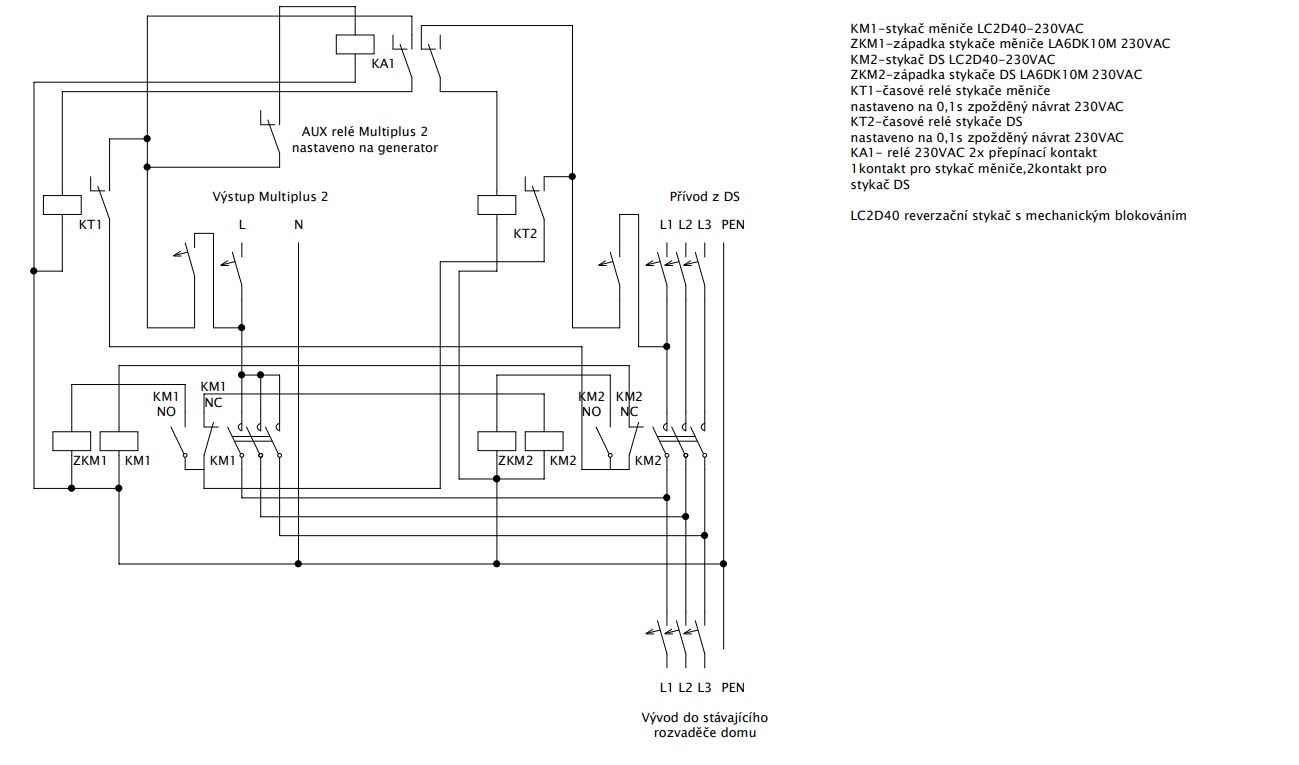
Je to přepínání impulzem kdy stykače nejsou stále pod napětím a nemají žádnou spotřebu díky mechanickým západkám. Přikládám schéma-pokud se kontakt relé na schématu označen Multiplus-generátor propojí funguje to že přepne pokud ztratí napětí z měniče. Jen se to nevleze do klasické rozvodnice pro jističe. Výhoda se západkami to funguje i jako manuální přepínač.
reverzační stykače s mechanickým blokováním Schneider LC1D40
2ks pomocný kontakt LAD8N11
2ks mechanická západka LA6DK10M
2ks časové relé RE17RMMU
1ks patice RXZE2M114M
1ks relé RXM4AB1P7
2ks jistič A9F07106
Je to přepínání impulzem kdy stykače nejsou stále pod napětím a nemají žádnou spotřebu díky mechanickým západkám. Přikládám schéma-pokud se kontakt relé na schématu označen Multiplus-generátor propojí funguje to že přepne pokud ztratí napětí z měniče. Jen se to nevleze do klasické rozvodnice pro jističe. Výhoda se západkami to funguje i jako manuální přepínač.
1: JZ 5460 Wp Ja Solar, JV 960 Wp Leapton, SV 1920 Wp Leapton, MPPT 250/100, MPPT 150/35, MPPT 150/45, 2x parallel Multiplus 2 5000VA, Cerbo GX + touch LCD, 16 x EVE 280Ah LiFePO4 + JK BMS 200A + SmartShunt 500A
2: JZ 3600 Wp Canadian Solar, V 1800 Wp Canadian Solar, MPPT 150/70, MPPT 150/35, Multiplus 2 5000VA, Cerbo GX + touch LCD, 16 x EVE 280Ah LiFePO4 + JK BMS 200A + BMV700
2: JZ 3600 Wp Canadian Solar, V 1800 Wp Canadian Solar, MPPT 150/70, MPPT 150/35, Multiplus 2 5000VA, Cerbo GX + touch LCD, 16 x EVE 280Ah LiFePO4 + JK BMS 200A + BMV700
-
- Příspěvky: 20
- Registrován: pon led 09, 2023 10:20 pm
- Reputace: 0
Re: Obvod pro přepínání UPS na ČEZ
Ahoj a díky.
Ukážu to elekrikáři, jestli by se s tím popral.
Nebo je tu někdo, kdo by mě za uplatu odzkoušenou variantu stykačomatu postavil?
když tak sz.
Díky moc.
Ukážu to elekrikáři, jestli by se s tím popral.
Nebo je tu někdo, kdo by mě za uplatu odzkoušenou variantu stykačomatu postavil?
když tak sz.
Díky moc.
-
- Příspěvky: 110
- Registrován: čtv kvě 05, 2022 6:32 pm
- Reputace: 14
Re: Obvod pro přepínání UPS na ČEZ
Tohle je taky super reseni, ale ja jsem radeji zvolil reseni s civkou stykace pod napetim a napajenim z DS. Neco malo si civka "veme", ale jakmile nekdo shodi hlavni jistic, odpoji to i FVE (vystup z menice z duvodu bezpecnosti - v rozvadeci je v pripade nutnosti prepinac, kde je mozno vse v nouzi napajet z FVE). Dale jsem jeste osadil https://www.tme.eu/cz/details/sft125/in ... tvi/hager/ , aby se v pripade poruchy nechalo vse vratit "do puvodniho stavu" nebo v zime kdy jsem FVE celou vypnul. Popr. pokud je misto, lze pouzit i https://www.kvelektro.cz/vackovy-spinac ... 1-p1691806
-
- Příspěvky: 2360
- Registrován: stř zář 21, 2022 10:03 am
- Reputace: 71
- Lokalita: okolí Teplic
- Systémové napětí: 48V
- Výkon panelů [Wp]: 8340
- Kapacita baterie [kWh]: 14,4
- Chci prodávat energii: NE
- Chci/Mám dotaci: NE
Re: Obvod pro přepínání UPS na ČEZ
Oni ty stykace jsou docela hlucne to byl taky jeden z duvodu proc je to resene pomoci zapadek jinak spotreba konkretne techto stykacu je 65kWh rocne pokud by byli seple porad navic to funguje jeste jako rucni prepinac. Bezpecne to je uplne stejne jako kdyz je stykac stale pod napetim bud je barak na DS nebo menici nikdy nemuze byt oboji zaroven. V pripade stisku nouzoveho tlacitka se shodi jistice stringu+se vypne menic a automaticky to prejede na DS kdyz se navic schodi jeste jistic DS tak je barak komplet bez proudu. Jeste vaham jestli neschazovat i jistic DS pomoci vyrazeci civky ale ten muzu schodit v rozvadeci v dome nebo i ve sloupku:)
1: JZ 5460 Wp Ja Solar, JV 960 Wp Leapton, SV 1920 Wp Leapton, MPPT 250/100, MPPT 150/35, MPPT 150/45, 2x parallel Multiplus 2 5000VA, Cerbo GX + touch LCD, 16 x EVE 280Ah LiFePO4 + JK BMS 200A + SmartShunt 500A
2: JZ 3600 Wp Canadian Solar, V 1800 Wp Canadian Solar, MPPT 150/70, MPPT 150/35, Multiplus 2 5000VA, Cerbo GX + touch LCD, 16 x EVE 280Ah LiFePO4 + JK BMS 200A + BMV700
2: JZ 3600 Wp Canadian Solar, V 1800 Wp Canadian Solar, MPPT 150/70, MPPT 150/35, Multiplus 2 5000VA, Cerbo GX + touch LCD, 16 x EVE 280Ah LiFePO4 + JK BMS 200A + BMV700
- Lubik
- Příspěvky: 592
- Registrován: pon úno 15, 2021 10:04 pm
- Reputace: 31
- Lokalita: Praha
- Chci prodávat energii: NE
- Chci/Mám dotaci: NE
- Bydliště: Praha
Re: Obvod pro přepínání UPS na ČEZ
Raději jsem ani nepočítal na kolik takové řešení přijde. Považuji to za zbytečnou investici pro normálního uživatele.
Snažil bych se navrhnout FV tak, aby přepínání sítě bylo pouze nouzové řešení, které se aktivuje pouze několikrát do roka. Přepínat síť každý večer když dojde baterka a nebo při každém zapnutí indukční desky neni dobré řešení. Pokud je malý výkon FV nebo kapacita baterek tak raději vypínat některé spotřebiče přes proudové relé nebo přepnout na DS. Potom je možné použít levnější komponenty na přepínání.
Snažil bych se navrhnout FV tak, aby přepínání sítě bylo pouze nouzové řešení, které se aktivuje pouze několikrát do roka. Přepínat síť každý večer když dojde baterka a nebo při každém zapnutí indukční desky neni dobré řešení. Pokud je malý výkon FV nebo kapacita baterek tak raději vypínat některé spotřebiče přes proudové relé nebo přepnout na DS. Potom je možné použít levnější komponenty na přepínání.
Panely 4x 280W , 4x330W Isolar 6kW,48V 230 Ah
-
- Příspěvky: 110
- Registrován: čtv kvě 05, 2022 6:32 pm
- Reputace: 14
Re: Obvod pro přepínání UPS na ČEZ
Z pohledu bezpecnosti bylo mysleno, kdyz bych nebyl doma a prisel na "servis" nekdo jiny (shodi hlavni jistic a je vse odpojeno). Ale jak vidim, ty to mas take promaknute.ElektroEzs píše:Oni ty stykace jsou docela hlucne to byl taky jeden z duvodu proc je to resene pomoci zapadek jinak spotreba konkretne techto stykacu je 65kWh rocne pokud by byli seple porad navic to funguje jeste jako rucni prepinac. Bezpecne to je uplne stejne jako kdyz je stykac stale pod napetim bud je barak na DS nebo menici nikdy nemuze byt oboji zaroven. V pripade stisku nouzoveho tlacitka se shodi jistice stringu+se vypne menic a automaticky to prejede na DS kdyz se navic schodi jeste jistic DS tak je barak komplet bez proudu. Jeste vaham jestli neschazovat i jistic DS pomoci vyrazeci civky ale ten muzu schodit v rozvadeci v dome nebo i ve sloupku:)

-
- Příspěvky: 2360
- Registrován: stř zář 21, 2022 10:03 am
- Reputace: 71
- Lokalita: okolí Teplic
- Systémové napětí: 48V
- Výkon panelů [Wp]: 8340
- Kapacita baterie [kWh]: 14,4
- Chci prodávat energii: NE
- Chci/Mám dotaci: NE
Re: Obvod pro přepínání UPS na ČEZ
Jasny chapu jak to mas:)Jen takhle to vypne celou FVE i pri vypadku site a ja to chtel i jako zalohu kdy vypadne sit. Jinak kdyz pojedu na FVE a prijdou delat neco treba na elektromeru tak si vypnou hlavni jistic a pak uz to nema jak stykacem prepnout na sit protoze ten pro DS je z ni i napajen. V pripade kdy jedu na DS a vypnou hlavni jistic max naskoci menic pokud neni vybita baterie a napaji barak ale vzhledem k mechanicke blokaci muze byt vzdy sepnuty pouze jeden stykac:)
tRp píše:Z pohledu bezpecnosti bylo mysleno, kdyz bych nebyl doma a prisel na "servis" nekdo jiny (shodi hlavni jistic a je vse odpojeno). Ale jak vidim, ty to mas take promaknute.ElektroEzs píše:Oni ty stykace jsou docela hlucne to byl taky jeden z duvodu proc je to resene pomoci zapadek jinak spotreba konkretne techto stykacu je 65kWh rocne pokud by byli seple porad navic to funguje jeste jako rucni prepinac. Bezpecne to je uplne stejne jako kdyz je stykac stale pod napetim bud je barak na DS nebo menici nikdy nemuze byt oboji zaroven. V pripade stisku nouzoveho tlacitka se shodi jistice stringu+se vypne menic a automaticky to prejede na DS kdyz se navic schodi jeste jistic DS tak je barak komplet bez proudu. Jeste vaham jestli neschazovat i jistic DS pomoci vyrazeci civky ale ten muzu schodit v rozvadeci v dome nebo i ve sloupku:)
1: JZ 5460 Wp Ja Solar, JV 960 Wp Leapton, SV 1920 Wp Leapton, MPPT 250/100, MPPT 150/35, MPPT 150/45, 2x parallel Multiplus 2 5000VA, Cerbo GX + touch LCD, 16 x EVE 280Ah LiFePO4 + JK BMS 200A + SmartShunt 500A
2: JZ 3600 Wp Canadian Solar, V 1800 Wp Canadian Solar, MPPT 150/70, MPPT 150/35, Multiplus 2 5000VA, Cerbo GX + touch LCD, 16 x EVE 280Ah LiFePO4 + JK BMS 200A + BMV700
2: JZ 3600 Wp Canadian Solar, V 1800 Wp Canadian Solar, MPPT 150/70, MPPT 150/35, Multiplus 2 5000VA, Cerbo GX + touch LCD, 16 x EVE 280Ah LiFePO4 + JK BMS 200A + BMV700
-
- Příspěvky: 2360
- Registrován: stř zář 21, 2022 10:03 am
- Reputace: 71
- Lokalita: okolí Teplic
- Systémové napětí: 48V
- Výkon panelů [Wp]: 8340
- Kapacita baterie [kWh]: 14,4
- Chci prodávat energii: NE
- Chci/Mám dotaci: NE
Re: Obvod pro přepínání UPS na ČEZ
Stykace 1000,-
Zapadky 1500,-
Rozvadec 1000,-
Zbytek jsem mel doma. Prepinat kdyz neni baterka nabita potrebuju mam baterku 14,4kWh to je na den a pul provozu baraku kdyz nesviti, prepinani kvuli pretizeni je minimum vzhledem k tomu ze multiplus zvlada slusne pretizeni. Kvuli slabemu privodu potrebuju prepinat na DS 3F kdyby tam byl poradny privod do rozvadece v patre pouzival bych prepinac ktery je v Multiplusu a jel porad na 1F jako to mam u sebe. Dalsi vec ze bojler ma extra privod primo od hodin takze 4 kontat stykacu prepina prave jeste bojler na menic a DS. Je to elektrarna u rodicu takze aby neco prepinali ruco neni to prave:)
Zapadky 1500,-
Rozvadec 1000,-
Zbytek jsem mel doma. Prepinat kdyz neni baterka nabita potrebuju mam baterku 14,4kWh to je na den a pul provozu baraku kdyz nesviti, prepinani kvuli pretizeni je minimum vzhledem k tomu ze multiplus zvlada slusne pretizeni. Kvuli slabemu privodu potrebuju prepinat na DS 3F kdyby tam byl poradny privod do rozvadece v patre pouzival bych prepinac ktery je v Multiplusu a jel porad na 1F jako to mam u sebe. Dalsi vec ze bojler ma extra privod primo od hodin takze 4 kontat stykacu prepina prave jeste bojler na menic a DS. Je to elektrarna u rodicu takze aby neco prepinali ruco neni to prave:)
Lubik píše:Raději jsem ani nepočítal na kolik takové řešení přijde. Považuji to za zbytečnou investici pro normálního uživatele.
Snažil bych se navrhnout FV tak, aby přepínání sítě bylo pouze nouzové řešení, které se aktivuje pouze několikrát do roka. Přepínat síť každý večer když dojde baterka a nebo při každém zapnutí indukční desky neni dobré řešení. Pokud je malý výkon FV nebo kapacita baterek tak raději vypínat některé spotřebiče přes proudové relé nebo přepnout na DS. Potom je možné použít levnější komponenty na přepínání.
1: JZ 5460 Wp Ja Solar, JV 960 Wp Leapton, SV 1920 Wp Leapton, MPPT 250/100, MPPT 150/35, MPPT 150/45, 2x parallel Multiplus 2 5000VA, Cerbo GX + touch LCD, 16 x EVE 280Ah LiFePO4 + JK BMS 200A + SmartShunt 500A
2: JZ 3600 Wp Canadian Solar, V 1800 Wp Canadian Solar, MPPT 150/70, MPPT 150/35, Multiplus 2 5000VA, Cerbo GX + touch LCD, 16 x EVE 280Ah LiFePO4 + JK BMS 200A + BMV700
2: JZ 3600 Wp Canadian Solar, V 1800 Wp Canadian Solar, MPPT 150/70, MPPT 150/35, Multiplus 2 5000VA, Cerbo GX + touch LCD, 16 x EVE 280Ah LiFePO4 + JK BMS 200A + BMV700
- Lubik
- Příspěvky: 592
- Registrován: pon úno 15, 2021 10:04 pm
- Reputace: 31
- Lokalita: Praha
- Chci prodávat energii: NE
- Chci/Mám dotaci: NE
- Bydliště: Praha
Re: Obvod pro přepínání UPS na ČEZ
Je mi to jasné. Každý si to musí udělat optimálně podle sebe.
Není to kritika, ale spíš k zamyšlení pro ostatní, že jsou i jiné možnosti .
Není to kritika, ale spíš k zamyšlení pro ostatní, že jsou i jiné možnosti .
Panely 4x 280W , 4x330W Isolar 6kW,48V 230 Ah
-
- Příspěvky: 2360
- Registrován: stř zář 21, 2022 10:03 am
- Reputace: 71
- Lokalita: okolí Teplic
- Systémové napětí: 48V
- Výkon panelů [Wp]: 8340
- Kapacita baterie [kWh]: 14,4
- Chci prodávat energii: NE
- Chci/Mám dotaci: NE
Re: Obvod pro přepínání UPS na ČEZ
V pohodě neberu to jako kritiku:-) Mě nějak nenapadlo jak to udělat jinak a čínský přepínač tam dávat nechci:-) Prostě když nesvítí nejde to udělat jinak než přepnout na síť nebo ještě třeba dobíjet baterku z externí nabíječky ale to asi taky není úplně ono. Snad věci od Schneideru něco vydrží:-)
Lubik píše:Je mi to jasné. Každý si to musí udělat optimálně podle sebe.
Není to kritika, ale spíš k zamyšlení pro ostatní, že jsou i jiné možnosti .
1: JZ 5460 Wp Ja Solar, JV 960 Wp Leapton, SV 1920 Wp Leapton, MPPT 250/100, MPPT 150/35, MPPT 150/45, 2x parallel Multiplus 2 5000VA, Cerbo GX + touch LCD, 16 x EVE 280Ah LiFePO4 + JK BMS 200A + SmartShunt 500A
2: JZ 3600 Wp Canadian Solar, V 1800 Wp Canadian Solar, MPPT 150/70, MPPT 150/35, Multiplus 2 5000VA, Cerbo GX + touch LCD, 16 x EVE 280Ah LiFePO4 + JK BMS 200A + BMV700
2: JZ 3600 Wp Canadian Solar, V 1800 Wp Canadian Solar, MPPT 150/70, MPPT 150/35, Multiplus 2 5000VA, Cerbo GX + touch LCD, 16 x EVE 280Ah LiFePO4 + JK BMS 200A + BMV700
-
- Příspěvky: 1793
- Registrován: úte říj 12, 2021 10:43 am
- Reputace: 316
- Lokalita: Blízko Ústí nad Labem
- Systémové napětí: 48V
- Výkon panelů [Wp]: 10790
- Kapacita baterie [kWh]: 13
- Chci prodávat energii: NE
- Chci/Mám dotaci: NE
Re: Obvod pro přepínání UPS na ČEZ
Co se týká těch stykačů, tak záleží co si kdo koupí. Já mám tichou verzi stykačů, která není sepnutá slyšet vůbec ani s uchem u stykače a spínání a vypínání je dost tiché, je to +/- hlasitý jako klasický instalační relé na DIN lištu. Čínskej přepínač byl slyšet i před zavřenou garáží
Spotřeba dle technického listu je kolem 4W při sepnutí a v sepnutém stavu snad kolem 2,5W, takže taky nic hroznýho.
Mě se na nich líbilo hlavně to, že se vejdou do klasickýho rozvaděče, přitom jsou na 63A a vzdálenost kontaktů je taky velká.
Kdybych neměl možnost koupit za pár stovek tyhle, tak bych šel taky se skřípěním zubů do toho reverzačního stykače,ale bez těch aretačních nástavců, protože to už by se mi do rozvaděče (hloubkově) nevešlo a díru do krytu bych fakt nedělal..

Spotřeba dle technického listu je kolem 4W při sepnutí a v sepnutém stavu snad kolem 2,5W, takže taky nic hroznýho.
Mě se na nich líbilo hlavně to, že se vejdou do klasickýho rozvaděče, přitom jsou na 63A a vzdálenost kontaktů je taky velká.
Kdybych neměl možnost koupit za pár stovek tyhle, tak bych šel taky se skřípěním zubů do toho reverzačního stykače,ale bez těch aretačních nástavců, protože to už by se mi do rozvaděče (hloubkově) nevešlo a díru do krytu bych fakt nedělal..
mobilní elektrárna 3x Uni-solar PVL-68 a Victron 75/15 MPPT
doma 3280 Wp JV, 3810 Wp JZ, 3690 Wp SZ, Easun SMW 8k (rebrandovaný MAX 8 kW), aku 13kWh 16s LiFePO4
doma 3280 Wp JV, 3810 Wp JZ, 3690 Wp SZ, Easun SMW 8k (rebrandovaný MAX 8 kW), aku 13kWh 16s LiFePO4
-
- Příspěvky: 2360
- Registrován: stř zář 21, 2022 10:03 am
- Reputace: 71
- Lokalita: okolí Teplic
- Systémové napětí: 48V
- Výkon panelů [Wp]: 8340
- Kapacita baterie [kWh]: 14,4
- Chci prodávat energii: NE
- Chci/Mám dotaci: NE
Re: Obvod pro přepínání UPS na ČEZ
Tyhle maji spotrebu kolem 7w a jsou hlucne:) Jelikoz se do soucasneho rozvadece nevejdou ani obyc stykace na din listu tak jsem koupil rozvadec hloubky 190mm a zapadky mam venku umyslne aby byla moznost ovladat i rucne. Koukaji ven jen pres kryt jisticu kdyz zavru dvirka venku samozrejme videt nejdou. Rozvadec je v podkrovi u elektrarny a museli se tahat 2x 15m cyky 4x6 mezi rozvadecema, jina cesta bohuzel nebyla:D
PetrDubi píše:Co se týká těch stykačů, tak záleží co si kdo koupí. Já mám tichou verzi stykačů, která není sepnutá slyšet vůbec ani s uchem u stykače a spínání a vypínání je dost tiché, je to +/- hlasitý jako klasický instalační relé na DIN lištu. Čínskej přepínač byl slyšet i před zavřenou garáží![]()
Spotřeba dle technického listu je kolem 4W při sepnutí a v sepnutém stavu snad kolem 2,5W, takže taky nic hroznýho.
Mě se na nich líbilo hlavně to, že se vejdou do klasickýho rozvaděče, přitom jsou na 63A a vzdálenost kontaktů je taky velká.
Kdybych neměl možnost koupit za pár stovek tyhle, tak bych šel taky se skřípěním zubů do toho reverzačního stykače,ale bez těch aretačních nástavců, protože to už by se mi do rozvaděče (hloubkově) nevešlo a díru do krytu bych fakt nedělal..
1: JZ 5460 Wp Ja Solar, JV 960 Wp Leapton, SV 1920 Wp Leapton, MPPT 250/100, MPPT 150/35, MPPT 150/45, 2x parallel Multiplus 2 5000VA, Cerbo GX + touch LCD, 16 x EVE 280Ah LiFePO4 + JK BMS 200A + SmartShunt 500A
2: JZ 3600 Wp Canadian Solar, V 1800 Wp Canadian Solar, MPPT 150/70, MPPT 150/35, Multiplus 2 5000VA, Cerbo GX + touch LCD, 16 x EVE 280Ah LiFePO4 + JK BMS 200A + BMV700
2: JZ 3600 Wp Canadian Solar, V 1800 Wp Canadian Solar, MPPT 150/70, MPPT 150/35, Multiplus 2 5000VA, Cerbo GX + touch LCD, 16 x EVE 280Ah LiFePO4 + JK BMS 200A + BMV700
-
- Příspěvky: 20
- Registrován: pon led 09, 2023 10:20 pm
- Reputace: 0
Re: Obvod pro přepínání UPS na ČEZ
A která je to ta tichá verze stykačů co se vejdou normálně na din lištu? 

-
- Příspěvky: 1793
- Registrován: úte říj 12, 2021 10:43 am
- Reputace: 316
- Lokalita: Blízko Ústí nad Labem
- Systémové napětí: 48V
- Výkon panelů [Wp]: 10790
- Kapacita baterie [kWh]: 13
- Chci prodávat energii: NE
- Chci/Mám dotaci: NE
Re: Obvod pro přepínání UPS na ČEZ
Jsou to tyhle, ale už se nevyrábí:
https://www.oez.cz/produkty/s20-s25-s40 ... ni-stykace
Kupoval jsem je na podzim tady:
https://aukro.cz/oez-stykac-s63-31-63a- ... 7015120016
Můžeš zkusit kontaktovat prodejce, podle popisu to vypadá, že neprodal všechny.
https://www.oez.cz/produkty/s20-s25-s40 ... ni-stykace
Kupoval jsem je na podzim tady:
https://aukro.cz/oez-stykac-s63-31-63a- ... 7015120016
Můžeš zkusit kontaktovat prodejce, podle popisu to vypadá, že neprodal všechny.
mobilní elektrárna 3x Uni-solar PVL-68 a Victron 75/15 MPPT
doma 3280 Wp JV, 3810 Wp JZ, 3690 Wp SZ, Easun SMW 8k (rebrandovaný MAX 8 kW), aku 13kWh 16s LiFePO4
doma 3280 Wp JV, 3810 Wp JZ, 3690 Wp SZ, Easun SMW 8k (rebrandovaný MAX 8 kW), aku 13kWh 16s LiFePO4
Kdo je online
Uživatelé prohlížející si toto fórum: Žádní registrovaní uživatelé a 1 host