Gridfree SUN-1000GH (45-90V)
-
- Příspěvky: 3196
- Registrován: stř úno 02, 2022 10:30 am
- Reputace: 388
- Lokalita: okolí Mělníka
- Systémové napětí: 48V
- Výkon panelů [Wp]: 13000
- Kapacita baterie [kWh]: 15
Re: Gridfree SUN-1000GH (45-90V)
Cez chce v zadosti napsat revizakem orazitkovane parametry ochran a musi byt nastavene tak jak chtej. Ja se nikde nedopatral ani toho jak to ma nastavene, pokud vubec. Kdyz to zjistis, hod to semca266054 píše:Mám dojem, že podpěti, přepětí i frekvenci si modrásek umí hlídat, takže nějakou nutnost řešit to jinak tam nevidím ..glottis píše:to zapojeni s casovym rele je pekne ale nesplnuje to podminky pripojeni do zadne z ceske distribuce. Musis tam mit resene i podpeti, prepeti a frekvenci. Jsou na to specialni zarizeni, pokud to neumi stridac. Treba U/F guard a nebo jina ochrana, uz tady nekde probirana a resena.
Deska a software od trucki problem pretoku neresi. Resi moznost rizeni vykonu a resi problem delsi trasy k mistu mereni pretoku. K tomu pak pouziva 485 sbernici. Pokud mas modraska priblizne v miste mereni, je to zbytecne. Umi to pak i po wifi z shelly. Cela trucki koncepce je zajimava v tom, ze se dostane k datum menice mnohem rychleji, protoze si bere data co jdou do displaye. Po seriaku menic ty data nevydava tak rychle ale jen v nejakem 5 minutovem prumeru.

-
- Příspěvky: 307
- Registrován: ned led 08, 2023 12:43 pm
- Reputace: 0
- Lokalita: Jablonec n.N.
- Výkon panelů [Wp]: cca 500 W
- Kapacita baterie [kWh]: cca 240 Ah
- Bydliště: cca Železný Brod u Jablonce a Turnova atd.
Re: Gridfree SUN-1000GH (45-90V)
Pokud jde o elektřinu, tak určitě není .. čekám, kdy se mi ozvou z distribuce na tu moji žádost o tech. konzultaci .. osobně bych je chtěl přesvědčit nebo dotlačit k tomu, aby se do 1 kW bylo možné připojit bez žádání a nějakého drátování a eventuelní minipřetoky aby se neřešily a nebo řešily jen tím odečtem jako v případě připojení do 10 kW .
-
- Příspěvky: 307
- Registrován: ned led 08, 2023 12:43 pm
- Reputace: 0
- Lokalita: Jablonec n.N.
- Výkon panelů [Wp]: cca 500 W
- Kapacita baterie [kWh]: cca 240 Ah
- Bydliště: cca Železný Brod u Jablonce a Turnova atd.
Re: Gridfree SUN-1000GH (45-90V)
Pátral jsem po protokolech od EASTRONU a nějakém jejich softwaru pro jejich SDM wattmetry atd .. a náhodou jsem objevil řešení s jejich wattmetrem SDM630 jako omezovačem přetoků ..
Application of anti-reverse current meter in photovoltaic system
https://www.eastrongroup.com/news/Appli ... ystem.html
With the rapid development of the photovoltaic industry, the installed capacity is also increasing. In some areas, the installed capacity is saturated, and newly installed photovoltaics cannot be sold online. The power grid company requires the photovoltaic grid-connected system to be built later to be an anti-reverse current generation system.
Podle mne je to ale jen pro velké výrobce, kterým pár uteklých kWH nebude vadit, protože jinak než takováto zpětná vazba zareaguje, tak co do rychlosti to s každým analogově napojeným limiterem prohraje .
Application of anti-reverse current meter in photovoltaic system
https://www.eastrongroup.com/news/Appli ... ystem.html
With the rapid development of the photovoltaic industry, the installed capacity is also increasing. In some areas, the installed capacity is saturated, and newly installed photovoltaics cannot be sold online. The power grid company requires the photovoltaic grid-connected system to be built later to be an anti-reverse current generation system.
Podle mne je to ale jen pro velké výrobce, kterým pár uteklých kWH nebude vadit, protože jinak než takováto zpětná vazba zareaguje, tak co do rychlosti to s každým analogově napojeným limiterem prohraje .
-
- Příspěvky: 307
- Registrován: ned led 08, 2023 12:43 pm
- Reputace: 0
- Lokalita: Jablonec n.N.
- Výkon panelů [Wp]: cca 500 W
- Kapacita baterie [kWh]: cca 240 Ah
- Bydliště: cca Železný Brod u Jablonce a Turnova atd.
Re: Gridfree SUN-1000GH (45-90V)
.. od ČEZu z Distribuce se mi ještě neozvali, ale pátral jsem dál a tak jsem našel tenhle návod s podmínkami na připojení mikrozdroje do jejich sítě , dávám to do přílohy.
- Přílohy
-
ČEZ-pruvodce-mikrozdroj-zjednodusene-pripojeni.pdf
- (336.12 KiB) Staženo 169 x
-
- Příspěvky: 3196
- Registrován: stř úno 02, 2022 10:30 am
- Reputace: 388
- Lokalita: okolí Mělníka
- Systémové napětí: 48V
- Výkon panelů [Wp]: 13000
- Kapacita baterie [kWh]: 15
Re: Gridfree SUN-1000GH (45-90V)
z toho pdf je nejzajimavejsi ten tip na konci, kdy jde vsechno skoro nahradit tim jejich formularem. To bych mohl zkusit prevest svoje zjednodusene pripojeni na "klasicke" a zbavit se bubaka, ze se mi splasej limitery a prijde pokuta za pretok 
JInak modrasek podle me porad nesplnuje to, ze ma rozpadove misto v sobe a ochrany nastavene tak jak chtej a je potreba to resit jinak.

JInak modrasek podle me porad nesplnuje to, ze ma rozpadove misto v sobe a ochrany nastavene tak jak chtej a je potreba to resit jinak.
-
- Příspěvky: 307
- Registrován: ned led 08, 2023 12:43 pm
- Reputace: 0
- Lokalita: Jablonec n.N.
- Výkon panelů [Wp]: cca 500 W
- Kapacita baterie [kWh]: cca 240 Ah
- Bydliště: cca Železný Brod u Jablonce a Turnova atd.
Re: Gridfree SUN-1000GH (45-90V)
Podle dodavatelské firmy GWL někde z Holandska nebo z Londýna a podobně modrásky vyhovují předpisům v EU, takže tím je to závazné i pro naší republiku .. i když podle mne ta časová relé jsou úplně zbytečná .. u náběhu určitě, modrásek se přeci po zapnutí sám fázuje nejprve na síť a připojuje se až s jistým zpožděním, což možná jiné invertory neumí .. ale ještě jsem nezažil, že by při zapnutém modráskovi vypadla síť, jen to vypadalo, že když jsem ho vypnul nebo zapnul, že mi shodil internet v modemu a ten modem už se z toho nevzpamatoval, musel jsem ho vypnou a znova zapnout .. ale je možné, že tam mám souběh telefonního a silového kabelu, tak tomu je lepší se vyvarovat .. jinak si myslím, že pro modráska je výpadek sítě totéž, jako když ho vypnu vypínačen na prodlužce ..
-
- Příspěvky: 3196
- Registrován: stř úno 02, 2022 10:30 am
- Reputace: 388
- Lokalita: okolí Mělníka
- Systémové napětí: 48V
- Výkon panelů [Wp]: 13000
- Kapacita baterie [kWh]: 15
Re: Gridfree SUN-1000GH (45-90V)
Ta ochrana třeba má zajistit, že po výpadku ds zapne měnič až za 20 minut. To je jedna ze dvou možností jak to je přípustné. Druhou možnost modrásek nemá ... Postupně zvyšovat výkon. Leda s tou trucki modifikací.
Podle dodavatele kdesi to prý vyhovuje ale nikdo nikdy neviděl papír. Kdyby to bylo opravdu ok bylo by to super. No uvidíš co ti napíšou
Podle dodavatele kdesi to prý vyhovuje ale nikdo nikdy neviděl papír. Kdyby to bylo opravdu ok bylo by to super. No uvidíš co ti napíšou

-
- Příspěvky: 307
- Registrován: ned led 08, 2023 12:43 pm
- Reputace: 0
- Lokalita: Jablonec n.N.
- Výkon panelů [Wp]: cca 500 W
- Kapacita baterie [kWh]: cca 240 Ah
- Bydliště: cca Železný Brod u Jablonce a Turnova atd.
Re: Gridfree SUN-1000GH (45-90V)
.. napíšou, asi až naprší a uschne, ale nejspíš mne hned odkáží na to, co už jsem si našel sám .. jinak mám stažený ten certifikát pro EU od fy GWL Rotterdam .. v příloze.
- Přílohy
-
GWL_CE_DoC_SUN_series.pdf
- (140.38 KiB) Staženo 238 x
-
- Příspěvky: 3196
- Registrován: stř úno 02, 2022 10:30 am
- Reputace: 388
- Lokalita: okolí Mělníka
- Systémové napětí: 48V
- Výkon panelů [Wp]: 13000
- Kapacita baterie [kWh]: 15
Re: Gridfree SUN-1000GH (45-90V)
To je podle mě jen emc a bezpečnost
-
- Příspěvky: 307
- Registrován: ned led 08, 2023 12:43 pm
- Reputace: 0
- Lokalita: Jablonec n.N.
- Výkon panelů [Wp]: cca 500 W
- Kapacita baterie [kWh]: cca 240 Ah
- Bydliště: cca Železný Brod u Jablonce a Turnova atd.
Re: Gridfree SUN-1000GH (45-90V)
Asi už nic zajimavějšího nemám, jen jedno schema, které asi mluví za všechno .. syslete si solární energii doma do baterek a až se nám to bude hodit, tak Vám ji milostivě připojíme .. jinak si solární energii budeme brát z našich zdrojů .. to požadované zpoždění tam může kompenzovat náběh HDO po výpadku síťě ..
-
- Příspěvky: 4414
- Registrován: pon úno 07, 2022 10:11 pm
- Reputace: 289
- Lokalita: Zlaté Hory / Olomouc
- Systémové napětí: 24V
- Výkon panelů [Wp]: 3600
- Kapacita baterie [kWh]: 16
- Chci prodávat energii: NE
- Chci/Mám dotaci: NE
- Bydliště: Zlaté Hory
Re: Gridfree SUN-1000GH (45-90V)
Nějak to trochu nechápu když odemě nechtějí elektřinu proč bych jim ji měl cpát??
A ještě když čtu co všechno za obstrukce musíš pro to udělat..... místo aby byly rádi že mají elektřinu za hubičku a prodají ji 10x dráž.......
A ještě když čtu co všechno za obstrukce musíš pro to udělat..... místo aby byly rádi že mají elektřinu za hubičku a prodají ji 10x dráž.......
3,6kWp
| 2x MUST PV18-3024 VHM, 3kW/24V | 16kWh 


-
- Příspěvky: 307
- Registrován: ned led 08, 2023 12:43 pm
- Reputace: 0
- Lokalita: Jablonec n.N.
- Výkon panelů [Wp]: cca 500 W
- Kapacita baterie [kWh]: cca 240 Ah
- Bydliště: cca Železný Brod u Jablonce a Turnova atd.
Re: Gridfree SUN-1000GH (45-90V)
Problém je v tom, že Slunce svítí jenom přes den ..
.. a že v noci je tma, na to se v zelených hlavách zapomnělo .. takže jediná cesta je si tu solární elektřinu někam syslovat , třeba do vody nebo do auta a po západu Slunce se vydat na cesty nebo se osprchovat ..
.. a v zimě se zabalit do kožešin .. 



-
- Příspěvky: 307
- Registrován: ned led 08, 2023 12:43 pm
- Reputace: 0
- Lokalita: Jablonec n.N.
- Výkon panelů [Wp]: cca 500 W
- Kapacita baterie [kWh]: cca 240 Ah
- Bydliště: cca Železný Brod u Jablonce a Turnova atd.
Re: Gridfree SUN-1000GH (45-90V)
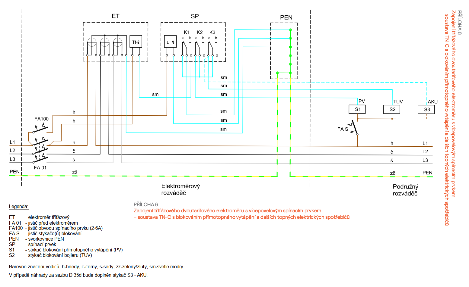
Zabýval jsem se ještě elektroměry a tarify .. jsou různé typy ale princip je vždycky 1f nebo 3f měření jedno až třítarifové (P jsou skutečně přetoky, T1 a T2 dle smlouvy, jeden z nich by mohl být výhodnější, ale také nemusí) .
Přetoky si elměr zjišťuje sám, tarify se přepínají spínacím prvkem, ve schématech SP .. v nejnovějších elměrech už bývá ten spínací prvek zabudován a v tom případě je to jistě HDO, pokud je spínací prvek tarifů mimo, tak to může být buď HDO nebo obyčejné spínací hodiny. Pokud je to HDO, tak mám většinou 3 kontakty na spínání nebo blokování spotřebičů nebo dodávky z FVE. Kdo hledá, na webu si najde podrobnosti o HDO nebo o podmínkách pro připojení FVE do soustavy nízkého napětí.
Přetoky si elměr zjišťuje sám, tarify se přepínají spínacím prvkem, ve schématech SP .. v nejnovějších elměrech už bývá ten spínací prvek zabudován a v tom případě je to jistě HDO, pokud je spínací prvek tarifů mimo, tak to může být buď HDO nebo obyčejné spínací hodiny. Pokud je to HDO, tak mám většinou 3 kontakty na spínání nebo blokování spotřebičů nebo dodávky z FVE. Kdo hledá, na webu si najde podrobnosti o HDO nebo o podmínkách pro připojení FVE do soustavy nízkého napětí.
-
- Příspěvky: 4414
- Registrován: pon úno 07, 2022 10:11 pm
- Reputace: 289
- Lokalita: Zlaté Hory / Olomouc
- Systémové napětí: 24V
- Výkon panelů [Wp]: 3600
- Kapacita baterie [kWh]: 16
- Chci prodávat energii: NE
- Chci/Mám dotaci: NE
- Bydliště: Zlaté Hory
Re: Gridfree SUN-1000GH (45-90V)
Spínací hodiny???? To snad už nikde nepoužívají a všude je HDO ne?
3,6kWp
| 2x MUST PV18-3024 VHM, 3kW/24V | 16kWh 


-
- Příspěvky: 307
- Registrován: ned led 08, 2023 12:43 pm
- Reputace: 0
- Lokalita: Jablonec n.N.
- Výkon panelů [Wp]: cca 500 W
- Kapacita baterie [kWh]: cca 240 Ah
- Bydliště: cca Železný Brod u Jablonce a Turnova atd.
Re: Gridfree SUN-1000GH (45-90V)
U mne např. ty spínací hodiny ještě fungují a už také něco pamatuji i čas, kdy mi tady HDO nainstalovali a když jim to tu zlobilo pak mi sem zase vrátili hodiny .. pak mi vyhořel elektroměr, ten mi narychlo měnili ale hodiny mi tam zustaly .. ten nový elektroměr je typ Daisy ADX12-AD atd., je k němu na ČEZu popis ale nikde už jsem nenašel zapojení svorek , určitě má P a to je všechno, co vím .. boilery mi tedy spínají hodiny ..
-
- Příspěvky: 307
- Registrován: ned led 08, 2023 12:43 pm
- Reputace: 0
- Lokalita: Jablonec n.N.
- Výkon panelů [Wp]: cca 500 W
- Kapacita baterie [kWh]: cca 240 Ah
- Bydliště: cca Železný Brod u Jablonce a Turnova atd.
Re: Gridfree SUN-1000GH (45-90V)
V příloze je poměrně obecné schéma elektroměru a spínacího prvku v zaplombovaném domovním rozvaděči .. kdo by chtěl napojit modráska a má doma boilery, tak si tam může někde to spínání narafičit do zásuvky a připojit si ho tam a nebo ještě lépe za termostat v bojleru a bude mít jistotu, že mu z toho přetoky nepůjdou .. ale baterie je k tomu určitě výhoda, i když né nutnost, když v noci nebudou panely dávat napětí, modrásek nic dávat nikam také nebude .
Rozvaděč mne zajímá i proto, že jeden kolega by chtěl tím mým programem měřit spotřebu, má už dvoutarifní elektroměr SDM630, který ale nemá vstup pro změnu tarifu, takže jednou z možností by bylo měřit třeba dalším elektroměrkem jako je ten můj jednofázový Tiny SDM120M jenom napětí na boilerech a dát signál pro SDM630, aby si přepnul tarif .. ale programově by to zatím ten můj program Modbus28 Rtu jen Reader nezvládal, výhledově předělano by se to tak mohlo podařit ..
Rozvaděč mne zajímá i proto, že jeden kolega by chtěl tím mým programem měřit spotřebu, má už dvoutarifní elektroměr SDM630, který ale nemá vstup pro změnu tarifu, takže jednou z možností by bylo měřit třeba dalším elektroměrkem jako je ten můj jednofázový Tiny SDM120M jenom napětí na boilerech a dát signál pro SDM630, aby si přepnul tarif .. ale programově by to zatím ten můj program Modbus28 Rtu jen Reader nezvládal, výhledově předělano by se to tak mohlo podařit ..

-
- Moderátor
- Příspěvky: 6278
- Registrován: pon srp 16, 2021 9:31 pm
- Reputace: 852
- Lokalita: blízko Brna
- Systémové napětí: 24V
- Výkon panelů [Wp]: 13+ kWp
- Kapacita baterie [kWh]: 40+15
- Chci prodávat energii: NE
- Chci/Mám dotaci: NE
- Bydliště: blízko Brna
Re: Gridfree SUN-1000GH (45-90V)
Jestli myslis me, tak ten muj elmer ale tarifikacni vstup ma. Tj. kdyz je na nem 230 V, tak meri jeden tarif, kdyz na nem 230 V neni, tak meri druhy. Na displeji se da vycist soucet, tarif1 i tarif2. Ale po rs485 jsem zatim nenasel soft, co by mi umel rict to same. Vsechny zatim najite umi vycist jen a pouze celkovou sumu, tj tarif1 a tarif2 dohromady. Z toho teda tasmota jeste ani ne dobre.
Ale o tomto prosim diskutujme ve spravnem vlaknu:
https://forum.mypower.cz/viewtopic.php? ... 42#p210542
Ale o tomto prosim diskutujme ve spravnem vlaknu:
https://forum.mypower.cz/viewtopic.php? ... 42#p210542
13,38 kWp: 9850 Wp Jih, 2040 Wp Východ, 1490 Wp Západ
Regulátory Epever a Victron
Phoenix 5 kVA + MP 24/5000 (můj byt + wifi/kamery/atd. + máti byt)
MP2 24/5000 vytěžování do akumulačních kamen
Epever 3kW vytěžování do bojlerů + žebříky
1 kW "nabíječka" 24 V
40 680 Wh staré olovo 15 258 Wh Li-Ion
záloha čerpadla ve sklepě MP12/3000/120-16 + 100Ah 12V monbat
Modře píši jako moderátor, černě jako člen.
Regulátory Epever a Victron
Phoenix 5 kVA + MP 24/5000 (můj byt + wifi/kamery/atd. + máti byt)
MP2 24/5000 vytěžování do akumulačních kamen
Epever 3kW vytěžování do bojlerů + žebříky
1 kW "nabíječka" 24 V
40 680 Wh staré olovo 15 258 Wh Li-Ion
záloha čerpadla ve sklepě MP12/3000/120-16 + 100Ah 12V monbat
Modře píši jako moderátor, černě jako člen.
-
- Příspěvky: 307
- Registrován: ned led 08, 2023 12:43 pm
- Reputace: 0
- Lokalita: Jablonec n.N.
- Výkon panelů [Wp]: cca 500 W
- Kapacita baterie [kWh]: cca 240 Ah
- Bydliště: cca Železný Brod u Jablonce a Turnova atd.
Re: Gridfree SUN-1000GH (45-90V)
.. já jsem prošel jenom návody a protokoly a tam jsem nic o tom vstupu nenanašel a tak jsem usoudil, že to žádný takový vstup nemá .. jestli máš návod, kde je to napsané, tak mi to pošli .. a jestli to tak je, neměl by být problém to z něj vyčíst .. pokud jde o správné vlákno, měl bych za to, že by si to vlastní téma i zasloužilo a nebo už tu možná nějaké podobné existuje .. ale kam mi o tom napíšeš, tam si to pak přečtu .. ještě jinak předem, bude dobré nejprve vyzkoušet to čtení napětí na vstupech předpokládám T1 a T2 .. to znamená zjistit, které to jsou v protokolu.
-
- Příspěvky: 307
- Registrován: ned led 08, 2023 12:43 pm
- Reputace: 0
- Lokalita: Jablonec n.N.
- Výkon panelů [Wp]: cca 500 W
- Kapacita baterie [kWh]: cca 240 Ah
- Bydliště: cca Železný Brod u Jablonce a Turnova atd.
Re: Gridfree SUN-1000GH (45-90V)
.. tak se omlouvám, našel jsem to .. až na konci manuálu je napsáno, že ten SDM630 2-Tarify má vstup napětí pro 2. tarif, takže mi nic posílat nemusíš . Ještě kouknu do protokolu, jak se to tam projevuje .
-
- Příspěvky: 307
- Registrován: ned led 08, 2023 12:43 pm
- Reputace: 0
- Lokalita: Jablonec n.N.
- Výkon panelů [Wp]: cca 500 W
- Kapacita baterie [kWh]: cca 240 Ah
- Bydliště: cca Železný Brod u Jablonce a Turnova atd.
Re: Gridfree SUN-1000GH (45-90V)
.. a na tom odkazu na to vlákno, tak to je pro mne novinka, to vidím poprvé, ale určitě se na to tam kouknu .
Kdo je online
Uživatelé prohlížející si toto fórum: Claudebot [Bot] a 1 host