DIY 3kW Arduino MPPT Solar Charge Controller ESP32
-
- Příspěvky: 3188
- Registrován: stř úno 02, 2022 10:30 am
- Reputace: 388
- Lokalita: okolí Mělníka
- Systémové napětí: 48V
- Výkon panelů [Wp]: 13000
- Kapacita baterie [kWh]: 15
Re: DIY 3kW Arduino MPPT Solar Charge Controller ESP32
Tomu nerozumim, to namalujes a nechas vyrobit ne? Treba jlcpcb v cine. Nebo nemas zkusenosti s navrhem pcb obecne? To chces na tohle delat jedno vrstvu a malovat to fixem na cuprextit? 

- rottenkiwi
- Příspěvky: 5451
- Registrován: pát úno 13, 2015 2:24 pm
- Reputace: 287
- Lokalita: SO, SK
- Bydliště: SO, SK
Re: DIY 3kW Arduino MPPT Solar Charge Controller ESP32
Tam je ten problem, ze su tam 50 - 60 A vstupne prudy a 90 - 100 A vystupne.
To ja doma nevyrobim, ani neviem ako by som taku PCB dal vyrobit.
Proste zoberem FET-y, chladice, kondy, diody, prepojim to,
naprogramujem meranie napati a prudov, EPS32 na MQTT / HTML + Ajax a je to.
Ja nemam cas dizajnovat PCB, ked nemam ani soft, ani zdroje, zataze, osciloskop.
Proste to musi ist na prvu supu, inac stojim mesiac, z 200 € dochodku sa neda
robit meranie osciloskopom napr. na FET-och.
Tu je 100 A verzia a potrebujem sa dostat na 200 A / 13 - 66 V /
https://solarforum.cz/viewtopic.php?f=5 ... &start=500
https://solarforum.cz/viewtopic.php?p=8134#p8134
To ja doma nevyrobim, ani neviem ako by som taku PCB dal vyrobit.
Proste zoberem FET-y, chladice, kondy, diody, prepojim to,
naprogramujem meranie napati a prudov, EPS32 na MQTT / HTML + Ajax a je to.
Ja nemam cas dizajnovat PCB, ked nemam ani soft, ani zdroje, zataze, osciloskop.
Proste to musi ist na prvu supu, inac stojim mesiac, z 200 € dochodku sa neda
robit meranie osciloskopom napr. na FET-och.
Tu je 100 A verzia a potrebujem sa dostat na 200 A / 13 - 66 V /
https://solarforum.cz/viewtopic.php?f=5 ... &start=500
https://solarforum.cz/viewtopic.php?p=8134#p8134
DC-AC inverter REC Lion DC-AC ESP32 DIY inv. 15 GB za sekundu DIY MPPT Holder
Zjedz vsetko, co si kupil, v obchode a netreba ti tasku, auto ci chladnicku.
Zjedz vsetko, co si kupil, v obchode a netreba ti tasku, auto ci chladnicku.
-
- Příspěvky: 8011
- Registrován: sob črc 19, 2014 8:56 pm
- Reputace: 1008
- Lokalita: severně od Brna
- Systémové napětí: 48V
- Výkon panelů [Wp]: 8kWp
- Kapacita baterie [kWh]: 12kWh
- Chci prodávat energii: NE
- Chci/Mám dotaci: NE
Re: DIY 3kW Arduino MPPT Solar Charge Controller ESP32
sev ti ty odkazy nějak nepovedly... Dnes se spíš dělají menší regulátory a zapojují se každej na svoji skupinu stringů, viz victron. Tj musí si nějak povídat s nadřazeným systémem, aby každej jel ve stejným režimu (bulk, float...)a pak není potřeba dšělat svářečkoidní monstra.
100A výstupní proud je celkem dost, na 48V systému bych řekl že až hodně moc...
100A výstupní proud je celkem dost, na 48V systému bych řekl že až hodně moc...
ostrov skoro 8kWp neustále ve stádiu zrodu: smartshunt(ex WBJR), MPPT150/45, MPPT 250/100(ex midnitesolar 150 clasic lite), 16S a různě P cca 340Ah Winston, MP II 5000,( ex Powerjack 8kW, ex samodomo cca 4kW). 48V DC rozvody a spotřebiče.
- rottenkiwi
- Příspěvky: 5451
- Registrován: pát úno 13, 2015 2:24 pm
- Reputace: 287
- Lokalita: SO, SK
- Bydliště: SO, SK
Re: DIY 3kW Arduino MPPT Solar Charge Controller ESP32
Odkazy su spravne, len odkazuju na ine forum a byvaly admin slovo solarforum nahradil
slovom mypower, preto to nefunguje.
slovom mypower, preto to nefunguje.
DC-AC inverter REC Lion DC-AC ESP32 DIY inv. 15 GB za sekundu DIY MPPT Holder
Zjedz vsetko, co si kupil, v obchode a netreba ti tasku, auto ci chladnicku.
Zjedz vsetko, co si kupil, v obchode a netreba ti tasku, auto ci chladnicku.
- rottenkiwi
- Příspěvky: 5451
- Registrován: pát úno 13, 2015 2:24 pm
- Reputace: 287
- Lokalita: SO, SK
- Bydliště: SO, SK
Re: DIY 3kW Arduino MPPT Solar Charge Controller ESP32
Koncim s projektom tu, lebo som bol upozorneny, ze davat odkazy na ine forum je nefer.
DC-AC inverter REC Lion DC-AC ESP32 DIY inv. 15 GB za sekundu DIY MPPT Holder
Zjedz vsetko, co si kupil, v obchode a netreba ti tasku, auto ci chladnicku.
Zjedz vsetko, co si kupil, v obchode a netreba ti tasku, auto ci chladnicku.
- rottenkiwi
- Příspěvky: 5451
- Registrován: pát úno 13, 2015 2:24 pm
- Reputace: 287
- Lokalita: SO, SK
- Bydliště: SO, SK
Re: DIY 3kW Arduino MPPT Solar Charge Controller ESP32
POkracujem dalej v DIY MPPT a chcem dokoncit tento 2-fazovy prototyp.
Stratil som rok casu, lebo mi poslali FAKE ACS758 - 50A, ktore mali 13 mV na amper
namiesto 40 mV na amper, co strasne zhorsuje meranie prudu.
Tak som objednal ACS712, ale tie ledva zvladnu 25 A kontinualne.
No a teraz som zohnal len IR2104 drivery, ale nie v DIP8 ale ako SOP8.
Nemate niekto doma 4 ks SOP8 a 2 ks : DS18B20 ?
Cielom je 100 A MPPT, ked mi prijde dobre ACS758 - 50A bidirectional.
. .
Stratil som rok casu, lebo mi poslali FAKE ACS758 - 50A, ktore mali 13 mV na amper
namiesto 40 mV na amper, co strasne zhorsuje meranie prudu.
Tak som objednal ACS712, ale tie ledva zvladnu 25 A kontinualne.
No a teraz som zohnal len IR2104 drivery, ale nie v DIP8 ale ako SOP8.
Nemate niekto doma 4 ks SOP8 a 2 ks : DS18B20 ?
Cielom je 100 A MPPT, ked mi prijde dobre ACS758 - 50A bidirectional.
. .
DC-AC inverter REC Lion DC-AC ESP32 DIY inv. 15 GB za sekundu DIY MPPT Holder
Zjedz vsetko, co si kupil, v obchode a netreba ti tasku, auto ci chladnicku.
Zjedz vsetko, co si kupil, v obchode a netreba ti tasku, auto ci chladnicku.
-
- Příspěvky: 1417
- Registrován: čtv led 15, 2015 1:37 pm
- Reputace: 351
Re: DIY 3kW Arduino MPPT Solar Charge Controller ESP32
Mám volné 4ks SOP8 , které potřebujte a tak Vám je daruji. Odešlu jako obyčejný dopis se známkou E do 50gr.
Vaši adresu pošlete do SZ. Tímto drobným darem podpořím Váš vývoj.
Myslím, že jste ušel pěkný kousek cesty a hodně jste se už naučil. Viděl jsem Váš vývoj, jak jste odvážně začal i když jste měl velké mezery ve znalostech a v součástkové základně.
Ale na jiném foru jste kolem sebe shromáždil tým lidí, kteří Vám vysvětlovali k čemu jsou některé
součástky a jak fungují. Dával jste odkazy i videa ukazoval dílčí výsledky. Po tuto dobu jste ani neměl
čas napsat na mypower. Pak jste na jiném foru vše smazal opět se vrátil na mypower. Jsem přesvědčený
že do do 30 měsíců nejpozději do pěti roků bude Váš projekt srovnatelný se stejným produktem Victron.
Nezapomente poslat Vaši adresu do SZ.
Vaši adresu pošlete do SZ. Tímto drobným darem podpořím Váš vývoj.
Myslím, že jste ušel pěkný kousek cesty a hodně jste se už naučil. Viděl jsem Váš vývoj, jak jste odvážně začal i když jste měl velké mezery ve znalostech a v součástkové základně.
Ale na jiném foru jste kolem sebe shromáždil tým lidí, kteří Vám vysvětlovali k čemu jsou některé
součástky a jak fungují. Dával jste odkazy i videa ukazoval dílčí výsledky. Po tuto dobu jste ani neměl
čas napsat na mypower. Pak jste na jiném foru vše smazal opět se vrátil na mypower. Jsem přesvědčený
že do do 30 měsíců nejpozději do pěti roků bude Váš projekt srovnatelný se stejným produktem Victron.
Nezapomente poslat Vaši adresu do SZ.
-------------------------------------------------------------------------------------------------------------------
Dotace NE, 6,9kWp ,reg.Harmonie Ver.1, 60A,aku 4kWh LTO,BMS Sokol 400E,řízení Leonardo, LF a HF měnič vlastní Ver.1 a Ver.2, LF Modrá trojka 3kVA,modul HIS,ohřev vody Malibu L.A.3kW,Ver.1
Příprava instalace panel 18kWp,reg.Harmonie12kW Ver.4,měnič AC-DC-AC 1f PECKA 22kW,BMS Sokol 400E řízení Leonardo 360V, modul HIS, DC modul AFDD,modul chytré řízení,Aku 360V, ohřev vody Malibu L.A.3kW,Ver.4
Dotace NE, 6,9kWp ,reg.Harmonie Ver.1, 60A,aku 4kWh LTO,BMS Sokol 400E,řízení Leonardo, LF a HF měnič vlastní Ver.1 a Ver.2, LF Modrá trojka 3kVA,modul HIS,ohřev vody Malibu L.A.3kW,Ver.1
Příprava instalace panel 18kWp,reg.Harmonie12kW Ver.4,měnič AC-DC-AC 1f PECKA 22kW,BMS Sokol 400E řízení Leonardo 360V, modul HIS, DC modul AFDD,modul chytré řízení,Aku 360V, ohřev vody Malibu L.A.3kW,Ver.4
- rottenkiwi
- Příspěvky: 5451
- Registrován: pát úno 13, 2015 2:24 pm
- Reputace: 287
- Lokalita: SO, SK
- Bydliště: SO, SK
Re: DIY 3kW Arduino MPPT Solar Charge Controller ESP32
Vdaka za ponuku, posielam SZ, no ja som skor na SW a HW mi este nejde dobre,
lebo nemam vhodny osciloskop, aby som pomeral veci na uzloch a spocital,
ci tam je to, co chcem. Neviem si vyrobit ani kvalitny zdroj na simulovanie panelov
0 - 150 V - 15 A, ale hladam na nete, mozno sa mi to podari najst.
Inac budem musiet ladit komunikaciu a jednotlive prototypy len pomocou realnych panelov,
ale tam akakolvek SW chyba moze viest k destrukcii IR2104 alebo IR2184 + FET-tu alebo FET-ov.
Potreboval by som presne pomerat veci v SW uzle. Aky je tam ringing a podla toho spocitat snubber,
https://www.youtube.com/watch?v=bJVInQO ... Q&index=68
https://www.youtube.com/watch?v=R-_ATHYgcBQ
Tiez ako optimalne rozmiestnit suciastky:
https://www.youtube.com/watch?v=hfJEcZ7 ... Q&index=83
https://www.youtube.com/watch?v=HhV-SS-AnwI&t=179s
https://www.youtube.com/watch?v=E8tU8tSK_Xo
Myslel som si, ze ludia ako kamils, kodl a ini, urobia nejake prototypy a ja uz budem len
ladit SW / P&O, incremental conductance, fuzzy MPP, constant Voc a pod. /
lebo nemam vhodny osciloskop, aby som pomeral veci na uzloch a spocital,
ci tam je to, co chcem. Neviem si vyrobit ani kvalitny zdroj na simulovanie panelov
0 - 150 V - 15 A, ale hladam na nete, mozno sa mi to podari najst.
Inac budem musiet ladit komunikaciu a jednotlive prototypy len pomocou realnych panelov,
ale tam akakolvek SW chyba moze viest k destrukcii IR2104 alebo IR2184 + FET-tu alebo FET-ov.
Potreboval by som presne pomerat veci v SW uzle. Aky je tam ringing a podla toho spocitat snubber,
https://www.youtube.com/watch?v=bJVInQO ... Q&index=68
https://www.youtube.com/watch?v=R-_ATHYgcBQ
Tiez ako optimalne rozmiestnit suciastky:
https://www.youtube.com/watch?v=hfJEcZ7 ... Q&index=83
https://www.youtube.com/watch?v=HhV-SS-AnwI&t=179s
https://www.youtube.com/watch?v=E8tU8tSK_Xo
Myslel som si, ze ludia ako kamils, kodl a ini, urobia nejake prototypy a ja uz budem len
ladit SW / P&O, incremental conductance, fuzzy MPP, constant Voc a pod. /
DC-AC inverter REC Lion DC-AC ESP32 DIY inv. 15 GB za sekundu DIY MPPT Holder
Zjedz vsetko, co si kupil, v obchode a netreba ti tasku, auto ci chladnicku.
Zjedz vsetko, co si kupil, v obchode a netreba ti tasku, auto ci chladnicku.
-
- Příspěvky: 3188
- Registrován: stř úno 02, 2022 10:30 am
- Reputace: 388
- Lokalita: okolí Mělníka
- Systémové napětí: 48V
- Výkon panelů [Wp]: 13000
- Kapacita baterie [kWh]: 15
Re: DIY 3kW Arduino MPPT Solar Charge Controller ESP32
nedoporucuju davat esp doprostred desky pokud chces pouzivat wifi nebo BT. A mozna ikdyz nehces
Ideal na kraj a ideal aby pod antenou nebyl vubec board ikdyz bez medi.

- rottenkiwi
- Příspěvky: 5451
- Registrován: pát úno 13, 2015 2:24 pm
- Reputace: 287
- Lokalita: SO, SK
- Bydliště: SO, SK
Re: DIY 3kW Arduino MPPT Solar Charge Controller ESP32
V pondelok mi prijdu suciastky, tak sa idem pripravit a nieco naprogramovat.
Ako funguju MPPT / metody trackingu / kto ma cas na vzdelavanie:
https://ieeexplore.ieee.org/document/9350255
An efficient fuzzy-logic based variable-step incremental conductance
MPPT method for grid-connected PV systems
Neviem ako to bolo myslene, ale vsade je pod antenou board a vsade je modul
uprostred dosky.
.
Ako funguju MPPT / metody trackingu / kto ma cas na vzdelavanie:
https://ieeexplore.ieee.org/document/9350255
An efficient fuzzy-logic based variable-step incremental conductance
MPPT method for grid-connected PV systems
Neviem ako to bolo myslene, ale vsade je pod antenou board a vsade je modul
uprostred dosky.
.
DC-AC inverter REC Lion DC-AC ESP32 DIY inv. 15 GB za sekundu DIY MPPT Holder
Zjedz vsetko, co si kupil, v obchode a netreba ti tasku, auto ci chladnicku.
Zjedz vsetko, co si kupil, v obchode a netreba ti tasku, auto ci chladnicku.
-
- Příspěvky: 3188
- Registrován: stř úno 02, 2022 10:30 am
- Reputace: 388
- Lokalita: okolí Mělníka
- Systémové napětí: 48V
- Výkon panelů [Wp]: 13000
- Kapacita baterie [kWh]: 15
Re: DIY 3kW Arduino MPPT Solar Charge Controller ESP32
njn, tyhle devel bordy ... tam an to pecou
tu to maj treba jak se mi libi
https://www.hadex.cz/m301b-lilygo-ttgo- ... ova-deska/
Nerikam ze to je nutne ale nejlepsich parametru dostanes, kdyz tu antenu das mimo. Kdy zto nejde tak aspon okolni med co nejdal a tak. Jde o to, ze impedance anteny a tech spoju je pocitana a ladena na urcity stack-up desky. Kolik vrstev, jake tloustky. Kdy zto prilepis na dalsi desku, muze se to zmenit a muzes si zhorsit parametry. Top reseni je pak si to cele dat an svoji desku a tohle napocitat a tak. Ale to uz je slozitejsi.
Ale v tvem pripade neni skoro zbytecne tam pajet cisty wroom modul? Proc tam neprasknes rovnou nejakej devel co mas doma? Treba ten prvni NODEMCU. Pokud muze hrozit zniceni, radsi bych to udelal vyndavaci. Ten wroom se blbe sundava. Kdyz uz tak jsme ho pajel treba nizkoteplotni pajkou, aby to slo sundat lip
tu to maj treba jak se mi libi
https://www.hadex.cz/m301b-lilygo-ttgo- ... ova-deska/
Nerikam ze to je nutne ale nejlepsich parametru dostanes, kdyz tu antenu das mimo. Kdy zto nejde tak aspon okolni med co nejdal a tak. Jde o to, ze impedance anteny a tech spoju je pocitana a ladena na urcity stack-up desky. Kolik vrstev, jake tloustky. Kdy zto prilepis na dalsi desku, muze se to zmenit a muzes si zhorsit parametry. Top reseni je pak si to cele dat an svoji desku a tohle napocitat a tak. Ale to uz je slozitejsi.
Ale v tvem pripade neni skoro zbytecne tam pajet cisty wroom modul? Proc tam neprasknes rovnou nejakej devel co mas doma? Treba ten prvni NODEMCU. Pokud muze hrozit zniceni, radsi bych to udelal vyndavaci. Ten wroom se blbe sundava. Kdyz uz tak jsme ho pajel treba nizkoteplotni pajkou, aby to slo sundat lip
- rottenkiwi
- Příspěvky: 5451
- Registrován: pát úno 13, 2015 2:24 pm
- Reputace: 287
- Lokalita: SO, SK
- Bydliště: SO, SK
Re: DIY 3kW Arduino MPPT Solar Charge Controller ESP32
Uz som si vela 30pinovych a 39 pin odpalil tak,
ze som ich vlozil do konektora o 1 PIN DALEJ.
Ja mam YIHUA 8508D, tak nemam problem to tam dat za 15 sec. ako aj ho dat dole.
Preto uz vsade davam OTA, je to rychle, bez problemov s konektormi,
co sa u 96 kHz uz zacina prejavovat.
https://techfun.sk/produkt/esp32-wroom- ... bluetooth/
https://techfun.sk/produkt/esp32-wroom- ... re-antenu/
https://techfun.sk/produkt/vyvojova-dos ... bluetooth/
A z tychto 12 modulov, mi prisli 2 dobre 40 mV na amper, ostane 12 -13 mV na amper,
ergo nemozem sa za 13 mesiacov posunut dalej, lebo nemozem zmerat dostatocne
presne a rychlo derivaciu prudu.
https://techfun.sk/produkt/hallov-senzor-prudu-acs758
Takze 80 € z 215 € dochodku je vela, a vyvoj stoji, nemozem ist dopredu, lebo nemam
elektrinu na PC, nemam 256 ale len 128 GB plne NVME a nemozem tam dat prostredia
ktore potrebujem,
Arduino IDE je zabugovane, prelozim program, CHYBA, prelozim to iste este raz, linker
nema problem to zlinkovat.
Potrebujem na prechod na 150 - 200 V in a 48 - 59 V OUT tieto DC-DC buck
co ma on v tom videu, takze zase niekolko mesiacov cakania.
https://www.youtube.com/watch?v=3te-bC1VMZY
Ale hoci mam kod a var/ a /tmp adresare v RAM, tak aj tak to 1 300 000 B image do 32 mbit
FLASH nas ESP32 kompiluje 2:06 sekundy. Strasne a to ma 12 vlaken a rychly PCIe 4.0 NVME.
A uz vobec sa tie veci nedaju optimalizovat na nove FET-y, GATE drivery, gate on/off odpory + diody,
snubber kondy + odpory, etc. To bez osciloskopu nejde, lebo ESP32 nema optimalizovane kniznice
na PWM na 32 - 96 kHz, co je vhodne u cievok - toroidov na 50 A prud, lebo sa menej hreju.
ze som ich vlozil do konektora o 1 PIN DALEJ.
Ja mam YIHUA 8508D, tak nemam problem to tam dat za 15 sec. ako aj ho dat dole.
Preto uz vsade davam OTA, je to rychle, bez problemov s konektormi,
co sa u 96 kHz uz zacina prejavovat.
https://techfun.sk/produkt/esp32-wroom- ... bluetooth/
https://techfun.sk/produkt/esp32-wroom- ... re-antenu/
https://techfun.sk/produkt/vyvojova-dos ... bluetooth/
A z tychto 12 modulov, mi prisli 2 dobre 40 mV na amper, ostane 12 -13 mV na amper,
ergo nemozem sa za 13 mesiacov posunut dalej, lebo nemozem zmerat dostatocne
presne a rychlo derivaciu prudu.
https://techfun.sk/produkt/hallov-senzor-prudu-acs758
Takze 80 € z 215 € dochodku je vela, a vyvoj stoji, nemozem ist dopredu, lebo nemam
elektrinu na PC, nemam 256 ale len 128 GB plne NVME a nemozem tam dat prostredia
ktore potrebujem,
Arduino IDE je zabugovane, prelozim program, CHYBA, prelozim to iste este raz, linker
nema problem to zlinkovat.
Potrebujem na prechod na 150 - 200 V in a 48 - 59 V OUT tieto DC-DC buck
co ma on v tom videu, takze zase niekolko mesiacov cakania.
https://www.youtube.com/watch?v=3te-bC1VMZY
Ale hoci mam kod a var/ a /tmp adresare v RAM, tak aj tak to 1 300 000 B image do 32 mbit
FLASH nas ESP32 kompiluje 2:06 sekundy. Strasne a to ma 12 vlaken a rychly PCIe 4.0 NVME.
A uz vobec sa tie veci nedaju optimalizovat na nove FET-y, GATE drivery, gate on/off odpory + diody,
snubber kondy + odpory, etc. To bez osciloskopu nejde, lebo ESP32 nema optimalizovane kniznice
na PWM na 32 - 96 kHz, co je vhodne u cievok - toroidov na 50 A prud, lebo sa menej hreju.
DC-AC inverter REC Lion DC-AC ESP32 DIY inv. 15 GB za sekundu DIY MPPT Holder
Zjedz vsetko, co si kupil, v obchode a netreba ti tasku, auto ci chladnicku.
Zjedz vsetko, co si kupil, v obchode a netreba ti tasku, auto ci chladnicku.
- rottenkiwi
- Příspěvky: 5451
- Registrován: pát úno 13, 2015 2:24 pm
- Reputace: 287
- Lokalita: SO, SK
- Bydliště: SO, SK
Re: DIY 3kW Arduino MPPT Solar Charge Controller ESP32
Je toto tu pouzitelne na ochranu MPPT proti prepolovaniu, ochranu voci spatnemu
toku prudu z bateriek do panelov v noci a ako current limiter, ak sa nieco stane s BUCK-om
alebo s ESP32 ?
.
toku prudu z bateriek do panelov v noci a ako current limiter, ak sa nieco stane s BUCK-om
alebo s ESP32 ?
.
DC-AC inverter REC Lion DC-AC ESP32 DIY inv. 15 GB za sekundu DIY MPPT Holder
Zjedz vsetko, co si kupil, v obchode a netreba ti tasku, auto ci chladnicku.
Zjedz vsetko, co si kupil, v obchode a netreba ti tasku, auto ci chladnicku.
-
- Příspěvky: 3188
- Registrován: stř úno 02, 2022 10:30 am
- Reputace: 388
- Lokalita: okolí Mělníka
- Systémové napětí: 48V
- Výkon panelů [Wp]: 13000
- Kapacita baterie [kWh]: 15
Re: DIY 3kW Arduino MPPT Solar Charge Controller ESP32
bez uprav podle me ne. Tyhle ochrane obvody s P mosfety jsou tak do 15V. Pak jim prorazis gate. Musel bys to nejak upravit a nebo pouzit neco sofistikovanejsiho, jako treba zapojeni idealni diody. Uz jsem tu daval schema. mozna vcera to bylo, nebo den pred tim.
- rottenkiwi
- Příspěvky: 5451
- Registrován: pát úno 13, 2015 2:24 pm
- Reputace: 287
- Lokalita: SO, SK
- Bydliště: SO, SK
Re: DIY 3kW Arduino MPPT Solar Charge Controller ESP32
NO tak co potom pouzit ? Zatial tam mam SSR ovladane 3 V.
Dal by sa tam dat n-fet + pomocny izolovany 12 V minizdroj.
Ale ja tam pocitam pri jednom MPPT 60 A na vstupe a to uz sa FET-y budu hriat.
Studer pouziva rele, ale to tiez nevydrzi 200 V vecne.
Dal by sa tam dat n-fet + pomocny izolovany 12 V minizdroj.
Ale ja tam pocitam pri jednom MPPT 60 A na vstupe a to uz sa FET-y budu hriat.
Studer pouziva rele, ale to tiez nevydrzi 200 V vecne.
DC-AC inverter REC Lion DC-AC ESP32 DIY inv. 15 GB za sekundu DIY MPPT Holder
Zjedz vsetko, co si kupil, v obchode a netreba ti tasku, auto ci chladnicku.
Zjedz vsetko, co si kupil, v obchode a netreba ti tasku, auto ci chladnicku.
-
- Příspěvky: 3188
- Registrován: stř úno 02, 2022 10:30 am
- Reputace: 388
- Lokalita: okolí Mělníka
- Systémové napětí: 48V
- Výkon panelů [Wp]: 13000
- Kapacita baterie [kWh]: 15
Re: DIY 3kW Arduino MPPT Solar Charge Controller ESP32
Proti prepolovani muzes proste zapojit mezi + a - diopdu v zavernem smeru
pak pri prepolovani vyskratuje panely. Pouziva se to i jinde ikdyz se to muze zdat jako kravina to tak delat ale prepolovani asi nenastane nikdy a nezavleces si ztraty pro normalni stav.
Zpetny proud nevim ... muze tam tect? A tece? Je potreba to resit? Pokud to chces resit, res to proste zapojenim idealni diody. Jsou na to obvody, tak jak jsem tu nekde dal. Vykonem mosfetu si nadimenzujes diodu. Asi pak jde pouzit vic mosfetu paralelne.
Pokud bys tyhle idealni diody pouzil na kazdy string, nemusel bys pouzit tak vykony mosfet, vyresil by jsi si pripadny zpetny proud mezi stringy (o tom se tu hodne napsalo
) a mohl bys dokonce string odpojovat treba pres to esp. Ale jako neco to stoji a jen ten jeden driver myslim stal tak 100 korun.

Zpetny proud nevim ... muze tam tect? A tece? Je potreba to resit? Pokud to chces resit, res to proste zapojenim idealni diody. Jsou na to obvody, tak jak jsem tu nekde dal. Vykonem mosfetu si nadimenzujes diodu. Asi pak jde pouzit vic mosfetu paralelne.
Pokud bys tyhle idealni diody pouzil na kazdy string, nemusel bys pouzit tak vykony mosfet, vyresil by jsi si pripadny zpetny proud mezi stringy (o tom se tu hodne napsalo

-
- Příspěvky: 296
- Registrován: sob črc 02, 2022 9:13 pm
- Reputace: 82
- Bydliště: středočeský kraj, 400 m n.m.
Re: DIY 3kW Arduino MPPT Solar Charge Controller ESP32
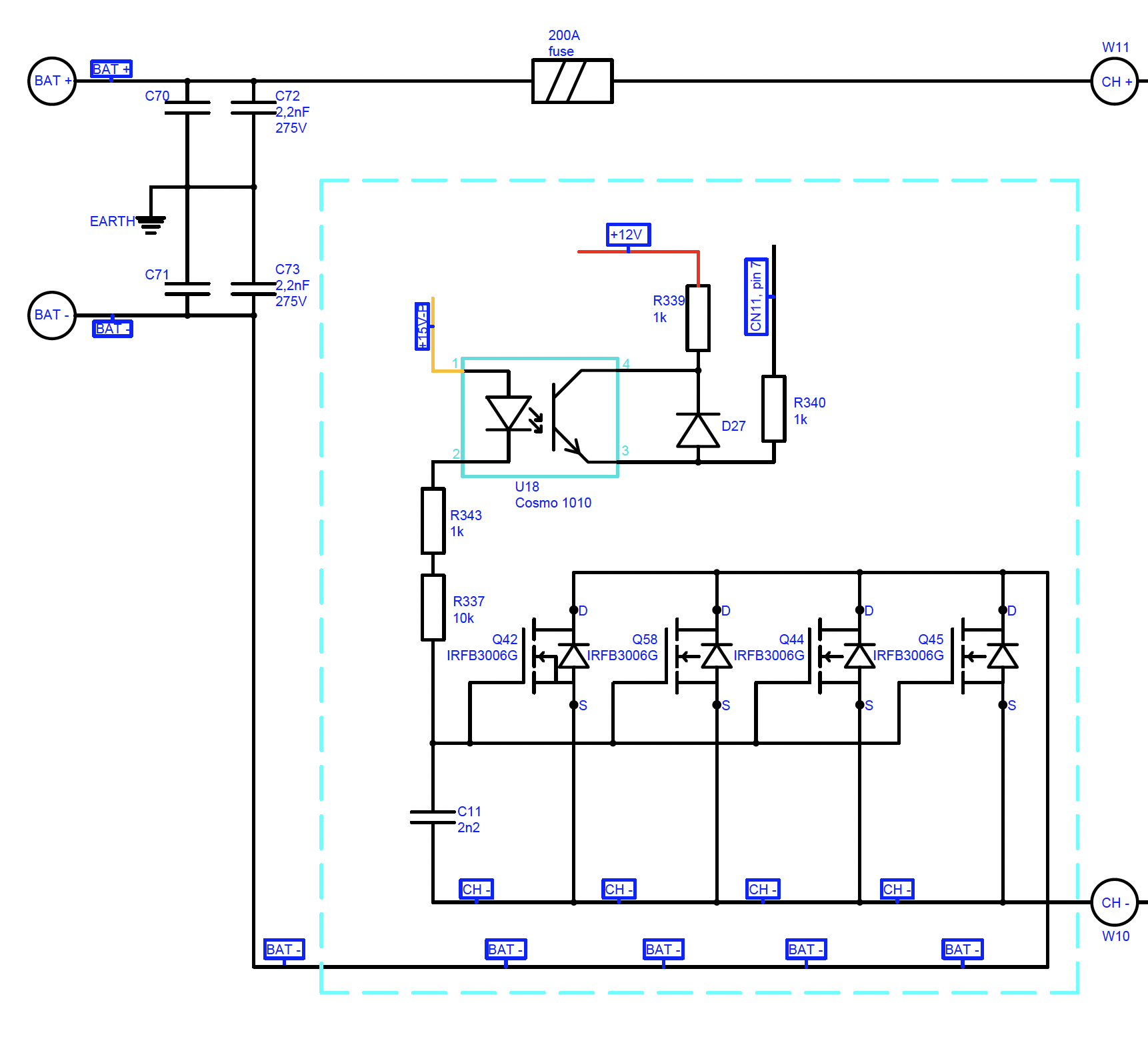
Mozna by se nejak dalo vyuzit toho jak je ve 48V invertorech udelana ochrana proti prepolovani baterie. Snese to vysoke proudy, pro vyssi napeti jen musis zmenit ty MOSFETy za verze co jsou na vyssi napeti. Ve vykonnych invertorech tam jsou MOSFETy paralelne kvuli rozkladani proudu, ale to tak je na spousty castech obvodu uvnitr. Pri tech paralelnich MOSFETech je nejlepsi davat paralelne kusy z jednen serie se stejnymi parametry, MOSFEty z ruznych serii se lisi vice a pak se mohou nektere pretezovat odpalit a kaskadove pak odpalit ty dalsi.
Zjednoduseny popis fce:
Pripojuje se baterie. Pokud se pripoji obracene poly baterie, vnitrni diody, jez jsou v MOSFETech, jsou v zavernem smeru. Vnitrni zdroj napajeni, jez je pripojen dale za CH+ a CH-, nenajede a negeneruje to +15V-B (tedy +15V napeti vuci CH- kanalu). MOSFETy nedostanou oteviraci signal na gate a nic se nedeje.
Pokud se baterie pripoji spravne, vnitrni diody jsou v propustnem smeru. Vnitrni zdroj najede, a +15V-B napeti otevre plne MOSFETy. Baterie je plne pripojena jak pro nabijeni, tak pro vybijeni. Ty diody maji nejdrive nejaky ubytek napeti, dokud nenajede zdroj, ale pak se otevre D-S a ubytek velmi poklesne. V tomto zapojeni i pri proudech 150A jsou tepelne ztraty relativne male. Mensi chladic je v pohode dava. Mam vyzkouseno, ze pri proudech nad 200A se odpali nejdrive ta pojistka a MOSFETy neodejdou.
V pripade MPPT se to resi podobne. MPPT board se napaji pouze z PV strany, aby se nevybijela baterie napajenim elektroniky MPPT boardu, kdyz neni pritomne PV napeti. Takze jakmile se vyskytne PV, vygeneruje se z nej nejdrive napajeni MPPT boardu a tim se uplne otevrou MOSFETy a spusti procesor generujici signaly pro boost nebo buck convertor na MPPT vstupu. Odpaleni MOSFETu je zde take chraneno pojistkou na PV vstupu MPPT boardu. Ja mam vysokonapetove MPPT na 5kW vykonu s pojistkou 20A.
Zjednoduseny popis fce:
Pripojuje se baterie. Pokud se pripoji obracene poly baterie, vnitrni diody, jez jsou v MOSFETech, jsou v zavernem smeru. Vnitrni zdroj napajeni, jez je pripojen dale za CH+ a CH-, nenajede a negeneruje to +15V-B (tedy +15V napeti vuci CH- kanalu). MOSFETy nedostanou oteviraci signal na gate a nic se nedeje.
Pokud se baterie pripoji spravne, vnitrni diody jsou v propustnem smeru. Vnitrni zdroj najede, a +15V-B napeti otevre plne MOSFETy. Baterie je plne pripojena jak pro nabijeni, tak pro vybijeni. Ty diody maji nejdrive nejaky ubytek napeti, dokud nenajede zdroj, ale pak se otevre D-S a ubytek velmi poklesne. V tomto zapojeni i pri proudech 150A jsou tepelne ztraty relativne male. Mensi chladic je v pohode dava. Mam vyzkouseno, ze pri proudech nad 200A se odpali nejdrive ta pojistka a MOSFETy neodejdou.
V pripade MPPT se to resi podobne. MPPT board se napaji pouze z PV strany, aby se nevybijela baterie napajenim elektroniky MPPT boardu, kdyz neni pritomne PV napeti. Takze jakmile se vyskytne PV, vygeneruje se z nej nejdrive napajeni MPPT boardu a tim se uplne otevrou MOSFETy a spusti procesor generujici signaly pro boost nebo buck convertor na MPPT vstupu. Odpaleni MOSFETu je zde take chraneno pojistkou na PV vstupu MPPT boardu. Ja mam vysokonapetove MPPT na 5kW vykonu s pojistkou 20A.
8.56 kWp - orientace JJV (160st.) sklon 23 st. - PERC, 72-half cut, bifacial
11 kW invertory - 2x Sorotec REVO II 5.5kW (aka Easun iGrid VE II 5.5kW) v paralelenim 1f zapojeni
33 kWh LiFePO4 baterie - cylindrical pack 100 AH a dve prismatic REPT 280 AH v 16-ti clankovem provedeni
plně elektrický dům, plná automatizace, 50+ ESP8266 + RPi, inteligentní vytěžovaní - samoučící prediktivní energetické rozvrhovaní
více v mém domovském vlákně zde
11 kW invertory - 2x Sorotec REVO II 5.5kW (aka Easun iGrid VE II 5.5kW) v paralelenim 1f zapojeni
33 kWh LiFePO4 baterie - cylindrical pack 100 AH a dve prismatic REPT 280 AH v 16-ti clankovem provedeni
plně elektrický dům, plná automatizace, 50+ ESP8266 + RPi, inteligentní vytěžovaní - samoučící prediktivní energetické rozvrhovaní
více v mém domovském vlákně zde
- rottenkiwi
- Příspěvky: 5451
- Registrován: pát úno 13, 2015 2:24 pm
- Reputace: 287
- Lokalita: SO, SK
- Bydliště: SO, SK
Re: DIY 3kW Arduino MPPT Solar Charge Controller ESP32
NO ono to tak nie je, Extra musi mat napajanie aj v noci na display + DC zataz.
Ani ja nemam napajani z PV, lebo musim najprv otestovat ci je PV napatie OK
a az potom nabit kondy a zapnut rele alebo mosfety na PV, ktore brania
v noci, aby cez N-FETy nesla energia z baterky do panelov.
Keby som mal napatie z PV, tak potrebujem zdroj 250V DC ==> 13 V DC a dalej 5 a 3.3 V.
A pri napati do 50 V z panelov, nie je problem 2.5 mOhm Rdson u FET-u.
Ale pri 250 V maju FET-y uplne ine parametre + este izolovany zdroj na GATE-y.
Rele na 250 V / 60 A je uz poriadne drahe.
P-FET-y maju zas velky odpor.
Ani ja nemam napajani z PV, lebo musim najprv otestovat ci je PV napatie OK
a az potom nabit kondy a zapnut rele alebo mosfety na PV, ktore brania
v noci, aby cez N-FETy nesla energia z baterky do panelov.
Keby som mal napatie z PV, tak potrebujem zdroj 250V DC ==> 13 V DC a dalej 5 a 3.3 V.
A pri napati do 50 V z panelov, nie je problem 2.5 mOhm Rdson u FET-u.
Ale pri 250 V maju FET-y uplne ine parametre + este izolovany zdroj na GATE-y.
Rele na 250 V / 60 A je uz poriadne drahe.
P-FET-y maju zas velky odpor.
DC-AC inverter REC Lion DC-AC ESP32 DIY inv. 15 GB za sekundu DIY MPPT Holder
Zjedz vsetko, co si kupil, v obchode a netreba ti tasku, auto ci chladnicku.
Zjedz vsetko, co si kupil, v obchode a netreba ti tasku, auto ci chladnicku.
- rottenkiwi
- Příspěvky: 5451
- Registrován: pát úno 13, 2015 2:24 pm
- Reputace: 287
- Lokalita: SO, SK
- Bydliště: SO, SK
Re: DIY 3kW Arduino MPPT Solar Charge Controller ESP32
POuzivate niekto vlastne chladenie ? A s akym vysledkom ?
Su vase fany silnejsie / tlakovo pri rovnakych otackach ? A co hluk ?
AKy je hluk na vysokych a nizkych frekvenciach ?
https://www.youtube.com/watch?v=4ImeOKgD_Dw
Su vase fany silnejsie / tlakovo pri rovnakych otackach ? A co hluk ?
AKy je hluk na vysokych a nizkych frekvenciach ?
https://www.youtube.com/watch?v=4ImeOKgD_Dw
DC-AC inverter REC Lion DC-AC ESP32 DIY inv. 15 GB za sekundu DIY MPPT Holder
Zjedz vsetko, co si kupil, v obchode a netreba ti tasku, auto ci chladnicku.
Zjedz vsetko, co si kupil, v obchode a netreba ti tasku, auto ci chladnicku.
- rottenkiwi
- Příspěvky: 5451
- Registrován: pát úno 13, 2015 2:24 pm
- Reputace: 287
- Lokalita: SO, SK
- Bydliště: SO, SK
Re: DIY 3kW Arduino MPPT Solar Charge Controller ESP32
Viete niekto, ci je mozne pouzit timer v Attiny, aby bol sfazovany s inym timerom ?
.
.
DC-AC inverter REC Lion DC-AC ESP32 DIY inv. 15 GB za sekundu DIY MPPT Holder
Zjedz vsetko, co si kupil, v obchode a netreba ti tasku, auto ci chladnicku.
Zjedz vsetko, co si kupil, v obchode a netreba ti tasku, auto ci chladnicku.
Kdo je online
Uživatelé prohlížející si toto fórum: Baidu [Spider], Claudebot [Bot] a 0 hostů