Ostrov 950Wp Pernštejnsko, trvale obydlená chata
-
- Příspěvky: 826
- Registrován: čtv zář 01, 2011 6:30 pm
- Reputace: 45
Re: Ostrov 600Wp Pernštejnsko, trvale obydlená chata
Rounové - myslíš sklené rouno AGM? No každopádně je to lepší než obyčejné. Ale to hustoměrem nezměříš, leda refraktometrem nabrat kapičku a tak ..
Pravda a Láska zvítězí!.
- vata
- Příspěvky: 1406
- Registrován: pon zář 12, 2011 11:32 am
- Reputace: 93
Upgrade
Konečně jsem se dostala k prezentaci upgrade rozvaděče a regulátoru.
Nechápu pánové, jak to děláte vy, že máte ty vaše rozvaděče takové jakési hezké, upravené. Mě se tam dřív nebo později vytvoří klubka drátů... No ale určitě je to lepší, než to bylo předtím
Aspoň už nehrozí, že při práci ve sklepě něčím nechtě zavadím o nějaký ten jistič, nebo kabelový závit...
Jak vidět, starý CXN jsem nakonec jako odpínač zátěže nepoužila - nevešel se tam nakonec. Sáhla jsem po napěťovém relé, zatím tom dostupném HRN-34, což je ale dost velký kompromis - má velmi malou hysterezi a přesnost nastavení je ubohá, aspoň pokud nemáte laboratorní zdroj. Časem vyměním.
Ty prázdné tři pozice měl být analogový budík s měřením systémového napětí. Nakonec jsem to nezvládla konstrukčně - rozdělala jsem jej za účelem potlačit nulu a nastavit rozsah (http://georgeb.wz.cz/technika/voltmetr/voltmetr.pdf), ale rozpadl se mi pod rukama a pak už nešel složit
No a pak mi došlo, že bych jej stejně neuměla nacpat do těch krabiček (vyříznout ten otvor a takové ty věci). Možná tam dám časem něco digitálního, každopádně je to pro mě nepříjemný pocit, nevidět bez kompjůtru co se v systému děje... Stav systému zobrazuje ta krabička s LEDkama, která je plná signálních relátek a chuchvalce drátů, akorát se mi nepodařilo popsat ten panel
Budu muset pověsit na dvířka zevnitř legendu...
Ta krabička vedle těch prázdných pozic je plná elektrolytů, jakožto pokus zklidnit regulací zvlněné napětí. Nevím, jestli je to těma kondenzátorama (0,2F/25V) nebo regulátorem, ale fakt to už nebliká
. Těm kondenzátorům je ještě předřazen malý výkonový odpor omezující proud do kondenzátorů na 8A, aby neprotestoval ten záložní zdroj. V krabičce jsou proto, že kdyby se chtěly rozprsknout, tak ať na to mají soukromí.
A jak to funguje? No prostě, funguje. Akorát jsem špatně nadimenzovala AC jistič spínaného zdroje (100W) - B2 občasně při přepnutí na zálohu odpadne.
Nechápu pánové, jak to děláte vy, že máte ty vaše rozvaděče takové jakési hezké, upravené. Mě se tam dřív nebo později vytvoří klubka drátů... No ale určitě je to lepší, než to bylo předtím

Jak vidět, starý CXN jsem nakonec jako odpínač zátěže nepoužila - nevešel se tam nakonec. Sáhla jsem po napěťovém relé, zatím tom dostupném HRN-34, což je ale dost velký kompromis - má velmi malou hysterezi a přesnost nastavení je ubohá, aspoň pokud nemáte laboratorní zdroj. Časem vyměním.
Ty prázdné tři pozice měl být analogový budík s měřením systémového napětí. Nakonec jsem to nezvládla konstrukčně - rozdělala jsem jej za účelem potlačit nulu a nastavit rozsah (http://georgeb.wz.cz/technika/voltmetr/voltmetr.pdf), ale rozpadl se mi pod rukama a pak už nešel složit


Ta krabička vedle těch prázdných pozic je plná elektrolytů, jakožto pokus zklidnit regulací zvlněné napětí. Nevím, jestli je to těma kondenzátorama (0,2F/25V) nebo regulátorem, ale fakt to už nebliká

Inteligentní ostrov - www.vati.cz
- Lui
- Příspěvky: 1279
- Registrován: pon srp 08, 2011 3:14 pm
- Reputace: 148
- Lokalita: Senec
- Systémové napětí: 48V
- Výkon panelů [Wp]: cca 35kwp
- Kapacita baterie [kWh]: malá
- Bydliště: Slovensko
Re: Upgrade
Nic si z toho nerob....vata píše:Nechápu pánové, jak to děláte vy, že máte ty vaše rozvaděče takové jakési hezké, upravené. Mě se tam dřív nebo později vytvoří klubka drátů...

...ja mam ten isty problem....najprv je to ako tak pekne pokablovane...a potom tam vsetko mozne podopajam...ale nevadi, hlavne ze to funguje....

málo kwp
, 60V 1,2kAh , 15S 600P Lion
+ 60V 198Ah Lifepo4
, 10 x MPPT VT-80 , 4xStuder XTH 8000 vo výstavbe ,
Záloha:180Wp
,12V LiFePO4 60Ah
, epsolar 10 ,victron 350w sinus



Záloha:180Wp


- mypower.cz
- R.I.P.
- Příspěvky: 4926
- Registrován: pát bře 04, 2011 11:36 am
- Reputace: 522
Re: Ostrov 600Wp Pernštejnsko, trvale obydlená chata
nahodou pohoda, a jak se to zavre tak je to uplne v klidu
u me to je zkrocene tema listama kablovyma, jinak by to bylo taky vrabci hnizdo


u me to je zkrocene tema listama kablovyma, jinak by to bylo taky vrabci hnizdo


-
- Příspěvky: 97
- Registrován: čtv zář 15, 2011 11:50 am
- Reputace: 2
Re: Upgrade
Zdravím. Měl bych prosbičku. Po všech těch upgradech a výměnách regulátorů, nešlo by upgradovat to původní schéma (http://vata.cz/fv/img/schema.png) na aktuální stav pro nás méně znalé ale o to víc nadšené
?

- vata
- Příspěvky: 1406
- Registrován: pon zář 12, 2011 11:32 am
- Reputace: 93
Re: Ostrov 600Wp Pernštejnsko, trvale obydlená chata
Zdravím,
ano, zde je: http://vata.cz/fv/img/dc_rozvadec.jpg
Asi je dost nepřehledné, protože mám v tom schematu nacpané i signálová relátka pro spínání měničů a signalizační ledky. Tuhle část elektriky jsem nakonec docela oddělila od ostatního a nacpala do té DIN krabičky s LEDkama.
Mimochodem, zítra jsem se odhodlala vyměnit AC rozvaděč, který jsem navrhla a sestavila podle rad zde: https://forum.mypower.cz/viewtopic.php? ... t=60#p5377.
Takže když už sem nenapíšu, chybička se vloudila
ano, zde je: http://vata.cz/fv/img/dc_rozvadec.jpg
Asi je dost nepřehledné, protože mám v tom schematu nacpané i signálová relátka pro spínání měničů a signalizační ledky. Tuhle část elektriky jsem nakonec docela oddělila od ostatního a nacpala do té DIN krabičky s LEDkama.
Mimochodem, zítra jsem se odhodlala vyměnit AC rozvaděč, který jsem navrhla a sestavila podle rad zde: https://forum.mypower.cz/viewtopic.php? ... t=60#p5377.
Takže když už sem nenapíšu, chybička se vloudila

Inteligentní ostrov - www.vati.cz
- vata
- Příspěvky: 1406
- Registrován: pon zář 12, 2011 11:32 am
- Reputace: 93
Re: Ostrov 600Wp Pernštejnsko, trvale obydlená chata
Je dobré zmínit, že v tom celém mám takový menší problém, který způsobuje místo, kam jsem umístila relativně velké kondenzátory (vyhlazovací). Oproti schematu tam jsou dvojnásobné. DC rozvod se tak totiž chová jako třetí DC zdroj, který zafunguje, když se DC rozvody přepínají mezi baterkou a zálohou. Bůhví, co to přesně dělá, kudy tam ta elektrika chodí, vidím akorát na LEDkách, že svítí chvíli to, co by svítit nemělo... No ale nikde nic nehoří, tak jsem to nechala být 
A ještě mě napadlo, že potom, co jsem na tomto fóru vyčetla, přemýšlím, že nahradím relé RL3 stykačem s přepínacími kontakty. Toto relé přepíná totiž DC zátěž mezi baterií a zálohou, tzn. v okamžiku přepínání může téct do DC rozvodů proud max 8A (v běžném provozu po setmění kolem 4A), to se mi zdá už jako dost velký proud na nějaký ten oblouček... Aby se mi nespeklo...

A ještě mě napadlo, že potom, co jsem na tomto fóru vyčetla, přemýšlím, že nahradím relé RL3 stykačem s přepínacími kontakty. Toto relé přepíná totiž DC zátěž mezi baterií a zálohou, tzn. v okamžiku přepínání může téct do DC rozvodů proud max 8A (v běžném provozu po setmění kolem 4A), to se mi zdá už jako dost velký proud na nějaký ten oblouček... Aby se mi nespeklo...
Inteligentní ostrov - www.vati.cz
- Toul
- Příspěvky: 322
- Registrován: čtv dub 21, 2011 2:46 pm
- Reputace: 3
Re: Ostrov 600Wp Pernštejnsko, trvale obydlená chata
Počkat počkat, vyhlazovací kondenzátory tedy C1?
Řeším totiž jak odrušit DC část, mám pocit že můj měnič HQ mi do DC rozvodů pouští nemalé rušení a nějak nevím co s tím.
Řeším totiž jak odrušit DC část, mám pocit že můj měnič HQ mi do DC rozvodů pouští nemalé rušení a nějak nevím co s tím.
- vata
- Příspěvky: 1406
- Registrován: pon zář 12, 2011 11:32 am
- Reputace: 93
Re: Ostrov 600Wp Pernštejnsko, trvale obydlená chata
Ano. Já to ale nedělala kvůli měniči, ale kvůli zkušenostem s CXN, který pouštěl do DC takové chvění (asi PWM). Taky, aby mi při přepínání mezi baterií / zálohou neresetoval router. No, nový rozvaděč jsem spustila současně s novým regulátorem, a už se to netřepe. Tak nevím, jestli je to kondenzátorem nebo regulátorem 
Stejně si myslím, že ta kapacita by mohla být ještě větší, nicméně nějaký vyložený kapacitor se mi kupovat nechtělo, a už těch stávajících 20000uF /25V je docela náročné na místo. Mimochodem - taky ty rezistory tam mám 2 paralelně (čili 1,5ohm), úplně bez omezení bych se takovou kapacitu obávala připojit na zdroj - kvůli DC záloze. Musím to schéma držet víc aktuální...

Stejně si myslím, že ta kapacita by mohla být ještě větší, nicméně nějaký vyložený kapacitor se mi kupovat nechtělo, a už těch stávajících 20000uF /25V je docela náročné na místo. Mimochodem - taky ty rezistory tam mám 2 paralelně (čili 1,5ohm), úplně bez omezení bych se takovou kapacitu obávala připojit na zdroj - kvůli DC záloze. Musím to schéma držet víc aktuální...
Inteligentní ostrov - www.vati.cz
- vata
- Příspěvky: 1406
- Registrován: pon zář 12, 2011 11:32 am
- Reputace: 93
Re: Ostrov 600Wp Pernštejnsko, trvale obydlená chata
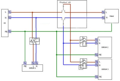
Díky radám zdejších zkušenějších ostrováků jsem si troufla i na AC rozvaděč, s ručním přepínáním sítí. Přepínám oba pracovní vodiče, PE jsem nechala nepřerušen z DS (skutečně mi do baráku vedou 3 dráty, přičemž PE vypadá na vstupu do domu přizemněný) a PE měniče je nevyveden.
Základní schema zde: https://forum.mypower.cz/download/file.php?id=211&t=1 Na obrázku původního řešení vpravo nahoře vyčuhuje provizorní "přepínač sítí" - DIN krabička a do ní vsazený GES přepínač ON/ON
Ta neskutečně velká krabice je třífázový napěťový chránič. Bůhví, zda něco chránil. Každopádně nevybavoval, dával pokoj. Sbírá-li někdo podobné starožitnosti, pošlu
Vnitřek neukážu - je ještě víc divoký, než u toho DC rozvaděče
Prostě ať dělám co dělám, vždycky se to tak nějak zamuchlá
Byla jsem nakonec ráda, že se mi jej podařilo kvůli těm kabelům zavřít (původní AC rozvody jsou hliníkové, takové ludry tlusté neohebné...)
No ale funguje dobře. Přepínač přepíná, měřáky měří, jističe jistí, chrániče (snad) chrání, a hlavně to nikde nehoří...
Mimochodem - teprve když člověk rozebírá tyhle staré instalace, uvědomí si, jak to měli naši předci komplikované, když neexistovaly (nebo nebyly k mání) normované DIN rozvaděče a modulové přístroje... Šílených všelijakých šroubků, takové jakési porcelánové můstky tam byly, muselo to být hrozně pracné, tohle instalovat...
Základní schema zde: https://forum.mypower.cz/download/file.php?id=211&t=1 Na obrázku původního řešení vpravo nahoře vyčuhuje provizorní "přepínač sítí" - DIN krabička a do ní vsazený GES přepínač ON/ON




No ale funguje dobře. Přepínač přepíná, měřáky měří, jističe jistí, chrániče (snad) chrání, a hlavně to nikde nehoří...
Mimochodem - teprve když člověk rozebírá tyhle staré instalace, uvědomí si, jak to měli naši předci komplikované, když neexistovaly (nebo nebyly k mání) normované DIN rozvaděče a modulové přístroje... Šílených všelijakých šroubků, takové jakési porcelánové můstky tam byly, muselo to být hrozně pracné, tohle instalovat...
Naposledy upravil(a) vata dne ned bře 18, 2012 10:52 pm, celkem upraveno 1 x.
Inteligentní ostrov - www.vati.cz
-
- Příspěvky: 999
- Registrován: čtv črc 28, 2011 12:01 pm
- Reputace: 20
Re: Ostrov 600Wp Pernštejnsko, trvale obydlená chata
Kolik zerou ty meraky?
- abrams
- Příspěvky: 2777
- Registrován: ned črc 17, 2011 12:19 pm
- Reputace: 427
- Lokalita: Brno
- Bydliště: Brno
Re: Ostrov 600Wp Pernštejnsko, trvale obydlená chata
Zdravím ,
moc pěkná práce
, nejzákladnější pravidlo kterým se řídím je :
"předymenzovat a když to při oživení nebochne a vše funguje , tak je to OK
(párkrát se mi nějak povedlo
uzemnit fázi , většinou při oživení okamžitě spadl hlavní jistíč , ale jednou bouchla 40A pojistka v přípojce k DS
)
na hlavě vlasy , a někdy je škoda to rušit . Holt řemeslníci , ikdyž , i dnes se najdou "plácalové" , že ?
Elektronům zdar
PS. takovéto din hodiny mívají spotřebu 0,25W až 0,8W
moc pěkná práce

"předymenzovat a když to při oživení nebochne a vše funguje , tak je to OK

uzemnit fázi , většinou při oživení okamžitě spadl hlavní jistíč , ale jednou bouchla 40A pojistka v přípojce k DS

No jó , dneska je to samý cvak - cvak , lup - lup ...... , dříve ty rozvody delali "umělci" - někdy z toho hrůzou vstávajívata píše:........
Mimochodem - teprve když člověk rozebírá tyhle staré instalace, uvědomí si, jak to měli naši předci komplikované, když neexistovaly (nebo nebyly k mání) normované DIN rozvaděče a modulové přístroje... Šílených všelijakých šroubků, takové jakési porcelánové můstky tam byly, muselo to být hrozně pracné, tohle instalovat...
na hlavě vlasy , a někdy je škoda to rušit . Holt řemeslníci , ikdyž , i dnes se najdou "plácalové" , že ?
Elektronům zdar

PS. takovéto din hodiny mívají spotřebu 0,25W až 0,8W

3,96kWp monokrystalů + 2x regl PCM60X + 24kWh LiFePO4 + 6kW HF sínus měnič 48MWh+ , celé na 52V systému .
Chibi v textu vyhrazeny
Chibi v textu vyhrazeny

- vata
- Příspěvky: 1406
- Registrován: pon zář 12, 2011 11:32 am
- Reputace: 93
Re: Ostrov 600Wp Pernštejnsko, trvale obydlená chata
Díky za pochvalu. Kdybych to ukázala otevřené, ocenil byste jistě i moji uměleckou kreativitu
Za vysoce kreativní považuji i já způsob, jak vyhřívám studnu - dovedla jsem do ní kdysi jediný třížilový CYKY, po první zimě zjistila, že zamrzá, takže potřeba vyhřívání. Testovací otázka - jak by jste vyřešili vy?
Ano, ty měřáky mají 0,4W - tak to stojí v papírech. No, za ten přehled mi to stojí. To ta lenost - ke krabici distributora pár set metrů po louce, takhle to mám pod nosem
Mimochodem, ti jejich křižíci žerou asi o dost víc, soudě podle zvuku.
Nic nebóchlo, většinou před zapojením zavírám oči, jenže tentokrát jsem byla tak utahaná, že si ani nevybavuju ten okamžik, kdy jsem to zapnula.
Na té staré instalaci je matoucí to barevné značení: v krabici je nulák modrý, jak by měl být, vnitřní rozvody mají nulák černý, fázi už normálně hnědou, a fázi v zásuvkách obráceně vpravo. Doufám, že aspoň ve všech. Že je to fáze, jsem změřila - skutečně mezi N a PE velmi malý odpor. Je to hrozně matoucí.
Světelné okruhy jsou tahané ve 4 žilových kabelech (dva černé, hnědý a žlutozelený), přičemž pracovně vypadají být ty černé. Na zapojení světelných okruhů jsem rezignovala (svítím na DC, takže chybět nebudou), když nerozumím tomu jak je to vymyšlené nechám to zatím být.

Ano, ty měřáky mají 0,4W - tak to stojí v papírech. No, za ten přehled mi to stojí. To ta lenost - ke krabici distributora pár set metrů po louce, takhle to mám pod nosem

Nic nebóchlo, většinou před zapojením zavírám oči, jenže tentokrát jsem byla tak utahaná, že si ani nevybavuju ten okamžik, kdy jsem to zapnula.
Na té staré instalaci je matoucí to barevné značení: v krabici je nulák modrý, jak by měl být, vnitřní rozvody mají nulák černý, fázi už normálně hnědou, a fázi v zásuvkách obráceně vpravo. Doufám, že aspoň ve všech. Že je to fáze, jsem změřila - skutečně mezi N a PE velmi malý odpor. Je to hrozně matoucí.
Světelné okruhy jsou tahané ve 4 žilových kabelech (dva černé, hnědý a žlutozelený), přičemž pracovně vypadají být ty černé. Na zapojení světelných okruhů jsem rezignovala (svítím na DC, takže chybět nebudou), když nerozumím tomu jak je to vymyšlené nechám to zatím být.
Inteligentní ostrov - www.vati.cz
-
- Příspěvky: 116
- Registrován: sob říj 15, 2011 7:28 pm
- Reputace: 0
Re: Ostrov 600Wp Pernštejnsko, trvale obydlená chata
žárovka?vata píše:Za vysoce kreativní považuji i já způsob, jak vyhřívám studnu - dovedla jsem do ní kdysi jediný třížilový CYKY, po první zimě zjistila, že zamrzá, takže potřeba vyhřívání. Testovací otázka - jak by jste vyřešili vy?

- vata
- Příspěvky: 1406
- Registrován: pon zář 12, 2011 11:32 am
- Reputace: 93
Re: Ostrov 600Wp Pernštejnsko, trvale obydlená chata
Vyhřívám topným kabelem, otázka směřovala spíš na způsob, jak napájet nezávisle dva spotřebiče jediným třížílovým káblem
Kultura řešení je velmi problematická 


Inteligentní ostrov - www.vati.cz
-
- Příspěvky: 99
- Registrován: pon čer 27, 2011 6:02 pm
- Reputace: 1
Re: Ostrov 600Wp Pernštejnsko, trvale obydlená chata
Hihi, vzhledem k mým improvizačním technikám, tak začínám již trošku tušit:)
-
- Příspěvky: 999
- Registrován: čtv črc 28, 2011 12:01 pm
- Reputace: 20
Re: Ostrov 600Wp Pernštejnsko, trvale obydlená chata
Křižík si vezme asi 1W, ale jenom když spotřebovává energii, ale tohle si bere 0,4W pořád, což mi zvlášť v zimě přijde škoda.vata píše:Ano, ty měřáky mají 0,4W - tak to stojí v papírech. No, za ten přehled mi to stojí. To ta lenost - ke krabici distributora pár set metrů po louce, takhle to mám pod nosemMimochodem, ti jejich křižíci žerou asi o dost víc, soudě podle zvuku.
- tomas
- Příspěvky: 2581
- Registrován: pon bře 07, 2011 11:05 am
- Reputace: 243
- Bydliště: Třinec
Re: Ostrov 600Wp Pernštejnsko, trvale obydlená chata
Napěťové cívky Křižíku také nepřetržitě spotřebovávají výkon při 50 Hz: 0,8 ÷ 1,3 W/4,31 ÷ 5,8 V.A při třech fázích je to krát 3.
http://www.elektromery.com/soubory/EJsl.pdf
http://www.elektromery.com/soubory/EJsl.pdf
Chci elektrárnu s licencí a s prodejem přebytků nebo komunitní výměnou energie: ANO
-
- Příspěvky: 999
- Registrován: čtv črc 28, 2011 12:01 pm
- Reputace: 20
Re: Ostrov 600Wp Pernštejnsko, trvale obydlená chata
Ano, napěťové cívky elektroměru sice odebírají nepřetržitě, ale rozhodně nespotřebovávají. Je to čistá jalovina.
- vata
- Příspěvky: 1406
- Registrován: pon zář 12, 2011 11:32 am
- Reputace: 93
Re: Ostrov 600Wp Pernštejnsko, trvale obydlená chata
tak tak, jsem to i přeznačila; i když možná ne všude... ještě to projdu.jhladik píše:Hihi, vzhledem k mým improvizačním technikám, tak začínám již trošku tušit:)
Inteligentní ostrov - www.vati.cz
Kdo je online
Uživatelé prohlížející si toto fórum: Claudebot [Bot], META a 0 hostů