EGD: Zdroje do 800 W bez dodávky do sítě (balkonové FVE)
Souhrn tématu
Diskuze se zaměřuje na oficiální postup připojení balkonových fotovoltaických zdrojů do 800 W v distribuční síti EGD bez dodávky do sítě. Uživatelé sdílejí zkušenosti s vyplňováním formulářů, požadavky na revize a měření, a porovnávají rozdíly mezi EGD a ČEZ. Praktické rady a odkazy na legislativu pomáhají zájemcům o jednoduché a legální připojení malých FVE systémů.
- Valdano
- Příspěvky: 1843
- Registrován: čtv črc 21, 2022 5:39 pm
- Reputace:259
- Lokalita: Česká Lípa
- Chci prodávat energii: NE
- Chci/Mám dotaci: NE
Re: EGD: Zdroje do 800 W bez dodávky do sítě (balkonové FVE)
V ČR se používá platforma EDC. Chytré elektroměry v bytových domech nebo RD jsou komunikačně propojeny s centrálním systémem EDC prostřednictvím zabezpečených datových spojení.
- Mex
- Příspěvky: 1922
- Registrován: pát zář 29, 2023 4:12 am
- Reputace:361
- Lokalita: Brno
- Systémové napětí: >48V
Re: EGD: Zdroje do 800 W bez dodávky do sítě (balkonové FVE)
Co to proboha znamená?
4Q elektroměr (4-kvadrantový) se nejmenuje podle nějakých kvadrantů-čtvrthodin. Ale podle toho, že měří proteklou energii ve 4 kvadrantech souřadného systému - dopřednou reálnou a jalovou, zpětnou reálnou a jalovou.
A nějaká přesná synchronizace začátků čtvrthodin asi není zas tak nutná, pokud jsou tam 2 omezující kritéria pro případnou pokutu:
- jednak přeteklých 75Wh během čtvrthodiny (tady by teoreticky na přesnosti hodin mohlo záležet, když by to bylo na hraně)
- 30kWh hodin během celého měsíce
A to je poměrně dost. Rozhodně nějaké drobné krátkodobé přetoky, vzniklé konečnou rychlostí reakce měniče na skokové odlehčení, tolik neudělají.
- Lubik
- Příspěvky: 621
- Registrován: pon úno 15, 2021 10:04 pm
- Reputace:33
- Lokalita: Praha
- Chci prodávat energii: NE
- Chci/Mám dotaci: NE
- Bydliště: Praha
Re: EGD: Zdroje do 800 W bez dodávky do sítě (balkonové FVE)
Soused má vedle elektroměru anténku na datový přenos.Marek_ píše: stř led 22, 2025 9:14 pm4Q elekroměr poznám pohledem na néj ( popis, konstrukce ...), nebo jen podle typu a dohledáním parametrů ?
Panely 4x 280W , 4x330W Isolar 6kW,48V Lifepo 460 Ah
- Valdano
- Příspěvky: 1843
- Registrován: čtv črc 21, 2022 5:39 pm
- Reputace:259
- Lokalita: Česká Lípa
- Chci prodávat energii: NE
- Chci/Mám dotaci: NE
Re: EGD: Zdroje do 800 W bez dodávky do sítě (balkonové FVE)
V rámci jednotlivých čtvrthodin to nemá moc smysl řešit. Pokud si někdo pořídí běžný set balkonovky s max. výkonem 800W ovšem bez jakékoli možnosti dynamického řízení výkonu a nepoužije ani již dříve zmíněné proudové relé a ještě ke všemu to bude do domácnosti, kde je v pracovních dnech přes den jen minimální odběr třeba jen okolo 100W nebo i méně, tak se v letním období může běžně dopracovat i na hodnoty přetoků přes 30kWh/měsíčně. Pokud tedy má být provozován běžný set balkonovky bez regulace přetoků tak jak je, pak je potřeba přihlédnout k tomu jaká je minimální spotřeba domácnosti přes den a po jakou dobu a podle toho volit maximální výkon balkonovky.
- Valdano
- Příspěvky: 1843
- Registrován: čtv črc 21, 2022 5:39 pm
- Reputace:259
- Lokalita: Česká Lípa
- Chci prodávat energii: NE
- Chci/Mám dotaci: NE
Re: EGD: Zdroje do 800 W bez dodávky do sítě (balkonové FVE)
Nejlepší je vždy jen ta, kterou si nekoupíte.
S hotovým setem často narazíte na něco co vám třeba nebude tak úplně vyhovovat. Takže na zvážení je spíš nekupovat žádný hotový set balkonovky a namísto toho si složit vlastní balkonovku. Jako základ bych navrhoval už zde mnohokrát zmiňovaného modráska. Dá se koupit celkem levně a je stavěný na dynamickou regulaci výkonu dle měření odběru. Je to poměrně jednoduché řešení. K tomu si pak vybrat samostatně k němu vhodné FV panely a podle velikosti jaká vám bude vyhovovat.
- JirkaE
- Příspěvky: 2301
- Registrován: pát dub 21, 2023 7:17 pm
- Reputace:324
- Lokalita: Kousek od Rozvadova
- Systémové napětí: 48V
- Výkon panelů [Wp]: 7350
- Kapacita baterie [kWh]: 38
- Chci prodávat energii: NE
- Chci/Mám dotaci: NE
Re: EGD: Zdroje do 800 W bez dodávky do sítě (balkonové FVE)
Ano - úplně nejlepší - nepořizovat nicValdano píše: stř led 22, 2025 10:07 pmS hotovým setem často narazíte na něco co vám třeba nebude tak úplně vyhovovat. Takže na zvážení je spíš nekupovat žádný hotový set balkonovky a namísto toho si složit vlastní balkonovku. Jako základ bych navrhoval už zde mnohokrát zmiňovaného modráska. Dá se koupit celkem levně a je stavěný na dynamickou regulaci výkonu dle měření odběru. Je to poměrně jednoduché řešení. K tomu si pak vybrat samostatně k němu vhodné FV panely a podle velikosti jaká vám bude vyhovovat.
Zcela souhlasím s modráskem (u kterého se ani výkon na 800W omezovat nemusí - ALE MŮŽE) - nicméně to nedokáže postavit každý...
To už není řešení - kde zavěsím panely na zábradlí jako truhlík, na skládačku podobné té z Ikei a strčím ,,TO" do zásuvky.
Máme doma trvalý odběr 140W který jsme někde v prosinci zvedli o 60W - sušák na boty = Celkem MAX 200W.
Provozuju to JEN PROTO, abych zjistil jak to vlastně je doopravdy s těmi přetoky a vedlejším efektem se stalo zakrytí mikropřetoků Modráska 2kW.
Na počátku jsem byl skeptik, považoval Balkonovku za nesmysl - kde půlka utiká neřízeně pryč.
Evidentně jsem se spletl
Pokud nikdo nic jiného nemá a nemá jiné možnosti jak si s FV přilepšit - je to zcela jistě dobré řešení.
PS: Pokud jsem přes týden v práci přes den - lze taky jeden panel odpojit a udělat z 800W jen 400W a na víkend zas zapnout oba.
Nebo přidat nějaké topítko na wifi zásuvku 200W-600W a mnoho dalších řešení - kde není nutné ovládat programování a prvky automatizace.
(já sám to taky neumím - tak na to jdu od lesa)
Porovnání všech 4 stringů a nově i finálový celek s Victron a teploty vody bojlerů 1-3 : DC - WATTMETR / Victron / Bojlery
Domovské vlákno : Jirkova FVE
Spirály v bazaru : Spirály 55V - Je tam i ten test
Domovské vlákno : Jirkova FVE
Spirály v bazaru : Spirály 55V - Je tam i ten test
- JirkaE
- Příspěvky: 2301
- Registrován: pát dub 21, 2023 7:17 pm
- Reputace:324
- Lokalita: Kousek od Rozvadova
- Systémové napětí: 48V
- Výkon panelů [Wp]: 7350
- Kapacita baterie [kWh]: 38
- Chci prodávat energii: NE
- Chci/Mám dotaci: NE
Re: EGD: Zdroje do 800 W bez dodávky do sítě (balkonové FVE)
Loni jsem stavěl pro jednoho maníka TOTO 
Mermomocí chtěl využívat přebytek (po ohřátí bojleru) pouze pro balkónovku...
Na efektivitu 3 panelů, které ,,spí " a nic nevyrábějí jsem upozorňoval - prostě to tak chtěl tak jsem to upravil/postavil.
Data žádná nemám, na druhou stranu - pokud nic nedělají 3 panely je lepší než když nic nedělá 5 panelů
Mermomocí chtěl využívat přebytek (po ohřátí bojleru) pouze pro balkónovku...
Na efektivitu 3 panelů, které ,,spí " a nic nevyrábějí jsem upozorňoval - prostě to tak chtěl tak jsem to upravil/postavil.
Data žádná nemám, na druhou stranu - pokud nic nedělají 3 panely je lepší než když nic nedělá 5 panelů
Porovnání všech 4 stringů a nově i finálový celek s Victron a teploty vody bojlerů 1-3 : DC - WATTMETR / Victron / Bojlery
Domovské vlákno : Jirkova FVE
Spirály v bazaru : Spirály 55V - Je tam i ten test
Domovské vlákno : Jirkova FVE
Spirály v bazaru : Spirály 55V - Je tam i ten test
- Valdano
- Příspěvky: 1843
- Registrován: čtv črc 21, 2022 5:39 pm
- Reputace:259
- Lokalita: Česká Lípa
- Chci prodávat energii: NE
- Chci/Mám dotaci: NE
Re: EGD: Zdroje do 800 W bez dodávky do sítě (balkonové FVE)
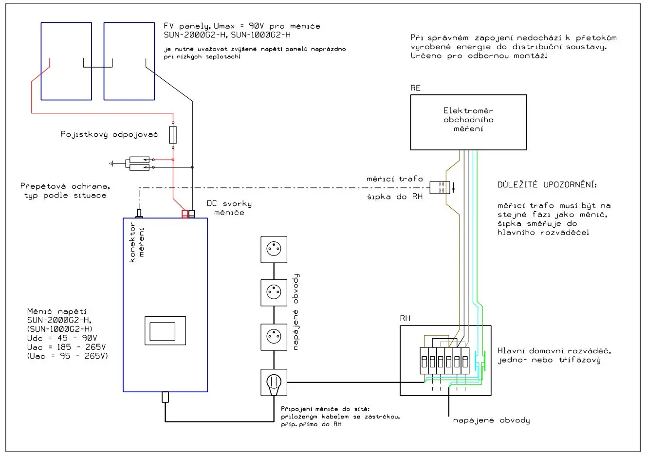
Koupit modráska (v eshopu je tam u něj přímo i schéma zapojení balkonovky jako celku viz přiložený obrázek). V jiném eshopu se dá koupit dokonce ještě trochu levněji jen za 3700 Kč včetně DPH. Plus dokoupit samostatně přepěťovku, pojistkový odpojovač, panely a k tomu kablíky k panelům i s koncovkami + šnůru s už hotovou koncovkou na připojení do zásuvky + natáhnout kablík a připojit čidlo odběru není nic extra složitého. V podstatě to stačí poskládat a podle schématu připojit podobně jako ten hotový set akorát je v rozdíl v tom, že si komponenty nakoupíte samostatně. Není potřeba řešit nějaké programování specialit apod. Nastavení přímo na panelu modráska si každý najde v popisech v českém návodu, který je tam ke stažení a v návodu jsou popsány i různé možnosti konfigurace panelů.JirkaE píše: čtv led 23, 2025 7:45 amZcela souhlasím s modráskem (u kterého se ani výkon na 800W omezovat nemusí - ALE MŮŽE) - nicméně to nedokáže postavit každý...
To už není řešení - kde zavěsím panely na zábradlí jako truhlík, na skládačku podobné té z Ikei a strčím ,,TO" do zásuvky.
Naposledy upravil(a) Valdano dne čtv led 23, 2025 11:28 am, celkem upraveno 1 x.
- cipis
- Moderátor
- Příspěvky: 6885
- Registrován: pon srp 16, 2021 9:31 pm
- Reputace:960
- Lokalita: blízko Brna
- Systémové napětí: 24V
- Výkon panelů [Wp]: 13+ kWp
- Kapacita baterie [kWh]: 40+26
- Chci prodávat energii: NE
- Chci/Mám dotaci: NE
- Bydliště: blízko Brna
Re: EGD: Zdroje do 800 W bez dodávky do sítě (balkonové FVE)
Nicméně je tam napsáno, určeno pro odbornou montáž. A tohle opravdu už není jen vybalit a zapnout. Už to nemá ten hlavní smysl "balkónovek". Byť to funguje rozhodně lépe.
16+ kWp: 9850 Wp Jih, 2040 Wp Východ, 1490 Wp Západ, 2700 Wp mikroinvertory
Regulátory Epever a Victron
MP 24/5000 + Deye mikroinvertory 1+2,2 kW (můj byt + máti byt)
MP 24/1200 inet, sit, kamery atd.
Phoenix 24/5000 vytěžování do akumulačních kamen
Epever 3kW vytěžování do bojlerů + žebříky
1 kW "nabíječka" 24 V
40+ kWh staré olovo 26+ kWh Li-Ion
několik dalších MP jako záložní zdroje na různých místech
Modře píši jako moderátor, černě jako člen.
Regulátory Epever a Victron
MP 24/5000 + Deye mikroinvertory 1+2,2 kW (můj byt + máti byt)
MP 24/1200 inet, sit, kamery atd.
Phoenix 24/5000 vytěžování do akumulačních kamen
Epever 3kW vytěžování do bojlerů + žebříky
1 kW "nabíječka" 24 V
40+ kWh staré olovo 26+ kWh Li-Ion
několik dalších MP jako záložní zdroje na různých místech
Modře píši jako moderátor, černě jako člen.
- Valdano
- Příspěvky: 1843
- Registrován: čtv črc 21, 2022 5:39 pm
- Reputace:259
- Lokalita: Česká Lípa
- Chci prodávat energii: NE
- Chci/Mám dotaci: NE
Re: EGD: Zdroje do 800 W bez dodávky do sítě (balkonové FVE)
Tady je kompletní set balkonovky s modráskem včetně českých návodů v českém eshopu a je k tomu i technická podpora. Cena se standardní zárukou 24 měsíců 9777 Kč včetně DPH (je tam možnost si připlatit navíc za záruku 36 měsíců tj. +12 měsíců ke standardu nebo 60 měsíců tj. +36 měsíců ke standardu).
Sada obsahuje:
1× GWL GridFree GTIL 1kW měnič 230 V s limiterem SUN-1000G2H (vstup 45–90 V)
4× Solarmi solární panel ELERIX Mono 480 Wp černý
1× Solarmi DS240S-130DC svodič přepětí 180Vdc, 50A, CE
1× GWL MC4 T- rozbočovací konektor 1 na 2 (sada Male + Female)
Za obdobnou cenu se tato sestava prodává i v dalších českých eshopech viz třeba tady nebo tady.
Sada obsahuje:
1× GWL GridFree GTIL 1kW měnič 230 V s limiterem SUN-1000G2H (vstup 45–90 V)
4× Solarmi solární panel ELERIX Mono 480 Wp černý
1× Solarmi DS240S-130DC svodič přepětí 180Vdc, 50A, CE
1× GWL MC4 T- rozbočovací konektor 1 na 2 (sada Male + Female)
Za obdobnou cenu se tato sestava prodává i v dalších českých eshopech viz třeba tady nebo tady.
- vanilka
- Příspěvky: 401
- Registrován: stř kvě 05, 2021 2:57 pm
- Reputace:119
- Lokalita: Beroun, Příbram
Re: EGD: Zdroje do 800 W bez dodávky do sítě (balkonové FVE)
Už jsem to chtěl koupit jen kvůli těm panelům (4ks Elerix 480Wp), jenže jak se zdá, je to tisková chyba a ve skutečnosti jsou tam Amerisolar 385Wp 
1408kg Enersys SBS + 82kWh Liion / 20kWp+
- JirkaE
- Příspěvky: 2301
- Registrován: pát dub 21, 2023 7:17 pm
- Reputace:324
- Lokalita: Kousek od Rozvadova
- Systémové napětí: 48V
- Výkon panelů [Wp]: 7350
- Kapacita baterie [kWh]: 38
- Chci prodávat energii: NE
- Chci/Mám dotaci: NE
Re: EGD: Zdroje do 800 W bez dodávky do sítě (balkonové FVE)
Ano, pro nikoho ,,tady z uživatelů na webu" - to není nic složitého.Valdano píše: čtv led 23, 2025 11:06 amTady je kompletní set balkonovky s modráskem včetně českých návodů v českém eshopu, vhodný pro sestavení uživatelem a "určeno pro odbornou montáž" tam uvedeno není a je k tomu i technická podpora. Cena se standardní zárukou 24 měsíců 9777 Kč včetně DPH
https://www.i4wifi.cz/cs/291467-xtend-s ... free-1000m
Ale copak to má běžný ,,strejda - kutil" v šuplíkách ? Jedny kleště na lisování kabelových ok, druhé na konektory MC4, třetí na dutinky...
K čemu je tam například v té sadě toto ? https://www.i4wifi.cz/cs/210538-xtend-solarmi-mc4-t
Když se ty dva panely MUSÍ dát v tomhle konkrétním případě do serie ?
Navíc Modráče asi nelze dát na balkon, páč IP67, a i kdyby - nechtěl bych aby balkon pode mnou hučeli dva větráky jak splašený každé zapnutí ,,něčeho"
Tohle není podle mě řešení pro běžného kutila a je to zralé i na následnou revizi - ale to jen spekuluju - ale těch míst, která nejsou ideální pro každýho strejdu s kombinačkama se mě tam zdá nebezpečných mnohem víc.
Sám jsem velkým zastáncem řešení s Modráskem, nejlépe s baterií, ale ani bez baterie to není vyvážená náhrada/alternativa za klasickou balkonovku s primitivní montáží - na úrovni montáže truhlíku na balkon a do každého bytu v běžném činžáku.
Balkonovka se jen zavěsí na zábradlí, zajistí aby neulítla, kabliky ,,učesají" plastikovou svorkou a vrazí do zásuvky, montáž 30-60min i se studiem složitého manuálu...
Porovnání všech 4 stringů a nově i finálový celek s Victron a teploty vody bojlerů 1-3 : DC - WATTMETR / Victron / Bojlery
Domovské vlákno : Jirkova FVE
Spirály v bazaru : Spirály 55V - Je tam i ten test
Domovské vlákno : Jirkova FVE
Spirály v bazaru : Spirály 55V - Je tam i ten test
- Valdano
- Příspěvky: 1843
- Registrován: čtv črc 21, 2022 5:39 pm
- Reputace:259
- Lokalita: Česká Lípa
- Chci prodávat energii: NE
- Chci/Mám dotaci: NE
Re: EGD: Zdroje do 800 W bez dodávky do sítě (balkonové FVE)
Německé spotřebitelské sdružení Stiftung Warentest loni varovalo, že pouze jeden z osmi systémů balkonových fotovoltaik, které jsou dostupné na německém trhu a byly testovány, je opravdu dobrý. Každý z ostatních sedmi testovaných měl nějaké problémy. Výsledky testů lze zobrazit jen po zaplacení necelých 5 EUR, což není až takový problém, ale může si to zaplatit a prohlédnout jen někdo kdo má bydliště v Německu. 
- Valdano
- Příspěvky: 1843
- Registrován: čtv črc 21, 2022 5:39 pm
- Reputace:259
- Lokalita: Česká Lípa
- Chci prodávat energii: NE
- Chci/Mám dotaci: NE
Re: EGD: Zdroje do 800 W bez dodávky do sítě (balkonové FVE)
I ty Plug & Play sady mohou mít svoje úskalí viz výše varování od německého spotřebitelského sdružení. Člověk, který tomu vůbec nerozumí tedy může narazit i u nich a technická podpora produktu koupeného někde v Lídlu nebo Kauflandu spolu se zeleninouJirkaE píše: čtv led 23, 2025 12:35 pmAle copak to má běžný ,,strejda - kutil" v šuplíkách ? Jedny kleště na lisování kabelových ok, druhé na konektory MC4, třetí na dutinky... Balkonovka se jen zavěsí na zábradlí, zajistí aby neulítla, kabliky ,,učesají" plastikovou svorkou a vrazí do zásuvky, montáž 30-60min i se studiem složitého manuálu...
- MikroCZ
- Příspěvky: 186
- Registrován: čtv led 02, 2025 12:47 pm
- Reputace:9
- Lokalita: STredni čechy
- Systémové napětí: 48V
- Výkon panelů [Wp]: 9600
- Kapacita baterie [kWh]: 20
- Chci prodávat energii: NE
- Chci/Mám dotaci: NE
Re: EGD: Zdroje do 800 W bez dodávky do sítě (balkonové FVE)
CEZ :
Ahoj, jen se zeptám, co by mělo být součásti revize, pokud se jedná o balkonovku, která končí "zástrčkou" ?
ad 2- i jako balkonovku, musí být střídač schválený ve zkušebně. Takže většina microgrid invertorů ze světa východního, jsou pasé.
Zatím vyplňuji formuláře na ČEZ Distribuce, a některé okenka jsou teda dost nesmyslná, která jsou potřeba.
Nestálo by za to, vlákno seknout, ať se neplete EGD/ČEZ ?
Ahoj, jen se zeptám, co by mělo být součásti revize, pokud se jedná o balkonovku, která končí "zástrčkou" ?
ad 2- i jako balkonovku, musí být střídač schválený ve zkušebně. Takže většina microgrid invertorů ze světa východního, jsou pasé.
Zatím vyplňuji formuláře na ČEZ Distribuce, a některé okenka jsou teda dost nesmyslná, která jsou potřeba.
Nestálo by za to, vlákno seknout, ať se neplete EGD/ČEZ ?
- JirkaE
- Příspěvky: 2301
- Registrován: pát dub 21, 2023 7:17 pm
- Reputace:324
- Lokalita: Kousek od Rozvadova
- Systémové napětí: 48V
- Výkon panelů [Wp]: 7350
- Kapacita baterie [kWh]: 38
- Chci prodávat energii: NE
- Chci/Mám dotaci: NE
Re: EGD: Zdroje do 800 W bez dodávky do sítě (balkonové FVE)
Vzhledem k tomu, že jsem to už kdysi dávno použil - když jsem chtěl nezávislé porovnání dětstkých autosedaček - vím že tudy cesta nevede a že je to jako hodit 5Eur do kanálu...Valdano píše: čtv led 23, 2025 12:42 pmVýsledky testů lze zobrazit jen po zaplacení necelých 5 EUR, což není až takový problém, ale může si to zaplatit a prohlédnout jen někdo kdo má bydliště v Německu.
Ale prosím
Zavřením toho okna ztratím přístup, tak kdyby někdo něco konkrétního chtěl, jsem k dispozici (nasledných 24h - pak se to zavře samo)
Ano, je možné narazit na technický problém i při montáži těch truhlíků...Valdano píše: čtv led 23, 2025 12:42 pmČlověk, který tomu vůbec nerozumí tedy může narazit i u nich a technická podpora produktu koupeného někde v Lídlu nebo Kauflandu spolu se zeleninouzřejmě nebude nic moc.
Měsíc / dva můžu obvykle cokoliv kdykoliv vrátit, bez udání důvodů...
Technickou podporu čeho u balkonovky ? Že to nejde připojit k wifi ?
S balkonovkou nelze dělat vůbec nic, aplikaci mohu změnit pouze výkon 600W / 800W a podívat se na každý panel zvlášť, nic víc.
Řešení je obvykle stejné jako u wifi termostatu, nebo wifi zásuvky...
Nyní již ten výsledek za 5 Eur
Porovnání všech 4 stringů a nově i finálový celek s Victron a teploty vody bojlerů 1-3 : DC - WATTMETR / Victron / Bojlery
Domovské vlákno : Jirkova FVE
Spirály v bazaru : Spirály 55V - Je tam i ten test
Domovské vlákno : Jirkova FVE
Spirály v bazaru : Spirály 55V - Je tam i ten test
- gupa
- Příspěvky: 3718
- Registrován: sob pro 29, 2012 10:22 pm
- Reputace:169
- Lokalita: pod Brnem
- Systémové napětí: 24V
Re: EGD: Zdroje do 800 W bez dodávky do sítě (balkonové FVE)
5€? Tady stačí zmínit nebo se o něčem bavit a inteligence okamžitě pracuje na nabídce pro reklamu a pro změnu cen, protože těsně před chvilkou jsem chtěl dodat okolo ČEZu informace ale prakticky bych zajistil vyplenění E-shopů a velmi blbě prodejných samozřejmě čínských mikroinvertorů co má na svém území v seznamu. Takže relativní místo čas a hodnota která je někdy vyjádřena diskuzí a někdy prostě paywallem. Vidím v tom konec diskuzí na internetu. Protože tu zanedlouho vlastně nahradí umělá inteligence a ten paywall. Jedině, žeby se zdroj stačil reformovat do vyšších uživatelských práv a pro roboty by to právo bylo zatarasené paywallem. Dokonce otázka paywallu je tak problematická, že akademické a vědecké výpotky v různých hodnotách budou všechny podle jistých zákonů veřejné a zdarma, protože jsou placeny ze společných peněz.
Edit: Zajímavost. Asi třetina zpráv prostředkované službou Google news, tz. několik stále aktualizovných stovek až tisíc odkazů každý den a každou hodinu, jsou za paywalem. Asi polovina bez paywalu zase otravuje odblokováním adsbloku. Takže ta zase šmíruje. Takže aktuálně zbývá tak třetina zpráv, která je plná reklam a není s paywalem spojená, nebo ano, ale omezení je v počtu shlédnutých článků, asi podle IP adresy nebo nějakých slídičských prvků které jsou ukládány do uživatelského prohlížeče.
Edit: Zajímavost. Asi třetina zpráv prostředkované službou Google news, tz. několik stále aktualizovných stovek až tisíc odkazů každý den a každou hodinu, jsou za paywalem. Asi polovina bez paywalu zase otravuje odblokováním adsbloku. Takže ta zase šmíruje. Takže aktuálně zbývá tak třetina zpráv, která je plná reklam a není s paywalem spojená, nebo ano, ale omezení je v počtu shlédnutých článků, asi podle IP adresy nebo nějakých slídičských prvků které jsou ukládány do uživatelského prohlížeče.
3x2000VA-VMP-par, NiCd 24V, 22x210-320Wp, 2x85A-VMPPT, ABC-&-XYZ mypower.czAť ti to běží jako hodinky na baterku s čerstvou expirací! Zdejší slova: To by bylo, abychom na tom šetření nevydělali!
- Valdano
- Příspěvky: 1843
- Registrován: čtv črc 21, 2022 5:39 pm
- Reputace:259
- Lokalita: Česká Lípa
- Chci prodávat energii: NE
- Chci/Mám dotaci: NE
Re: EGD: Zdroje do 800 W bez dodávky do sítě (balkonové FVE)
U balkonovky s výkonem do 800W, která končí zástrčkou a bude mít nulový rezervovaný výkon tj. distributor u ní neumožňuje prodej elektřiny do DS to bude zřejmě i u ČEZu bez revize.MikroCZ píše: čtv led 23, 2025 1:00 pmCEZ : co by mělo být součásti revize, pokud se jedná o balkonovku, která končí "zástrčkou" ?
Naposledy upravil(a) Valdano dne čtv led 23, 2025 2:06 pm, celkem upraveno 2 x.
- MikroCZ
- Příspěvky: 186
- Registrován: čtv led 02, 2025 12:47 pm
- Reputace:9
- Lokalita: STredni čechy
- Systémové napětí: 48V
- Výkon panelů [Wp]: 9600
- Kapacita baterie [kWh]: 20
- Chci prodávat energii: NE
- Chci/Mám dotaci: NE
Re: EGD: Zdroje do 800 W bez dodávky do sítě (balkonové FVE)
gupa< Asi jsem smyslově nízko, bo nerozumím co to je za text 
Takže vyplňování připojení microzdroje u ČEZ, bez změření imp. smyčky Vás to dál nepustí. ČEZ má prostě rozdelení na 10,8Kw přetok/nepřetok a šlus. vč.dopadu na všechny dokumenty... Klepu to tam už hodinu, a vybírám coje. vč. typu microinvertoru (opět ze schválených, jen Solax mini X0,8)
Nesnáším tuhle administrativu..
Takže vyplňování připojení microzdroje u ČEZ, bez změření imp. smyčky Vás to dál nepustí. ČEZ má prostě rozdelení na 10,8Kw přetok/nepřetok a šlus. vč.dopadu na všechny dokumenty... Klepu to tam už hodinu, a vybírám coje. vč. typu microinvertoru (opět ze schválených, jen Solax mini X0,8)
Nesnáším tuhle administrativu..
- MikroCZ
- Příspěvky: 186
- Registrován: čtv led 02, 2025 12:47 pm
- Reputace:9
- Lokalita: STredni čechy
- Systémové napětí: 48V
- Výkon panelů [Wp]: 9600
- Kapacita baterie [kWh]: 20
- Chci prodávat energii: NE
- Chci/Mám dotaci: NE
Re: EGD: Zdroje do 800 W bez dodávky do sítě (balkonové FVE)
Smyslově by mi to takhle dalo rozumově. Ale formulář se brání svítící červeným okénkyValdano píše: čtv led 23, 2025 1:58 pmU balkonovky s výkonem do 800W, která končí zástrčkou a bude mít nulový rezervovaný výkon tj. distributor u ní neumožňuje prodej elektřiny do DS to bude zřejmě i u ČEZu bez revize.MikroCZ píše: čtv led 23, 2025 1:00 pmCEZ : co by mělo být součásti revize, pokud se jedná o balkonovku, která končí "zástrčkou" ?
po zadání fiktivní hodnoty odporu zem.smycky. sem se posunul na další krok :
Povinné přílohy:
revizní zpráva odběrného místa s předmětem revize instalace mikrozdroje a naměřenou hodnotou impedance poruchové smyčky v místě připojení k distribuční soustavě,
projektová dokumentace skutečného provedení mikrozdroje obsahující :
• jednopólové schéma zapojení mikrozdroje do odběrného místa včetně zapojení akumulace (je-li instalována),
• typy, parametry a nastavení hodnot ochran.
Kdo je online
Uživatelé procházející toto fórum: Claudebot [Bot]

