EGS002
Souhrn tématu
Uživatelé diskutují o testování meniče EGS002 s čipem EG8010, přičemž řeší problém s nefunkčním LCD displejem na některých deskách. Zjistili, že existují různé varianty čipu EG8010, z nichž pouze jedna správně komunikuje s displejem. Diskuze obsahuje technické detaily o synchronizaci a chování signálů, které pomáhají lépe pochopit funkčnost a možné problémy meniče EGS002.
- kodl69
- Příspěvky: 8427
- Registrován: sob črc 19, 2014 8:56 pm
- Reputace:1090
- Lokalita: severně od Brna
- Systémové napětí: 48V
- Výkon panelů [Wp]: 8kWp
- Kapacita baterie [kWh]: 12kWh
- Chci prodávat energii: NE
- Chci/Mám dotaci: NE
Re: EGS002
budič jde až po destrukci fetů. Číňan na EGS002 tam nějakou imitaci zkratové ochrany má, ale zoufale pomalou, protože tam má pomalej komparátor, kterej reaguje nejdřív za 300ns, a díky tomu, že další zpoždění při vypínání vznikne tím, že jsou malý proudy z budiče do mosfetů, a ty se nestihnou dost rychle zavřít -47R do gate IRFB4110 s kapacitou cca 10nF je jenom časová konstanta tohohle dalších 470ns (další zpoždění dělá nejenom ir2110 (TLP350 u PJ), ale u PJ i ty 4 tranzistory cca 50ns), což je v lepším případě 1us než se to vypne (a to nepočítám vliv Milerovy kapacity na zpomalení vypínání) tak energie pulsu překročí avalanche energy a je hotovo. Navíc klasický chyby návrhu řízení mosfetů, nesplňující základní požadavky v AN978 https://www.infineon.com/dgdl/Infineon- ... de609d140a
ostatně ty smd tranzistory v budiči PJ jsou přesně to, co je na straně 14, ale jak je to zapojený do výkonové desky je obžaloba, to s tímhle nemá nic společnýho... Na té desce s EGSvede buzení kolem dokola celé desky, je to taky bída...
Co je nejhorší, tak v PJ není ani ten pokus o ochranu proti zkratu, ale je tam jenom proudový trafo zapojený na sekundáru 230V trafa, a jak je udělaná detekce netuším, už podle proudovýho trafa na EI plechách to nemůže být dost rychlý pro ochranu proti zkratu. Jistě to není zkratuvzdornej měnič za všech okolností. Že vydrží někdy zkrat je způsobeno tím, že trafa mají nějakej odpor vinutí, kondenzátory taky nedají nekonečnej proud a vnitřní odpor baterky taky trochu pomůže...
Při použití rychlýho komparátoru a "normálním" zapojení buzení si troufnu tvrdit, že budu schopen mosfety vypnout za 300ns v horším případě, doufám v ještě o dost kratší čas... Proto jsem se na opravu PJ vykašlal, protože vím, že to není dobře zkonstruovaný. Ale pokusy budu dělat nejdřív o víkendu.
ostatně ty smd tranzistory v budiči PJ jsou přesně to, co je na straně 14, ale jak je to zapojený do výkonové desky je obžaloba, to s tímhle nemá nic společnýho... Na té desce s EGSvede buzení kolem dokola celé desky, je to taky bída...
Co je nejhorší, tak v PJ není ani ten pokus o ochranu proti zkratu, ale je tam jenom proudový trafo zapojený na sekundáru 230V trafa, a jak je udělaná detekce netuším, už podle proudovýho trafa na EI plechách to nemůže být dost rychlý pro ochranu proti zkratu. Jistě to není zkratuvzdornej měnič za všech okolností. Že vydrží někdy zkrat je způsobeno tím, že trafa mají nějakej odpor vinutí, kondenzátory taky nedají nekonečnej proud a vnitřní odpor baterky taky trochu pomůže...
Při použití rychlýho komparátoru a "normálním" zapojení buzení si troufnu tvrdit, že budu schopen mosfety vypnout za 300ns v horším případě, doufám v ještě o dost kratší čas... Proto jsem se na opravu PJ vykašlal, protože vím, že to není dobře zkonstruovaný. Ale pokusy budu dělat nejdřív o víkendu.
ostrov skoro 8kWp neustále ve stádiu zrodu: smartshunt(ex WBJR), MPPT150/45, MPPT 250/100(ex midnitesolar 150 clasic lite), 16S a různě P cca 340Ah Winston, MP II 5000,( ex Powerjack 8kW, ex samodomo cca 4kW). 48V DC rozvody a spotřebiče.
- Jozef51
- Příspěvky: 504
- Registrován: stř bře 01, 2017 8:06 am
- Reputace:92
- Bydliště: Rosovice
Re: EGS002
Tak, prvu stranu vlakna mame za sebou a snad sa ani na dalsich nenaplnia moje obavy z diskuzii na MyP... Problem Displayinterfejsu EG8010 sme sice nevyriesili ale aspon objasnili. Na vysvetlenie preco ma tento interfejs zaujima. Na displeji by mali byt (pokial funguje) cisla ktore su nejak zavisle na stave ktory je na troch analogovych vstupoch EG8010. A z tychto cisel sa pomerne lahko a spolahlivo da odvodit co na tejto trojici vstupov v skutocnosti je. A to je vynikajuce pri testovani ozivovani servise... Tento port bol zamyslany ako vystupny panelovy displej menica. Velmi sa to nepodarilo ale prave pri servise by mohol byt velmi uzitocny. Stale - keby som objavil zdroj plne funkcnych EG8010 tak preletujem vsetky dosky EGS002 ktore su u mna na stole... a je skoda, ze nefunguje. Povacsinou.
Podobne je to so seriovym portom EG8010. Mozete cez neho nastavovat vsetko. Mozno by vyriesil aj Pavlov problem startu menica do skratu. Softwerom v externom jednocipe naprogramovat softstart v ktorom by odskusana Pavlova pojistka uz na skrat pri starte stihla zareagovat. Je dost realna sanca, ze by to mohlo zafungovat. A bolo by to elegantne a jednoduche riesenie. Viete si predstavit moje neprijemne prekvapenie ked som zistil, ze tento uzasny port v novom cipe EG8011 uz asi nie je...
A este posledna vec. Chcel by som vediet ci ma o serial s EGS002 a vlastne i EG8010-11 niekto zaujem. Staci jeden hlas a budeme pokracovat. Na konci by mohol byt ceskoslovenskocinsky menic so zaujimavymi parametrami, nove crievka pre nefunkcne PJ ale aj iba dalsi neuspech. Myslim, ze je to zaujimava perspektiva. Aspon pre mna urcite.
Podobne je to so seriovym portom EG8010. Mozete cez neho nastavovat vsetko. Mozno by vyriesil aj Pavlov problem startu menica do skratu. Softwerom v externom jednocipe naprogramovat softstart v ktorom by odskusana Pavlova pojistka uz na skrat pri starte stihla zareagovat. Je dost realna sanca, ze by to mohlo zafungovat. A bolo by to elegantne a jednoduche riesenie. Viete si predstavit moje neprijemne prekvapenie ked som zistil, ze tento uzasny port v novom cipe EG8011 uz asi nie je...
A este posledna vec. Chcel by som vediet ci ma o serial s EGS002 a vlastne i EG8010-11 niekto zaujem. Staci jeden hlas a budeme pokracovat. Na konci by mohol byt ceskoslovenskocinsky menic so zaujimavymi parametrami, nove crievka pre nefunkcne PJ ale aj iba dalsi neuspech. Myslim, ze je to zaujimava perspektiva. Aspon pre mna urcite.
- kodl69
- Příspěvky: 8427
- Registrován: sob črc 19, 2014 8:56 pm
- Reputace:1090
- Lokalita: severně od Brna
- Systémové napětí: 48V
- Výkon panelů [Wp]: 8kWp
- Kapacita baterie [kWh]: 12kWh
- Chci prodávat energii: NE
- Chci/Mám dotaci: NE
Re: EGS002
já teda používám EGS z nouze, protože není v mejch silách si naprogramovat ten jednočip. EGS má dost nectností, a dost chybějících funkčností, který prakticky nejdou odstranit, například:
1.) napěťová zpětná vazba reaguje na usměrněný DC napětí, tj strašně pomalu. Běžný procesory umí ADC v reálným čase v průběhu sinusovky, bez zaváhání 3-5 vzorků za 1ms, kterou trvá vrchol sinusovky, a podle toho nastavovat SPWM. Každej měnič s regulací na usměrněný DC reaguje zoufale pomalu na změny zátěže typu rozběh ledničky, rozběh asynchr. motoru (viz PJ oproti XTM/XTH , který podle mě řídí SPWM "online").
2.) Neexistuje žádná možnost synchronizace, tj paralelní běh více měničů. Se samostatným procesorem by to neměl být problém.
Věci odstranitelný jsou podle mě třeba nedostatečnej proud pro buzení více mosfetů u měniče pro výkon víc než 1kW, špastná HW ochrana proti zkratu. Tohle asi dokážu vyřešit.
další věci, který by se daly naprogramovat jsou spíš feature, který možná využije málokdo, s procesorem by něměl být problém i řízení kmitočtu podle odběru, čímž se v mikrosítích připojují další měniče příp spínají vytěžovače. Ve zkratce - čím vyšší kmitočet, tím menší zátěž měniče. A podle toho další měniče na stejné mikrosíti poznají, že se po nich nic nechce, a podle toho se třeba zapne boiler při 54Hz kmitočtu a naopak, při 49Hz jedou všechny měniče naplno a boilery jsou vypnutý...
P.S: pavlův problém startu do zkratu software připojenej externě k EG8010 jistě nevyřeší. Ale jiný HW řešení existuje, a snad je dnes začnu testovat.
PS2: Teda vlastně použiju jenom EG8010 na kousku DPS, z kterýho odstraním IR2110 a dám místo nich propojky, odstraním LM393 a dám místo něj propojku... Takže zůstane taková základní vývojová deska na které bude EG8010, krystal, 4 tranzistory bránící průstřelu můstku a důležitý vývody na kolíkové liště.
Potom budu moct kdykoliv tohle nahradit nějakým procesorem na kousku bastldesky, kde si zapojím vývody stejně jako u toho EGS.
1.) napěťová zpětná vazba reaguje na usměrněný DC napětí, tj strašně pomalu. Běžný procesory umí ADC v reálným čase v průběhu sinusovky, bez zaváhání 3-5 vzorků za 1ms, kterou trvá vrchol sinusovky, a podle toho nastavovat SPWM. Každej měnič s regulací na usměrněný DC reaguje zoufale pomalu na změny zátěže typu rozběh ledničky, rozběh asynchr. motoru (viz PJ oproti XTM/XTH , který podle mě řídí SPWM "online").
2.) Neexistuje žádná možnost synchronizace, tj paralelní běh více měničů. Se samostatným procesorem by to neměl být problém.
Věci odstranitelný jsou podle mě třeba nedostatečnej proud pro buzení více mosfetů u měniče pro výkon víc než 1kW, špastná HW ochrana proti zkratu. Tohle asi dokážu vyřešit.
další věci, který by se daly naprogramovat jsou spíš feature, který možná využije málokdo, s procesorem by něměl být problém i řízení kmitočtu podle odběru, čímž se v mikrosítích připojují další měniče příp spínají vytěžovače. Ve zkratce - čím vyšší kmitočet, tím menší zátěž měniče. A podle toho další měniče na stejné mikrosíti poznají, že se po nich nic nechce, a podle toho se třeba zapne boiler při 54Hz kmitočtu a naopak, při 49Hz jedou všechny měniče naplno a boilery jsou vypnutý...
P.S: pavlův problém startu do zkratu software připojenej externě k EG8010 jistě nevyřeší. Ale jiný HW řešení existuje, a snad je dnes začnu testovat.
PS2: Teda vlastně použiju jenom EG8010 na kousku DPS, z kterýho odstraním IR2110 a dám místo nich propojky, odstraním LM393 a dám místo něj propojku... Takže zůstane taková základní vývojová deska na které bude EG8010, krystal, 4 tranzistory bránící průstřelu můstku a důležitý vývody na kolíkové liště.
Potom budu moct kdykoliv tohle nahradit nějakým procesorem na kousku bastldesky, kde si zapojím vývody stejně jako u toho EGS.
ostrov skoro 8kWp neustále ve stádiu zrodu: smartshunt(ex WBJR), MPPT150/45, MPPT 250/100(ex midnitesolar 150 clasic lite), 16S a různě P cca 340Ah Winston, MP II 5000,( ex Powerjack 8kW, ex samodomo cca 4kW). 48V DC rozvody a spotřebiče.
- Jozef51
- Příspěvky: 504
- Registrován: stř bře 01, 2017 8:06 am
- Reputace:92
- Bydliště: Rosovice
Re: EGS002
EG8010 ma ovladanie vystupneho kmitoctu cez seriovy port. Rozsah 0 az 400Hz. Taktiez cez seriovy port sa da nastavovat vystupne napatie (a tym napriklad obmedzit skratovy prud pri nabehu menica). Neviem ako su robene profesionalne menice. Ale ak mam moznost ovladat EG8010 pridavnou inteligenciou nevidim ziadny problem v odstraneni startu do skratu. V akom rozsahu ovladanie vystupneho napatia funguje neviem a nikde som zatial na tuto informaciu nenarazil. Ale urcite treba tento port pretestovat. Ak je funkcny tak posunie cip EG8010 jednoznacne do vyssej triedy.kodl69 píše:...
další věci, který by se daly naprogramovat jsou spíš feature, který možná využije málokdo, s procesorem by něměl být problém i řízení kmitočtu podle odběru, čímž se v mikrosítích připojují další měniče příp spínají vytěžovače. Ve zkratce - čím vyšší kmitočet, tím menší zátěž měniče. A podle toho další měniče na stejné mikrosíti poznají, že se po nich nic nechce, a podle toho se třeba zapne boiler při 54Hz kmitočtu a naopak, při 49Hz jedou všechny měniče naplno a boilery jsou vypnutý...
P.S: pavlův problém startu do zkratu software připojenej externě k EG8010 jistě nevyřeší. Ale jiný HW řešení existuje, a snad je dnes začnu testovat.
...
Co dokaze novsi cip EG8011 neviem z cinskeho manualu zistit. Zda sa mi, ze bohuzial, seriovy port nema.
Pre trojfazove menice je urceny cip EG8030.
Doska EGS002 je demo doska. To znamena maximalne zjednodusenia v zapojeni a napriklad aj demo funkciu ochrany proti skratu. Je na vyvojarovi ako sa s tymito problemami popasuje a vyriesi ich vo svojom produkte.
Co ja vycitam doske EGS002 je vstupnovystupny konektor. Redukcia na 17 pinov tvrdo znizuje pouzitelnost tejto dosky. Kludne ten konektor mohol byt 2x20 pinov s malym kontaktnym polom pre nepouzivane piny. Malo by to priaznivy dopad aj na konstrukcie materskych dosiek menicov z Ciny ktore by bolo mozne lahko doplnit o dalsie obvody. Usetrenych 10 centov za to urcite nestoji.
- rottenkiwi
- Příspěvky: 5451
- Registrován: pát úno 13, 2015 2:24 pm
- Reputace:287
- Lokalita: SO, SK
- Bydliště: SO, SK
Re: EGS002
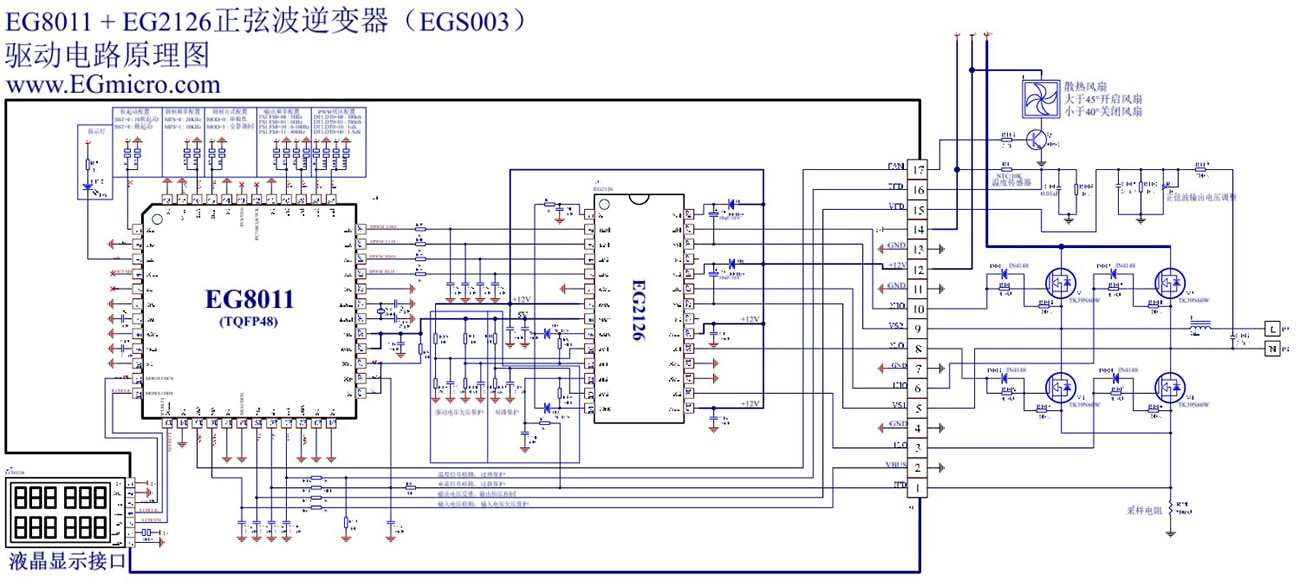
Na novej doske EGS003 / EG8011 + EG2126 / je to podobné ako na starej s EG8010.
RX a TX je na pinoch 4 a 5 toho chipu a sú nezapojené.
https://www.lz2gl.com/data/power-invert ... eet_en.pdf
Zdroj: http://www.lz2gl.com/power-inverter-3kw/
RX a TX je na pinoch 4 a 5 toho chipu a sú nezapojené.
https://www.lz2gl.com/data/power-invert ... eet_en.pdf
Zdroj: http://www.lz2gl.com/power-inverter-3kw/
- Jozef51
- Příspěvky: 504
- Registrován: stř bře 01, 2017 8:06 am
- Reputace:92
- Bydliště: Rosovice
Re: EGS002
Roki, ta doska na scheme je EGS002 s cipom EG8010. Schema EGS003 (mizerne rozlisenie) je tu a cinsky manual ku EG8011 Na prilis rozsiahlu a dokladnu dokumentaciu v necinstine netrpia.
- rottenkiwi
- Příspěvky: 5451
- Registrován: pát úno 13, 2015 2:24 pm
- Reputace:287
- Lokalita: SO, SK
- Bydliště: SO, SK
Re: EGS002
Ani tu ani vyššie nie je TX a RX zapojené.
To čo som dal vyššie, strana 17 / 20 obsahuje popis, ako pripojiť 4. a 5. pin
pomocou optocouplerov + MAX232.
To čo som dal vyššie, strana 17 / 20 obsahuje popis, ako pripojiť 4. a 5. pin
pomocou optocouplerov + MAX232.
- kodl69
- Příspěvky: 8427
- Registrován: sob črc 19, 2014 8:56 pm
- Reputace:1090
- Lokalita: severně od Brna
- Systémové napětí: 48V
- Výkon panelů [Wp]: 8kWp
- Kapacita baterie [kWh]: 12kWh
- Chci prodávat energii: NE
- Chci/Mám dotaci: NE
Re: EGS002
Jasně, ale Josef ti píše, že na spoustě těch EG8010 není Uart aktivní, a mě taky displej nefunguje, komunikaci jsem zatím nezkoušel. A dobrovolník, kterej by naprogarmoval třeba STM32 pro podobný použití, s možností vlastních "plugin funkcí" se zneviditelnil...
ostrov skoro 8kWp neustále ve stádiu zrodu: smartshunt(ex WBJR), MPPT150/45, MPPT 250/100(ex midnitesolar 150 clasic lite), 16S a různě P cca 340Ah Winston, MP II 5000,( ex Powerjack 8kW, ex samodomo cca 4kW). 48V DC rozvody a spotřebiče.
- rottenkiwi
- Příspěvky: 5451
- Registrován: pát úno 13, 2015 2:24 pm
- Reputace:287
- Lokalita: SO, SK
- Bydliště: SO, SK
Re: EGS002
Ja som si nedávno objednal nejaké veci na výrobu meniča z Čajny,
ale po asi 2-och mesiacoch mi napisali, že to nevedia doručiť a vrátili
za všetko prachy.
Ako, keď bude iná situácia, budem mať peniaze, lebo BTC pojde hore,
tak sa určite do programovania a výroby meniča pustím,
ale zatiaľ nie je ani na súčiastky, nie to ešte na dosky, toroidy, tlmivky, FET-y,
osciloskop, sondy, trafo, 2 x obojsmerný zdroj 60 V 5 A.
Proste je to ako je, ja mám snahu a čas, ale nemám peniaze na vybavenie
a neviem predikovať či o pol roka budem schopný čo len zapnúť PC.
Zase iní majú vedomosti, skúsenosti, vybavenie, ale nemajú čas.
ale po asi 2-och mesiacoch mi napisali, že to nevedia doručiť a vrátili
za všetko prachy.
Ako, keď bude iná situácia, budem mať peniaze, lebo BTC pojde hore,
tak sa určite do programovania a výroby meniča pustím,
ale zatiaľ nie je ani na súčiastky, nie to ešte na dosky, toroidy, tlmivky, FET-y,
osciloskop, sondy, trafo, 2 x obojsmerný zdroj 60 V 5 A.
Proste je to ako je, ja mám snahu a čas, ale nemám peniaze na vybavenie
a neviem predikovať či o pol roka budem schopný čo len zapnúť PC.
Zase iní majú vedomosti, skúsenosti, vybavenie, ale nemajú čas.
- pasta
- Příspěvky: 61
- Registrován: pon úno 23, 2015 9:24 pm
- Reputace:4
Re: EGS002
Chápu to správně, že tu jsem jediný, kdo tu sériovou komunikaci s EG8010 na modulu EGS 002 rozchodil ? Ono ale ani asi není o co stát. Můj cíl byla synchronizace s DS. Zkoušel jsem pomocí změny kmitočtu udržet fázi, ale bez úspěchu. Proto jsem raději zvolil COG při PWM u PIC16F1705. Umí to i detekci průchodu nulou. Unipolární PWM pro HF měnič ten PIC není problém. Demonstrační kód pro modifikovanou sin je na pár řádků, rád sem pošlu.
- kodl69
- Příspěvky: 8427
- Registrován: sob črc 19, 2014 8:56 pm
- Reputace:1090
- Lokalita: severně od Brna
- Systémové napětí: 48V
- Výkon panelů [Wp]: 8kWp
- Kapacita baterie [kWh]: 12kWh
- Chci prodávat energii: NE
- Chci/Mám dotaci: NE
Re: EGS002
to by mě asi zajímalo, kámoš si s PICem celkem rozumí...
ostrov skoro 8kWp neustále ve stádiu zrodu: smartshunt(ex WBJR), MPPT150/45, MPPT 250/100(ex midnitesolar 150 clasic lite), 16S a různě P cca 340Ah Winston, MP II 5000,( ex Powerjack 8kW, ex samodomo cca 4kW). 48V DC rozvody a spotřebiče.
- pasta
- Příspěvky: 61
- Registrován: pon úno 23, 2015 9:24 pm
- Reputace:4
Re: EGS002
Tak posílám. O moc jednodušší to asi být ani nemůže. COG u PIC je skvělá věc, jen to nastavení může být trochu oprus. C1, C2, A0, A1 jsou právě výstupy k budičům:
Kód: Vybrat vše
#include "xc.h"
#pragma config FOSC=INTOSC,
int main(void) {
TRISAbits.TRISA4=0;
ANSELA=0;
ANSELC=0;
/*set COG*/
TRISCbits.TRISC1=0;
TRISCbits.TRISC2=0;
TRISAbits.TRISA0=0;
TRISAbits.TRISA1=0;
COG1CON0bits.G1EN=0;
COG1DBR=0x3f;//maximum duty cycles for rising edge
COG1DBF=0x3f;
COG1CON0bits.G1MD=0b010; //010 = COG outputs operate in Forward Full-Bridge mode
//011 = COG outputs operate in Reverse Full-Bridge mode
/*step 10*/
COG1RISbits.G1RIS6=1; //PWM3 output is enabled as a rising event input
COG1FISbits.G1FIS6=1; //1 = PWM3 output is enabled as a falling event input
/*step 11*/
COG1RSIMbits.G1RSIM6=1; //1 = PWM3 output low-to-high transition will cause a rising event after rising event phase delay
COG1FSIMbits.G1FSIM6=1; //1 = PWM3 output is enabled as a falling event input
/*step 12*/
COG1CON1bits.G1RDBS=1; //0 = COGx_clock and COGxDBR are used for dead-band timing generation - default
COG1CON1bits.G1FDBS=1; //1 = Delay chain and COGxDF are used for dead-band timing generation
/*step 13*/
//COG1STRbits.
/*step 14*/
//COG1CON1bits //set polarity
/*step 15*/
COG1CON0bits.G1EN=1;
/*step 16*/
RA0PPS=0b01000;//COG1A
RA1PPS=0b01001;//COG1B
RC1PPS=0b01010;//COG1C
RC2PPS=0b01011;//COG1D
/*step 17*/
COG1ASD0bits.G1ARSEN=1; //1 = Auto-restart is enabled
//forward bridge
COG1CON0bits.G1MD=0b010;
/*set PWM*/
T2CONbits.T2CKPS=3; //PWM prescaler value = 64
PR2=19; //50.08Hz <=> 0.05/4*16e+6-1 ,period = (PR2+1) * 4 * Tosc * (PWM prescaler value)
PWM3DCH=18; //should be lower than PR2
PWM3DCL=0;
T2CONbits.TMR2ON=1; // point 5
while(PIR1bits.TMR2IF==0); //point6
RA4PPS=0b01110;//01110 = Rxy source is PWM3OUT
PWM3CONbits.PWM3EN=1;
for(;;){
while(PIR1bits.TMR2IF==0);
PIR1bits.TMR2IF=0;
//reverse bridge
COG1CON0bits.G1MD0 ^=1;
asm("CLRWDT");
}
}
- Jozef51
- Příspěvky: 504
- Registrován: stř bře 01, 2017 8:06 am
- Reputace:92
- Bydliště: Rosovice
Re: EGS002
Podobny vysledok mali s EG8010 Australcania (keby bolo treba niekde by som vyhrabal aj odkaz. Asi:). Co sa tyka nastavenia frekvencia ma EG8010 styri mody. 50Hz, 60Hz, 0-100Hz a 0-400Hz. Nastavuje sa cez 8 bitove slovo. To znamena, ze v mode 0-100Hz sa da nastavit vystupna frekvencia s krokom asi 100/256Hz t.j. cca 0.39Hz. Na ovladanie spotrebicov cez frekvenciu menica to zjavne staci. Na synchronizaciu so sietou nie.pasta píše:Chápu to správně, že tu jsem jediný, kdo tu sériovou komunikaci s EG8010 na modulu EGS 002 rozchodil ? Ono ale ani asi není o co stát. Můj cíl byla synchronizace s DS. Zkoušel jsem pomocí změny kmitočtu udržet fázi, ale bez úspěchu...
Vacsiu nadej na spolahlivu synchronizaciu so sietou ma fazovy zaves napr. s CD74HC4046. Jej interny oscilator 12Mhz pre EG8010 zvlada. Ostatne je zalezitostou niekolkych pasivnych suciastok. Synchronizacne pulzy zo siete sa daju ziskat dost jednoducho a cez optoclen priviest ku 74HC4046.
Cinania jednu taku dosku (a zda sa, ze kompatibilnu s vyvodmi EGS002) maju. Ale predavat ju samostatne nechcu (dotazoval som sa predajcu UPS menica). Iba s komplet menicom.
https://www.aliexpress.com/item/3269038 ... 0f372pYerd
Mozno by sa dala kupit priamo od vyrobcu tejto dosky. Ale ten je pre mna neznamy.
Na testovanie serioveho portu mam pripravenu jednu upravenu dosku EGS002. Vystup na display som zrusil a na uvolnene piny mam pripojene piny TxD a RxD. Problem bol ale v tom, jeden z tych pinov bol tvrdo pripojeny na zem a to pod cipom EG8010. Takze najskor som musel odpajkovat EG8010, potom odskrabat prepoj na zem, pripajkovat cip EG8010 spat a napokon spravit prislusne dratove prepoje na uvolneny display-konektor. Teras sa caka na generator seriovych povelov.
- rottenkiwi
- Příspěvky: 5451
- Registrován: pát úno 13, 2015 2:24 pm
- Reputace:287
- Lokalita: SO, SK
- Bydliště: SO, SK
Re: EGS002
Nádherná štúdia o ASIC-u EG8010
https://core.ac.uk/download/pdf/288625243.pdf
https://core.ac.uk/download/pdf/288625243.pdf
- rottenkiwi
- Příspěvky: 5451
- Registrován: pát úno 13, 2015 2:24 pm
- Reputace:287
- Lokalita: SO, SK
- Bydliště: SO, SK
Re: EGS002
Tu je EG8010 kontrolované STM32.
two test inverters together in sync / sync. dvoch inverterov /
https://www.thebackshed.com/forum/ViewT ... ?TID=11325
Synchronizácia so sieťou:
https://www.digikey.com/en/articles/syn ... h-the-grid
Synchronizácia 4-roch meničov a ak master vypadne,
jeho funkciu preberie nasledujúci slave.
https://www.homemade-circuits.com/synch ... -inverter/
https://www.researchgate.net/publicatio ... a/downloadSTM32 can take sample of output and compare sampling voltage with given voltage, if there are
differences, STM32 can send control information through serial port to EG8010 and let EG8010
change the duty cycle of SPWM. The small signal sent from EG8010 can be magnitude through
IR2110 and enough to drive the full-bridge.
two test inverters together in sync / sync. dvoch inverterov /
https://www.thebackshed.com/forum/ViewT ... ?TID=11325
Synchronizácia so sieťou:
https://www.digikey.com/en/articles/syn ... h-the-grid
Synchronizácia 4-roch meničov a ak master vypadne,
jeho funkciu preberie nasledujúci slave.
https://www.homemade-circuits.com/synch ... -inverter/
- rokytna
- Příspěvky: 177
- Registrován: pát úno 14, 2020 8:35 am
- Reputace:33
Re: EGS002
Tohle všechno jsou obezličky, protože není přímá náhrada EG8010.
Určitě si zaslouží respekt výzkumná činnost Jozef51 a těm co skutečně fyzicky něco představili a udělali,
a ne jen postují odkazy.
Pokud je cílem zůstat u EG8010 pak samozřejmě tyhle obezličky dávají význam,
ale bude fajn mít plnohodnotnou otevřenou alternativu, kde si to kdokoliv upraví jakkoliv.
Generování obdélníkové PWM z PICu sinosový výstup měniče neudělá.
Ta štúdia je pěkná laboratorní práce pro studenty, ale je to stále jen pohled uživatele omezeným plusy a mínusy toho obvodu, bez možnosti do něj zasáhnout.
I to "kontrolování EG8010 přes STM32" je obezlička, protože ten EG8010 tam stále je, jen se mu podsouvají "falešné" vstupy z nějakého MCU.
Nicméně, práce na skutečné úplné náhradě EG8010 za STM32G4 probíhají a nezastavili se, chci do konce září dát prototypovou desku (řídící deska) do vzorkové výroby, držte palce.
Proč náhrada? kromě nezávislosti a otevřenosti (běžné MCU a otevřený FW) je to právě i řešením všech těch problémů a požadavků... jak dostat data ven z měniče na internet, zobrazit je někde, jak dělat synchronizaci (např. UPS funkce)... vše v podstatě jen jasnými úpravami FW, a ne drátkováním na čínské destičce.
Opět, klobouk dolů a respekt pro ty, kteří to prakticky s původním IO dělají a zde skutečně předvedou !
Všechno bude opensource (viz myp-cz git), tak jak bylo na začátku slíbeno.
Průběh lze sledovat na zmíněném git odkazu.
Určitě si zaslouží respekt výzkumná činnost Jozef51 a těm co skutečně fyzicky něco představili a udělali,
a ne jen postují odkazy.
Pokud je cílem zůstat u EG8010 pak samozřejmě tyhle obezličky dávají význam,
ale bude fajn mít plnohodnotnou otevřenou alternativu, kde si to kdokoliv upraví jakkoliv.
Generování obdélníkové PWM z PICu sinosový výstup měniče neudělá.
Ta štúdia je pěkná laboratorní práce pro studenty, ale je to stále jen pohled uživatele omezeným plusy a mínusy toho obvodu, bez možnosti do něj zasáhnout.
I to "kontrolování EG8010 přes STM32" je obezlička, protože ten EG8010 tam stále je, jen se mu podsouvají "falešné" vstupy z nějakého MCU.
Nicméně, práce na skutečné úplné náhradě EG8010 za STM32G4 probíhají a nezastavili se, chci do konce září dát prototypovou desku (řídící deska) do vzorkové výroby, držte palce.
Proč náhrada? kromě nezávislosti a otevřenosti (běžné MCU a otevřený FW) je to právě i řešením všech těch problémů a požadavků... jak dostat data ven z měniče na internet, zobrazit je někde, jak dělat synchronizaci (např. UPS funkce)... vše v podstatě jen jasnými úpravami FW, a ne drátkováním na čínské destičce.
Opět, klobouk dolů a respekt pro ty, kteří to prakticky s původním IO dělají a zde skutečně předvedou !
Všechno bude opensource (viz myp-cz git), tak jak bylo na začátku slíbeno.
Průběh lze sledovat na zmíněném git odkazu.
ostrovní FVE
- Jozef51
- Příspěvky: 504
- Registrován: stř bře 01, 2017 8:06 am
- Reputace:92
- Bydliště: Rosovice
Re: EGS002
Som rad, ze niekto zobral toto vlakno na milost. Toto vlakno bolo zalozene pre tych ktori pouzivaju (alebo chcu pouzivat) EGS002 (a obvody na nom osadene). Tych uzivatelov (na MyP) nie je vela (?traja) a kazdy z nich vie, ze o ziadny cipovy zazrak sa nejedna. Cital som tu rozsiahle prispevky nie o vlastnostiach EG... ale prave o tom niezazraku o tom aky je tenCinan nakocku. Nic nove, lacne a zbytocne. Prosim, v tomto smere aspon v tomto vlakne nepokracovat.rokytna píše:Určitě si zaslouží respekt výzkumná činnost Jozef51 a těm co skutečně fyzicky něco představili a udělali a ne jen postují odkazy.
Ale dalsim faktom je ze na svete na tejto rodine cipov behaju mozna tisice menicov s vykonom do 15kW. Pokial je okolo EG8010 spravne okolie a pozname 'muchy' tohto riesenia mame tu lacny a relativne spolahlivy a opravitelny menic. Vid australsne fora a uzivatela MyP ktory nameral ucinnost svojho menica 96%. Co je slusne.
Podobne skusenosti su aj s dalsim outsiderom menicov PJ. Ak poznate a respektujete jeho 'musky' mozete byt celkom spokojny.
Pozn.1 ak by niekto chcel a vedel naprogramovat napr. na Arduine vysielac a prijimac seriveho kodu na TTL urovni bolo by to celkom fajn.
Pozn.2 sledujem upravu mostika od kodla s obvodmi IR2127. Je to nadejne iba by som ju robil tak aby v urcitom okamziku spustenia ochrany nemohla nastat stejnosmerna polarizacia trafa. V tomto okamziku asi nepomozu ani IR2127.
Pozn.3 celkom rad by by som privital nove vlakno o vyvijano riadiacom cipe menica od rokytnu. Zasluzil by si to (ten cip. A ja by som si to mohol o novom cipe precitat novosti v ceskoslovencine:).
- rottenkiwi
- Příspěvky: 5451
- Registrován: pát úno 13, 2015 2:24 pm
- Reputace:287
- Lokalita: SO, SK
- Bydliště: SO, SK
Re: EGS002
Arduino + C + ASM + TTL + EG8010
https://forum.arduino.cc/index.php?topic=433331.0
https://forum.arduino.cc/index.php?topic=433331.0
- kodl69
- Příspěvky: 8427
- Registrován: sob črc 19, 2014 8:56 pm
- Reputace:1090
- Lokalita: severně od Brna
- Systémové napětí: 48V
- Výkon panelů [Wp]: 8kWp
- Kapacita baterie [kWh]: 12kWh
- Chci prodávat energii: NE
- Chci/Mám dotaci: NE
Re: EGS002
To josef51: Provozuju ten prasobastl už dva měsíce, a DC sycení trafa se vůbec nebojím - když vypadne jedna půlvlna a druhá už bude korektní, tak pokud dojde k přesycení jádra, naroste proud a ochrana zase vypne. Další možnost je použít výstup FAULT pro zablokování výstupu z egs, třeba přes tranzistor signál invertovat a zapojit na vstup Ifb
Dokonce mi zatím bylo lenošno zapojit proudovou zpětnou vazbu do EG8010 (proudový trafo na AC výstupu, usměrňovač a trimr na nastavení maxima) protože to prakticky není potřeba - pokud poklesne napětí na výstupu pod 200V(2.75V oproti nominal 3V, mám nastaven výstup na 220V...) na víc než 3s tak se měnič vypne. A pokles napětí je buď kvůli ochraně mosfetů nebo kvůli tomu, že je přetížený trafo a už víc nedá. Ale podle neoficiální informace začínají práce na "replice" EGS002 s procesorem řady STM32 a tím pádem s možností doladění vlastního firmware.
Dokonce mi zatím bylo lenošno zapojit proudovou zpětnou vazbu do EG8010 (proudový trafo na AC výstupu, usměrňovač a trimr na nastavení maxima) protože to prakticky není potřeba - pokud poklesne napětí na výstupu pod 200V(2.75V oproti nominal 3V, mám nastaven výstup na 220V...) na víc než 3s tak se měnič vypne. A pokles napětí je buď kvůli ochraně mosfetů nebo kvůli tomu, že je přetížený trafo a už víc nedá. Ale podle neoficiální informace začínají práce na "replice" EGS002 s procesorem řady STM32 a tím pádem s možností doladění vlastního firmware.
ostrov skoro 8kWp neustále ve stádiu zrodu: smartshunt(ex WBJR), MPPT150/45, MPPT 250/100(ex midnitesolar 150 clasic lite), 16S a různě P cca 340Ah Winston, MP II 5000,( ex Powerjack 8kW, ex samodomo cca 4kW). 48V DC rozvody a spotřebiče.
- Jozef51
- Příspěvky: 504
- Registrován: stř bře 01, 2017 8:06 am
- Reputace:92
- Bydliště: Rosovice
Re: EGS002
Nezhadzuj svoju robotu... vycancat fungujuce uz nie je taky problem. S akym vykonom chodis? Ako je osadeny mostik? Ako sa to chova pri prevadzke?kodl69 píše:... Provozuju ten prasobastl už dva měsíce...
Ked bude novy riadiaci chip aspon ho bude do coho osadit.
Kdo je online
Uživatelé procházející toto fórum: Claudebot [Bot]
