Bojler Dražice OKC NTRR/SOL a OKC 200 NTRR/BP
-
- Příspěvky: 119
- Registrován: sob kvě 11, 2013 6:49 am
- Reputace: 0
Re: Bojler Dražice OKC NTRR/SOL a OKC 200 NTRR/BP
Nepotřebují na zakázku, to by bylo ještě dražší.Kostěj píše:Napište do Dražic, jestli by Vám neudělali bojler na zakázku a co by to stálo.
OKC 200 NTRR/BP je vončo.
Jenže ta cena mi kufr obrací.Celkem i s přirubou a vložkou to vyjde na vic jak 14 000 kč.
To je 2X tolík jak ten OKC 200.
OKC 200 NTRR / SOL vyjde na 9300 a je to same jak OKC 200 NTRR/BP, jen má ten čisticí otvor.
Dávat 3000 za zablyndovanou díru se mí nechce.
Když ten OKC 200 NTRR / SOL obrátím, bude to samé, jen budu mít otvor dole, kde strčím tu spiralu.
-
- Příspěvky: 88
- Registrován: stř dub 17, 2013 1:21 pm
- Reputace: 1
Re: Bojler Dražice OKC NTRR/SOL a OKC 200 NTRR/BP
Patřím k těm, co dražíce také pěkně nasrali, že do OKC 200 NTRR/SOL nedali tu čišící díru.
Jinak bych hned koupil.
Sol snad znamena solarní, ne?
Tak proč tam není ta díra pro keramickou spiralu?
Jinak bych hned koupil.
Sol snad znamena solarní, ne?
Tak proč tam není ta díra pro keramickou spiralu?
-
- Příspěvky: 7999
- Registrován: sob črc 19, 2014 8:56 pm
- Reputace: 1003
- Lokalita: severně od Brna
- Systémové napětí: 48V
- Výkon panelů [Wp]: 8kWp
- Kapacita baterie [kWh]: 12kWh
- Chci prodávat energii: NE
- Chci/Mám dotaci: NE
Re: Bojler Dražice OKC NTRR/SOL a OKC 200 NTRR/BP
já mám okce300NTRR/sol r.v. 1/2011 a když jsem si koupil topnou přírubu na ntrr300/sol ta mi tam nepasuje, dle sdělení DZD je ten můj boiler atyp, ale mě to jaksi nikdo při prodeji neřekl. Takže tam dolů klasický suchý topný těleso nedostanu, možná tj6/4, když si udělám novou přírubu, protože na můj není ke koupení ani těsnění. Moc mi to teada nevadí, mám tj6/4 v polovině boileru a ohřívám to hlavně fototermikou, ale předse jenom...
ostrov skoro 8kWp neustále ve stádiu zrodu: smartshunt(ex WBJR), MPPT150/45, MPPT 250/100(ex midnitesolar 150 clasic lite), 16S a různě P cca 340Ah Winston, MP II 5000,( ex Powerjack 8kW, ex samodomo cca 4kW). 48V DC rozvody a spotřebiče.
-
- Příspěvky: 2677
- Registrován: úte úno 04, 2014 9:06 am
- Reputace: 266
- Bydliště: Neďaleko Košic (SR)
Re: Bojler Dražice OKC NTRR/SOL a OKC 200 NTRR/BP
Mam okc300ntrr/sol a kupil som si dole v pohode prirubu do inspekcneho otvoru pre osadenie TJ6/4. Aj ked som ju dlhsie hladal na nete. Aj okc200ntrr/sol ma tiez inspekcny otvor. Na nete je normalne zobrazeny, tak nechapem...
Edit:
http://www.kurenie-solar.sk/kurenie-sol ... -SOL-200-l
Edit2: https://www.stavbaeu.sk/drazice-veko-pr ... 213-176594
Odoslané z Lenovo P2a42 pomocou Tapatalku
Edit:
http://www.kurenie-solar.sk/kurenie-sol ... -SOL-200-l
Edit2: https://www.stavbaeu.sk/drazice-veko-pr ... 213-176594
Odoslané z Lenovo P2a42 pomocou Tapatalku
Najprv sa učíme chodiť a hovoriť, neskôr sa učíme sedieť a držať hubu... :stupidme:
Hybridná FVE dom: 6,3kWp, Victron Energy, 12kWh Pylontech+GB-Aku
On-Grid FVE dom: 3,6kWp, FRONIUS AC Coupling+VB
OFF-Grid FVE chata: 1,5kWp, Axpert, PCM, 200Ah/24V 18650
Hybridná FVE dom: 6,3kWp, Victron Energy, 12kWh Pylontech+GB-Aku
On-Grid FVE dom: 3,6kWp, FRONIUS AC Coupling+VB
OFF-Grid FVE chata: 1,5kWp, Axpert, PCM, 200Ah/24V 18650
-
- Příspěvky: 7999
- Registrován: sob črc 19, 2014 8:56 pm
- Reputace: 1003
- Lokalita: severně od Brna
- Systémové napětí: 48V
- Výkon panelů [Wp]: 8kWp
- Kapacita baterie [kWh]: 12kWh
- Chci prodávat energii: NE
- Chci/Mám dotaci: NE
Re: Bojler Dražice OKC NTRR/SOL a OKC 200 NTRR/BP
No a to je právě ono, v mým boileru je ten spodní výměník tak nějak namotanej, a příruba je jiná než dle tabulky: http://www.dzd.cz/images/download/katal ... SE-TPK.pdf má tam pasovat TPK210, ale příruba je menší, TPK168 by asi pasovala na šrouby, ale podle vyjádření DZD, kam jsem posílal výrobní číslo a datum výroby - to ani nemám zkoušet, protože by kolidovala se spodním výměníkem. Tak jsem se na to vykašlal, musí stačit tj6/4" v prostřed boileru...
Ještě že prodejce byl tak solidní, že jsem mu to mohl vrátit i po více než měsíci (vypustit 300l boiler chce trochu příprav a sesbírat odhodlání, to není jak s nějakou 80l hračkou).
Edit: KDYŽ SE PODÍVÁTE DO TOHO DOKUMENTU Z DZD, TAK TAM MAJÍ OKC (OKCE) 300NTRR/SOL S DVĚMA PRŮMĚRY NÁDOBY, 500 a 550mm.
Samozřejmě mám ten 500mm a jak píšu, je tam proti přírubě zrovna spodní výměník (sice až na druhé straně boileru, ale 40cm těleso do toho jistě nevejde)
Ještě že prodejce byl tak solidní, že jsem mu to mohl vrátit i po více než měsíci (vypustit 300l boiler chce trochu příprav a sesbírat odhodlání, to není jak s nějakou 80l hračkou).
Edit: KDYŽ SE PODÍVÁTE DO TOHO DOKUMENTU Z DZD, TAK TAM MAJÍ OKC (OKCE) 300NTRR/SOL S DVĚMA PRŮMĚRY NÁDOBY, 500 a 550mm.
Samozřejmě mám ten 500mm a jak píšu, je tam proti přírubě zrovna spodní výměník (sice až na druhé straně boileru, ale 40cm těleso do toho jistě nevejde)
ostrov skoro 8kWp neustále ve stádiu zrodu: smartshunt(ex WBJR), MPPT150/45, MPPT 250/100(ex midnitesolar 150 clasic lite), 16S a různě P cca 340Ah Winston, MP II 5000,( ex Powerjack 8kW, ex samodomo cca 4kW). 48V DC rozvody a spotřebiče.
-
- Příspěvky: 2677
- Registrován: úte úno 04, 2014 9:06 am
- Reputace: 266
- Bydliště: Neďaleko Košic (SR)
Re: Bojler Dražice OKC NTRR/SOL a OKC 200 NTRR/BP
Sakra, tak to je smola, nechapem, robia hore dole somariny... Nastastie mne este prisiel dobry kus, ale teraz som objednaval pre jedneho zakaznika, tak som zvedavy coo pride.
Snad to bude dobre sakra. 


Najprv sa učíme chodiť a hovoriť, neskôr sa učíme sedieť a držať hubu... :stupidme:
Hybridná FVE dom: 6,3kWp, Victron Energy, 12kWh Pylontech+GB-Aku
On-Grid FVE dom: 3,6kWp, FRONIUS AC Coupling+VB
OFF-Grid FVE chata: 1,5kWp, Axpert, PCM, 200Ah/24V 18650
Hybridná FVE dom: 6,3kWp, Victron Energy, 12kWh Pylontech+GB-Aku
On-Grid FVE dom: 3,6kWp, FRONIUS AC Coupling+VB
OFF-Grid FVE chata: 1,5kWp, Axpert, PCM, 200Ah/24V 18650
-
- Příspěvky: 3398
- Registrován: sob pro 29, 2012 10:22 pm
- Reputace: 155
- Lokalita: pod Brnem
- Systémové napětí: 24V
Re: Bojler Dražice OKC NTRR/SOL a OKC 200 NTRR/BP
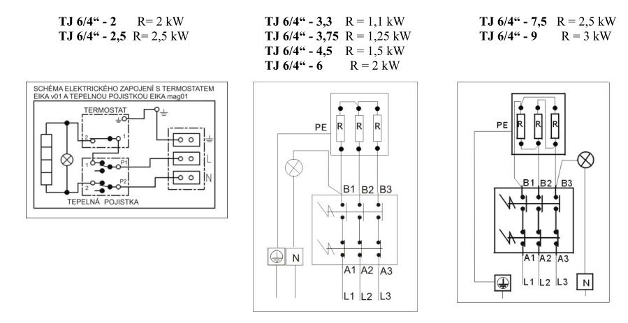
Chápu to dobře, že vtěch 3f TJ jednotkách je 3P termostat a 3P pojistka? Takže zapojit na 1x230V pro zapojení do série pro menší proud kvůli měniči půjdou bez větších problémů.
3x2000VA-VMP-par, NiCd 24V, 22x210-320Wp, 2x85A-VMPPT, ABC-&-XYZ mypower.cz Ať ti to běží jako hodinky na baterku s čerstvou expirací! Zdejší slova: To by bylo, abychom na tom šetření nevydělali!
-
- Příspěvky: 4487
- Registrován: úte dub 23, 2013 10:21 am
- Reputace: 805
- Lokalita: Kousek od Lysé nad Labem
- Systémové napětí: 48V
- Výkon panelů [Wp]: 46000
- Kapacita baterie [kWh]: 40
- Chci prodávat energii: NE
- Chci/Mám dotaci: NE
- Bydliště: Kousek od Lysé nad Labem
Re: Bojler Dražice OKC NTRR/SOL a OKC 200 NTRR/BP
Já mám ten 3x2kW a jsou tam dva kapilárové termostaty - jeden regulovatelný a jeden bezpečností, které mechanicky spínají stykař. Ten regulovatelný u mě ale zlobí, předpokládám, že je to proto, že normálně vypínal, ale i po vypnutí ohřev pokračoval dál fototermikou a kapalina v kapiláře se dál rozpínala, až se stal mechanicky nespolehlivý. Jak si přepneš jednotlivé spirály, záleží na tobě. Já v zimě využívám 2 fáze.
_______________________________________________________________________
43 kWp, LiFePO4 62 kWh,
EPSolar 60 A/150 V ET6415N + 3x Isolar SM II (5 kW, 450 V, 80 A) + Axpert PIP 5048MS
43 kWp, LiFePO4 62 kWh,
EPSolar 60 A/150 V ET6415N + 3x Isolar SM II (5 kW, 450 V, 80 A) + Axpert PIP 5048MS
-
- Příspěvky: 3398
- Registrován: sob pro 29, 2012 10:22 pm
- Reputace: 155
- Lokalita: pod Brnem
- Systémové napětí: 24V
Re: Bojler Dražice OKC NTRR/SOL a OKC 200 NTRR/BP
Já tam teď mám našroubovanou obyč tříspirálu na 2,5kW/400V, ale nevím kam strčit pojistku, protože to nemá nikde blízko šachtu. Na termostat mám u vrchu u vývodů. Dole je většinou stále chladno a není podle mého názoru v tom místě co regulovat. Napadlo mne prohrbnout polyuretan a kapiláru prostrčit pod černý vrchní dekl až na kov a přilepit ji k němu. Termostat mám, jen řeším jestli dát zase 3tKč za něco hotového nebo jen dovybavit pojistkou, někam ji nainstalovat dokoupit malou rozvodnici kam to vše napojit a hotovo. Bylo by vní 2P stykač, přepínač zdrojů 1-0-2 v 90°, uzemnění anody, hodiny co by to celkově podle nastavených hodin a času spínaly když by to bylo v provozu a červený spínač. Jen ta pojistka mi dělá vrásky. Bez ní to nechci na el. provozovat. Chti to provozovat jen na 1x230V do 800W příkonu a ohřívat to stále pokud je den a podle toho jestli je zimní režim nebo letní, a s nastavitelným termostatem samozřejmě...
3x2000VA-VMP-par, NiCd 24V, 22x210-320Wp, 2x85A-VMPPT, ABC-&-XYZ mypower.cz Ať ti to běží jako hodinky na baterku s čerstvou expirací! Zdejší slova: To by bylo, abychom na tom šetření nevydělali!
-
- Příspěvky: 7999
- Registrován: sob črc 19, 2014 8:56 pm
- Reputace: 1003
- Lokalita: severně od Brna
- Systémové napětí: 48V
- Výkon panelů [Wp]: 8kWp
- Kapacita baterie [kWh]: 12kWh
- Chci prodávat energii: NE
- Chci/Mám dotaci: NE
Re: Bojler Dražice OKC NTRR/SOL a OKC 200 NTRR/BP
termostat nahoře jsem provozoval u starýho boileru, kde byla topná jednotka úplně dole, je to dobrý řešení pro minimální zásobu teplé vody ohřáté elektrikou. Bezpečnostní termostat by tam jistě měl být a neměl by ovládat stejnej stykač jako term. provozní, takže raděj tu 3f variantu bezp. termostatu. Není třeba hned vedle nějakej zaslepenej vývod na cirkulaci?
ostrov skoro 8kWp neustále ve stádiu zrodu: smartshunt(ex WBJR), MPPT150/45, MPPT 250/100(ex midnitesolar 150 clasic lite), 16S a různě P cca 340Ah Winston, MP II 5000,( ex Powerjack 8kW, ex samodomo cca 4kW). 48V DC rozvody a spotřebiče.
-
- Příspěvky: 4487
- Registrován: úte dub 23, 2013 10:21 am
- Reputace: 805
- Lokalita: Kousek od Lysé nad Labem
- Systémové napětí: 48V
- Výkon panelů [Wp]: 46000
- Kapacita baterie [kWh]: 40
- Chci prodávat energii: NE
- Chci/Mám dotaci: NE
- Bydliště: Kousek od Lysé nad Labem
Re: Bojler Dražice OKC NTRR/SOL a OKC 200 NTRR/BP
Díra skrz izolaci už je - je do ní zasazen teploměr boileru. Když ho vyloupneš, je tam otvor až na plášť. Já plánuju vložit nouzový termostat bimetalový - něco jako https://www.aliexpress.com/item/MYLB-10 ... 06737.html který bude ovládat cívku stykače.
_______________________________________________________________________
43 kWp, LiFePO4 62 kWh,
EPSolar 60 A/150 V ET6415N + 3x Isolar SM II (5 kW, 450 V, 80 A) + Axpert PIP 5048MS
43 kWp, LiFePO4 62 kWh,
EPSolar 60 A/150 V ET6415N + 3x Isolar SM II (5 kW, 450 V, 80 A) + Axpert PIP 5048MS
-
- Příspěvky: 88
- Registrován: stř dub 17, 2013 1:21 pm
- Reputace: 1
Re: Bojler Dražice OKC NTRR/SOL a OKC 200 NTRR/BP
U toho obrazku jemobilik píše:Aj okc200ntrr/sol ma tiez inspekcny otvor. Na nete je normalne zobrazeny, tak nechapem...
http://www.kurenie-solar.sk/kurenie-sol ... -SOL-200-l
19 Přiruba rozteč 150 mm (jen u 300,400,500 l)
A maji to skopčene
http://www.dzd.cz/cs/ohrivace-vody-bojl ... ivace-solv
Klikní na řez zasobníkem.
-
- Příspěvky: 7999
- Registrován: sob črc 19, 2014 8:56 pm
- Reputace: 1003
- Lokalita: severně od Brna
- Systémové napětí: 48V
- Výkon panelů [Wp]: 8kWp
- Kapacita baterie [kWh]: 12kWh
- Chci prodávat energii: NE
- Chci/Mám dotaci: NE
Re: Bojler Dražice OKC NTRR/SOL a OKC 200 NTRR/BP
Pozor na nouz. termosta na ovládání stykače - už jsem viděl dost stykačů se "svařenými" kontakty.
Ano, inspekční otvor, vybíral jsem tudy dva kýble písku a vodního kamene, ale díky spodnímu výměníku tam nejde dát topná příruba ani TJ6/4 (200l a můj 300l atyp), protože nevyjde na délku, potkalo by se to s trubkama výměníku.
Ano, inspekční otvor, vybíral jsem tudy dva kýble písku a vodního kamene, ale díky spodnímu výměníku tam nejde dát topná příruba ani TJ6/4 (200l a můj 300l atyp), protože nevyjde na délku, potkalo by se to s trubkama výměníku.
ostrov skoro 8kWp neustále ve stádiu zrodu: smartshunt(ex WBJR), MPPT150/45, MPPT 250/100(ex midnitesolar 150 clasic lite), 16S a různě P cca 340Ah Winston, MP II 5000,( ex Powerjack 8kW, ex samodomo cca 4kW). 48V DC rozvody a spotřebiče.
-
- Příspěvky: 88
- Registrován: stř dub 17, 2013 1:21 pm
- Reputace: 1
Re: Bojler Dražice OKC NTRR/SOL a OKC 200 NTRR/BP
OKC 200 NTRR/BP na rozdíl od SOL tam ten otvor prý má a měla by tam byt i příruba pro keramickou vložku + ta keramická vložka 2200 W.kodl69 píše:Ano, inspekční otvor, vybíral jsem tudy dva kýble písku a vodního kamene, ale díky spodnímu výměníku tam nejde dát topná příruba ani TJ6/4 (200l a můj 300l atyp), protože nevyjde na délku, potkalo by se to s trubkama výměníku.
Proto je též o 3 500 dražší

Mají to v těch Dražicích nějak dojebane

-
- Příspěvky: 235
- Registrován: čtv led 18, 2018 12:11 pm
- Reputace: 3
- Lokalita: Bratislava
Re: Bojler Dražice OKC NTRR/SOL a OKC 200 NTRR/BP
Ahojte, mam bojler Drazice OKHE 80 (s displejom). Myslite ze by som ho mohol napajat z menica s modifikovanou sinusovkou? Bojler ma 1900W tak napr. z 2500W menica..Dik
30xGS55 (1600W)JV a 30xGS55 (1600W)JZ, 6x320W PERC JZ, Axpert 48V 5kW 800Ah gel. olovo, menič 2500W, MPPT 48V40A 300Ah AGM olovo,BMS Victron BMV700,702
-
- Příspěvky: 235
- Registrován: čtv led 18, 2018 12:11 pm
- Reputace: 3
- Lokalita: Bratislava
Re: Bojler Dražice OKC NTRR/SOL a OKC 200 NTRR/BP
nikto nic?
30xGS55 (1600W)JV a 30xGS55 (1600W)JZ, 6x320W PERC JZ, Axpert 48V 5kW 800Ah gel. olovo, menič 2500W, MPPT 48V40A 300Ah AGM olovo,BMS Victron BMV700,702
- peater
- Příspěvky: 249
- Registrován: pát bře 20, 2015 9:25 pm
- Reputace: 14
Re: Bojler Dražice OKC NTRR/SOL a OKC 200 NTRR/BP
Ahoj, vzhledem k tomu, že je v bojleru řídící elektronika, tak bych ten modif. sinus nepoužil. Na obyč. spirálu z termostatem on off ano.
9000Wp, 48v, 2x Pip-5048 MK paralelně, Li-ion 470Ah, ICC monitoring, GreenBonO vytěžovač
https://pvoutput.org/list.jsp?userid=50768
https://pvoutput.org/list.jsp?userid=50768
-
- Příspěvky: 235
- Registrován: čtv led 18, 2018 12:11 pm
- Reputace: 3
- Lokalita: Bratislava
Re: Bojler Dražice OKC NTRR/SOL a OKC 200 NTRR/BP
Hm no skoda,asi musim obetovat 2kw cisty sinus na bojler
30xGS55 (1600W)JV a 30xGS55 (1600W)JZ, 6x320W PERC JZ, Axpert 48V 5kW 800Ah gel. olovo, menič 2500W, MPPT 48V40A 300Ah AGM olovo,BMS Victron BMV700,702
-
- Příspěvky: 119
- Registrován: sob kvě 11, 2013 6:49 am
- Reputace: 0
Re: Bojler Dražice OKC NTRR/SOL a OKC 200 NTRR/BP
Radějí to nech napájené přes 220 V zásuvku a řídicí jednotkou spinej rele.fatter píše:Hm no skoda,asi musim obetovat 2kw cisty sinus na bojler
-
- Příspěvky: 1415
- Registrován: čtv led 15, 2015 1:37 pm
- Reputace: 350
Re: Bojler Dražice OKC NTRR/SOL a OKC 200 NTRR/BP
Zdravím,
dnes je trend výrobců k napájení maličkých spotřebičů jako je i displej použít malé spínané zdroje.
Zkuste prohlédnout nebo ověřit jaký zdroj je u displeje. Pokud to bude spínaný zdroj může
takový maličký spínaný zdroj být napájený i modifikovaným sinus.
Malý spínací zdroj ani nemá PFC, což je korekce účiníku. Považuji za velmi pravděpodobné, že
Váš displej je napájený malým spínaným zdrojem. A kdyby tam náhodou byl maličký transformátor
s usměrňovačem, možná by jste zvládl i výměnu a nahradit napájení displeje maličkým spínaným zdrojem.
Se spínaným zdrojem displeje nic nebude bránit tomu aby jste celý bojler napájel modifikovaným sinus.
dnes je trend výrobců k napájení maličkých spotřebičů jako je i displej použít malé spínané zdroje.
Zkuste prohlédnout nebo ověřit jaký zdroj je u displeje. Pokud to bude spínaný zdroj může
takový maličký spínaný zdroj být napájený i modifikovaným sinus.
Malý spínací zdroj ani nemá PFC, což je korekce účiníku. Považuji za velmi pravděpodobné, že
Váš displej je napájený malým spínaným zdrojem. A kdyby tam náhodou byl maličký transformátor
s usměrňovačem, možná by jste zvládl i výměnu a nahradit napájení displeje maličkým spínaným zdrojem.
Se spínaným zdrojem displeje nic nebude bránit tomu aby jste celý bojler napájel modifikovaným sinus.
-------------------------------------------------------------------------------------------------------------------
Dotace NE, 6,9kWp ,reg.Harmonie Ver.1, 60A,aku 4kWh LTO,BMS Sokol 400E,řízení Leonardo, LF a HF měnič vlastní Ver.1 a Ver.2, LF Modrá trojka 3kVA,modul HIS,ohřev vody Malibu L.A.3kW,Ver.1
Příprava instalace panel 18kWp,reg.Harmonie12kW Ver.4,měnič AC-DC-AC 1f PECKA 22kW,BMS Sokol 400E řízení Leonardo 360V, modul HIS, DC modul AFDD,modul chytré řízení,Aku 360V, ohřev vody Malibu L.A.3kW,Ver.4
Dotace NE, 6,9kWp ,reg.Harmonie Ver.1, 60A,aku 4kWh LTO,BMS Sokol 400E,řízení Leonardo, LF a HF měnič vlastní Ver.1 a Ver.2, LF Modrá trojka 3kVA,modul HIS,ohřev vody Malibu L.A.3kW,Ver.1
Příprava instalace panel 18kWp,reg.Harmonie12kW Ver.4,měnič AC-DC-AC 1f PECKA 22kW,BMS Sokol 400E řízení Leonardo 360V, modul HIS, DC modul AFDD,modul chytré řízení,Aku 360V, ohřev vody Malibu L.A.3kW,Ver.4
Kdo je online
Uživatelé prohlížející si toto fórum: Applebot [Bot], Claudebot [Bot] a 0 hostů