studer XTM 4000-48-01
Souhrn tématu
Diskuze na fóru potvrzuje, že Studer XTM 4000-48-01 je vhodný střídač především pro symetrické třífázové konfigurace, kde je potřeba rovnoměrné rozložení výkonu na všech fázích. Uživatelé upozorňují na nutnost stejné verze firmware a varují před asymetrickým zapojením, které může způsobit problémy s řízením a synchronizací. Cena kolem 73 000 Kč s DPH odpovídá kvalitě a funkcím tohoto zařízení, které je často doporučováno pro náročné solární instalace.
- gupa
- Příspěvky: 3901
- Registrován: sob pro 29, 2012 10:22 pm
- Reputace:177
- Lokalita: pod Brnem
- Systémové napětí: 24V
Re: studer XTM 4000-48-01
Zajímá mne u Studeru jak funguje to nastavení při dodávání ze sítě dohromady s invertorem. Jde o funkci dobíječe, kdy se odděleně dobíjí baterie z které funguje invertor nebo funkci ongrid, kdy to co chybí se přetahne z DS nebo alternátoru?
3x2000VA-VMP-par, NiCd 24V, 22x210-320Wp, 2x85A-VMPPT, ABC-&-XYZ mypower.czAť ti to běží jako hodinky na baterku s čerstvou expirací! Zdejší slova: To by bylo, abychom na tom šetření nevydělali! Nový a aktuálně platný je termín v diskuzích na Seznam.cz mediokratická totalita.
- netko
- Příspěvky: 174
- Registrován: sob zář 01, 2012 12:43 am
- Reputace:10
- Lokalita: Orava
Re: studer XTM 4000-48-01
Ziadne Ongrid sa nezapina(ak sa nemylim to je tlacenie do siete). Takze On grid vypnute. Ak je nastavene priorita z baterii a napatie baterie je nad pozadovanu hodnotu a v rezime float tak z baterii cuca do limitu a nedobija baterie. Pokial by presiel XTM do stavu bulk tak zapne nabijacku a vtedy vsetko tecie iba zo siete aj do AC-OUT aj do baterky. To znamena ze sucet prudu AC-OUT+ nabijaci prud nesmie byt vacsi ako je povoleny na vstupe AC-IN. Samozrejme ze musi byt zopnute transfer rele kontakty K1+K2 na obrazku.
gupa píše:Zajímá mne u Studeru jak funguje to nastavení při dodávání ze sítě dohromady s invertorem. Jde o funkci dobíječe, kdy se odděleně dobíjí baterie z které funguje invertor nebo funkci ongrid, kdy to co chybí se přetahne z DS nebo alternátoru?
- honzaL
- Příspěvky: 414
- Registrován: pon kvě 21, 2012 11:33 am
- Reputace:18
- Bydliště: Hradec Kráové
Re: studer XTM 4000-48-01
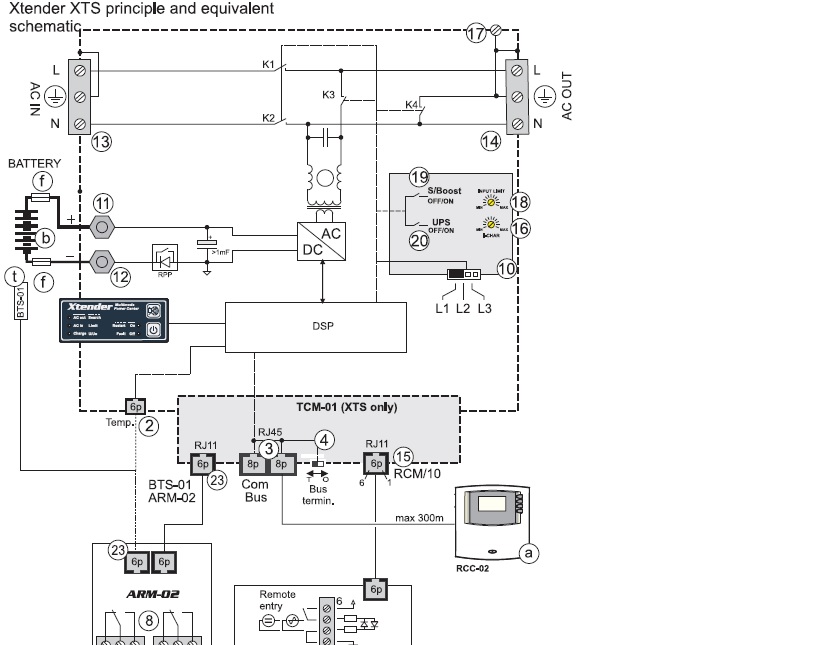
Právě uvedené schema mi není jasné.
Například potřebuji výstupní výkon 7kW. Mám měnič 4kW takže 3kW půjdou z DS.
Aby něco teklo z DS musí v ní být větší napětí než na výstupu i než na měniči DC/AC.
Měnič tedy musí vyrobit o něco menší napětí (ale dostatek poudu podle svého výkonu).
Na schématu je nakreslen DSP, ale ten nesnímá úroveň vstupních ani výstupních AC.
nedokážu si představit, že to jde bez snímání uregulovat (asi je to zjednodušené schéma).
Další otázka, je tento režim možno považovat za trvalý nebo jenom dočasný (5 min podle dokumentace)?
Například potřebuji výstupní výkon 7kW. Mám měnič 4kW takže 3kW půjdou z DS.
Aby něco teklo z DS musí v ní být větší napětí než na výstupu i než na měniči DC/AC.
Měnič tedy musí vyrobit o něco menší napětí (ale dostatek poudu podle svého výkonu).
Na schématu je nakreslen DSP, ale ten nesnímá úroveň vstupních ani výstupních AC.
nedokážu si představit, že to jde bez snímání uregulovat (asi je to zjednodušené schéma).
Další otázka, je tento režim možno považovat za trvalý nebo jenom dočasný (5 min podle dokumentace)?
18x 550Wp, 16xLiFePO 780Ah (stáří 1, 1, 4, 13, 15 let), STUDER: 3x MPPT VT65; 4x Xtender 4000-48. PLC TECO2091
(v minulosti = CEEG 15x230 Wp, 16xLiFePO 500 Ah, MS TS60A, Studer 4000-48, PLC Siemens,)
(v minulosti = CEEG 15x230 Wp, 16xLiFePO 500 Ah, MS TS60A, Studer 4000-48, PLC Siemens,)
- netko
- Příspěvky: 174
- Registrován: sob zář 01, 2012 12:43 am
- Reputace:10
- Lokalita: Orava
Re: studer XTM 4000-48-01
Ked je zopnute transfer rele tak na vystume xtmka je take iste napatie ako na vstupe AC-IN, preto cez transfer rele tecie vzdy ked je zapnute cca 5-10percent vystupneho vykonu.
Ci je trvaly zalezi od stavu nabitia baterie.
Otazka znie co chceme aby nam to robilo.
Ci je trvaly zalezi od stavu nabitia baterie.
Otazka znie co chceme aby nam to robilo.
honzaL píše:Právě uvedené schema mi není jasné.
Například potřebuji výstupní výkon 7kW. Mám měnič 4kW takže 3kW půjdou z DS.
Aby něco teklo z DS musí v ní být větší napětí než na výstupu i než na měniči DC/AC.
Měnič tedy musí vyrobit o něco menší napětí (ale dostatek poudu podle svého výkonu).
Na schématu je nakreslen DSP, ale ten nesnímá úroveň vstupních ani výstupních AC.
nedokážu si představit, že to jde bez snímání uregulovat (asi je to zjednodušené schéma).
Další otázka, je tento režim možno považovat za trvalý nebo jenom dočasný (5 min podle dokumentace)?
- gupa
- Příspěvky: 3901
- Registrován: sob pro 29, 2012 10:22 pm
- Reputace:177
- Lokalita: pod Brnem
- Systémové napětí: 24V
Re: studer XTM 4000-48-01
Já nevím, ale nevidím natom nepřehlendém schématu žeby to bylo nějak oddělené. Takto vlastně funguje ongrid. Při odděleném nabíjení bych předpokládal že frekvence bude synchronní jak IN tak OUT, ale bez propojky. Já v tom vidím stejně jako u Victrona takový pokus o jakýsi sdílení. Ale když dojde na provoz, tak nejosvědčenější bude mít nabíječ z DS a měnič pouze OUT zvlášť a bude to oddělené přes baterii. Jen měnič to chce mít hodně silný. Právě na takovém předraženém jakémsi sdílení mé instalace končí. Vezmu si rozpočet, plácnu se přes kapsu na kvalitních měničích, ale stále jsou slabé a měkké a když se přetíží, znovu se dostávám doproblému. Proto si myslím, že je řešením pořádně silný měnič nebo měniče pro 3f, baterii, a pořídný nabíječ. Ale to jsou rozpočty mimo chápání a možnosti někde k půl milionu a zato mi ani ta kvalita nestojí.
3x2000VA-VMP-par, NiCd 24V, 22x210-320Wp, 2x85A-VMPPT, ABC-&-XYZ mypower.czAť ti to běží jako hodinky na baterku s čerstvou expirací! Zdejší slova: To by bylo, abychom na tom šetření nevydělali! Nový a aktuálně platný je termín v diskuzích na Seznam.cz mediokratická totalita.
- RobertM
- Příspěvky: 271
- Registrován: sob led 07, 2012 2:47 pm
- Reputace:12
Re: studer XTM 4000-48-01
Tato funkce se nazývá tzv" Smart Boost" a funguje jednoduše tak, že při její aktivaci přepouští Studer cca 10% ze sítě a 90% se bere z akumulátorů do té doby než dosáhne na akumulátorech určité nastavené napěťové hladiny. Následně postupně změní poměr odebírané energie ze sítě na 100%. Pokud další den zvednou MPPT regulátory napětí nad nastavenou hladinu, začne opět Studer měnit poměr odebírané energie ve prospěch baterie. Integrovaný charger (nabíječ) v měniči bývá v našich podmínkách v létě většinou vypnutý, takže tím pádem vůbec nenabíjí ze sítě. Pokud je charger (nabíječ) zapnutý např. v zimě řídí se následnou samostatnou logikou pro nabíječ nebo může být nabíjecí cyklus synchronizován s ostatními systémovými solárními nabíječi MPPT (Variotrack) takže celý systém nabíjí jednou celkově synchronizovanou logikou. Možností nastavení je tu opravdu mnoho.gupa píše:Zajímá mne u Studeru jak funguje to nastavení při dodávání ze sítě dohromady s invertorem. Jde o funkci dobíječe, kdy se odděleně dobíjí baterie z které funguje invertor nebo funkci ongrid, kdy to co chybí se přetahne z DS nebo alternátoru?
- RobertM
- Příspěvky: 271
- Registrován: sob led 07, 2012 2:47 pm
- Reputace:12
Re: studer XTM 4000-48-01
Z běžných měření spotřeby v budovách vyplývá, že jen velmi malou část součtu odebrané elektřiny v kWh za den tvoří špičky (max. cca 5-10% celkové spotřeby) Funkce Smart Boost u měničů Studer využívá právě této vlastnosti a místo dimenzování na 100% požadovaného výkonu ve špičkách může naopak pokrývat pouze 50 - 90%. Rozdíl je samozřejmě ve ztrátách .. srovnatelný 8kw ostrovní měnič který jede nonstop bude mít vyšší ztráty, a jinou cenu než např 4kw měnič který si je schopen ve špičkách přicucnout dalších 50A na vstupu. Typická spotřeba za den tak může vypadat např. 2-3kWh nakoupené elektřiny a 20kWh spotřebované elektřiny kde 2-3kWh tvoří krátkodobé špičky.gupa píše:Já nevím, ale nevidím natom nepřehlendém schématu žeby to bylo nějak oddělené. Takto vlastně funguje ongrid. Při odděleném nabíjení bych předpokládal že frekvence bude synchronní jak IN tak OUT, ale bez propojky. Já v tom vidím stejně jako u Victrona takový pokus o jakýsi sdílení. Ale když dojde na provoz, tak nejosvědčenější bude mít nabíječ z DS a měnič pouze OUT zvlášť a bude to oddělené přes baterii. Jen měnič to chce mít hodně silný. Právě na takovém předraženém jakémsi sdílení mé instalace končí. Vezmu si rozpočet, plácnu se přes kapsu na kvalitních měničích, ale stále jsou slabé a měkké a když se přetíží, znovu se dostávám doproblému. Proto si myslím, že je řešením pořádně silný měnič nebo měniče pro 3f, baterii, a pořídný nabíječ. Ale to jsou rozpočty mimo chápání a možnosti někde k půl milionu a zato mi ani ta kvalita nestojí.
- RobertM
- Příspěvky: 271
- Registrován: sob led 07, 2012 2:47 pm
- Reputace:12
Re: studer XTM 4000-48-01
Měnič pojede 30 min s výkonem 4kW a následně sníží výkon na nominální 3,5kW zbytek poteče ze sítě. Záleží samozřejmě i na okolní teplotě.honzaL píše:Právě uvedené schema mi není jasné.
Například potřebuji výstupní výkon 7kW. Mám měnič 4kW takže 3kW půjdou z DS.
Aby něco teklo z DS musí v ní být větší napětí než na výstupu i než na měniči DC/AC.
Měnič tedy musí vyrobit o něco menší napětí (ale dostatek poudu podle svého výkonu).
Na schématu je nakreslen DSP, ale ten nesnímá úroveň vstupních ani výstupních AC.
nedokážu si představit, že to jde bez snímání uregulovat (asi je to zjednodušené schéma).
Další otázka, je tento režim možno považovat za trvalý nebo jenom dočasný (5 min podle dokumentace)?
- gupa
- Příspěvky: 3901
- Registrován: sob pro 29, 2012 10:22 pm
- Reputace:177
- Lokalita: pod Brnem
- Systémové napětí: 24V
Re: studer XTM 4000-48-01
Nevím proč jako prodejce píšete o kW, když jdeo kVA. Potom k běžné spotřebě domácnosti a špičce. Se 4kVA měničem se moc nezmůže. Je to slabý pro běžnou domácnost. Běžná domácnost kde se vychovávají děti, pere se, suší se, dívá se na TV a jsou puštěné všechny možné spotřebiče, taková špička pro takový měnič střelím v létě, dělá 50% času kdy jede a nebo si jak tu píšete nacucává pokud svítí slunce, večet se přepne na DS a nic to neuspoří, protože jsou baterie nenabité kvůli tomu, že někdo něco poddimenzoval. Nad těch 4kVA, tj. plus těch 10 max 50% po určitou dobu je tedy mizérium. Baterii to moc neodlehčí a stále mi to vychází, že si musím koupit měničů za 150tKč, aby mi to začalo spořit, jak jako prodejce tvrdíte. On si nenacucává nic, prostě sdílí frekvenci a funguje jako ongrid měnič nebo přepne natvrdo DS, nebo jde přes měnič...
Takže jsme s úsporou u tak slabého měniče někde jinde, a stím i celkovou návratností. Celá investice do FVE velice stárne, měniče jsou předražené a za ty peníze co jsem je koupil před půl rokem je těžko i se slevou prodám. Zjišťuji, že to co umí Victron podobně umí i Studer. Kdyby fungovaly stejně, asi by se ty dvě firmy pokousaly a soudily se. Victron je spíš do lodí a Studer chodí spíše v uskutečněných aplikacích po souši.
Takže jsme s úsporou u tak slabého měniče někde jinde, a stím i celkovou návratností. Celá investice do FVE velice stárne, měniče jsou předražené a za ty peníze co jsem je koupil před půl rokem je těžko i se slevou prodám. Zjišťuji, že to co umí Victron podobně umí i Studer. Kdyby fungovaly stejně, asi by se ty dvě firmy pokousaly a soudily se. Victron je spíš do lodí a Studer chodí spíše v uskutečněných aplikacích po souši.
3x2000VA-VMP-par, NiCd 24V, 22x210-320Wp, 2x85A-VMPPT, ABC-&-XYZ mypower.czAť ti to běží jako hodinky na baterku s čerstvou expirací! Zdejší slova: To by bylo, abychom na tom šetření nevydělali! Nový a aktuálně platný je termín v diskuzích na Seznam.cz mediokratická totalita.
- RobertM
- Příspěvky: 271
- Registrován: sob led 07, 2012 2:47 pm
- Reputace:12
Re: studer XTM 4000-48-01
Omlouvám se máte pravdu 4kVA, jsem zvyklý že se běžněji se používá kW, jinak reálný výkon v řádu 10-ti minut je přes 5kW .. zbytek docucne ze sítě. Výkon pro "běžnou" domácnost se dosti liší a může se v průběhu používání změnit. Já osobně jsem začínal s jedním XTM-4000 a časem k němu přibyl kvůli vytápění elektřinou ještě jeden XTM-4000-48 takže teď máme 2 paralelně na jedné fázi. Výhoda je v tom že můžete postupně instalaci rozšiřovat a postupně přidávat výkon dle potřeby až do max 3 měničů na jednu fázi. V max. variantě můžete mít teoreticky až 9xXTH-8000-48 což je cca 72kVA po dobu 30-ti minut což stačí bohatě i pro průmyslové aplikace či menší továrny. V praxi se nám často stává že klient začne s jedním měničem XTM nebo XTH a časem přidá další na druhou fázi nebo třetí a má plnohodnotný 3f systém (např. pro provozí TČ) Co se týká funkce SmartBoost a přiccnutí ze sítě, to se absolutně netýká výkonu panelů nebo toho jestli je den nebo noc, jestli si bere měnič 90% z baterií nebo ne závisí především na tom kde je nastavena hranice napětí baterie. V tom se podstatně liší od Victronu, který toto pokud vím neumí, resp. dělá to obráceně což je využitelné spíš pro Afriku nebo lodě v přístavu tzn. funkce kdy je v místě slabá přípojka např. 6A a měnič tak dorovnává vše nad 6A. V našich podmínkách je největší část spotřeby v kWh za den tvořena spíše malými domácími spotřebiči v řádu stovek watů, naopak ty velké spotřebiče v řádu kilowatů (kromě vytápění) tvoří naopak menší část z celkové spotřeby. Jinak Studer tuto funkci umí také jen se u nás moc nepoužívá, spíše v Německu a holandsku na lodích. Osobně nepovažuji Victron za hybridní měnič právě proto, že tuto funkci nemá. V režimu kdy si mění Studer poměr odebírané energie ze sítě a z baterií (tedy nic se nepřepíná a vše je plynule regulované) pracuje v našich podmínkách cca 99% času. Samozřejmě je i možné odepínat síť přímo parametricky např podle napětí baterie.gupa píše:Nevím proč jako prodejce píšete o kW, když jdeo kVA.
- honzaL
- Příspěvky: 414
- Registrován: pon kvě 21, 2012 11:33 am
- Reputace:18
- Bydliště: Hradec Kráové
Re: studer XTM 4000-48-01
OK. Už to začínám chápat. Studer by dokázal vyřešit můj problém zvaný švagrová. Rodina se naučila zapínat spotřebiče tak, aby se to vešlo do 3kW, švagrová když přijede na navštěvu tento zvyk postrádá a můj 3kW měnič pravidelně shazuje.
Suder 4kW to vyřeší, když přijede švagrová zapíná se K1 a K2 a spouští se funkce "přisávání ze sítě". Taky možnost udělat z něj on-grid (jestli to dobře chápu) je do budoucna velmi pozitivní vlastnost.
Suder 4kW to vyřeší, když přijede švagrová zapíná se K1 a K2 a spouští se funkce "přisávání ze sítě". Taky možnost udělat z něj on-grid (jestli to dobře chápu) je do budoucna velmi pozitivní vlastnost.
18x 550Wp, 16xLiFePO 780Ah (stáří 1, 1, 4, 13, 15 let), STUDER: 3x MPPT VT65; 4x Xtender 4000-48. PLC TECO2091
(v minulosti = CEEG 15x230 Wp, 16xLiFePO 500 Ah, MS TS60A, Studer 4000-48, PLC Siemens,)
(v minulosti = CEEG 15x230 Wp, 16xLiFePO 500 Ah, MS TS60A, Studer 4000-48, PLC Siemens,)
- Frenky
- Příspěvky: 878
- Registrován: pon led 21, 2013 6:36 pm
- Reputace:155
- Lokalita: Doubravička
- Systémové napětí: 48V
- Výkon panelů [Wp]: 8700
- Kapacita baterie [kWh]: 25
- Chci prodávat energii: NE
- Chci/Mám dotaci: NE
- Bydliště: Doubravička
Re: studer XTM 4000-48-01
Chtel jsem se zeptat obecne. Jak je na tom studer versus LiFePo baterie. Vlastnm tuto kombinaci (studer mam mensi XTS 1200_24.) mam ho v kombinaci s BSP. Nedari se mi nastavit spravne mereni SOC. At nastavuji co nastavuji (paukertova konstanta' ci co koli jineho). SOC mi nikdy neklesne pod 80 ℅. (Baterii jsem vybijel k napeti 22V). Umi Studer vubec zapojeni s bateriemi LiFePo ? Dekuji.
24x Solární panel JINKO SOLAR 225 Pmpp=225W, 2x Regulátor STUDER VT-80, 2x Střídač Studer XTM 4000-48, BSP, RCC, 1x AKU 48V LFP200Ah 1x AKU 48 V LFP280Ah. Řizení a dohled, SDS, vlastní vyčítání arduinem DUE v krabičce (ARMOSY), export dat do RPi s databází a html stránkou.
http://95.85.214.80, viewtopic.php?t=4809
http://95.85.214.80, viewtopic.php?t=4809
- matej
- Příspěvky: 826
- Registrován: čtv zář 01, 2011 6:30 pm
- Reputace:45
Re: studer XTM 4000-48-01
Frenky, na podpoře LiFePO4 v BSP se intenzivně pracuje.
Pravda a Láska zvítězí!.
- Frenky
- Příspěvky: 878
- Registrován: pon led 21, 2013 6:36 pm
- Reputace:155
- Lokalita: Doubravička
- Systémové napětí: 48V
- Výkon panelů [Wp]: 8700
- Kapacita baterie [kWh]: 25
- Chci prodávat energii: NE
- Chci/Mám dotaci: NE
- Bydliště: Doubravička
Re: studer XTM 4000-48-01
Díky, já jsem jen chtěl trochu poškádlit dodavatele technologie
. Zatím počítám sám pomocí počítadla uživatelského čítače vybíjení, nabíjení.
Děkuji
Děkuji
24x Solární panel JINKO SOLAR 225 Pmpp=225W, 2x Regulátor STUDER VT-80, 2x Střídač Studer XTM 4000-48, BSP, RCC, 1x AKU 48V LFP200Ah 1x AKU 48 V LFP280Ah. Řizení a dohled, SDS, vlastní vyčítání arduinem DUE v krabičce (ARMOSY), export dat do RPi s databází a html stránkou.
http://95.85.214.80, viewtopic.php?t=4809
http://95.85.214.80, viewtopic.php?t=4809
- Pan Taum
- Příspěvky: 565
- Registrován: sob úno 25, 2012 9:36 pm
- Reputace:25
Re: studer XTM 4000-48-01
Copak u Studeru nejde nastavit peukert konstanta na hodnotu cca 1,06?? Victron BVM to z doslechu zvládá v pohodě. Nebo jde o nějaký jiný problém?
- matej
- Příspěvky: 826
- Registrován: čtv zář 01, 2011 6:30 pm
- Reputace:45
Re: studer XTM 4000-48-01
Studer používá pro stanovení SOC terminálové napětí baterie kompenzované o mnoho faktorů - Peukert, teplota, atd. Výhodou je mimojiné že umí říct SOC aniž by se musel předtím anebo kdykoli po dobu provozu synchronizovat s 100% SOC. Ostatní procesory, např. BMV600S používají metodu počítání Amperhodin a proto potřebují vědět kdy byla baterie plně nabita.
No a jelikož terminálové napětí LiFePO4 neodpovídá napětí Pb pro to samé S0C, tak je u Studeru problém. Ale jak jsem řekl, na řešení výrobce intenzivně pracuje.
No a jelikož terminálové napětí LiFePO4 neodpovídá napětí Pb pro to samé S0C, tak je u Studeru problém. Ale jak jsem řekl, na řešení výrobce intenzivně pracuje.
Pravda a Láska zvítězí!.
- matej
- Příspěvky: 826
- Registrován: čtv zář 01, 2011 6:30 pm
- Reputace:45
Re: studer XTM 4000-48-01
Není pravda. Studer nemá problém do odporové nebo nějaké jiné běžné zátěže využívané v domácnosti dodat činný výkon 4kW na 30 minut anebo 3,5kW trvale. Důvod proč je ve specifikacích kVa je ten, že některé spotřebiče mají účinník menší než jedna, tedy zdánlivý příkon (v kVa) je VĚTŠÍ než činný příkon (v kW). Např. střídavé (bezkomutátorové) motory mají typicky účinník kolem 0,7, to znamená že motor s činným příkonem 4kW má zdánlivý příkon 5,71kVA! Rozdíl mezi činným a zdánlivým výkonem je výkon jalový, cestuje k od zdroje zátěži v další půlperiodě zase spátky, v záteži se nespotřebovává a jenom ohřívá vedení kterým cestuje. Podstatné u měničů a návrhů jejich transformátorů, spínacích prvků (MOSFETů) apod. je to, jaký PROUD dokážou dodat. A jelikož zátěž s účinníkem menším než 1 odebírá proud VĚTŠÍ než zátež o tom samém činném příkonu ale s jednotkovým účinníkem, tak se měniče specifikují v kVA. Jak jsem psal pro normální spotřebiče používané v domácnosti možno považovat jejich příkon v kW za příkon v kVA.gupa píše:Nevím proč jako prodejce píšete o kW, když jdeo kVA.
Opět nemohu souhlasit. Montuji ostrovní a hybridní elektrárny několik let a u domácností kde je měnič XTM 4000-48, je příkon nad 4kW opravdu výjimečný, vyskytuje se po méně než 1% času a to i v létě. Brzy dodám pár grafů ze kterých to bude patrné.Potom k běžné spotřebě domácnosti a špičce. Se 4kVA měničem se moc nezmůže. Je to slabý pro běžnou domácnost. Běžná domácnost kde se vychovávají děti, pere se, suší se, dívá se na TV a jsou puštěné všechny možné spotřebiče, taková špička pro takový měnič střelím v létě, dělá 50% času kdy jede a nebo si jak tu píšete nacucává pokud svítí slunce
Pravda a Láska zvítězí!.
- matej
- Příspěvky: 826
- Registrován: čtv zář 01, 2011 6:30 pm
- Reputace:45
Re: studer XTM 4000-48-01
Samozřejmě ve skutečnosti Studer XTM si všechny proudy měří, to schéma je jenom ideové, pro pochopení jak je to zhruba uvnitř zapojeno.honzaL píše:Právě uvedené schema mi není jasné.
Například potřebuji výstupní výkon 7kW. Mám měnič 4kW takže 3kW půjdou z DS.
Aby něco teklo z DS musí v ní být větší napětí než na výstupu i než na měniči DC/AC.
Měnič tedy musí vyrobit o něco menší napětí (ale dostatek poudu podle svého výkonu).
Na schématu je nakreslen DSP, ale ten nesnímá úroveň vstupních ani výstupních AC.
nedokážu si představit, že to jde bez snímání uregulovat (asi je to zjednodušené schéma).
Další otázka, je tento režim možno považovat za trvalý nebo jenom dočasný (5 min podle dokumentace)?
Viz přiložený screenshot - příklad z reálu. Zátěžová zkouška po instalaci. Měnič je XTM 4000-48.
Pravda a Láska zvítězí!.
- RobertM
- Příspěvky: 271
- Registrován: sob led 07, 2012 2:47 pm
- Reputace:12
Re: studer XTM 4000-48-01
Funkce "přisávání ze sítě" (SmartBoost) je většinou v reálném provozu aktivní stále. V praxi to funguje tak, že pokud je zakázaná dodávka do sítě (Grid feeding Disabled) a AC IN síť je připojena bere si Studer cca 10% spotřeby ze sítě a 90% z baterií. Zároveň se dá nastavit jaký maximální proud si může docucnou ze sítě. Tzn. pokud máme klasický jistič 25A, nastaví se na AC in 25A a tím pádem je vyřešen problém s padáním jističů, protože v superšpičce si např. XTM-4000-48 dokáže přicucnout zbytek z baterky a do 5 sec dát na výstupu až 10,5kVA ! Pokud je pro danou aplikaci výkon XTMka nedostačující, dá se přidat paralelně další jeden nebo dva XTM stejného výkonu na fázi nebo naopak rovnou zvolit vyšší řadu ze série Xtender a to řadu XTH, která se už dá používat i v průmyslu až do výkonu 72kVA.honzaL píše:OK. Už to začínám chápat. Studer by dokázal vyřešit můj problém zvaný švagrová. Rodina se naučila zapínat spotřebiče tak, aby se to vešlo do 3kW, švagrová když přijede na navštěvu tento zvyk postrádá a můj 3kW měnič pravidelně shazuje.
Suder 4kW to vyřeší, když přijede švagrová zapíná se K1 a K2 a spouští se funkce "přisávání ze sítě". Taky možnost udělat z něj on-grid (jestli to dobře chápu) je do budoucna velmi pozitivní vlastnost.
- matej
- Příspěvky: 826
- Registrován: čtv zář 01, 2011 6:30 pm
- Reputace:45
Re: studer XTM 4000-48-01
EDIT: Graf tohoto systému o vánočním týdnumatej píše:Není pravda. Studer nemá problém do odporové nebo nějaké jiné běžné zátěže využívané v domácnosti dodat činný výkon 4kW na 30 minut anebo 3,5kW trvale. Důvod proč je ve specifikacích kVa je ten, že některé spotřebiče mají účinník menší než jedna, tedy zdánlivý příkon (v kVa) je VĚTŠÍ než činný příkon (v kW). Např. střídavé (bezkomutátorové) motory mají typicky účinník kolem 0,7, to znamená že motor s činným příkonem 4kW má zdánlivý příkon 5,71kVA! Rozdíl mezi činným a zdánlivým výkonem je výkon jalový, cestuje k od zdroje zátěži v další půlperiodě zase spátky, v záteži se nespotřebovává a jenom ohřívá vedení kterým cestuje. Podstatné u měničů a návrhů jejich transformátorů, spínacích prvků (MOSFETů) apod. je to, jaký PROUD dokážou dodat. A jelikož zátěž s účinníkem menším než 1 odebírá proud VĚTŠÍ než zátež o tom samém činném příkonu ale s jednotkovým účinníkem, tak se měniče specifikují v kVA. Jak jsem psal pro normální spotřebiče používané v domácnosti možno považovat jejich příkon v kW za příkon v kVA.gupa píše:Nevím proč jako prodejce píšete o kW, když jdeo kVA.Opět nemohu souhlasit. Montuji ostrovní a hybridní elektrárny několik let a u domácností kde je měnič XTM 4000-48, je příkon nad 4kW opravdu výjimečný, vyskytuje se po méně než 1% času a to i v létě. Brzy dodám pár grafů ze kterých to bude patrné.Potom k běžné spotřebě domácnosti a špičce. Se 4kVA měničem se moc nezmůže. Je to slabý pro běžnou domácnost. Běžná domácnost kde se vychovávají děti, pere se, suší se, dívá se na TV a jsou puštěné všechny možné spotřebiče, taková špička pro takový měnič střelím v létě, dělá 50% času kdy jede a nebo si jak tu píšete nacucává pokud svítí slunce
Pravda a Láska zvítězí!.
Kdo je online
Uživatelé procházející toto fórum: Claudebot [Bot]
