Axpert MKS III probíjení
Souhrn tématu
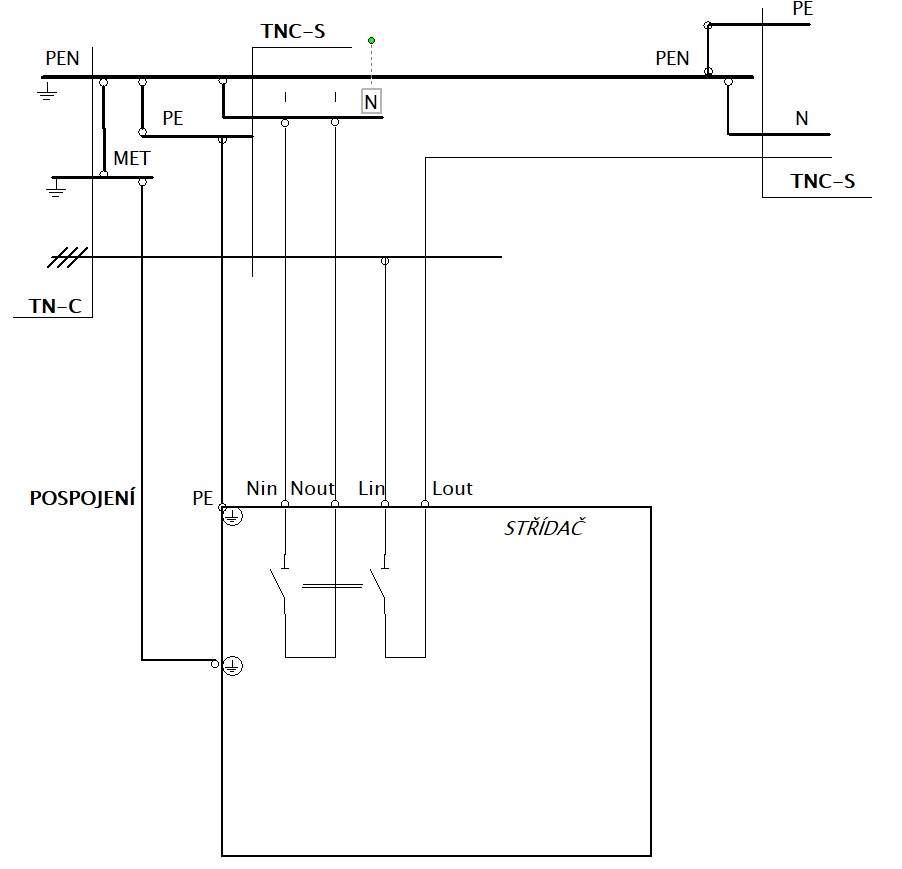
Uživatelé diskutují o problému probíjení u měniče Axpert MKS III, kdy dochází k nebezpečnému napětí mezi kastlí a zemí, což ovlivňuje spotřebiče. Problém se objevuje ve všech režimech kromě čistého bypassu, pravděpodobně v nabíječce nebo DC/AC měniči. Diskuze zahrnuje i zkušenosti s chrániči a doporučení pro správné zapojení elektrických okruhů v domácnosti.
- ACDC
- Příspěvky: 662
- Registrován: pon kvě 09, 2022 8:31 am
- Reputace:12
- Lokalita: Litomyšlsko
- Systémové napětí: 48V
- Výkon panelů [Wp]: 5,600
- Kapacita baterie [kWh]: 11,6
- Chci prodávat energii: NE
- Chci/Mám dotaci: NE
Re: Axpert MKS III probíjení
PE na střídači samostatným vodičem? Snad PE z přívodního kabelu, tím musí být komplet kovová konstrukce spojena. Další zem, obvykle venkovní svorka pak vodičem pospojení.
Já třeba na střídači vůbec svorku pospojení nemám.
Je zajímavé někdy číst příspěvky lidí bez el. kvalifikace. Ale každého věc.
Já třeba na střídači vůbec svorku pospojení nemám.
Je zajímavé někdy číst příspěvky lidí bez el. kvalifikace. Ale každého věc.
5,6kW , AXPERT, EPEVER, LIFEPO 11,6kWh
Teorie=vše víme ale nic nefunguje
Praxe=vše funguje a nevíme proč
Teorie spojena s praxí=nic nefunguje a nikdo neví proč
Teorie=vše víme ale nic nefunguje
Praxe=vše funguje a nevíme proč
Teorie spojena s praxí=nic nefunguje a nikdo neví proč
- cipis
- Moderátor
- Příspěvky: 6952
- Registrován: pon srp 16, 2021 9:31 pm
- Reputace:979
- Lokalita: blízko Brna
- Systémové napětí: 24V
- Výkon panelů [Wp]: 13+ kWp
- Kapacita baterie [kWh]: 40+26
- Chci prodávat energii: NE
- Chci/Mám dotaci: NE
- Bydliště: blízko Brna
Re: Axpert MKS III probíjení
Tomu nerozumim, co tim chces rict?
Jestli mas plastovou kastli, tak jasne, ze tam svorku na zem mit nebudes. Ale plechova kastle ji ma a nemuze se ocitnout v lufte, kdyz odpoji vystup menice. A samozrejme je menic zdroj, nikoliv spotrebic, takze pokud nepouziva IT sit, a chce mit TN, tak musi uzemnit, no a to asi nebude delat vystupnim kabelem ...
Jestli mas plastovou kastli, tak jasne, ze tam svorku na zem mit nebudes. Ale plechova kastle ji ma a nemuze se ocitnout v lufte, kdyz odpoji vystup menice. A samozrejme je menic zdroj, nikoliv spotrebic, takze pokud nepouziva IT sit, a chce mit TN, tak musi uzemnit, no a to asi nebude delat vystupnim kabelem ...
16+ kWp: 9850 Wp Jih, 2040 Wp Východ, 1490 Wp Západ, 2700 Wp mikroinvertory
Regulátory Epever a Victron
MP 24/5000 + Deye mikroinvertory 1+2,2 kW (můj byt + máti byt)
MP 24/1200 inet, sit, kamery atd.
Phoenix 24/5000 vytěžování do akumulačních kamen
Epever 3kW vytěžování do bojlerů + žebříky
1 kW "nabíječka" 24 V
40+ kWh staré olovo 26+ kWh Li-Ion
několik dalších MP jako záložní zdroje na různých místech
Modře píši jako moderátor, černě jako člen.
Regulátory Epever a Victron
MP 24/5000 + Deye mikroinvertory 1+2,2 kW (můj byt + máti byt)
MP 24/1200 inet, sit, kamery atd.
Phoenix 24/5000 vytěžování do akumulačních kamen
Epever 3kW vytěžování do bojlerů + žebříky
1 kW "nabíječka" 24 V
40+ kWh staré olovo 26+ kWh Li-Ion
několik dalších MP jako záložní zdroje na různých místech
Modře píši jako moderátor, černě jako člen.
- rva
- Příspěvky: 4825
- Registrován: úte dub 23, 2013 10:21 am
- Reputace:939
- Lokalita: Kousek od Lysé nad Labem
- Systémové napětí: 48V
- Výkon panelů [Wp]: 46000
- Kapacita baterie [kWh]: 40
- Chci prodávat energii: NE
- Chci/Mám dotaci: NE
- Bydliště: Kousek od Lysé nad Labem
Re: Axpert MKS III probíjení
Jen jak to je u nějakého Axperta. Kdysi jsem ho rozebral kvůli čištění a bedna je uvnitř připojena na PE svorkovnici.
_______________________________________________________________________
43 kWp, LiFePO4 62 kWh,
EPSolar 60 A/150 V ET6415N + 3x Isolar SM II (5 kW, 450 V, 80 A) + Axpert PIP 5048MS
43 kWp, LiFePO4 62 kWh,
EPSolar 60 A/150 V ET6415N + 3x Isolar SM II (5 kW, 450 V, 80 A) + Axpert PIP 5048MS
- ACDC
- Příspěvky: 662
- Registrován: pon kvě 09, 2022 8:31 am
- Reputace:12
- Lokalita: Litomyšlsko
- Systémové napětí: 48V
- Výkon panelů [Wp]: 5,600
- Kapacita baterie [kWh]: 11,6
- Chci prodávat energii: NE
- Chci/Mám dotaci: NE
Re: Axpert MKS III probíjení
Já zas nerozumím tobě:-) PE je jasný, připojené všechny! (samozřejmé) kovové části střídače, jasně že natvrdo. Pospojení případně na vnější svorku střídače, pokud ji má. Já nemám a není to plast. Nemusí tam být, záleží na výrobci. A pokud výstup má být TN-C a poté TN-S, musí jeden pól výstupu spojit s PEN, ne tzv. přizemnit, (i když je to taky pravda). Tj. N out spojit s PEN samostatným vodičem-modrým na svorkovnici PEN. A je to klidně i spotřebič, je to el. předmět tř I.
5,6kW , AXPERT, EPEVER, LIFEPO 11,6kWh
Teorie=vše víme ale nic nefunguje
Praxe=vše funguje a nevíme proč
Teorie spojena s praxí=nic nefunguje a nikdo neví proč
Teorie=vše víme ale nic nefunguje
Praxe=vše funguje a nevíme proč
Teorie spojena s praxí=nic nefunguje a nikdo neví proč
- ACDC
- Příspěvky: 662
- Registrován: pon kvě 09, 2022 8:31 am
- Reputace:12
- Lokalita: Litomyšlsko
- Systémové napětí: 48V
- Výkon panelů [Wp]: 5,600
- Kapacita baterie [kWh]: 11,6
- Chci prodávat energii: NE
- Chci/Mám dotaci: NE
Re: Axpert MKS III probíjení
Když to ještě doplním, tak výstup střídače má označení L a N, ale to platí jen v případě provozu na síť (sepnuté relé). Jinak je na výstupu síť IT, která má výhody a nevýhody. Jednou z velkých výhod je normální provoz při prvním zemním spojení kterékoli výstupní fáze (továrny, JIP atd), a jsou dvě, L1 a L2 se zemí. Náš provoz v TNC-S je vlastně poruchový ale je to OK. 
5,6kW , AXPERT, EPEVER, LIFEPO 11,6kWh
Teorie=vše víme ale nic nefunguje
Praxe=vše funguje a nevíme proč
Teorie spojena s praxí=nic nefunguje a nikdo neví proč
Teorie=vše víme ale nic nefunguje
Praxe=vše funguje a nevíme proč
Teorie spojena s praxí=nic nefunguje a nikdo neví proč
- cipis
- Moderátor
- Příspěvky: 6952
- Registrován: pon srp 16, 2021 9:31 pm
- Reputace:979
- Lokalita: blízko Brna
- Systémové napětí: 24V
- Výkon panelů [Wp]: 13+ kWp
- Kapacita baterie [kWh]: 40+26
- Chci prodávat energii: NE
- Chci/Mám dotaci: NE
- Bydliště: blízko Brna
Re: Axpert MKS III probíjení
S tou velkou výhodou se nese to, že se musí používat dvojité jističe, tedy jistit L1 a L2. Ale to spousta lidí nemá, aniž by z toho tím pádem radši udělali TN síť.
16+ kWp: 9850 Wp Jih, 2040 Wp Východ, 1490 Wp Západ, 2700 Wp mikroinvertory
Regulátory Epever a Victron
MP 24/5000 + Deye mikroinvertory 1+2,2 kW (můj byt + máti byt)
MP 24/1200 inet, sit, kamery atd.
Phoenix 24/5000 vytěžování do akumulačních kamen
Epever 3kW vytěžování do bojlerů + žebříky
1 kW "nabíječka" 24 V
40+ kWh staré olovo 26+ kWh Li-Ion
několik dalších MP jako záložní zdroje na různých místech
Modře píši jako moderátor, černě jako člen.
Regulátory Epever a Victron
MP 24/5000 + Deye mikroinvertory 1+2,2 kW (můj byt + máti byt)
MP 24/1200 inet, sit, kamery atd.
Phoenix 24/5000 vytěžování do akumulačních kamen
Epever 3kW vytěžování do bojlerů + žebříky
1 kW "nabíječka" 24 V
40+ kWh staré olovo 26+ kWh Li-Ion
několik dalších MP jako záložní zdroje na různých místech
Modře píši jako moderátor, černě jako člen.
- bokser01
- Příspěvky: 1666
- Registrován: pon úno 07, 2022 2:43 pm
- Reputace:122
- Lokalita: Okolí Pardubic
- Systémové napětí: 24V
- Výkon panelů [Wp]: 10120
- Kapacita baterie [kWh]: 28
- Chci prodávat energii: NE
- Chci/Mám dotaci: NE
Re: Axpert MKS III probíjení
To spojení vstupního N a výstupního je běžné? Mě tu bude elektrikář dělat komplet nové rozvody říkal mi, že se musí dodržet galvanické oddělení nuláků distribuce od nuláků za měniči....
MUST 3KW 80A MPPT 24V/ 3,75kWp stringy 5s3P 200wp + 5s1P 150wp. 2 měnič MUST 3KW 80A MPPT 24V 6370Wp stringy 2S4P 400wp bifacial + 2S1P 410wp + 2S3P 395wp Baterie 28KWh lifepo4 (4X 8S 280Ah EVE), Celek tedy 10120Wp
- Soban
- Příspěvky: 4623
- Registrován: pon úno 07, 2022 10:11 pm
- Reputace:308
- Lokalita: Zlaté Hory / Olomouc
- Systémové napětí: 24V
- Výkon panelů [Wp]: 3600
- Kapacita baterie [kWh]: 16
- Chci prodávat energii: NE
- Chci/Mám dotaci: NE
- Bydliště: Zlaté Hory
Re: Axpert MKS III probíjení
A můžeš mi říct jak to chceš udělat??????
To technicky nejde uzemnění je jenom jedno!
Takže ze sloupu fáze jsou jasné a ze sloupu máš PEN které máš spojené s uzeměním baráku z toho dva dráty na lišty N a PE.
Takže zelenožlutý bude všude jeden OK. A to N nespojíš s N_měniče s výstupu takže z měniče budeš mít dvě fáze?
A co teď? No tak to N z měniče spojíš s PE a PE je spojené přes PEN svorkovnici s N svorkovnicí u elektroměru, jak toto chceš řešit?
No tak uděláš samostatné zemění? Ale to taky nic neřeší protože země je pouze jedna?
Tak není jednoduší všechny N natahat na jednu N svorkovnici?
To technicky nejde uzemnění je jenom jedno!
Takže ze sloupu fáze jsou jasné a ze sloupu máš PEN které máš spojené s uzeměním baráku z toho dva dráty na lišty N a PE.
Takže zelenožlutý bude všude jeden OK. A to N nespojíš s N_měniče s výstupu takže z měniče budeš mít dvě fáze?
A co teď? No tak to N z měniče spojíš s PE a PE je spojené přes PEN svorkovnici s N svorkovnicí u elektroměru, jak toto chceš řešit?
No tak uděláš samostatné zemění? Ale to taky nic neřeší protože země je pouze jedna?
Tak není jednoduší všechny N natahat na jednu N svorkovnici?
3,6kWp
| 2x MUST PV18-3024 VHM, 3kW/24V | 16kWh
- bokser01
- Příspěvky: 1666
- Registrován: pon úno 07, 2022 2:43 pm
- Reputace:122
- Lokalita: Okolí Pardubic
- Systémové napětí: 24V
- Výkon panelů [Wp]: 10120
- Kapacita baterie [kWh]: 28
- Chci prodávat energii: NE
- Chci/Mám dotaci: NE
Re: Axpert MKS III probíjení
Tak já vím, že technicky to v podstatě není možné protože sám mám přizemněné N na AC out a ta moje zem je spojená s PEN. Asi to myslel tak, že by si člověk neměl v rozvaděči zprasit N DS a N za měničem. Musíš brát taky v potaz, že každý měnič případně okruhy z DS musí mít svoje nulové můstky. Jinak ti chrániče nepojedou!
MUST 3KW 80A MPPT 24V/ 3,75kWp stringy 5s3P 200wp + 5s1P 150wp. 2 měnič MUST 3KW 80A MPPT 24V 6370Wp stringy 2S4P 400wp bifacial + 2S1P 410wp + 2S3P 395wp Baterie 28KWh lifepo4 (4X 8S 280Ah EVE), Celek tedy 10120Wp
- cipis
- Moderátor
- Příspěvky: 6952
- Registrován: pon srp 16, 2021 9:31 pm
- Reputace:979
- Lokalita: blízko Brna
- Systémové napětí: 24V
- Výkon panelů [Wp]: 13+ kWp
- Kapacita baterie [kWh]: 40+26
- Chci prodávat energii: NE
- Chci/Mám dotaci: NE
- Bydliště: blízko Brna
Re: Axpert MKS III probíjení
Menice nepotrebuji svoje nulovaci mustky, ty jsou az za temi chranici, na kazdy jeden. Uplne stejne, jako kdyz je vic chranicu na DS.
Prepinani N se tu uz x krat resilo je to furt dokola, pripojovaci podminky si davaji nesmyslne vyhradni pravo na PEN, ale zem je jen jedna.
Prepinani N se tu uz x krat resilo je to furt dokola, pripojovaci podminky si davaji nesmyslne vyhradni pravo na PEN, ale zem je jen jedna.
16+ kWp: 9850 Wp Jih, 2040 Wp Východ, 1490 Wp Západ, 2700 Wp mikroinvertory
Regulátory Epever a Victron
MP 24/5000 + Deye mikroinvertory 1+2,2 kW (můj byt + máti byt)
MP 24/1200 inet, sit, kamery atd.
Phoenix 24/5000 vytěžování do akumulačních kamen
Epever 3kW vytěžování do bojlerů + žebříky
1 kW "nabíječka" 24 V
40+ kWh staré olovo 26+ kWh Li-Ion
několik dalších MP jako záložní zdroje na různých místech
Modře píši jako moderátor, černě jako člen.
Regulátory Epever a Victron
MP 24/5000 + Deye mikroinvertory 1+2,2 kW (můj byt + máti byt)
MP 24/1200 inet, sit, kamery atd.
Phoenix 24/5000 vytěžování do akumulačních kamen
Epever 3kW vytěžování do bojlerů + žebříky
1 kW "nabíječka" 24 V
40+ kWh staré olovo 26+ kWh Li-Ion
několik dalších MP jako záložní zdroje na různých místech
Modře píši jako moderátor, černě jako člen.
- ACDC
- Příspěvky: 662
- Registrován: pon kvě 09, 2022 8:31 am
- Reputace:12
- Lokalita: Litomyšlsko
- Systémové napětí: 48V
- Výkon panelů [Wp]: 5,600
- Kapacita baterie [kWh]: 11,6
- Chci prodávat energii: NE
- Chci/Mám dotaci: NE
Re: Axpert MKS III probíjení
Já ti nějak nerozumím, Sobane. Je jeden PEN, jedna svorkovnice PEN, jedno uzemnění. To přece píšeš ty i já. Pokud jeden pól střídače, obvykle značený N nespojíš s PEN, je to prostě IT. Ta nová síť musí prostě vzniknout. Já třeba mám všechny N, PE na PEN a OK, až na detaily teda.
Nevím, proč to toho patlat chránič, zase. Vždyť na výstupu si udělám TN-S a je to normální síť. Ale N out musí být spojen s N (PEN).
Nevím, proč to toho patlat chránič, zase. Vždyť na výstupu si udělám TN-S a je to normální síť. Ale N out musí být spojen s N (PEN).
5,6kW , AXPERT, EPEVER, LIFEPO 11,6kWh
Teorie=vše víme ale nic nefunguje
Praxe=vše funguje a nevíme proč
Teorie spojena s praxí=nic nefunguje a nikdo neví proč
Teorie=vše víme ale nic nefunguje
Praxe=vše funguje a nevíme proč
Teorie spojena s praxí=nic nefunguje a nikdo neví proč
- Soban
- Příspěvky: 4623
- Registrován: pon úno 07, 2022 10:11 pm
- Reputace:308
- Lokalita: Zlaté Hory / Olomouc
- Systémové napětí: 24V
- Výkon panelů [Wp]: 3600
- Kapacita baterie [kWh]: 16
- Chci prodávat energii: NE
- Chci/Mám dotaci: NE
- Bydliště: Zlaté Hory
Re: Axpert MKS III probíjení
Však já jsem s oddělením N nezačal!
Do rozvaděče mi vede L, N, PE (rozdělené u elektroměru)
No a všechny PE mám na PE v rozvaděči tak stejně všechny N mám na N v rozvaděči, fáze přes přepínače FVE/DS.
Pokud mám proudové chrániče berou si N z rozvaděče z lišty a z proudáku jde N už jenom kabelem s L a PE.
Do rozvaděče mi vede L, N, PE (rozdělené u elektroměru)
No a všechny PE mám na PE v rozvaděči tak stejně všechny N mám na N v rozvaděči, fáze přes přepínače FVE/DS.
Pokud mám proudové chrániče berou si N z rozvaděče z lišty a z proudáku jde N už jenom kabelem s L a PE.
3,6kWp
| 2x MUST PV18-3024 VHM, 3kW/24V | 16kWh
- bokser01
- Příspěvky: 1666
- Registrován: pon úno 07, 2022 2:43 pm
- Reputace:122
- Lokalita: Okolí Pardubic
- Systémové napětí: 24V
- Výkon panelů [Wp]: 10120
- Kapacita baterie [kWh]: 28
- Chci prodávat energii: NE
- Chci/Mám dotaci: NE
Re: Axpert MKS III probíjení
Já tu nechtěl rozvířit diskusi atd... Prostě já mám výstupní N spojeno s PE na ekvopotenciální svorkovnici kam je přiveden i PE z přívodu distrubuce tedy PEN. Hned u měničů je ten out N uzemněný pak to pokračuje do rozvaděče kde každý měnič má za s sebou svůj chránič včetně N můstku. samozřejmě to tam již vedu L,N,PE a co je pro mě důležité, tak mám v rozvodu L 230V a na N není nic. Provozovat to jako IT nehodlám. Problém nastane, až mi tu elektrikář dodělá rozvody, že bude hned v rozvaděči na vstupu do domu chránič, který by za současného stavu v bypassu vypadával z důvodu přizemnění výstupního N. Proto jsem navrhnul buď dotáhnout do místnosti z měniči okruh mimo chránič a nebo přepínače sítí a do měničů by AC in vůbec nevedl. Uvidím na čem se spolu nakonec dohodneme.
MUST 3KW 80A MPPT 24V/ 3,75kWp stringy 5s3P 200wp + 5s1P 150wp. 2 měnič MUST 3KW 80A MPPT 24V 6370Wp stringy 2S4P 400wp bifacial + 2S1P 410wp + 2S3P 395wp Baterie 28KWh lifepo4 (4X 8S 280Ah EVE), Celek tedy 10120Wp
- ACDC
- Příspěvky: 662
- Registrován: pon kvě 09, 2022 8:31 am
- Reputace:12
- Lokalita: Litomyšlsko
- Systémové napětí: 48V
- Výkon panelů [Wp]: 5,600
- Kapacita baterie [kWh]: 11,6
- Chci prodávat energii: NE
- Chci/Mám dotaci: NE
Re: Axpert MKS III probíjení
Já taky ne, ani s dělením N. Pokud máš TN-C-S, prochází ti N skrze střídač. Pokud jo, tak při ne bajpas, relé rozpojeno, to vezme N za střídačem kde? Tomu nerozumím, ledaže by to N vzalo z PE připojení střídače, což jsem někde taky zahlédl. Ale to by byla prasárna, protože by ten PE byl PEN a musel by být Cu 10mm2. Nebo máš nějaký lepší střídač?
Proč chránič na vstupu instalace? Dřevostavba?
Proč chránič na vstupu instalace? Dřevostavba?
5,6kW , AXPERT, EPEVER, LIFEPO 11,6kWh
Teorie=vše víme ale nic nefunguje
Praxe=vše funguje a nevíme proč
Teorie spojena s praxí=nic nefunguje a nikdo neví proč
Teorie=vše víme ale nic nefunguje
Praxe=vše funguje a nevíme proč
Teorie spojena s praxí=nic nefunguje a nikdo neví proč
- Soban
- Příspěvky: 4623
- Registrován: pon úno 07, 2022 10:11 pm
- Reputace:308
- Lokalita: Zlaté Hory / Olomouc
- Systémové napětí: 24V
- Výkon panelů [Wp]: 3600
- Kapacita baterie [kWh]: 16
- Chci prodávat energii: NE
- Chci/Mám dotaci: NE
- Bydliště: Zlaté Hory
Re: Axpert MKS III probíjení
Chrániče až na výstupní obvody!
Chránič jeden na vstupu je hovadina!
Chránič jeden na vstupu je hovadina!
3,6kWp
| 2x MUST PV18-3024 VHM, 3kW/24V | 16kWh
- ACDC
- Příspěvky: 662
- Registrován: pon kvě 09, 2022 8:31 am
- Reputace:12
- Lokalita: Litomyšlsko
- Systémové napětí: 48V
- Výkon panelů [Wp]: 5,600
- Kapacita baterie [kWh]: 11,6
- Chci prodávat energii: NE
- Chci/Mám dotaci: NE
Re: Axpert MKS III probíjení
Tak, tak. Pokud to není dřevostavba, v podstatě je to zakázáno. Kolik obvodů, tolik chráničů.
5,6kW , AXPERT, EPEVER, LIFEPO 11,6kWh
Teorie=vše víme ale nic nefunguje
Praxe=vše funguje a nevíme proč
Teorie spojena s praxí=nic nefunguje a nikdo neví proč
Teorie=vše víme ale nic nefunguje
Praxe=vše funguje a nevíme proč
Teorie spojena s praxí=nic nefunguje a nikdo neví proč
- cipis
- Moderátor
- Příspěvky: 6952
- Registrován: pon srp 16, 2021 9:31 pm
- Reputace:979
- Lokalita: blízko Brna
- Systémové napětí: 24V
- Výkon panelů [Wp]: 13+ kWp
- Kapacita baterie [kWh]: 40+26
- Chci prodávat energii: NE
- Chci/Mám dotaci: NE
- Bydliště: blízko Brna
Re: Axpert MKS III probíjení
A u svetel v kombinaci s obloukovou ochranou.
16+ kWp: 9850 Wp Jih, 2040 Wp Východ, 1490 Wp Západ, 2700 Wp mikroinvertory
Regulátory Epever a Victron
MP 24/5000 + Deye mikroinvertory 1+2,2 kW (můj byt + máti byt)
MP 24/1200 inet, sit, kamery atd.
Phoenix 24/5000 vytěžování do akumulačních kamen
Epever 3kW vytěžování do bojlerů + žebříky
1 kW "nabíječka" 24 V
40+ kWh staré olovo 26+ kWh Li-Ion
několik dalších MP jako záložní zdroje na různých místech
Modře píši jako moderátor, černě jako člen.
Regulátory Epever a Victron
MP 24/5000 + Deye mikroinvertory 1+2,2 kW (můj byt + máti byt)
MP 24/1200 inet, sit, kamery atd.
Phoenix 24/5000 vytěžování do akumulačních kamen
Epever 3kW vytěžování do bojlerů + žebříky
1 kW "nabíječka" 24 V
40+ kWh staré olovo 26+ kWh Li-Ion
několik dalších MP jako záložní zdroje na různých místech
Modře píši jako moderátor, černě jako člen.
- ACDC
- Příspěvky: 662
- Registrován: pon kvě 09, 2022 8:31 am
- Reputace:12
- Lokalita: Litomyšlsko
- Systémové napětí: 48V
- Výkon panelů [Wp]: 5,600
- Kapacita baterie [kWh]: 11,6
- Chci prodávat energii: NE
- Chci/Mám dotaci: NE
Re: Axpert MKS III probíjení
Ta moc nefunguje a nejsme dřevoboudách usa
5,6kW , AXPERT, EPEVER, LIFEPO 11,6kWh
Teorie=vše víme ale nic nefunguje
Praxe=vše funguje a nevíme proč
Teorie spojena s praxí=nic nefunguje a nikdo neví proč
Teorie=vše víme ale nic nefunguje
Praxe=vše funguje a nevíme proč
Teorie spojena s praxí=nic nefunguje a nikdo neví proč
- cipis
- Moderátor
- Příspěvky: 6952
- Registrován: pon srp 16, 2021 9:31 pm
- Reputace:979
- Lokalita: blízko Brna
- Systémové napětí: 24V
- Výkon panelů [Wp]: 13+ kWp
- Kapacita baterie [kWh]: 40+26
- Chci prodávat energii: NE
- Chci/Mám dotaci: NE
- Bydliště: blízko Brna
Re: Axpert MKS III probíjení
Bohužel jsou u nás v nových instalacích povinné ...
16+ kWp: 9850 Wp Jih, 2040 Wp Východ, 1490 Wp Západ, 2700 Wp mikroinvertory
Regulátory Epever a Victron
MP 24/5000 + Deye mikroinvertory 1+2,2 kW (můj byt + máti byt)
MP 24/1200 inet, sit, kamery atd.
Phoenix 24/5000 vytěžování do akumulačních kamen
Epever 3kW vytěžování do bojlerů + žebříky
1 kW "nabíječka" 24 V
40+ kWh staré olovo 26+ kWh Li-Ion
několik dalších MP jako záložní zdroje na různých místech
Modře píši jako moderátor, černě jako člen.
Regulátory Epever a Victron
MP 24/5000 + Deye mikroinvertory 1+2,2 kW (můj byt + máti byt)
MP 24/1200 inet, sit, kamery atd.
Phoenix 24/5000 vytěžování do akumulačních kamen
Epever 3kW vytěžování do bojlerů + žebříky
1 kW "nabíječka" 24 V
40+ kWh staré olovo 26+ kWh Li-Ion
několik dalších MP jako záložní zdroje na různých místech
Modře píši jako moderátor, černě jako člen.
- ACDC
- Příspěvky: 662
- Registrován: pon kvě 09, 2022 8:31 am
- Reputace:12
- Lokalita: Litomyšlsko
- Systémové napětí: 48V
- Výkon panelů [Wp]: 5,600
- Kapacita baterie [kWh]: 11,6
- Chci prodávat energii: NE
- Chci/Mám dotaci: NE
Re: Axpert MKS III probíjení
Nejsou
5,6kW , AXPERT, EPEVER, LIFEPO 11,6kWh
Teorie=vše víme ale nic nefunguje
Praxe=vše funguje a nevíme proč
Teorie spojena s praxí=nic nefunguje a nikdo neví proč
Teorie=vše víme ale nic nefunguje
Praxe=vše funguje a nevíme proč
Teorie spojena s praxí=nic nefunguje a nikdo neví proč
Kdo je online
Uživatelé procházející toto fórum: Claudebot [Bot], Semrush [Bot]
