navrh fve pk
-
- Příspěvky: 65
- Registrován: ned bře 10, 2013 9:34 pm
- Reputace: 0
- Bydliště: slovakia
Re: navrh fve pk
"Pan Taum" dakujem za upozornenie napatie panelov naprazno som vobec nepozeral, tak potom je varianta 6x panel
prosim poradte mi esce ohladne baterii budu stacit tie co som vybral ,alebo ich treba viac
dakujem
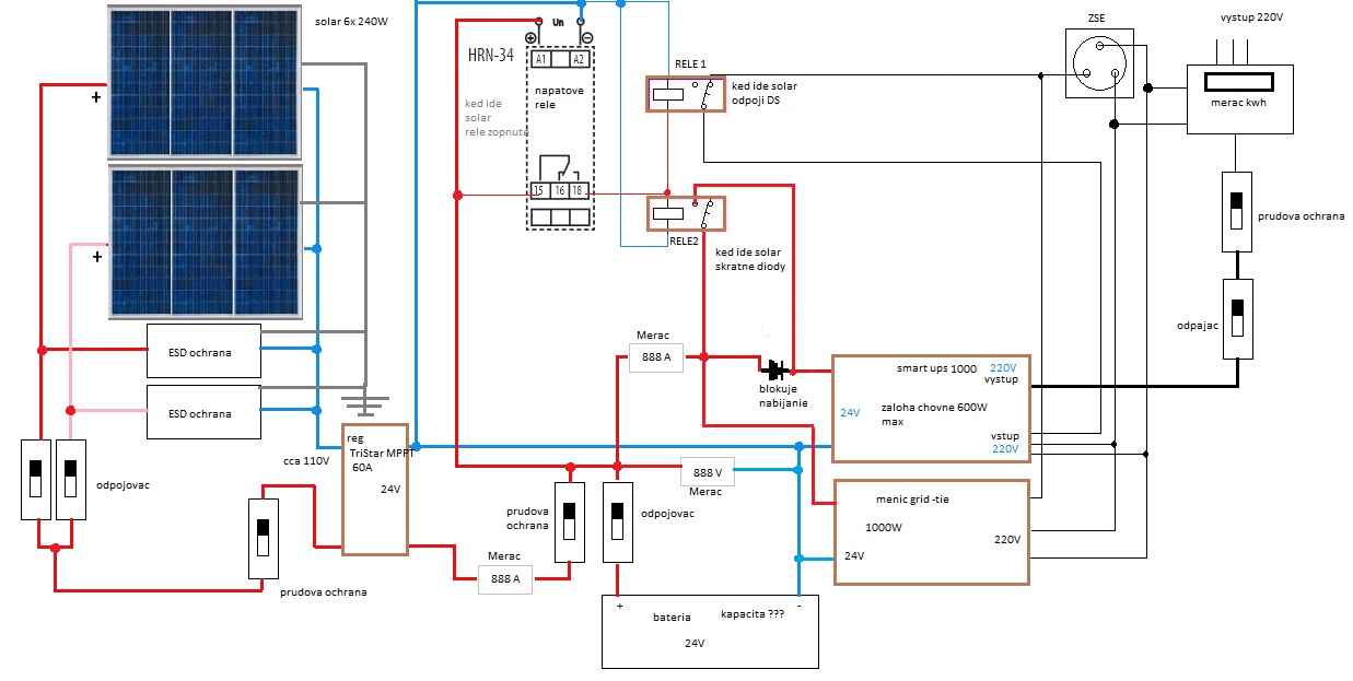
pripajam navrh riesenia cislo 1 , len navrhnut kapacitu baterie vobec neviem
prosim poradte mi esce ohladne baterii budu stacit tie co som vybral ,alebo ich treba viac
dakujem
pripajam navrh riesenia cislo 1 , len navrhnut kapacitu baterie vobec neviem
-
- Příspěvky: 65
- Registrován: ned bře 10, 2013 9:34 pm
- Reputace: 0
- Bydliště: slovakia
Re: navrh fve pk
no asi kupim baterie LiFeYPO4 200Ah WIDE200 na 24V len ta cena 

-
- Příspěvky: 1466
- Registrován: pát bře 08, 2013 7:19 pm
- Reputace: 73
- Bydliště: Aš
Re: navrh fve pk
nebrečel bych nad cenou kvalitnícasiomk píše:no asi kupim baterie LiFeYPO4 200Ah WIDE200 na 24V len ta cena

-
- Příspěvky: 19
- Registrován: sob črc 07, 2012 5:19 pm
- Reputace: 0
Re: navrh fve pk
Myslím, že i cena LiFeYPO4 je dumpingová.
EU na tom ale jistě již pracuje.
Já bych tedy raději neotálel.
EU na tom ale jistě již pracuje.
Já bych tedy raději neotálel.
-
- Příspěvky: 65
- Registrován: ned bře 10, 2013 9:34 pm
- Reputace: 0
- Bydliště: slovakia
Re: navrh fve pk
panely uz su doma
chcel by som Vas poprosit o radu ,stale neviem ako vypocitam aku kapacitu bateriek mam pouzit , mam 6x 240W panel vykon 1440Wp
baterie som rozmyslal 100Ah na 48V ,alebo 200Ah na 24V. (lepsie by bol 48V system ,lebo mam smart ups 2200 na 48V) Vykon vypocitam P=U*I co je 48*100=4800W pri 500W spotrebe by baterie vydrazali 9,6 hodin je to vypocitane spravne?
chcel by som Vas poprosit o radu ,stale neviem ako vypocitam aku kapacitu bateriek mam pouzit , mam 6x 240W panel vykon 1440Wp
baterie som rozmyslal 100Ah na 48V ,alebo 200Ah na 24V. (lepsie by bol 48V system ,lebo mam smart ups 2200 na 48V) Vykon vypocitam P=U*I co je 48*100=4800W pri 500W spotrebe by baterie vydrazali 9,6 hodin je to vypocitane spravne?
-
- Příspěvky: 1466
- Registrován: pát bře 08, 2013 7:19 pm
- Reputace: 73
- Bydliště: Aš
Re: navrh fve pk
na těch 1440Wp bych to při 48V odhadoval tak do 300Ah pro dobré nabíjení dále je třeba dobře spočítat co všechno bude zapojen kolik to bude odebírat a jak dlouho.Čím větší kapacita bude tím déle se bude čerpat energie z baterii ale i tím déle se bude vracet do baterii když tam bude jen 1440Wpcasiomk píše:panely uz su doma
chcel by som Vas poprosit o radu ,stale neviem ako vypocitam aku kapacitu bateriek mam pouzit , mam 6x 240W panel vykon 1440Wp
baterie som rozmyslal 100Ah na 48V ,alebo 200Ah na 24V. (lepsie by bol 48V system ,lebo mam smart ups 2200 na 48V) Vykon vypocitam P=U*I co je 48*100=4800W pri 500W spotrebe by baterie vydrazali 9,6 hodin je to vypocitane spravne?
-
- Příspěvky: 438
- Registrován: sob čer 02, 2012 8:22 pm
- Reputace: 8
- Bydliště: 580m n.m. na Vysočině
Re: navrh fve pk
Nezapomeň započítat i efektivitu upsky při těch 500W, odhaduji tak 85%, tím se ti doba zkrátí na 8,1 hodin, dále i když lifepo4 tak i tak se nemůžou vysát do dna, je lépe tak 10% nechat bezpečnostní rezervu. a už je z toho jen 7,3 hodiny.casiomk píše:Vykon vypocitam P=U*I co je 48*100=4800W pri 500W spotrebe by baterie vydrazali 9,6 hodin je to vypocitane spravne?
2x Tristar / 26kWh v lithiu / 7,3kWp na střeše / 2xXTM-4000 / >38MWh
/ start 05/2012 s 440Wp.

-
- Příspěvky: 65
- Registrován: ned bře 10, 2013 9:34 pm
- Reputace: 0
- Bydliště: slovakia
Re: navrh fve pk
a zas problem ,odpajanie baterie pri 48V Hrn -34 to uz nezvladne DC 6 - 30 V, cim teda odpojit zataz pri vybiti baterie ?
-
- Příspěvky: 1466
- Registrován: pát bře 08, 2013 7:19 pm
- Reputace: 73
- Bydliště: Aš
Re: navrh fve pk
k čemu tam to relé konkrétně slouží co hlídá a odpojuje???casiomk píše:a zas problem ,odpajanie baterie pri 48V Hrn -34 to uz nezvladne DC 6 - 30 V, cim teda odpojit zataz pri vybiti baterie ?
-
- Příspěvky: 65
- Registrován: ned bře 10, 2013 9:34 pm
- Reputace: 0
- Bydliště: slovakia
Re: navrh fve pk
po vycerpani baterii prepne UPS na DSgoodbie píše:k čemu tam to relé konkrétně slouží co hlídá a odpojuje???casiomk píše:a zas problem ,odpajanie baterie pri 48V Hrn -34 to uz nezvladne DC 6 - 30 V, cim teda odpojit zataz pri vybiti baterie ?
-
- Příspěvky: 414
- Registrován: pon kvě 21, 2012 11:33 am
- Reputace: 18
- Bydliště: Hradec Kráové
Re: navrh fve pk
Je dobré využít nějaké programovatelné zařízení. I pro neprogramátora se základním technickým povědomím bych celkem doporučil malý programovatelný automat LOGO! od Siemensu. Používám ho sám ve verzi BA7 již rok k naprosté spokojenosti. Umí vyhodnotit napětí (0 - 10V, musí se použít napěťový dělič), je schopen řídit procesy v čase od 10 ms po dny a roky. Umožňuje ovládání i na dálku po internetu, umí zapsat data na SD kartu atd. Můžu zveřejnit i ukázku schematu, který mi řídí elektrárnu pokud bude zájem.
Relé používám tyto http://www.ev-power.eu/DC-Contactors/?cur=2 jsou na DC od 100A což pro 48V systém většinou stačí.
Relé používám tyto http://www.ev-power.eu/DC-Contactors/?cur=2 jsou na DC od 100A což pro 48V systém většinou stačí.
18x 550Wp, 16xLiFePO 780Ah (stáří 0, 1, 2, 10 let), STUDER: 3x MPPT VT65; 3x Xtender 4000-48. PLC TECO2091
(v minulosti = CEEG 15x230 Wp, 16xLiFePO 500 Ah, MS TS60A, Studer 4000-48, PLC Siemens,)
(v minulosti = CEEG 15x230 Wp, 16xLiFePO 500 Ah, MS TS60A, Studer 4000-48, PLC Siemens,)
-
- Příspěvky: 65
- Registrován: ned bře 10, 2013 9:34 pm
- Reputace: 0
- Bydliště: slovakia
Re: navrh fve pk
O schemu mam zaujem dikhonzaL píše:Je dobré využít nějaké programovatelné zařízení. I pro neprogramátora se základním technickým povědomím bych celkem doporučil malý programovatelný automat LOGO! od Siemensu. Používám ho sám ve verzi BA7 již rok k naprosté spokojenosti. Umí vyhodnotit napětí (0 - 10V, musí se použít napěťový dělič), je schopen řídit procesy v čase od 10 ms po dny a roky. Umožňuje ovládání i na dálku po internetu, umí zapsat data na SD kartu atd. Můžu zveřejnit i ukázku schematu, který mi řídí elektrárnu pokud bude zájem.
Relé používám tyto http://www.ev-power.eu/DC-Contactors/?cur=2 jsou na DC od 100A což pro 48V systém většinou stačí.
-
- Příspěvky: 414
- Registrován: pon kvě 21, 2012 11:33 am
- Reputace: 18
- Bydliště: Hradec Kráové
Re: navrh fve pk
Je v priloze i se strucnym popisem vstupu a vystupu. Pokud to neni jasne (chce to znalost funkce nekterych bloku) jsem schopen to rozkreslit i po castech a okomentovat (a necham si to zaplatit z EU)
Stručný popis schematu je zde:
vstup I1 signalizuje nizky tarif a je priveden z HDO
vstup AI1 je z delice napeti a reprezentuje napeti baterie.
vstup NI1 je internetovy pristup k tlacitku a umoznuje sepnout nabijeni na dalku i pri vysokem tarifu
vstup NI2 umoznuje na dalku odpojit elektrarnu od panelu (bourka)
Vystup Q1 a Q2 jsou na rizeni nabijecky z DS
vystup Q3 spousti menic DC/AC
Vystup Q4 slouzi na sepnuti dalsich zatezi pri prebytcich v zavislosti na case a napeti baterii
Vystup Q5 a Q6 je pro ovladani bistabilniho rele odpojovani fotovoltaiky.
Stručný popis schematu je zde:
vstup I1 signalizuje nizky tarif a je priveden z HDO
vstup AI1 je z delice napeti a reprezentuje napeti baterie.
vstup NI1 je internetovy pristup k tlacitku a umoznuje sepnout nabijeni na dalku i pri vysokem tarifu
vstup NI2 umoznuje na dalku odpojit elektrarnu od panelu (bourka)
Vystup Q1 a Q2 jsou na rizeni nabijecky z DS
vystup Q3 spousti menic DC/AC
Vystup Q4 slouzi na sepnuti dalsich zatezi pri prebytcich v zavislosti na case a napeti baterii
Vystup Q5 a Q6 je pro ovladani bistabilniho rele odpojovani fotovoltaiky.
18x 550Wp, 16xLiFePO 780Ah (stáří 0, 1, 2, 10 let), STUDER: 3x MPPT VT65; 3x Xtender 4000-48. PLC TECO2091
(v minulosti = CEEG 15x230 Wp, 16xLiFePO 500 Ah, MS TS60A, Studer 4000-48, PLC Siemens,)
(v minulosti = CEEG 15x230 Wp, 16xLiFePO 500 Ah, MS TS60A, Studer 4000-48, PLC Siemens,)
-
- Příspěvky: 1095
- Registrován: sob zář 15, 2012 8:53 pm
- Reputace: 16
Re: navrh fve pk
Mám otázku je tá 0BA7 aj vo verzí 12/24V pre napájanie? čo som vygooglil tak je ale radšej je dobre sa spýtať. Lebo ak by som si to vedel zohnať zadarmo tento modul. Prípadne za fľašku, dve... tak by to bola dobrá náhrada namiesto riadenia s raspberry lebo keď vypadne regulátor alebo keď čosi robím s regulátorom hneď mi všetko vypne lebo raspberry nenačíta data z regulátoru.
3,2kWp REC320NP - juh
3,6kWp - Phonosolar PS450M5GFH-24/TH- východ
2x IGridSV-IV5.6KW, 2x Li-ion - 48V / 156Ah =312Ah
3,6kWp - Phonosolar PS450M5GFH-24/TH- východ
2x IGridSV-IV5.6KW, 2x Li-ion - 48V / 156Ah =312Ah
-
- Příspěvky: 414
- Registrován: pon kvě 21, 2012 11:33 am
- Reputace: 18
- Bydliště: Hradec Kráové
Re: navrh fve pk
BA7 je ve verzi 24V DC nebo ve verzi 230V AC. Obcas se neco vyrazeneho sehnat da, ale BA7 je na trhu teprve asi rok. Totez, ale krome internetu s nejakym omezenim funkci umi i treba i verze 3, ktera je k mani uz vice nez 10 let.
18x 550Wp, 16xLiFePO 780Ah (stáří 0, 1, 2, 10 let), STUDER: 3x MPPT VT65; 3x Xtender 4000-48. PLC TECO2091
(v minulosti = CEEG 15x230 Wp, 16xLiFePO 500 Ah, MS TS60A, Studer 4000-48, PLC Siemens,)
(v minulosti = CEEG 15x230 Wp, 16xLiFePO 500 Ah, MS TS60A, Studer 4000-48, PLC Siemens,)
-
- Příspěvky: 135
- Registrován: úte úno 14, 2012 7:47 am
- Reputace: 11
Re: navrh fve pk
Mám raspberry s programom od "drama" a som spokojný. Čo treba naprogramovať ide to jednoducho cez raspberry. A je to lacnejšie ako dať 150€ za driver. Vyšlo ma to možno iba 50€ cca. A má to nespočetné možnosti do budúcnosti.- 0BA7-tak by to bola dobrá náhrada namiesto riadenia s raspberry lebo keď vypadne regulátor alebo keď čosi robím s regulátorom hneď mi všetko vypne lebo raspberry nenačíta data z regulátoru.Tak čo si mám z toho vybrat?
-
- Příspěvky: 1095
- Registrován: sob zář 15, 2012 8:53 pm
- Reputace: 16
Re: navrh fve pk
S raspberry som spokojny. Automatizaciu som chcel uz od zaciatku som chcel riadit svoj system logom alebo nieco tomu podobne. Pisal som o tom este v uplne prvom mojom prispevku a to je FVE Lúky.
3,2kWp REC320NP - juh
3,6kWp - Phonosolar PS450M5GFH-24/TH- východ
2x IGridSV-IV5.6KW, 2x Li-ion - 48V / 156Ah =312Ah
3,6kWp - Phonosolar PS450M5GFH-24/TH- východ
2x IGridSV-IV5.6KW, 2x Li-ion - 48V / 156Ah =312Ah
-
- Příspěvky: 1011
- Registrován: sob čer 09, 2012 9:14 am
- Reputace: 24
Re: navrh fve pk
Nezapomenout započítat taky u těchto 48V UPS proud naprázdno, který si bere z aku když běží měnič. LUI tu uveřejnoval snad něco kolem 3-4A, to by bylo 150W. Tedy si UPS vezme a den naprázdno přes 3,5kwh.casiomk píše:panely uz su doma
chcel by som Vas poprosit o radu ,stale neviem ako vypocitam aku kapacitu bateriek mam pouzit , mam 6x 240W panel vykon 1440Wp
baterie som rozmyslal 100Ah na 48V ,alebo 200Ah na 24V. (lepsie by bol 48V system ,lebo mam smart ups 2200 na 48V) Vykon vypocitam P=U*I co je 48*100=4800W pri 500W spotrebe by baterie vydrazali 9,6 hodin je to vypocitane spravne?
-
- Příspěvky: 65
- Registrován: ned bře 10, 2013 9:34 pm
- Reputace: 0
- Bydliště: slovakia
Re: navrh fve pk
ano v tych 500W je to uz zapocitane , jedna sa iba o zalohu (cerpadlo+kompresor) po zapade slnka do polnoci kedy sa prepne nocna tarifa apotom zas cakat na slnko. cez den chcem prebytky pouzit na ohrievanie akvarii + grid tie menic do jednej fazi, len neviem ci grid tie menic funguje aj za regulatorom ,asi to treba vyskusatrob.brno píše:Nezapomenout započítat taky u těchto 48V UPS proud naprázdno, který si bere z aku když běží měnič. LUI tu uveřejnoval snad něco kolem 3-4A, to by bylo 150W. Tedy si UPS vezme a den naprázdno přes 3,5kwh.casiomk píše:panely uz su doma
chcel by som Vas poprosit o radu ,stale neviem ako vypocitam aku kapacitu bateriek mam pouzit , mam 6x 240W panel vykon 1440Wp
baterie som rozmyslal 100Ah na 48V ,alebo 200Ah na 24V. (lepsie by bol 48V system ,lebo mam smart ups 2200 na 48V) Vykon vypocitam P=U*I co je 48*100=4800W pri 500W spotrebe by baterie vydrazali 9,6 hodin je to vypocitane spravne?
no neviem ci sa to logo oplati 270eur je dost , raspberry mam doma tak to by som skor vyuzil
-
- Příspěvky: 438
- Registrován: sob čer 02, 2012 8:22 pm
- Reputace: 8
- Bydliště: 580m n.m. na Vysočině
Re: navrh fve pk
3-4A je moc, LUI trochu přehání, tolik 48V UPS nežerou. Mám tu 3000VA a 5000VA a berou 1,87A a 2,10A, což vycházelo 94W a 107W, hlavně kvůli větrákům 3x 17W jedoucí na 100+50+50%.
Ale jestli casiomk předpokládal neustálou spotřebu 500W (tak sem to pochopil v případě napájení akvárek, vzduchování a světla) tak vlastně, žádný proud naprázdno si ups brát nebudou, to už je započteno v effektivitě 85% (při 500W u 2200VA). Jinak ano, tak když klesne průměr pod 500W, přepočtat s nižšší effektivitou nebo započíst dobu běhu naprázdno.
Ale jestli casiomk předpokládal neustálou spotřebu 500W (tak sem to pochopil v případě napájení akvárek, vzduchování a světla) tak vlastně, žádný proud naprázdno si ups brát nebudou, to už je započteno v effektivitě 85% (při 500W u 2200VA). Jinak ano, tak když klesne průměr pod 500W, přepočtat s nižšší effektivitou nebo započíst dobu běhu naprázdno.
2x Tristar / 26kWh v lithiu / 7,3kWp na střeše / 2xXTM-4000 / >38MWh
/ start 05/2012 s 440Wp.

Kdo je online
Uživatelé prohlížející si toto fórum: Claudebot [Bot] a 0 hostů