Stavba FVE - 2x strig 4 400Wp
Souhrn tématu
Uživatel z Kroměříže sdílí zkušenosti a žádá o rady při stavbě vlastní fotovoltaické elektrárny (FVE) s 2 stringy po 8 panelech 550Wp. Diskutuje o umístění panelů na plechovou střechu, výběru ochranných trubek pro kabeláž a správném oddělení vodičů. Dále řeší nastavení kombiměniče, firmware a automatizaci řízení přes Home Assistant pro optimalizaci výroby a spotřeby energie.
- Valdano
- Příspěvky: 1916
- Registrován: čtv črc 21, 2022 5:39 pm
- Reputace:267
- Lokalita: Česká Lípa
- Chci prodávat energii: NE
- Chci/Mám dotaci: NE
Re: Stavba FVE - 2x strig 4 400Wp
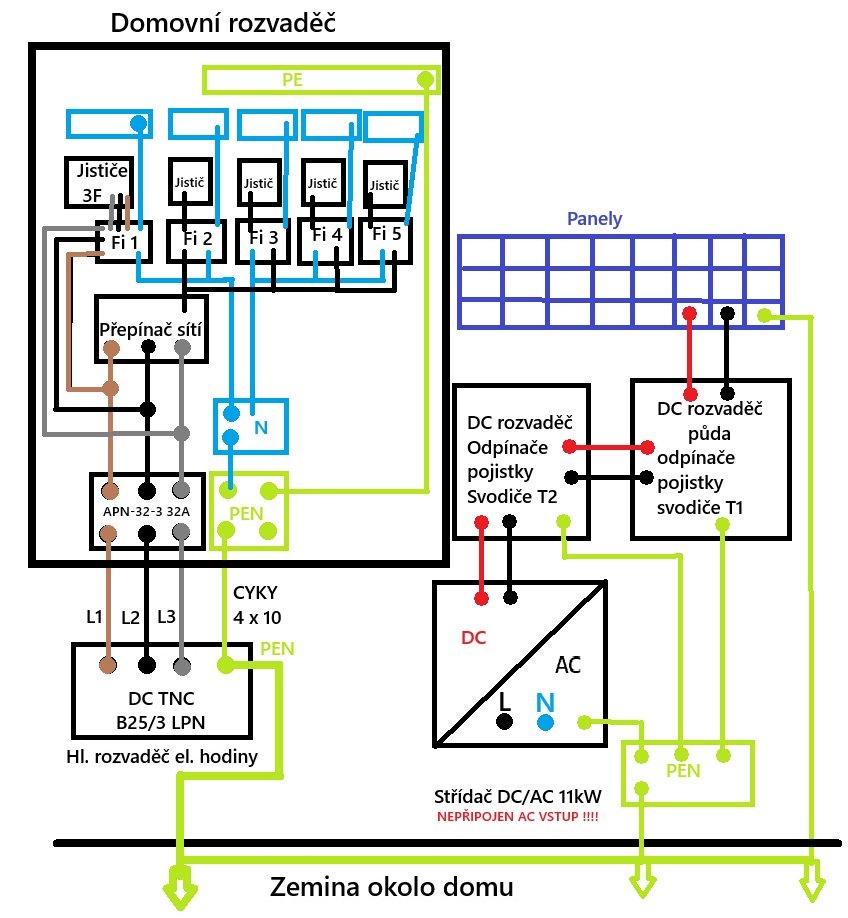
PEN z hlavního rozvaděče TNC je v druhém rozvaděči rozdělen na N a PE a dál už je to pouze síť TNC-S a ten PE není PEN, ale jen PE. Dál od bodu rozdělení TNC na TNC-S je to prostě už jen síť TNC-S, která nemá PEN, ale jen oddělené N a PE přesně jak uvedl jova, a to vámi nakreslené zpětné propojení ze střídače na PEN do hlavního rozvaděče tam už vůbec nepatří. Střídač není TNC, ale TNC-S. Pokud by ten druhý rozvaděč byl také TNC tak by byl bodem rozdělení TNC na TNC-S až střídač, ale pokud je místo rozdělení TNC na TNC-S v tom druhém rozvaděči tak je střídač připojen pouze do sítě TNC-S a to zpětné propojení na PEN v předchozím rozvaděči tam nepatří. Takže správně je to tak jak to na obrázku upravil jova.GHLL píše: stř čer 11, 2025 9:32 amTeď sem si všiml že na obrázku mám blbě napsáno "PE" to je špatně, je to "PEN"
Naposledy upravil(a) Valdano dne stř čer 11, 2025 9:53 pm, celkem upraveno 1 x.
- cipis
- Moderátor
- Příspěvky: 6954
- Registrován: pon srp 16, 2021 9:31 pm
- Reputace:979
- Lokalita: blízko Brna
- Systémové napětí: 24V
- Výkon panelů [Wp]: 13+ kWp
- Kapacita baterie [kWh]: 40+26
- Chci prodávat energii: NE
- Chci/Mám dotaci: NE
- Bydliště: blízko Brna
Re: Stavba FVE - 2x strig 4 400Wp
Bez toho popisku TNC na střídači ...
16+ kWp: 9850 Wp Jih, 2040 Wp Východ, 1490 Wp Západ, 2700 Wp mikroinvertory
Regulátory Epever a Victron
MP 24/5000 + Deye mikroinvertory 1+2,2 kW (můj byt + máti byt)
MP 24/1200 inet, sit, kamery atd.
Phoenix 24/5000 vytěžování do akumulačních kamen
Epever 3kW vytěžování do bojlerů + žebříky
1 kW "nabíječka" 24 V
40+ kWh staré olovo 26+ kWh Li-Ion
několik dalších MP jako záložní zdroje na různých místech
Modře píši jako moderátor, černě jako člen.
Regulátory Epever a Victron
MP 24/5000 + Deye mikroinvertory 1+2,2 kW (můj byt + máti byt)
MP 24/1200 inet, sit, kamery atd.
Phoenix 24/5000 vytěžování do akumulačních kamen
Epever 3kW vytěžování do bojlerů + žebříky
1 kW "nabíječka" 24 V
40+ kWh staré olovo 26+ kWh Li-Ion
několik dalších MP jako záložní zdroje na různých místech
Modře píši jako moderátor, černě jako člen.
- Valdano
- Příspěvky: 1916
- Registrován: čtv črc 21, 2022 5:39 pm
- Reputace:267
- Lokalita: Česká Lípa
- Chci prodávat energii: NE
- Chci/Mám dotaci: NE
Re: Stavba FVE - 2x strig 4 400Wp
Přesně tak. Na střídači měl být popisek TNC-S.
.
.
Naposledy upravil(a) Valdano dne stř čer 11, 2025 10:03 pm, celkem upraveno 1 x.
- cipis
- Moderátor
- Příspěvky: 6954
- Registrován: pon srp 16, 2021 9:31 pm
- Reputace:979
- Lokalita: blízko Brna
- Systémové napětí: 24V
- Výkon panelů [Wp]: 13+ kWp
- Kapacita baterie [kWh]: 40+26
- Chci prodávat energii: NE
- Chci/Mám dotaci: NE
- Bydliště: blízko Brna
Re: Stavba FVE - 2x strig 4 400Wp
Spíš ne, tam bude pravděpodobně IT síť. Až tím spojením v rozváděči (já bych to spojil přímo na měniči) z toho udělá TNC. A následně v (shodou okolností v tom samém) rozváděči z toho bude TNC-S.
16+ kWp: 9850 Wp Jih, 2040 Wp Východ, 1490 Wp Západ, 2700 Wp mikroinvertory
Regulátory Epever a Victron
MP 24/5000 + Deye mikroinvertory 1+2,2 kW (můj byt + máti byt)
MP 24/1200 inet, sit, kamery atd.
Phoenix 24/5000 vytěžování do akumulačních kamen
Epever 3kW vytěžování do bojlerů + žebříky
1 kW "nabíječka" 24 V
40+ kWh staré olovo 26+ kWh Li-Ion
několik dalších MP jako záložní zdroje na různých místech
Modře píši jako moderátor, černě jako člen.
Regulátory Epever a Victron
MP 24/5000 + Deye mikroinvertory 1+2,2 kW (můj byt + máti byt)
MP 24/1200 inet, sit, kamery atd.
Phoenix 24/5000 vytěžování do akumulačních kamen
Epever 3kW vytěžování do bojlerů + žebříky
1 kW "nabíječka" 24 V
40+ kWh staré olovo 26+ kWh Li-Ion
několik dalších MP jako záložní zdroje na různých místech
Modře píši jako moderátor, černě jako člen.
- Valdano
- Příspěvky: 1916
- Registrován: čtv črc 21, 2022 5:39 pm
- Reputace:267
- Lokalita: Česká Lípa
- Chci prodávat energii: NE
- Chci/Mám dotaci: NE
Re: Stavba FVE - 2x strig 4 400Wp
Dle mého názoru nikoli. IT síť (tzn. izolovaná) na AC výstupu měniče by byla pouze v případě, že by se jednalo o trvalý off-grid s AC výstupem měniče trvale nepřipojeným k DS. Pokud je AC výstup měniče připojen do sítě TNC nebo TNC-S tak to nikdy není IT.
- cipis
- Moderátor
- Příspěvky: 6954
- Registrován: pon srp 16, 2021 9:31 pm
- Reputace:979
- Lokalita: blízko Brna
- Systémové napětí: 24V
- Výkon panelů [Wp]: 13+ kWp
- Kapacita baterie [kWh]: 40+26
- Chci prodávat energii: NE
- Chci/Mám dotaci: NE
- Bydliště: blízko Brna
Re: Stavba FVE - 2x strig 4 400Wp
To označení je podle toho, jak to má v sobě zadrátované. Pokud měnič nemá v sobě přímo spojený jeden z fázových vodičů se zemí, tak to nemůže být TN síť. Proto jsem také psal, že tam nemá být to označení, a aby se právě zabránilo dohadům, tak jsem nenapsal, že by tam vůbec něco mělo být označené.
Třeba Phoenix 1200 má v sobě přímo propojku, která je z výroby jako IT síť, ale můžeš si ji předělat tak, aby se "nulák" uzemnil, tj. z toho byla TN síť.
Tedy pokud už chceme tam vůbec nějaké označení (je nadbytečné), tak určitě podle toho, jak je ten měnič zadrátovaný. A s velkou pravděpodobností nebude "nulák" pípat na kostru. Tj. IT síť.
Třeba Phoenix 1200 má v sobě přímo propojku, která je z výroby jako IT síť, ale můžeš si ji předělat tak, aby se "nulák" uzemnil, tj. z toho byla TN síť.
Tedy pokud už chceme tam vůbec nějaké označení (je nadbytečné), tak určitě podle toho, jak je ten měnič zadrátovaný. A s velkou pravděpodobností nebude "nulák" pípat na kostru. Tj. IT síť.
16+ kWp: 9850 Wp Jih, 2040 Wp Východ, 1490 Wp Západ, 2700 Wp mikroinvertory
Regulátory Epever a Victron
MP 24/5000 + Deye mikroinvertory 1+2,2 kW (můj byt + máti byt)
MP 24/1200 inet, sit, kamery atd.
Phoenix 24/5000 vytěžování do akumulačních kamen
Epever 3kW vytěžování do bojlerů + žebříky
1 kW "nabíječka" 24 V
40+ kWh staré olovo 26+ kWh Li-Ion
několik dalších MP jako záložní zdroje na různých místech
Modře píši jako moderátor, černě jako člen.
Regulátory Epever a Victron
MP 24/5000 + Deye mikroinvertory 1+2,2 kW (můj byt + máti byt)
MP 24/1200 inet, sit, kamery atd.
Phoenix 24/5000 vytěžování do akumulačních kamen
Epever 3kW vytěžování do bojlerů + žebříky
1 kW "nabíječka" 24 V
40+ kWh staré olovo 26+ kWh Li-Ion
několik dalších MP jako záložní zdroje na různých místech
Modře píši jako moderátor, černě jako člen.
- Valdano
- Příspěvky: 1916
- Registrován: čtv črc 21, 2022 5:39 pm
- Reputace:267
- Lokalita: Česká Lípa
- Chci prodávat energii: NE
- Chci/Mám dotaci: NE
Re: Stavba FVE - 2x strig 4 400Wp
IT je to pouze když je AC výstup měniče izolovaný od DS. Jakmile je AC výstup měniče připojen k síti TNC (jen na L a PEN) tak už to není IT, měnič je místem rozdělení TNC na TNC-S a v měniči musí být propojka mezi N a PE. Jakmile je AC výstup měniče připojen k síti TNC-S (na L, N a PE rozdělení před měničem) tak to také není IT a v měniči propojka mezi N a PE být nesmí.
- cipis
- Moderátor
- Příspěvky: 6954
- Registrován: pon srp 16, 2021 9:31 pm
- Reputace:979
- Lokalita: blízko Brna
- Systémové napětí: 24V
- Výkon panelů [Wp]: 13+ kWp
- Kapacita baterie [kWh]: 40+26
- Chci prodávat energii: NE
- Chci/Mám dotaci: NE
- Bydliště: blízko Brna
Re: Stavba FVE - 2x strig 4 400Wp
Ne od DS, ale od země, to je ten podstatný rozdíl.
Samotný měnič, tak, jak ho postavíš na stůl a zapneš, tak bude nejspíš IT. A až tím, jak ho zapojíš, tak to změníš na to, co potřebuješ.
Bavíme se o popisku na měniči, tj. o síti, kterou vytváří on, ne ta, se kterou se spojuje.
Ostatně v tom rozváděči to také není dobře poznačené, protože TNC-S síť je až za ním, ne v něm. Tedy v rozváděči spojíš dvě TNC sítě, a tím modrým můstkem a následným rozvedením z tohoto rozváděče (na chrániče dáš modrý z modrého můstku a černý z L můstku, a k tomu žlutozelený z žz můstku), tak teprve tady máš TNC-S síť. Resp. tady je ten modrý můstek úplně zbytečný, protože je to to stejné jak žz. Až za ty chrániče je řada modrých můstků.
Tady je asi ještě po staru jeden jediný chránič (pokud vůbec) na celý barák, což je dneska špatně.
Proto já na každém měniči okamžitě z IT udělám TNC síť, a až následně tuhle síť dovedu, spolu s ostatními, do hlavního rozváděče, kde jsou spojené, včetně sítě TNC z DS. Odtud do dalších podružných rozváděčů vedu vše také jako TNC síť. A až v těch posledních rozváděčích, do kterých jsou jednotlivé okruhy, tak se za chrániči vytvoří celá řada TNC-S sítí.
Samotný měnič, tak, jak ho postavíš na stůl a zapneš, tak bude nejspíš IT. A až tím, jak ho zapojíš, tak to změníš na to, co potřebuješ.
Bavíme se o popisku na měniči, tj. o síti, kterou vytváří on, ne ta, se kterou se spojuje.
Ostatně v tom rozváděči to také není dobře poznačené, protože TNC-S síť je až za ním, ne v něm. Tedy v rozváděči spojíš dvě TNC sítě, a tím modrým můstkem a následným rozvedením z tohoto rozváděče (na chrániče dáš modrý z modrého můstku a černý z L můstku, a k tomu žlutozelený z žz můstku), tak teprve tady máš TNC-S síť. Resp. tady je ten modrý můstek úplně zbytečný, protože je to to stejné jak žz. Až za ty chrániče je řada modrých můstků.
Tady je asi ještě po staru jeden jediný chránič (pokud vůbec) na celý barák, což je dneska špatně.
Proto já na každém měniči okamžitě z IT udělám TNC síť, a až následně tuhle síť dovedu, spolu s ostatními, do hlavního rozváděče, kde jsou spojené, včetně sítě TNC z DS. Odtud do dalších podružných rozváděčů vedu vše také jako TNC síť. A až v těch posledních rozváděčích, do kterých jsou jednotlivé okruhy, tak se za chrániči vytvoří celá řada TNC-S sítí.
16+ kWp: 9850 Wp Jih, 2040 Wp Východ, 1490 Wp Západ, 2700 Wp mikroinvertory
Regulátory Epever a Victron
MP 24/5000 + Deye mikroinvertory 1+2,2 kW (můj byt + máti byt)
MP 24/1200 inet, sit, kamery atd.
Phoenix 24/5000 vytěžování do akumulačních kamen
Epever 3kW vytěžování do bojlerů + žebříky
1 kW "nabíječka" 24 V
40+ kWh staré olovo 26+ kWh Li-Ion
několik dalších MP jako záložní zdroje na různých místech
Modře píši jako moderátor, černě jako člen.
Regulátory Epever a Victron
MP 24/5000 + Deye mikroinvertory 1+2,2 kW (můj byt + máti byt)
MP 24/1200 inet, sit, kamery atd.
Phoenix 24/5000 vytěžování do akumulačních kamen
Epever 3kW vytěžování do bojlerů + žebříky
1 kW "nabíječka" 24 V
40+ kWh staré olovo 26+ kWh Li-Ion
několik dalších MP jako záložní zdroje na různých místech
Modře píši jako moderátor, černě jako člen.
- Valdano
- Příspěvky: 1916
- Registrován: čtv črc 21, 2022 5:39 pm
- Reputace:267
- Lokalita: Česká Lípa
- Chci prodávat energii: NE
- Chci/Mám dotaci: NE
Re: Stavba FVE - 2x strig 4 400Wp
Pokud chce AC výstup měniče spojit na PEN (TNC) tj. na přívod do druhého rozvaděče tedy ještě před rozdělením na TNC-S tak by musely být propojeny svorky N a PE na měniči a N přivedeno z PEN a v takovém případě už by nemohl být AC výstup měniče připojen k výstupu TNC-S tedy nemohl by ho připojit na oddělené N a PE z toho druhého rozvaděče, protože by porušil pravidlo zákazu spojení N a PE za rozdělením.
..
Pokud chce AC výstup měniče spojit na N a PE na výstupu druhého rozvaděče tj. až za rozdělením na TNC-S tak svorky N a PE na měniči nesmí být propojeny, ale PEN tam pak nemá co dělat, protože ochranný vodič je oddělen jen jako PE.
.
..
Pokud chce AC výstup měniče spojit na N a PE na výstupu druhého rozvaděče tj. až za rozdělením na TNC-S tak svorky N a PE na měniči nesmí být propojeny, ale PEN tam pak nemá co dělat, protože ochranný vodič je oddělen jen jako PE.
.
- GHLL
- Příspěvky: 209
- Registrován: úte pro 17, 2024 8:41 am
- Reputace:89
- Lokalita: Kroměříž
- Systémové napětí: 48V
- Výkon panelů [Wp]: 13 300
- Kapacita baterie [kWh]: 14
- Chci prodávat energii: NE
- Chci/Mám dotaci: NE
Re: Stavba FVE - 2x strig 4 400Wp
Hoši dík moc za reakce, pokusím se upřesnit celé zapojení, v některých detailech jsem se možná špatně vyjádřil... 
Celé je to o tom jak píšete, jak je zapojen střídač a podle toho zvolit propojení TNC nebo TNS.
▼▼▼ Aktuální zapojení bez propojení střídače s domovním rozvaděčem Střídač nemá a nebude mít zapojený AC vstup
Bod rozdělení z TNC na TNC-S je až v domovním rozvaděči
- Proto jsem z něj chtěl udělat TNC propojením N a PEN už na měniči a do domovního rozvaděče táhnout 2x vodič 10mm2
Tak jak to nakreslil @Valdano >>> ZDE <<<
▼▼▼ - Propojení v TNC @Valdano - Rozdělení PEN (bod rozdělení) mi je jasný.
Píšeš: "zpětné propojení ze střídače na PEN do hlavního rozvaděče tam už vůbec nepatří" - to jsem asi špatně zakreslil, přesněji to je na tomto obr.
Dál píšeš: "Střídač není TNC, ale TNC-S" - tak to si velice pěkně vysvětlil a zakreslil >>> ZDE <<< a za mě je varianta spojení N a PEN u střídače a zapojení tak jak na obr. OK (Střídač který nemá zapojený AC vstup - se spojeným N a PEN je TNC)
Asi jsme se nepochopili v tom bodě rozdělení, tak snad už je to jasné...
Dál jsi psal: IT je to pouze když je AC výstup měniče izolovaný od DS - to je už s obr. asi jasné - nepřipojený k DS. Zkusím to napsat jak sem to pochopil:
A) pokud do měniče leze (AC vstup) TNC - spojím N a PE a z měniče zas leze (AC výstup) TNC
B) pokud do měniče leze (AC vstup) TNC-s - NESMÍM SPOJIT N a PE - měniče zas leze (AC výstup) TNC-S
u mě varianta A) TNC
@cipis - ano ten obr rozvaděče je nepřesný
Jak píšeš: "Tady je asi ještě po staru jeden jediný chránič (pokud vůbec) na celý barák, což je dneska špatně" naštěstí je skutečná situace viz obr.
Proto sem taky úplně původně chtěl tahat (a nadále chci) kabel 2x 10 mm2, ale asi jsme se v dotazu >>> ZDE <<< špatně pochopili...
takže abych to shrnul: Nepřipojený AC vstup střídače, propojený N a PE na střídači, do domovního rozvaděče táhnout 2 x 10 mm2 a zapojit dle tohoto obr.
Mám teda jasno???, nebo......
Celé je to o tom jak píšete, jak je zapojen střídač a podle toho zvolit propojení TNC nebo TNS.
▼▼▼ Aktuální zapojení bez propojení střídače s domovním rozvaděčem Střídač nemá a nebude mít zapojený AC vstup
Bod rozdělení z TNC na TNC-S je až v domovním rozvaděči
- Proto jsem z něj chtěl udělat TNC propojením N a PEN už na měniči a do domovního rozvaděče táhnout 2x vodič 10mm2
Tak jak to nakreslil @Valdano >>> ZDE <<<
▼▼▼ - Propojení v TNC @Valdano - Rozdělení PEN (bod rozdělení) mi je jasný.
Píšeš: "zpětné propojení ze střídače na PEN do hlavního rozvaděče tam už vůbec nepatří" - to jsem asi špatně zakreslil, přesněji to je na tomto obr.
Dál píšeš: "Střídač není TNC, ale TNC-S" - tak to si velice pěkně vysvětlil a zakreslil >>> ZDE <<< a za mě je varianta spojení N a PEN u střídače a zapojení tak jak na obr. OK (Střídač který nemá zapojený AC vstup - se spojeným N a PEN je TNC)
Asi jsme se nepochopili v tom bodě rozdělení, tak snad už je to jasné...
Dál jsi psal: IT je to pouze když je AC výstup měniče izolovaný od DS - to je už s obr. asi jasné - nepřipojený k DS. Zkusím to napsat jak sem to pochopil:
A) pokud do měniče leze (AC vstup) TNC - spojím N a PE a z měniče zas leze (AC výstup) TNC
B) pokud do měniče leze (AC vstup) TNC-s - NESMÍM SPOJIT N a PE - měniče zas leze (AC výstup) TNC-S
u mě varianta A) TNC
@cipis - ano ten obr rozvaděče je nepřesný
Jak píšeš: "Tady je asi ještě po staru jeden jediný chránič (pokud vůbec) na celý barák, což je dneska špatně" naštěstí je skutečná situace viz obr.
Proto sem taky úplně původně chtěl tahat (a nadále chci) kabel 2x 10 mm2, ale asi jsme se v dotazu >>> ZDE <<< špatně pochopili...
takže abych to shrnul: Nepřipojený AC vstup střídače, propojený N a PE na střídači, do domovního rozvaděče táhnout 2 x 10 mm2 a zapojit dle tohoto obr.
Mám teda jasno???, nebo......
- Victron 150/85-Tr
- Smartshunt - Homeassistant
- Kombiměnič: Voltronic 11kW
- cipis
- Moderátor
- Příspěvky: 6954
- Registrován: pon srp 16, 2021 9:31 pm
- Reputace:979
- Lokalita: blízko Brna
- Systémové napětí: 24V
- Výkon panelů [Wp]: 13+ kWp
- Kapacita baterie [kWh]: 40+26
- Chci prodávat energii: NE
- Chci/Mám dotaci: NE
- Bydliště: blízko Brna
Re: Stavba FVE - 2x strig 4 400Wp
Máš jasno, přesně tak to mám i já.
Jen bych ve tvém případě, pokud je to schéma dle stavu, natáhl extra "zem" z toho hlavního rozváděče na tu fyzickou zem alespoň 16 mm2. Teď to máš přizemněné akorát tou desítkou přes "hodinový rozváděč".
Ještě mě napadla jedna věc, když tam zavlečeš 4x10, tak budeš mít rezervu pro případné zapojení AC in měniče či nějaké nabíječky. Myslím, že to stojí za zvážení. Tedy 2x 10 Out, 2x 10 In.
Jen bych ve tvém případě, pokud je to schéma dle stavu, natáhl extra "zem" z toho hlavního rozváděče na tu fyzickou zem alespoň 16 mm2. Teď to máš přizemněné akorát tou desítkou přes "hodinový rozváděč".
Ještě mě napadla jedna věc, když tam zavlečeš 4x10, tak budeš mít rezervu pro případné zapojení AC in měniče či nějaké nabíječky. Myslím, že to stojí za zvážení. Tedy 2x 10 Out, 2x 10 In.
16+ kWp: 9850 Wp Jih, 2040 Wp Východ, 1490 Wp Západ, 2700 Wp mikroinvertory
Regulátory Epever a Victron
MP 24/5000 + Deye mikroinvertory 1+2,2 kW (můj byt + máti byt)
MP 24/1200 inet, sit, kamery atd.
Phoenix 24/5000 vytěžování do akumulačních kamen
Epever 3kW vytěžování do bojlerů + žebříky
1 kW "nabíječka" 24 V
40+ kWh staré olovo 26+ kWh Li-Ion
několik dalších MP jako záložní zdroje na různých místech
Modře píši jako moderátor, černě jako člen.
Regulátory Epever a Victron
MP 24/5000 + Deye mikroinvertory 1+2,2 kW (můj byt + máti byt)
MP 24/1200 inet, sit, kamery atd.
Phoenix 24/5000 vytěžování do akumulačních kamen
Epever 3kW vytěžování do bojlerů + žebříky
1 kW "nabíječka" 24 V
40+ kWh staré olovo 26+ kWh Li-Ion
několik dalších MP jako záložní zdroje na různých místech
Modře píši jako moderátor, černě jako člen.
- GHLL
- Příspěvky: 209
- Registrován: úte pro 17, 2024 8:41 am
- Reputace:89
- Lokalita: Kroměříž
- Systémové napětí: 48V
- Výkon panelů [Wp]: 13 300
- Kapacita baterie [kWh]: 14
- Chci prodávat energii: NE
- Chci/Mám dotaci: NE
Re: Stavba FVE - 2x strig 4 400Wp
@cipis -
- šak nésu hloopééé....
Ano je to skutečný stav, uzemněno tou 10 mm2 do rozvaděče s el. hodinama.
Dodatečně jsem právě dodělával PEN k měniči (obkopat barák a propojit všechny hromosvody a PEN z hodin)
Tak když budu tahat kabel od měniče k domovnímu rozvaděči, můžu přidat ještě Vodič CYA H07V-K 16 Ž/Z a tím propojit PEN domovního rozvaděče a ten "nový" PEN vytažený 10mm FEZN. Dík za radu...
Ano je to skutečný stav, uzemněno tou 10 mm2 do rozvaděče s el. hodinama.
Dodatečně jsem právě dodělával PEN k měniči (obkopat barák a propojit všechny hromosvody a PEN z hodin)
Tak když budu tahat kabel od měniče k domovnímu rozvaděči, můžu přidat ještě Vodič CYA H07V-K 16 Ž/Z a tím propojit PEN domovního rozvaděče a ten "nový" PEN vytažený 10mm FEZN. Dík za radu...
- Victron 150/85-Tr
- Smartshunt - Homeassistant
- Kombiměnič: Voltronic 11kW
- GHLL
- Příspěvky: 209
- Registrován: úte pro 17, 2024 8:41 am
- Reputace:89
- Lokalita: Kroměříž
- Systémové napětí: 48V
- Výkon panelů [Wp]: 13 300
- Kapacita baterie [kWh]: 14
- Chci prodávat energii: NE
- Chci/Mám dotaci: NE
Re: Stavba FVE - 2x strig 4 400Wp
Vybírám vhodný přepínač sítí, který bude přepínat mezi DS - 3 fáze (jistič B25/3 - kabel CYKY 10mm2) a FV - jedna fáze (jistič B50 - kabel CYKY 10mm2)
Našel šel jsem HAGER SFT340 3P 40A
Nevím jak přesně se bere těch 40A u toho přepínače? jestli je to 40A na jednu fázi tak na výstupu když proklemuju tu jednu fázi z FV (50A) tak je to pak 50A / 3 a vychází to cca 17A, takže bych ho mohl použít? Případně prosím doporučte nějaký vhodný přepínač.
Do budoucna bych chtěl připínání sítí řešit automaticky asi přes stykače, tak nevím jestli raději nejít touto cestou zrovna...
Našel šel jsem HAGER SFT340 3P 40A
Nevím jak přesně se bere těch 40A u toho přepínače? jestli je to 40A na jednu fázi tak na výstupu když proklemuju tu jednu fázi z FV (50A) tak je to pak 50A / 3 a vychází to cca 17A, takže bych ho mohl použít? Případně prosím doporučte nějaký vhodný přepínač.
Do budoucna bych chtěl připínání sítí řešit automaticky asi přes stykače, tak nevím jestli raději nejít touto cestou zrovna...
- Victron 150/85-Tr
- Smartshunt - Homeassistant
- Kombiměnič: Voltronic 11kW
- Migel
- Příspěvky: 1808
- Registrován: ned zář 25, 2022 10:47 am
- Reputace:308
- Lokalita: Pod Karpatmi
Re: Stavba FVE - 2x strig 4 400Wp
Tak prepinat s prepinacom napriklad tym Hagerom par krat do roka a automaticky cez stykace je sakra cenovy rozdiel.
1-Ak vyslovene chces prepinat automaticky tak potom ist hned do tych stykacov.Lebo zbytocne investujes do Hagera.Ale stykace sa ti nezmestia do klasickeho rozvadzaca takze pocitaj ze zabery dost miesta.
2-Ak budes prepinat len obcas bud pri vypadku, udrzbe a podobne tak ti staci ten Hager a je cenovo dostupnejsi.
Sam ma dva prepinace Hager a zatial spokojnost.Samozrejme prepinam bez zataze aby sa zbytocne neopalovaly kontakty a prepinam to s 1-2sekundovym oneskorenim.Nevadi mi mensi vypadok pri prepnuti ako niekomu...
1-Ak vyslovene chces prepinat automaticky tak potom ist hned do tych stykacov.Lebo zbytocne investujes do Hagera.Ale stykace sa ti nezmestia do klasickeho rozvadzaca takze pocitaj ze zabery dost miesta.
2-Ak budes prepinat len obcas bud pri vypadku, udrzbe a podobne tak ti staci ten Hager a je cenovo dostupnejsi.
Sam ma dva prepinace Hager a zatial spokojnost.Samozrejme prepinam bez zataze aby sa zbytocne neopalovaly kontakty a prepinam to s 1-2sekundovym oneskorenim.Nevadi mi mensi vypadok pri prepnuti ako niekomu...
JZ-2s5p 3,8kWp >> Epever 8415 AN
JV-2s3p 2,7kWp >> Epever 6415 AN
2x Victron MP2 5000V/A paralelne
3x GWL SUN-2000G paralelne
48V 760Ah/35kWh Li-ion
a stále v štádiu budovania
(rozširovania)
JV-2s3p 2,7kWp >> Epever 6415 AN
2x Victron MP2 5000V/A paralelne
3x GWL SUN-2000G paralelne
48V 760Ah/35kWh Li-ion
a stále v štádiu budovania
- GHLL
- Příspěvky: 209
- Registrován: úte pro 17, 2024 8:41 am
- Reputace:89
- Lokalita: Kroměříž
- Systémové napětí: 48V
- Výkon panelů [Wp]: 13 300
- Kapacita baterie [kWh]: 14
- Chci prodávat energii: NE
- Chci/Mám dotaci: NE
Re: Stavba FVE - 2x strig 4 400Wp
A tento přepínač na 40A vyhovuje? je to tak jak si myslím a psal jem v dotazu?
- Victron 150/85-Tr
- Smartshunt - Homeassistant
- Kombiměnič: Voltronic 11kW
- Migel
- Příspěvky: 1808
- Registrován: ned zář 25, 2022 10:47 am
- Reputace:308
- Lokalita: Pod Karpatmi
Re: Stavba FVE - 2x strig 4 400Wp
Ten Hager je na tri fazy cize na jednu fazu znesie az 40A.Tych 40A je branych ako zatazenie na jeden kontakt.Cize ak rozdelis tu tvoju jednu fazu 50A na tie tri kontakty tak je to ok.
JZ-2s5p 3,8kWp >> Epever 8415 AN
JV-2s3p 2,7kWp >> Epever 6415 AN
2x Victron MP2 5000V/A paralelne
3x GWL SUN-2000G paralelne
48V 760Ah/35kWh Li-ion
a stále v štádiu budovania
(rozširovania)
JV-2s3p 2,7kWp >> Epever 6415 AN
2x Victron MP2 5000V/A paralelne
3x GWL SUN-2000G paralelne
48V 760Ah/35kWh Li-ion
a stále v štádiu budovania
- cipis
- Moderátor
- Příspěvky: 6954
- Registrován: pon srp 16, 2021 9:31 pm
- Reputace:979
- Lokalita: blízko Brna
- Systémové napětí: 24V
- Výkon panelů [Wp]: 13+ kWp
- Kapacita baterie [kWh]: 40+26
- Chci prodávat energii: NE
- Chci/Mám dotaci: NE
- Bydliště: blízko Brna
Re: Stavba FVE - 2x strig 4 400Wp
Ten manuální se musí pořídit pokaždé. K automatice je třeba mít bypass, tj. ten manuální.
Tedy na výstupu automatu tento manuální, který případný "neznámý stav" na automatu umožní přepnout natvrdo na DS.
Tedy na výstupu automatu tento manuální, který případný "neznámý stav" na automatu umožní přepnout natvrdo na DS.
16+ kWp: 9850 Wp Jih, 2040 Wp Východ, 1490 Wp Západ, 2700 Wp mikroinvertory
Regulátory Epever a Victron
MP 24/5000 + Deye mikroinvertory 1+2,2 kW (můj byt + máti byt)
MP 24/1200 inet, sit, kamery atd.
Phoenix 24/5000 vytěžování do akumulačních kamen
Epever 3kW vytěžování do bojlerů + žebříky
1 kW "nabíječka" 24 V
40+ kWh staré olovo 26+ kWh Li-Ion
několik dalších MP jako záložní zdroje na různých místech
Modře píši jako moderátor, černě jako člen.
Regulátory Epever a Victron
MP 24/5000 + Deye mikroinvertory 1+2,2 kW (můj byt + máti byt)
MP 24/1200 inet, sit, kamery atd.
Phoenix 24/5000 vytěžování do akumulačních kamen
Epever 3kW vytěžování do bojlerů + žebříky
1 kW "nabíječka" 24 V
40+ kWh staré olovo 26+ kWh Li-Ion
několik dalších MP jako záložní zdroje na různých místech
Modře píši jako moderátor, černě jako člen.
- GHLL
- Příspěvky: 209
- Registrován: úte pro 17, 2024 8:41 am
- Reputace:89
- Lokalita: Kroměříž
- Systémové napětí: 48V
- Výkon panelů [Wp]: 13 300
- Kapacita baterie [kWh]: 14
- Chci prodávat energii: NE
- Chci/Mám dotaci: NE
Re: Stavba FVE - 2x strig 4 400Wp
Přes víkend jsem instaloval držáky pro panely na západní straně, docela to na té plechové střeše peklo 
- Victron 150/85-Tr
- Smartshunt - Homeassistant
- Kombiměnič: Voltronic 11kW
- glottis
- Příspěvky: 3796
- Registrován: stř úno 02, 2022 10:30 am
- Reputace:497
- Lokalita: okolí Mělníka
- Systémové napětí: 48V
- Výkon panelů [Wp]: 13000
- Kapacita baterie [kWh]: 30
Re: Stavba FVE - 2x strig 4 400Wp
nekdy to pokonzultuj s nekym od hromosvodu ale myslim, ze mas ten jimac na hrebenu kratkej na to, co je tam vedle na tom stozarku.
- unicast
- Příspěvky: 2418
- Registrován: sob bře 30, 2019 10:27 am
- Reputace:453
- Lokalita: JV od pekla :)
- Systémové napětí: 48V
- Výkon panelů [Wp]: 5100
- Kapacita baterie [kWh]: 49
- Chci/Mám dotaci: NE
Re: Stavba FVE - 2x strig 4 400Wp
Určitě. Na ty stožáry to chce oddálený jímač, výrazně vyšší, než je stožár samotný.
Kdo je online
Uživatelé procházející toto fórum: Baidu [Spider], Bing [Bot], Claudebot [Bot], Ghost86
