8,8kWp 3faz na trackeru
-
pkougl
- Příspěvky: 325
- Registrován: ned srp 05, 2012 10:41 am
- Reputace: 38
Re: 8,8kWp 3faz na trackeru
Zdravím, mam to udělané přes šnekovou převodovku, ovládání přes spínací digi hodinky, dvoukanálové od elka(jarní a letní provoz) posouvám to po jedné otáčce hřídele vstupu šnekovky (mam na ní vačku, dělá to tušim 9 úhlovejch stupňů), doplněný to je časovym relátkem a dohromady se to i vrátí večer nazpět do východu a čeká na slunce. (to hlídají koncáky krajních poloh) Někde můžu vyštrachat schema a dát inspiraci, funkční několik let
Pavel
Pavel
7,1kWp - 8x3 panely Renesola 240Wp, 2x3x235Wp lightway, 2xTristat TS60, trakční 48V 2x750Ah olovo, 2xměnič Studer XTM 4000, SDS Micro, solární dvouosý tracker se třemi panely
-
kvako1
- Příspěvky: 613
- Registrován: ned lis 11, 2018 5:18 pm
- Reputace: 122
Re: 8,8kWp 3faz na trackeru
pkougl
dik to bych uvítal , každý typ se hodí.
Nedal bys sem i foto ?
edit
pro zajimavost :
poptal jsem tohle plastové ložisko 6ks
https://www.igus.sk/info/news-2017-squa ... listid=107
poslali mi nabidku 100 eur za kus. tak to jsem opravdu nečekal
dik to bych uvítal , každý typ se hodí.
Nedal bys sem i foto ?
edit
pro zajimavost :
poptal jsem tohle plastové ložisko 6ks
https://www.igus.sk/info/news-2017-squa ... listid=107
poslali mi nabidku 100 eur za kus. tak to jsem opravdu nečekal
https://forum.mypower.cz/viewtopic.php?t ... &start=300
FVE 17kWp na trackeru, 3xpip5048 3faz, baterie li ion 1160Ah cca 60kWh
FVE 17kWp na trackeru, 3xpip5048 3faz, baterie li ion 1160Ah cca 60kWh
- volente
- Příspěvky: 2439
- Registrován: stř srp 20, 2014 1:01 am
- Reputace: 426
- Bydliště: Brno - venkov
Re: 8,8kWp 3faz na trackeru
Hm hm, tak 64m2, můj odhad je tak 3x3x3m základ z betonu, pohon minimálně kolem 1kW výkonu. Každý kdo montoval někdy panely na střechu při větru kolem 30 Km/h potvrdí že to začíná být už docela nebezpečné.
Při rychlosti větru 60 Km/h bude síla 4x větší, takže výkon pohonu na otočení této obludy možná ta 1kW zvládne.
A když bude foukat víc? Nevím. Ale počítal bych pevnost a výkon pohonu minimálně do síly větru 90 Km/h.
Zpřevodování do pomala je krásná věc, ale má svoje omezení právě ve ztrátách převodů.
Stačí se podívat na výkon aktuátorů na satelity.
Při rychlosti větru 60 Km/h bude síla 4x větší, takže výkon pohonu na otočení této obludy možná ta 1kW zvládne.
A když bude foukat víc? Nevím. Ale počítal bych pevnost a výkon pohonu minimálně do síly větru 90 Km/h.
Zpřevodování do pomala je krásná věc, ale má svoje omezení právě ve ztrátách převodů.
Stačí se podívat na výkon aktuátorů na satelity.
5,5kWp - 4x Solartec mono 180Wp +¨6x IBC 155Wp poly + 10x Solea 170Wp mono + 6x Husinage HSG 190Wp + 6x Calyxo 70Wp amorf vertikálně (JV), 2x ZN ShineSolar poly 250Wp + 2x 260Wp poly (JZ), Epever LS 3024B, Epever LS 2024B, MakeSkyBlue 20A, eSmart 3 - 60A, 19 kWh Li-Ion, Axpert MSXE PF1, 24V/3,0kW, Axpert MSXE 24V/2,4kW.
-
kodl69
- Příspěvky: 8034
- Registrován: sob črc 19, 2014 8:56 pm
- Reputace: 1011
- Lokalita: severně od Brna
- Systémové napětí: 48V
- Výkon panelů [Wp]: 8kWp
- Kapacita baterie [kWh]: 12kWh
- Chci prodávat energii: NE
- Chci/Mám dotaci: NE
Re: 8,8kWp 3faz na trackeru
Mě napadlo, že za spínačky by se dalo dát časové relé, tj spínačky sepnou na 1 minutu, ale časové relé se aktivuje jenom na 1s , nebo jinou nastavenou dobu. Ale asi by byl problém to vyladit, s koncákem a vačkou mi to přijde jako opakovatelný řešení.
ostrov skoro 8kWp neustále ve stádiu zrodu: smartshunt(ex WBJR), MPPT150/45, MPPT 250/100(ex midnitesolar 150 clasic lite), 16S a různě P cca 340Ah Winston, MP II 5000,( ex Powerjack 8kW, ex samodomo cca 4kW). 48V DC rozvody a spotřebiče.
- marko250
- Příspěvky: 3466
- Registrován: ned led 12, 2014 7:41 pm
- Reputace: 525
- Lokalita: Hlučín
- Bydliště: Hlučín
Re: 8,8kWp 3faz na trackeru
Tak pokud to budeš teprve dělat,tak zvaš to naklonění a rozdělení na více trackerů.Vždyť z toho moc nedostaneš v zimním období?! Tohle https://www.youtube.com/watch?v=eDBB2KvWF1g , bych klonil ještě víc k 50° od země aspoň a směr jih.To rozdělení hlavně kvůli větru ,jakémukoli.
16kWp/JZ-50°/20xChaori 230 ,JV-90°/8xLeapton 650 + <JZ-90° /15xJAsolar / Mono 385, regl Midnite Classic 150<89A> , 1x EASUN <80A> a 1x EASUN <100A>,baterka 17s 54.4VDC LFP4/784Ah<uloží 42kWh>,ŠKATULE 11kW
-
kvako1
- Příspěvky: 613
- Registrován: ned lis 11, 2018 5:18 pm
- Reputace: 122
Re: 8,8kWp 3faz na trackeru
Ahoj, pokuť mám přívod s DS jištěn 40A jističem, a chci před něj vložit stykač, kůli odpojení DS v případě výpadku DS,
stačí mi stykač na 40A nebo dát rači 63A ?
nevim jestli je to správny název , ale někde jsem četl /rozpadové místo/ ?
nemáte nahodou typ na stykač s malou spotřebou ? konkretni typ ?
nebo je na to nějaké jiné řešení ? ty vědší stykače celkem slušně žerou... co jsem našel tak kolem 10W
stačí mi stykač na 40A nebo dát rači 63A ?
nevim jestli je to správny název , ale někde jsem četl /rozpadové místo/ ?
nemáte nahodou typ na stykač s malou spotřebou ? konkretni typ ?
nebo je na to nějaké jiné řešení ? ty vědší stykače celkem slušně žerou... co jsem našel tak kolem 10W
https://forum.mypower.cz/viewtopic.php?t ... &start=300
FVE 17kWp na trackeru, 3xpip5048 3faz, baterie li ion 1160Ah cca 60kWh
FVE 17kWp na trackeru, 3xpip5048 3faz, baterie li ion 1160Ah cca 60kWh
-
pkougl
- Příspěvky: 325
- Registrován: ned srp 05, 2012 10:41 am
- Reputace: 38
Re: 8,8kWp 3faz na trackeru
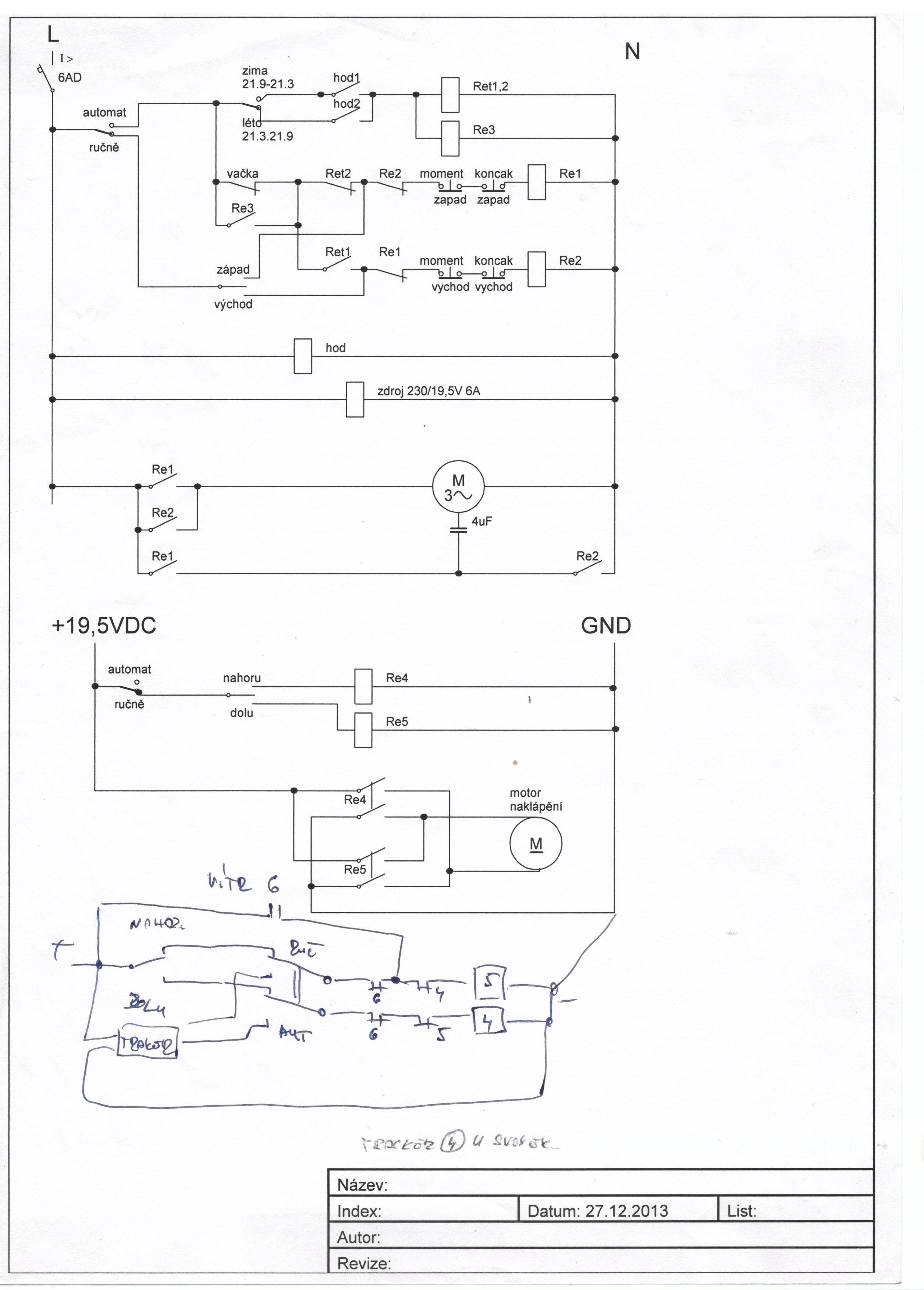
jak jsem slíbil, níže je schema mého trackeru ovládaného digitálními hodinkami (dvoukanálovými), jelikož sluníčko není ve stejných místech na jaře(podzimu) a v létě(zimě) každý kanál ovládá své období. V hodinkách mam nastavený dvě různé sady času pro spínání polohování. Hodinky jedou v režimu že vyšlou impulz v daný čas (myslím že to jsou 2 sec) a rozjedou pohyb směrem k západu (RE1) pomocí RE3, vačka která je na vstupní hřídeli šnekové převodovky dokončí pohyb (cca 5 sec) a rozepne obvod. To v mém případě popojede asi o 9 úhlových stupňů k západu. Tyto cykly se opakují dokud nedojede traker na úplnou západní polohu (koncáky momentu západ a koncové polohy západ jsou spíše bezpečnostní). Na konci dne vyšlou hodinky dlouhý spínací impulz ( u mě asi 5min) a nejdříve se traker rozjede dál k západu ale pak zasáhne dvoustupňové časové relé, nejdřív rozepne Ret2 (6-8 sec), zastaví se pohyb a poté sepne Ret1 (10-12sec) a začne se traker otáčet na východ až ho zastaví koncák východní polohy ( u mě to trvá asi 2-3 minuty). poté vypne signál od hodinek a čeká se na ráno.
snad jsem to popsal srozumitelně, kdyžtak dovysvětlím
Pavel
dolní část schema je pro druhou osu, což asi není zajímavé pro toto uvažované použítí mamutího sledovače
snad jsem to popsal srozumitelně, kdyžtak dovysvětlím
Pavel
dolní část schema je pro druhou osu, což asi není zajímavé pro toto uvažované použítí mamutího sledovače
7,1kWp - 8x3 panely Renesola 240Wp, 2x3x235Wp lightway, 2xTristat TS60, trakční 48V 2x750Ah olovo, 2xměnič Studer XTM 4000, SDS Micro, solární dvouosý tracker se třemi panely
-
pkougl
- Příspěvky: 325
- Registrován: ned srp 05, 2012 10:41 am
- Reputace: 38
Re: 8,8kWp 3faz na trackeru
ještě doplním že pohon je průyslový pohon AUMA původně určen pro ovládání kulových ventilů (klapek), příkon cca 60W, foto níže
7,1kWp - 8x3 panely Renesola 240Wp, 2x3x235Wp lightway, 2xTristat TS60, trakční 48V 2x750Ah olovo, 2xměnič Studer XTM 4000, SDS Micro, solární dvouosý tracker se třemi panely
-
kvako1
- Příspěvky: 613
- Registrován: ned lis 11, 2018 5:18 pm
- Reputace: 122
Re: 8,8kWp 3faz na trackeru
pěkné, děkuju za schemu i fota.
i motor je celkem macík
ja mam nejsilnější 120W s krouťakem kolem 450Nm 
stím stykačem , poradí někdo ? dík
i motor je celkem macík
stím stykačem , poradí někdo ? dík
https://forum.mypower.cz/viewtopic.php?t ... &start=300
FVE 17kWp na trackeru, 3xpip5048 3faz, baterie li ion 1160Ah cca 60kWh
FVE 17kWp na trackeru, 3xpip5048 3faz, baterie li ion 1160Ah cca 60kWh
-
rva
- Příspěvky: 4528
- Registrován: úte dub 23, 2013 10:21 am
- Reputace: 824
- Lokalita: Kousek od Lysé nad Labem
- Systémové napětí: 48V
- Výkon panelů [Wp]: 46000
- Kapacita baterie [kWh]: 40
- Chci prodávat energii: NE
- Chci/Mám dotaci: NE
- Bydliště: Kousek od Lysé nad Labem
Re: 8,8kWp 3faz na trackeru
Stykač bych dimenzoval minimálně na jistič před ním a ne za ním - pro případ zkratu na výstupu stykače. Jinak nějaké spotřeby čínských stykačů jsem měřil na https://forum.mypower.cz/viewtopic.php?f ... %8D#p70776
_______________________________________________________________________
43 kWp, LiFePO4 62 kWh,
EPSolar 60 A/150 V ET6415N + 3x Isolar SM II (5 kW, 450 V, 80 A) + Axpert PIP 5048MS
43 kWp, LiFePO4 62 kWh,
EPSolar 60 A/150 V ET6415N + 3x Isolar SM II (5 kW, 450 V, 80 A) + Axpert PIP 5048MS
-
kvako1
- Příspěvky: 613
- Registrován: ned lis 11, 2018 5:18 pm
- Reputace: 122
Re: 8,8kWp 3faz na trackeru
děkuju moc , ve vlákně jsem našel vše co potřebuju.
zatím jsem vybral tenhle .
https://download.schneider-electric.com ... _DATASHEET
zatím jsem vybral tenhle .
https://download.schneider-electric.com ... _DATASHEET
https://forum.mypower.cz/viewtopic.php?t ... &start=300
FVE 17kWp na trackeru, 3xpip5048 3faz, baterie li ion 1160Ah cca 60kWh
FVE 17kWp na trackeru, 3xpip5048 3faz, baterie li ion 1160Ah cca 60kWh
-
kvako1
- Příspěvky: 613
- Registrován: ned lis 11, 2018 5:18 pm
- Reputace: 122
Re: 8,8kWp 3faz na trackeru
Ahoj, tak jsem tu opět z dotazem.
Přišel mi z CN bespečnostní obvod BMS.
jsem stoho ale poněkuť rozladěn
Plošky pro připojení jsou častečně přecinované takže tam nepujde přišroubovat oka, ktere jsem si chtěl vyrobit namíru.
Přikladám fotky. nevím jak tam tedy připojit ten vodič . Potřebuju tam narvat 50 tku, minimalně.
Ty díry do štverce jsou pocinované zespodu. Je to hrbaté s rozdílem skoro 1mm takže tam nebude sedět hlava šroubku..
A teť co stím ?
BMS by mělo být na 300A
to budou asi dymové signály jak to zapojím..
Omluvte kvalitu fotek
Přišel mi z CN bespečnostní obvod BMS.
jsem stoho ale poněkuť rozladěn
Plošky pro připojení jsou častečně přecinované takže tam nepujde přišroubovat oka, ktere jsem si chtěl vyrobit namíru.
Přikladám fotky. nevím jak tam tedy připojit ten vodič . Potřebuju tam narvat 50 tku, minimalně.
Ty díry do štverce jsou pocinované zespodu. Je to hrbaté s rozdílem skoro 1mm takže tam nebude sedět hlava šroubku..
A teť co stím ?
BMS by mělo být na 300A
Omluvte kvalitu fotek
https://forum.mypower.cz/viewtopic.php?t ... &start=300
FVE 17kWp na trackeru, 3xpip5048 3faz, baterie li ion 1160Ah cca 60kWh
FVE 17kWp na trackeru, 3xpip5048 3faz, baterie li ion 1160Ah cca 60kWh
- peater
- Příspěvky: 249
- Registrován: pát bře 20, 2015 9:25 pm
- Reputace: 14
Re: 8,8kWp 3faz na trackeru
Ahoj já to mám podobně. Vzal jsem klasické měděné pocínované krimpovací oko a ten konec kam se strká kabel jsem zmačkl ve svěráku. Pak jsem to tam normálně napájel. Zatím žádný problém.
9000Wp, 48v, 2x Pip-5048 MK paralelně, Li-ion 470Ah, ICC monitoring, GreenBonO vytěžovač
https://pvoutput.org/list.jsp?userid=50768
https://pvoutput.org/list.jsp?userid=50768
-
kodl69
- Příspěvky: 8034
- Registrován: sob črc 19, 2014 8:56 pm
- Reputace: 1011
- Lokalita: severně od Brna
- Systémové napětí: 48V
- Výkon panelů [Wp]: 8kWp
- Kapacita baterie [kWh]: 12kWh
- Chci prodávat energii: NE
- Chci/Mám dotaci: NE
Re: 8,8kWp 3faz na trackeru
tady do těch děr připájej 4ks lankový dráty pár cm dlouhý, odhaduju že víc než CYa 6mm2 tam nevleze, na ně nalisuj ta oka , kterejma to spojíš s CYa50mm2. Ale tady bych 300A neměl odvahu pustit ani omylem. To je "smart BMS?" pošli odkaz... Tohle řešení je dobrý spíš do vozítek a pohybovadel, na doma ti odpojení baterky na přebití zničí MPPT regulátor. Potom jsou to vyhozený peníze, stačila ti BMS na 20A a vývodem BMS ovládat měnič případně shazovat jistič od panelů... Na přetížení jsou lepší pojistky. Jakej akupack bude mít 300A ochranu? - doufám, že aspoň 500Ah...
ostrov skoro 8kWp neustále ve stádiu zrodu: smartshunt(ex WBJR), MPPT150/45, MPPT 250/100(ex midnitesolar 150 clasic lite), 16S a různě P cca 340Ah Winston, MP II 5000,( ex Powerjack 8kW, ex samodomo cca 4kW). 48V DC rozvody a spotřebiče.
-
kvako1
- Příspěvky: 613
- Registrován: ned lis 11, 2018 5:18 pm
- Reputace: 122
Re: 8,8kWp 3faz na trackeru
https://de.aliexpress.com/item/1-teile- ... c1bab106-0
odkaz, koupil jsem ten same port 300A
Akupack bude mit 750Ah
je počitano z odběrem do 200A při max zátěži, spíš to bude ve špičce, chvilkově.
Dikes hoši za reakce
odkaz, koupil jsem ten same port 300A
Akupack bude mit 750Ah
je počitano z odběrem do 200A při max zátěži, spíš to bude ve špičce, chvilkově.
Dikes hoši za reakce
https://forum.mypower.cz/viewtopic.php?t ... &start=300
FVE 17kWp na trackeru, 3xpip5048 3faz, baterie li ion 1160Ah cca 60kWh
FVE 17kWp na trackeru, 3xpip5048 3faz, baterie li ion 1160Ah cca 60kWh
- NOPARasito
- Příspěvky: 2600
- Registrován: čtv črc 19, 2018 12:14 am
- Reputace: 192
- Bydliště: Vidiek, Trhanova Lhota
Re: 8,8kWp 3faz na trackeru
Toto i spickove 200A bude prda jako prase.
Pokud by jsi rekl trvale tak 50-70 spickove do 120-150 tak ano ale jak jsou dopojeny ty mista na propojeni tech kabelů??? Je to tam aspon zesileny nebo vetsi vrstvou pocinovany??
A kodl69 ti radi dobre, pokud dojde k nasilnemu odpojeni pri zatezi nemusi to dobre dopadnout, na 750Ah bych videl jako dobre reseni rozpakovat baterii po 250Ah a na kazdou vetev jednu BMS, ale to je jen muj osobni nazor
Jdou tam videt aspon propoje:
Pokud by jsi rekl trvale tak 50-70 spickove do 120-150 tak ano ale jak jsou dopojeny ty mista na propojeni tech kabelů??? Je to tam aspon zesileny nebo vetsi vrstvou pocinovany??
A kodl69 ti radi dobre, pokud dojde k nasilnemu odpojeni pri zatezi nemusi to dobre dopadnout, na 750Ah bych videl jako dobre reseni rozpakovat baterii po 250Ah a na kazdou vetev jednu BMS, ale to je jen muj osobni nazor
Jdou tam videt aspon propoje:
-
kvako1
- Příspěvky: 613
- Registrován: ned lis 11, 2018 5:18 pm
- Reputace: 122
Re: 8,8kWp 3faz na trackeru
jj jsou tam procinovane spoje, je tam odhadem tak 2,5mm2 měď ke každemu tiristoru a ještě na tom nakidaná asi tuna cínu.
je tam 30ks asi tiristor ? nevim nevyznam se vtom.
je tam 30ks asi tiristor ? nevim nevyznam se vtom.
https://forum.mypower.cz/viewtopic.php?t ... &start=300
FVE 17kWp na trackeru, 3xpip5048 3faz, baterie li ion 1160Ah cca 60kWh
FVE 17kWp na trackeru, 3xpip5048 3faz, baterie li ion 1160Ah cca 60kWh
- NOPARasito
- Příspěvky: 2600
- Registrován: čtv črc 19, 2018 12:14 am
- Reputace: 192
- Bydliště: Vidiek, Trhanova Lhota
Re: 8,8kWp 3faz na trackeru
Ok, ale stejne bych ji neprecenoval a 100A na ni bude tak akorat ( to budou trandaky,fety,mosfety - tak nejak bych to definovalkvako1 píše:jj jsou tam procinovane spoje, je tam odhadem tak 2,5mm2 měď ke každemu tiristoru a ještě na tom nakidaná asi tuna cínu.
je tam 30ks asi tiristor ? nevim nevyznam se vtom.
-
kvako1
- Příspěvky: 613
- Registrován: ned lis 11, 2018 5:18 pm
- Reputace: 122
Re: 8,8kWp 3faz na trackeru
pokusil jsem se to vyfotit, rozebrat to nejde, musel bych tam rozpajet spoje.
koncepci už měnit nebudu, už mam vše vyrobene,
koncepci už měnit nebudu, už mam vše vyrobene,
https://forum.mypower.cz/viewtopic.php?t ... &start=300
FVE 17kWp na trackeru, 3xpip5048 3faz, baterie li ion 1160Ah cca 60kWh
FVE 17kWp na trackeru, 3xpip5048 3faz, baterie li ion 1160Ah cca 60kWh
- NOPARasito
- Příspěvky: 2600
- Registrován: čtv črc 19, 2018 12:14 am
- Reputace: 192
- Bydliště: Vidiek, Trhanova Lhota
Re: 8,8kWp 3faz na trackeru
Snad vydrzi, ja uz s nejvetsi pravdepodobnosti desku menice 48/230V neplanovanym odpojenim odpalil, tak doufam tobe se to nestane ;-(. U me to neodpojila ale BMS, ale nejakej i..ot, a ten jsem byl sam osobne.
I kdyz tu nekdo rikal ze to Axpert prezije bez uhony u me neprezil. Trandaky ve zkratu a na fotce jde videt kterym jsem to odhalil.
11/2016 se osudna vec stala
I kdyz tu nekdo rikal ze to Axpert prezije bez uhony u me neprezil. Trandaky ve zkratu a na fotce jde videt kterym jsem to odhalil.
11/2016 se osudna vec stala
Kdo je online
Uživatelé prohlížející si toto fórum: Claudebot [Bot], jahodovák a 0 hostů
