Manuální přepínání sítí co s ochraným vodičem?

Uživatelský avatar
Toul
Příspěvky: 321
Registrován: čtv dub 21, 2011 2:46 pm
Reputace: 3

Manuální přepínání sítí co s ochraným vodičem?

Nový příspěvek od Toul »

Ahoj,
vím že se to tu řešilo, četl jsem to, a stále si nejsem jistej a bojím se zničení měniče.

Řeším manuální přepínání sítě vs. měnič Victron a nevím co si počít s ochraným vodičem pe (ŽLUTOZELENÝ).

Bude správné zapojení:
přepínám L+N samozřejmě s mezistupněm odpojení. PE (žlutozelený) spojím od DS, od zařízení a od měniče + ukostřím tělo měniče a přepnu v něm propoj na " Výstupní nulový vodič připojený k uzemnění".
Tedy PE nepřepínám a je trvale propojený mezi DS, měničem a zařízením?

Bude to funkční?
Díky za rady:-)
Uživatelský avatar
Viktor X
Příspěvky: 115
Registrován: čtv črc 16, 2015 12:56 pm
Reputace: 5
Bydliště: Praha a okolí

Re: Manuální přepínání sítí co s ochraným vodičem?

Nový příspěvek od Viktor X »

PE bych nechal propojené; neznám Victron, ale vypadá to, že "propoj na Výstupní nulový vodič připojený k uzemnění" ti propojí PE měniče s N na PEN, takže vznikne soustava TN-C a přijdeš o možnost použít proudový chránič; asi bych "propoj" nepoužil.
sitra
Příspěvky: 290
Registrován: ned led 25, 2015 12:28 pm
Reputace: 22

Re: Manuální přepínání sítí co s ochraným vodičem?

Nový příspěvek od sitra »

PE musí být vždy PE, nejistit, nespínat, spojit s centrální zemí!
N je stále N, lze odpojovat společně s fázovým vodičem!
TN-C být může, ale ne v síťi kde už jednou bylo rozděleno rozděleno TN-S!
Chránič může být zapojen v TN-C, ale z něj už leze TN-S!
RT E2A, Certifikace ČFA, FVE experiment od roku 2015, zpracování projektové dokumentace Victron.
ostrov - Victron 3x Multiplus II 48/5000, Longi 16x455Wp, CERBO GX, GX Touch 50, Pylontech 5x US3000C...
Uživatelský avatar
ota
Příspěvky: 2297
Registrován: čtv dub 18, 2013 9:37 am
Reputace: 514
Bydliště: na chaloupce u lesa-Příbramsko

Re: Manuální přepínání sítí co s ochraným vodičem?

Nový příspěvek od ota »

Axpert řeším tak, že jsem spojil N+PE vstupní i výstupní v rozvaděči Axperta. Přepínám pouze fázi vstup a výstup.

Pokud by se toto řešení někomu zdálo málo košer, tak lze přepínat i nulák ale zem je prostě zem, tam není co přepínat a správně by měly být spojené do jednoho uzlu.
70kWp + 10kW Infinity, 25kWh LiFe
Uživatelský avatar
abrams
Příspěvky: 2774
Registrován: ned črc 17, 2011 12:19 pm
Reputace: 427
Lokalita: Brno
Bydliště: Brno

Re: Manuální přepínání sítí co s ochraným vodičem?

Nový příspěvek od abrams »

Zdravím ,

pro úplnost popis posloupnosti , Máš to takhle ? :
od halvního jističe s DS hodinami 1xL (3xL) + PEN :arrow: rozvaděč s přepínáním , do téhož místa vede výstup z měniče 1xL + PEN a za přepínáním následuje proudový chránič který rozdělí PEN na N + PE , pak rozptyl do jističů ? Pokud ano , tak je zapotřebí přepínat pouze fázi(e) . Z DS lezou jen fáze + PEN . Měniče umí to samé - L + PEN = druhá DS .

Nic složitého na tom není ;) , právě sem toto řešil u Hurayze ::rolleyes:: .

Elektronům zdar *cloud*
3,96kWp monokrystalů + 2x regl PCM60X + 24kWh LiFePO4 + 6kW HF sínus měnič 48MWh+ , celé na 52V systému .
Chibi v textu vyhrazeny :D
Uživatelský avatar
Toul
Příspěvky: 321
Registrován: čtv dub 21, 2011 2:46 pm
Reputace: 3

Re: Manuální přepínání sítí co s ochraným vodičem?

Nový příspěvek od Toul »

A zase v tom začínám mít gulášek:-)
Od jističe DS mě vede 1x L (hnědá) N (modrá) a PE (žluto zelená)
Od měniče mám natažen také 1x L, N, PE
A samozřejmě spotřebič má také L,N, PE

Tak jsem si říkal že PE propojím a budu přepínat pouze L společně s N.
Proudový chránič za přepínačem nemám.
Uživatelský avatar
Viktor X
Příspěvky: 115
Registrován: čtv črc 16, 2015 12:56 pm
Reputace: 5
Bydliště: Praha a okolí

Re: Manuální přepínání sítí co s ochraným vodičem?

Nový příspěvek od Viktor X »

Nepoužít propojku, spojit PE a přepínat F a N něčím jako https://forum.mypower.cz/viewtopic.php?f=20&t=2646. Obavám se, že při spojení PEN by obecně u některých měničů nemuselo být zaručeno galvanicke oddělení FV od DS, je to jen můj názor.
Uživatelský avatar
abrams
Příspěvky: 2774
Registrován: ned črc 17, 2011 12:19 pm
Reputace: 427
Lokalita: Brno
Bydliště: Brno

Re: Manuální přepínání sítí co s ochraným vodičem?

Nový příspěvek od abrams »

Zdravím ,

se mi nějak nezdá aby z DS šli L + N + PE :sm1: protože vedení DS jsou tři fáze + PEN "vzniklá" u trafostanice a každých cca 100m uzeměná . N umí "udělat" jen proudový chránič rozdělením PEN na N + PE .

PEN není výlučnou součástí DS na úrovni fáze(í) :arrow: ke galvanickému oddělení a zamezení jakýchkoli nežádoucích vlivů (neodebírání el. z DS je žádoucí ;) ) FVE systému , přesnějí měniče na DS plně umožní přepínání pouze fází . V Toulově případě mi není moc jasné , kde se bere N vodič z hodin a hlavního jističe :dontknow: . Toto si dovedu představit u domu s jedním hlavním jističem + proudovým chráničem a u každého bytu podružný jistič + N + PE ... jenže ani tohle mi nepřipadá moc košér dle norem :sm1: .
Ikdyž , jak o tom teď přemýšlím , doma to takto vlastně mám :shock: 6kW měnič = L + PEN , DS = L + PEN :arrow: přepínač :arrow: proudový chánič = L + N + PE :arrow: spotřebiče . 500W měnič v mini FVE 125Wp na kuří noze mám přepínaný obyč relátkem s AC 230V cívkou se dvama přepínacími kontakty přepínající současně jak L tak i N , PE je nepřerušen = při chodu 500W měniče nejsou jím napájené spotřebiče chráněny domovním proudovým chráničem :eek2: ::facepalm:: .
Zpět k přepínání , pokud bych v domácí soustavě TN-s připojil 500W měnič jen přepínáním fáze a N i PE nechal přímo , tak by zřejmě okamžitě vybavil proudový chránič .

Elektronům zdar *cloud*
3,96kWp monokrystalů + 2x regl PCM60X + 24kWh LiFePO4 + 6kW HF sínus měnič 48MWh+ , celé na 52V systému .
Chibi v textu vyhrazeny :D
Uživatelský avatar
Toul
Příspěvky: 321
Registrován: čtv dub 21, 2011 2:46 pm
Reputace: 3

Re: Manuální přepínání sítí co s ochraným vodičem?

Nový příspěvek od Toul »

No bude to tím že bydlím v paneláku a ne v RD. Tedy v bytě mám právě onen podružný jistič. A v bytě mám nově dělané rozvody třemi vodiči.
Uživatelský avatar
abrams
Příspěvky: 2774
Registrován: ned črc 17, 2011 12:19 pm
Reputace: 427
Lokalita: Brno
Bydliště: Brno

Re: Manuální přepínání sítí co s ochraným vodičem?

Nový příspěvek od abrams »

Jenže centrální proudový chránič na celou sroupačku by znamenal při poruše třeba u tebe , výpadek el. u všech ostatních sousedů napojených na onom proudovém chrániči :!: . Proto bys měl mít svůj vlastní proudový chránič (dále jen fíčko) buď v bytové rozvodnici , nebo veňku u hodin ... v jednofázovém provedení je široký jako dva 1f jističe (35mm) s jednou páčkou a jedním tlačítkem označeným "TEST" .
Je-li u hodin :arrow: budeš muset přepínat jak L tak i N , ale tím bude stávající fíčko vyřazeno z ochranné činnosti = nutné ozazení druhého fíčka za přepínání .
Je-li stávající fíčko v bytovém rozvaděči :arrow: přepínání by mělo být realizovatelné před ním a to jen na fázovém vodiči ;) . Kdyžtak postni foto situace :idea: .

Elektronům zdar *cloud*
3,96kWp monokrystalů + 2x regl PCM60X + 24kWh LiFePO4 + 6kW HF sínus měnič 48MWh+ , celé na 52V systému .
Chibi v textu vyhrazeny :D
Uživatelský avatar
Viktor X
Příspěvky: 115
Registrován: čtv črc 16, 2015 12:56 pm
Reputace: 5
Bydliště: Praha a okolí

Re: Manuální přepínání sítí co s ochraným vodičem?

Nový příspěvek od Viktor X »

abrams píše:
N umí "udělat" jen proudový chránič rozdělením PEN na N + PE
Je to trochu jinak, N vzniká v "bodě rozdělení" nebo jak tomu říkají, kde se rozdělí na část PE a N; jde o to, že PE částí už neteče silový proud, zatímco N částí ano, takže síť TN-S vytvořím tímto rozdělením a proudový chránič je jen (dnes už povinná) šikovná fičura, kterou nebylo nutné použít, zapojená až za tímto rozdělením.
U nás jde od hodin s hlavním jističem na chodbě (paneláku) 3xF + PEN do bytového rozvaděče, (F do proudových chráničů a jističů přes hřeben, jedu na TN-C-S, ale o to teď nejde) PEN doprostřed sběrnice, a teď - na jednu stranu pokračuje jako PEN pro starý rozvod TN-C, a dál už pokračuje jen jako N do chráničů pro nově rekonstruované jádro a pár zásuvek. Od přívodu PEN na druhou stranu jde již o sběrnici PE, pro jádro TN-S a pár zásuvek, takže můj "bod rozdělení" je oblast mezi PEN vstupem a posledním PEN výstupem; někde se realizuje třeba tak, že se PEN přívod protáhne sběrnicemi, kde první se použijí jako N a ty konečné, kam PEN přívod směřuje, jako PE, takže "bodem rozdělení" bude ten kus drátu mezi N a PE sběrnicemi.
Uživatelský avatar
abrams
Příspěvky: 2774
Registrován: ned črc 17, 2011 12:19 pm
Reputace: 427
Lokalita: Brno
Bydliště: Brno

Re: Manuální přepínání sítí co s ochraným vodičem?

Nový příspěvek od abrams »

Viktor X píše:
abrams píše:
N umí "udělat" jen proudový chránič rozdělením PEN na N + PE
Je to trochu jinak, N vzniká v "bodě rozdělení" nebo jak tomu říkají, kde se rozdělí na část PE a N; jde o to, že PE částí už neteče silový proud, zatímco N částí ano, takže síť TN-S vytvořím tímto rozdělením a proudový chránič je jen (dnes už povinná) šikovná fičura, kterou nebylo nutné použít, zapojená až za tímto rozdělením.
U nás jde od hodin s hlavním jističem na chodbě (paneláku) 3xF + PEN do bytového rozvaděče, (F do proudových chráničů a jističů přes hřeben, jedu na TN-C-S, ale o to teď nejde) PEN doprostřed sběrnice, a teď - na jednu stranu pokračuje jako PEN pro starý rozvod TN-C, a dál už pokračuje jen jako N do chráničů pro nově rekonstruované jádro a pár zásuvek. Od přívodu PEN na druhou stranu jde již o sběrnici PE, pro jádro TN-S a pár zásuvek, takže můj "bod rozdělení" je oblast mezi PEN vstupem a posledním PEN výstupem; někde se realizuje třeba tak, že se PEN přívod protáhne sběrnicemi, kde první se použijí jako N a ty konečné, kam PEN přívod směřuje, jako PE, takže "bodem rozdělení" bude ten kus drátu mezi N a PE sběrnicemi.
Zdravím ,

popis naprosto do detailu ::rolleyes:: . Laický amatér jako já si to představuji zjednodušeněji : před fíčkem je L (3xL) + PEN alias TN-C a za fíčkem je L (3xL) + N + PE alias TN-S ;) .

Elektronům zdar *cloud*
3,96kWp monokrystalů + 2x regl PCM60X + 24kWh LiFePO4 + 6kW HF sínus měnič 48MWh+ , celé na 52V systému .
Chibi v textu vyhrazeny :D
PavelR
Příspěvky: 3546
Registrován: ned led 29, 2012 3:59 pm
Reputace: 265
Lokalita: Žabčice
Systémové napětí: 48V
Výkon panelů [Wp]: 29139
Kapacita baterie [kWh]: 65
Chci prodávat energii: ANO
Chci/Mám dotaci: NE

Re: Manuální přepínání sítí co s ochraným vodičem?

Nový příspěvek od PavelR »

jen bych rekl ze sit TN-S vznika pouze tim rozdelenim ficko tu sit nevytvari je to jen ochranny prvek. Ochrana uvedenim na stejny potencial je i bez ficka pres vodic PE.

Misto rozdeleni by take melo byt napojeno na hlavni uzemeni domu pokud si dobre vzpominam.
Uživatelský avatar
abrams
Příspěvky: 2774
Registrován: ned črc 17, 2011 12:19 pm
Reputace: 427
Lokalita: Brno
Bydliště: Brno

Re: Manuální přepínání sítí co s ochraným vodičem?

Nový příspěvek od abrams »

U Toula je směrodatné , kde má fíčko :arrow: pak můžeme radit konkrétněji ;) .

Elektronům zdar *cloud*
3,96kWp monokrystalů + 2x regl PCM60X + 24kWh LiFePO4 + 6kW HF sínus měnič 48MWh+ , celé na 52V systému .
Chibi v textu vyhrazeny :D
Uživatelský avatar
Toul
Příspěvky: 321
Registrován: čtv dub 21, 2011 2:46 pm
Reputace: 3

Re: Manuální přepínání sítí co s ochraným vodičem?

Nový příspěvek od Toul »

Tak ještě upřesnění:
z chodby (jistič+hodiny) vedou pouze dva dráty. V bytové rozvodné skříni je to z dvou drátů "rozdvojeno" na tři. A to vše bez fíčka, rozvod je z r. 2005 kdy bylo fíčko povinné pouze pro koupelnu kde h i mám.
Další upřesnění.. nechci přepínat celý byt, ale pouze jednu zásuvku na které je lednice a TV. Tedy do této zásuvky vede TN-S rozvod chráněný pouze jističem.
Uživatelský avatar
tomas
Příspěvky: 2578
Registrován: pon bře 07, 2011 11:05 am
Reputace: 243
Bydliště: Třinec

Re: Manuální přepínání sítí co s ochraným vodičem?

Nový příspěvek od tomas »

abrams píše:
popis naprosto do detailu ::rolleyes:: . Laický amatér jako já si to představuji zjednodušeněji : před fíčkem je L (3xL) + PEN alias TN-C a za fíčkem je L (3xL) + N + PE alias TN-S ;) .

Elektronům zdar *cloud*
Ne, před i za proudovým chráničem je stejná síť. Já používám proudové chrániče i v síti TNC, ale PEN se nesmí rozpínat ani jistit, takže se dají použít buď speciální proudové chrániče (které nevypínají PEN) nebo klasické proudové chrániče ale pouze pro spotřebiče které nepoužívají nulák (pracovní PEN) například motory.
Místo rozdělení PEN na PE + N (tedy přechod TNC na TNS) musí být uzemněné.
Chci elektrárnu s licencí a s prodejem přebytků nebo komunitní výměnou energie: ANO
Uživatelský avatar
gupa
Příspěvky: 3523
Registrován: sob pro 29, 2012 10:22 pm
Reputace: 160
Lokalita: pod Brnem
Systémové napětí: 24V

Re: Manuální přepínání sítí co s ochraným vodičem?

Nový příspěvek od gupa »

No a není to příchozí uzemnění - zelenožlutý tažený jinudy a nachází se tedy až na svorkovnici (zemnící ochranný můstek) na rozváděči bytu? Pokud ano, na Victrona se zvenku (Groud) připojí v tom případě zem-zelenožlutý ze zásuvky, k přepínači jdou fáze a nula a odchozí zem z měniče se může eventuálně propojit s příchozí zemí. Za měnič a případně propojení zemnícího vodiče, potom může dojít další proudový chránič, ale pro lednici a TV bych ho nedával.

Verze malých měničů 230V by se neměly automaticky propojovat zelenožlutý a zem s modrým - nulou. 120V americké verze to propojování dle návodu v angličtině dělají.

Compacty se přes VE configure programují a ta možnost je umne nepropojena, jinak mi vypne první proudový chránič a odpojím se tak nechtěně od hodin a DS. Druhý proudový chránič v případě výroby el. energie měniči a ochrany, je za měniči.
3x2000VA-VMP-par, NiCd 24V, 22x210-320Wp, 2x85A-VMPPT, ABC-&-XYZ mypower.cz Ať ti to běží jako hodinky na baterku s čerstvou expirací! Zdejší slova: To by bylo, abychom na tom šetření nevydělali!
Uživatelský avatar
Viktor X
Příspěvky: 115
Registrován: čtv črc 16, 2015 12:56 pm
Reputace: 5
Bydliště: Praha a okolí

Re: Manuální přepínání sítí co s ochraným vodičem?

Nový příspěvek od Viktor X »

Toul - pokud jde zásuvka do rozvaděče, tak před jističem zásuvky přepínat F a N přepínačem ala viz odkaz co jsem dával, PE měniče (nepoužít tu propojku PE-N na měniči) přivést na PE do rozvaděče. Jestli se to větví někde po cestě, asi místo zásuvky dát krabici a přepínat to tam v krabici, ale nevím, zda by bylo korektní PE měniče píchnout do té krabice (nebo by se mělo táhnout do rozvaděče, přeci jen jde o zdroj a ne spotřebič) ale snad ano... v každém případě by to měl dělat elektrikář a po dokončení by měl vystavit kladnou revizi :lol:
Jen bych ještě upřesnil sám sebe, že pokud se při rozdělení PEN přívod vede PE a N sběrnicemi, první se použije PE a druhá N, kvůli snadnějšímu rozdělení při ověřování izolačního stavu.
Uživatelský avatar
Toul
Příspěvky: 321
Registrován: čtv dub 21, 2011 2:46 pm
Reputace: 3

Re: Manuální přepínání sítí co s ochraným vodičem?

Nový příspěvek od Toul »

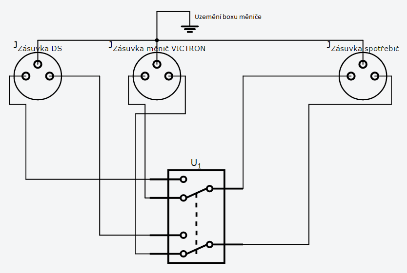
Možná si to představuju moc jednoduše, zkrátka neodpálím měnič tímto zapojením?
schema.png
Uživatelský avatar
abrams
Příspěvky: 2774
Registrován: ned črc 17, 2011 12:19 pm
Reputace: 427
Lokalita: Brno
Bydliště: Brno

Re: Manuální přepínání sítí co s ochraným vodičem?

Nový příspěvek od abrams »

Toul píše:
Možná si to představuju moc jednoduše, zkrátka neodpálím měnič tímto zapojením?
schema.png
Zdravím ,

to je přesně vono :yes: . Nejsou-li přepínané spotřebiče chráněny fíčkem , tak je jedno jestli jedou na DS či měnič :lol: .

Elektronům zdar *cloud*
3,96kWp monokrystalů + 2x regl PCM60X + 24kWh LiFePO4 + 6kW HF sínus měnič 48MWh+ , celé na 52V systému .
Chibi v textu vyhrazeny :D

Kdo je online

Uživatelé prohlížející si toto fórum: Claudebot [Bot] a 0 hostů