Kombinace lázeňských kamen a boileru
Souhrn tématu
Diskuze se zaměřuje na ideální a bezpečné zapojení kombinace lázeňských kamen a boileru v ostrovním systému s proměnlivými podmínkami podle ročního období. Autor popisuje svou představu variabilního systému, který umožňuje odpojit boiler nebo lázeňská kamna podle potřeby a využít přebytky energie z FVE. Komunita radí ohledně vhodných komponent, ventilů a bezpečnostních prvků, zároveň se řeší otázky měření teplot a optimálního umístění čidel.
-
jirkam
- Příspěvky: 5
- Registrován: stř úno 27, 2013 4:36 pm
- Reputace: 0
Re: Kombinace lázeňských kamen a boileru
Ten plánek nic neřeší, jsou to vlastně dva okruhy. Zapojit jak píše PavelR a vysrat se na tlakový hadice, drahý a nestabilní, jen plast. Ted' dělám koupelnu a zapojil jsem jí taky na předokruh, teda připravil. Jednoduše na pár měsíců půjde voda z prvního bojleru na půdě, tam se bude předehřívat, čekám 20% úsporu. Materiál tak za 1200/délka vedení 13 metrů/ a bojler někde vysomruju.
- gupa
- Příspěvky: 3689
- Registrován: sob pro 29, 2012 10:22 pm
- Reputace: 169
- Lokalita: pod Brnem
- Systémové napětí: 24V
Re: Kombinace lázeňských kamen a boileru
Hlavně to zapojit se spádem, když se odebéřeš na delší dobu pryč, aby stačilo otevřít a odvodnit, skládat jak kanálové trubky. Plastové kolena jsem slyšel, že nesmí být při vaření zmrzlé jinak prasknou. Přepojování do série nebo paralelně je neobvyklé ale není to zase tak hrozné, stejně tak i kombinace s více zdroji vody nebo větvení pro dlší zdroje. Mám v hlavě i levné chladiče pro VF panely, které by zvyšovaly výrobu a předehřívaly vodu. Jen ten čas, ten letí a tvořím pomaleji než myslím.
3x2000VA-VMP-par, NiCd 24V, 22x210-320Wp, 2x85A-VMPPT, ABC-&-XYZ mypower.cz Ať ti to běží jako hodinky na baterku s čerstvou expirací! Zdejší slova: To by bylo, abychom na tom šetření nevydělali!
-
drama
- Příspěvky: 1001
- Registrován: čtv črc 28, 2011 12:01 pm
- Reputace: 20
Re: Kombinace lázeňských kamen a boileru
Z vlastni zkušenosti potvrzuji, že v této konfiguraci přetlakový ventil není třeba, protože domácí vodárna zafunguje jako expanzní nádoba. Nevýhoda sériového spojení je ta, že v zimě bude třeba odpustit hrozně moc vody než přiteče teplá. Letní předehřátí v lázeňských kamnech také asi nebude třeba, protože k tomu dojde v nějaké mezinádrži, která tam tuším je použita (nebo ne?). Osobně bych to zapojil stejně jako to mám doma tzn. výstup z bojleru resp. lázeňských kamen přepínat (manuálním) trojcestným ventilem. Ušetří se tak za dvojité trubky atd.
-
střídač
- Příspěvky: 544
- Registrován: stř led 02, 2013 4:28 pm
- Reputace: 17
Re: Kombinace lázeňských kamen a boileru
Nepochopení vždy vzniká z neujasněných pojmů, tudíž je upřesním.PavelR píše:nevim jestli bylo spravne pochopeno. doplnim.
Expanzomat, expanzní nádoba je k účelu vyrovnání dilatace ohřívané vody v teplovodním topném systému. Zde nic takového nemáme.
U vodovodního systému jsou termíny vzdušník, zásobník. Tyto slouží k vyrovnání tlaku tekoucí vody "z kohotku".
Zpětné ventily se používají v systémech kde chceme zabránit ovlivňování toku v jednotlivých větvích systému. Zde asi nic netřeba.
Přetlakový ventil slouží k ochraně systému proti vzrůstu tlaku nad přípustnou mez, při běžném provozu v nečinnosti.
Doplním, navrhl jsem trubky z plastu a to svařované a nabídl jsem nezištnou pomoc včetně vlastní svářečky. Plast + šroubované spoje mají dvě nevýhody. Cena, vyšší o dost a šroubovaný spoj je vždy náchylný k úniku.
No a v tento okamžik vše záleží na přání majitele.
Jde o 2 až 6 ventilů a několik metrů plastové trubky dle rozmístění jednotlivých komponent. Přirozeně "fitnky", patřičná šroubení a 3-4 hod pracovního času..
- mypower.cz
- R.I.P.
- Příspěvky: 4895
- Registrován: pát bře 04, 2011 11:36 am
- Reputace: 522
Re: Kombinace lázeňských kamen a boileru
Abramsova modifikace:
----
----
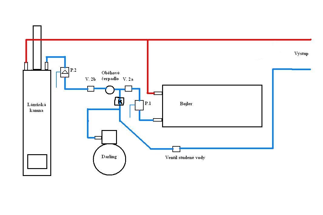
Asi nejlepší bude pevné potrubí z trubek plast-hliník-plast a přípoje hadicemi . Trubky lépe vypadají a jsou termo-izolovanější než hadice .
Tohle umožní vybrat si zdroj aniž by se teplá voda míchala s neteplou , čerpadlem de kamnama natopit do zásoby bojler . Současně náhradou ventilů V.2a a V.2b za elektromagnetické ventily to celé pude automatizovat.
Zpětný bezpečnostní ventil u výstupu je pro sichr kdyby V.2a a V.2b byly zavřeny a
topilo se.
- kybos
- Příspěvky: 2836
- Registrován: sob zář 08, 2012 10:40 pm
- Reputace: 520
- Lokalita: Šternberk
- Systémové napětí: 48V
- Výkon panelů [Wp]: 15000
- Kapacita baterie [kWh]: 40
- Bydliště: v údolí mezi kopci
Re: Kombinace lázeňských kamen a boileru
Přetlakový ventil funguje i jako pojistka při selhání termostatu. Představte si, co se stane, když termostat nevypne. Exploze boileru dokáže odstřelit několik pater paneláku, chatičku by to mohlo rozložit na třísky. Ušetření přetlakového ventilu se mi nejeví jako úspora na správném místě i když je pravděpodobnost havárie relativně nízká.drama píše:přetlakový ventil není třeba, protože domácí vodárna zafunguje jako expanzní nádoba.
15 kWp JJZ + 3x Tristar MPPT60 + Victron 150/100 + 48V LiFePO 850 Ah + UPS 8kW (MPP-Solar 8048 LC) + 4 x nabíječka 1,2 kW (DELTA) Start: 2012
-
goodbie
- Příspěvky: 1464
- Registrován: pát bře 08, 2013 7:19 pm
- Reputace: 73
- Bydliště: Aš
Re: Kombinace lázeňských kamen a boileru
Přetlakový ventil bych dal na přívod studené vody bojlérů a zpětný ventil pře dněj a nemá to chybumypower.cz píše:Abramsova modifikace:
----
Asi nejlepší bude pevné potrubí z trubek plast-hliník-plast a přípoje hadicemi . Trubky lépe vypadají a jsou termo-izolovanější než hadice .
Tohle umožní vybrat si zdroj aniž by se teplá voda míchala s neteplou , čerpadlem de kamnama natopit do zásoby bojler . Současně náhradou ventilů V.2a a V.2b za elektromagnetické ventily to celé pude automatizovat.
Zpětný bezpečnostní ventil u výstupu je pro sichr kdyby V.2a a V.2b byly zavřeny a
topilo se.
-
jirkam
- Příspěvky: 5
- Registrován: stř úno 27, 2013 4:36 pm
- Reputace: 0
Re: Kombinace lázeňských kamen a boileru
Kdyz uz takhle, tak bych dal za teplou z bojleru kohout, misto toho pred vstupem studeny do bojleru.Ten je naprosto zbytecnej
- abrams
- Příspěvky: 2780
- Registrován: ned črc 17, 2011 12:19 pm
- Reputace: 427
- Lokalita: Brno
- Bydliště: Brno
Re: Kombinace lázeňských kamen a boileru
Zdravím ,
a co tohle : Potíž je ale to , že přetlakový ventil u bojleru nemůže mít zpětnou klapku
voda jím musí téci oběma směry .
Příklad havárie : selhání termostatu v bojleru - přetlak může ven přetlak. ventilem u bojleru i ventilem u kamen . Oba jsou na studené straně takže jimi bude unikat voda , nikoli pára .
Kohouty , ventily není dobré dávat na teplou stranu - těsnění kolem hřídele de brzy do kytek
. Což sem nedávno zjistil u domácího kotle ... dokud jsem nesáhl na páku dobrý , ale jak se pohla tak začal kapat
a to při tlaku 0,6bar .
Co a jak , uvidím zítra
.
Elektronům zdar
a co tohle : Potíž je ale to , že přetlakový ventil u bojleru nemůže mít zpětnou klapku
Příklad havárie : selhání termostatu v bojleru - přetlak může ven přetlak. ventilem u bojleru i ventilem u kamen . Oba jsou na studené straně takže jimi bude unikat voda , nikoli pára .
Kohouty , ventily není dobré dávat na teplou stranu - těsnění kolem hřídele de brzy do kytek
Co a jak , uvidím zítra
Elektronům zdar
3,96kWp monokrystalů + 2x regl PCM60X + 24kWh LiFePO4 + 6kW HF sínus měnič 48MWh+ , celé na 52V systému .
Chibi v textu vyhrazeny
Chibi v textu vyhrazeny
-
goodbie
- Příspěvky: 1464
- Registrován: pát bře 08, 2013 7:19 pm
- Reputace: 73
- Bydliště: Aš
Re: Kombinace lázeňských kamen a boileru
a proč nepoužít jeden přetlakový ventil na vstupu před čerpadlem pro oba zásobníky a zpětnou klapku pro jistotu aby se tlak nevracel do domácí vodárny???abrams píše:Zdravím ,
a co tohle : Potíž je ale to , že přetlakový ventil u bojleru nemůže mít zpětnou klapkuvoda jím musí téci oběma směry .
Příklad havárie : selhání termostatu v bojleru - přetlak může ven přetlak. ventilem u bojleru i ventilem u kamen . Oba jsou na studené straně takže jimi bude unikat voda , nikoli pára .
Kohouty , ventily není dobré dávat na teplou stranu - těsnění kolem hřídele de brzy do kytek. Což sem nedávno zjistil u domácího kotle ... dokud jsem nesáhl na páku dobrý , ale jak se pohla tak začal kapat
a to při tlaku 0,6bar .
Co a jak , uvidím zítra.
Elektronům zdar
- abrams
- Příspěvky: 2780
- Registrován: ned črc 17, 2011 12:19 pm
- Reputace: 427
- Lokalita: Brno
- Bydliště: Brno
Re: Kombinace lázeňských kamen a boileru
Zdravím ,
protože ventily V.2a a V.2b kterými se bude pouštět voda jen do kamen či bojleru nebo oba otevřeny kvůli cirkulaci mezi kamny a bojlerem
.
Elektronům zdar
protože ventily V.2a a V.2b kterými se bude pouštět voda jen do kamen či bojleru nebo oba otevřeny kvůli cirkulaci mezi kamny a bojlerem
Elektronům zdar
3,96kWp monokrystalů + 2x regl PCM60X + 24kWh LiFePO4 + 6kW HF sínus měnič 48MWh+ , celé na 52V systému .
Chibi v textu vyhrazeny
Chibi v textu vyhrazeny
-
goodbie
- Příspěvky: 1464
- Registrován: pát bře 08, 2013 7:19 pm
- Reputace: 73
- Bydliště: Aš
Re: Kombinace lázeňských kamen a boileru
ano asi to bude lepší řešení když náhodou někdo zavře oba kohouty a zatopí se to souhlasím pak ale na tom vstupu bych použil zpětnou klapku jinak se tlak bude vracet do domácí vodárny protože použití zpětných klapek v pojistných ventilech nebude možné kvůli čerpadlu aby mohlo cirkulovatabrams píše:Zdravím ,
protože ventily V.2a a V.2b kterými se bude pouštět voda jen do kamen či bojleru nebo oba otevřeny kvůli cirkulaci mezi kamny a bojlerem.
Elektronům zdar
-
goodbie
- Příspěvky: 1464
- Registrován: pát bře 08, 2013 7:19 pm
- Reputace: 73
- Bydliště: Aš
- abrams
- Příspěvky: 2780
- Registrován: ned črc 17, 2011 12:19 pm
- Reputace: 427
- Lokalita: Brno
- Bydliště: Brno
Re: Kombinace lázeňských kamen a boileru
Zdravím ,
domácí vodárna by fungovala jako expanzka
co vím tak se vyrábějí na provozní tlak až 10bar
pojišťováky kolem 6bar
takže by to neměl být problém
.
Elektronům zdar
domácí vodárna by fungovala jako expanzka
Elektronům zdar
3,96kWp monokrystalů + 2x regl PCM60X + 24kWh LiFePO4 + 6kW HF sínus měnič 48MWh+ , celé na 52V systému .
Chibi v textu vyhrazeny
Chibi v textu vyhrazeny
- gupa
- Příspěvky: 3689
- Registrován: sob pro 29, 2012 10:22 pm
- Reputace: 169
- Lokalita: pod Brnem
- Systémové napětí: 24V
Re: Kombinace lázeňských kamen a boileru
Pokud to pojede napoprvé bez vibrací, bude to dobré. Ty tlaky a přetoky tlaků jsou složité, máme jeden zdroj, dva ohřívané válce, jeden tlakový a jednu odpouštěcí větev se studenou. Známému jedna větev z t kusu kde není ohřívač rozvibruje čerpadlo tak, že čerpadlo se třepe, jako by se mělo uškubnout. Naštěstí jde do zahrady na zalívání a tu nepoužívá. Takže tak.
3x2000VA-VMP-par, NiCd 24V, 22x210-320Wp, 2x85A-VMPPT, ABC-&-XYZ mypower.cz Ať ti to běží jako hodinky na baterku s čerstvou expirací! Zdejší slova: To by bylo, abychom na tom šetření nevydělali!
-
007ToMMaS
- Příspěvky: 1095
- Registrován: sob zář 15, 2012 8:53 pm
- Reputace: 16
Re: Kombinace lázeňských kamen a boileru
Chcel by som sa spýtať nemá bojler aj výmeník na kotol? Teda dva vývody na teplú a studenú vodu? A osobne by som dal ventily aj pred bojler aj za bojler a tak isto aj pred kotol aj za kotol. Možno sa ma opýtate prečo. Dal by som to tam preto keby sa čosi v systéme mení a bojler je plný vody tak aby sa nemusel celý vypúšťať. Tak isto všetko ide ľahšie vymeniť a aj rýchlejšie keď sa s tým a s tým nemusí človek zdržiavať a vypúšťať v celom systéme vodu. A ak bojler nemá dva výmenníky tak by som zapojil vývod teplej vody z kotla na prívod studenej vody do bojlera cez trojcestný ventil. Teda dva vstupy a jeden výstup. Vstup1 studená voda .Vstup 2 Teplá voda z kotla. Výstup ventilu zapojený do vstupu bojleru. Tie ventily sa dajú kúpiť aj elektrické takže by sa to dalo zautomatizovať. Ak by bolo zlé počasie a kúrilo by sa tak by sa ventil otočil na cestu ->kotol->vstup bojlera. Ak by bolo naopak pekne tak ventil by sa otočil do polohy ->prívod studenej vody->vstup bojlera. Potom by bojler môhol byť dohrievaný prebytkami z FVE. Toť môj názor na to 
3,2kWp REC320NP - juh
3,6kWp - Phonosolar PS450M5GFH-24/TH- východ
2x IGridSV-IV5.6KW, 2x Li-ion - 48V / 156Ah =312Ah
3,6kWp - Phonosolar PS450M5GFH-24/TH- východ
2x IGridSV-IV5.6KW, 2x Li-ion - 48V / 156Ah =312Ah
-
007ToMMaS
- Příspěvky: 1095
- Registrován: sob zář 15, 2012 8:53 pm
- Reputace: 16
Re: Kombinace lázeňských kamen a boileru
Chcel by som sa spýtať nemá bojler aj výmeník na kotol? Teda dva vývody na teplú a studenú vodu? A osobne by som dal ventily aj pred bojler aj za bojler a tak isto aj pred kotol aj za kotol. Možno sa ma opýtate prečo. Dal by som to tam preto keby sa čosi v systéme mení a bojler je plný vody tak aby sa nemusel celý vypúšťať. Tak isto všetko ide ľahšie vymeniť a aj rýchlejšie keď sa s tým a s tým nemusí človek zdržiavať a vypúšťať v celom systéme vodu. A ak bojler nemá dva výmenníky tak by som zapojil vývod teplej vody z kotla na prívod studenej vody do bojlera cez trojcestný ventil. Teda dva vstupy a jeden výstup. Vstup1 studená voda .Vstup 2 Teplá voda z kotla. Výstup ventilu zapojený do vstupu bojleru. Tie ventily sa dajú kúpiť aj elektrické takže by sa to dalo zautomatizovať. Ak by bolo zlé počasie a kúrilo by sa tak by sa ventil otočil na cestu ->kotol->vstup bojlera. Ak by bolo naopak pekne tak ventil by sa otočil do polohy ->prívod studenej vody->vstup bojlera. Potom by bojler môhol byť dohrievaný prebytkami z FVE. Toť môj názor na to 
3,2kWp REC320NP - juh
3,6kWp - Phonosolar PS450M5GFH-24/TH- východ
2x IGridSV-IV5.6KW, 2x Li-ion - 48V / 156Ah =312Ah
3,6kWp - Phonosolar PS450M5GFH-24/TH- východ
2x IGridSV-IV5.6KW, 2x Li-ion - 48V / 156Ah =312Ah
-
brumlaj
- Příspěvky: 2462
- Registrován: ned kvě 12, 2013 2:24 pm
- Reputace: 259
Re: Kombinace lázeňských kamen a boileru
bojlerový přetlakový ventil už obsahuje zpětný ventil.goodbie píše:Přetlakový ventil bych dal na přívod studené vody bojlérů a zpětný ventil pře dněj a nemá to chybu
Moudrost nepřichází vždy s věkem, někdy věk přichází sám.
-
goodbie
- Příspěvky: 1464
- Registrován: pát bře 08, 2013 7:19 pm
- Reputace: 73
- Bydliště: Aš
Re: Kombinace lázeňských kamen a boileru
to ano ale kvůli přečerpávání teplé vody zde nepůjde použít voda by necirkulovala proto navrhuji tu zpětnou klapku jak je na obrázku.brumlaj píše:bojlerový přetlakový ventil už obsahuje zpětný ventil.goodbie píše:Přetlakový ventil bych dal na přívod studené vody bojlérů a zpětný ventil pře dněj a nemá to chybu
- abrams
- Příspěvky: 2780
- Registrován: ned črc 17, 2011 12:19 pm
- Reputace: 427
- Lokalita: Brno
- Bydliště: Brno
Re: Kombinace lázeňských kamen a boileru
Zdravím ,
Admin ještě dodělává co jsme nestihli
nepoteče-li to jako řešeto tak to bude fungovat dobře
.
Zda-li se Admin podělí o bližší informace
snad jó
.
jinak pěkně strávená sobota
.
Elektronům zdar
Admin ještě dodělává co jsme nestihli
Zda-li se Admin podělí o bližší informace
jinak pěkně strávená sobota
Elektronům zdar
3,96kWp monokrystalů + 2x regl PCM60X + 24kWh LiFePO4 + 6kW HF sínus měnič 48MWh+ , celé na 52V systému .
Chibi v textu vyhrazeny
Chibi v textu vyhrazeny
Kdo je online
Uživatelé procházející toto fórum: Claudebot [Bot], paeda
