Studer XTM/XTH - paralelné zapojenie
Souhrn tématu
Diskuze se věnuje paralelnímu zapojení meničů Studer XTM a XTH, řeší synchronizaci AC vstupů, přenos parametrů mezi master a slave jednotkami a správný postup při spuštění a odpojování meničů. Uživatelé sdílejí zkušenosti s istením, rozvodem fází a ochranou proti přetížení v jednofázových i třífázových instalacích, včetně tipů pro ostrovní provoz bez AC vstupu. Důraz je kladen na bezpečnost, správné dimenzování kabelů a praktické rady pro paralelní provoz v domácnostech i zahradních objektech.
- Xixan
- Příspěvky: 117
- Registrován: pát čer 05, 2020 7:09 am
- Reputace:4
Re: Studer XTM/XTH - paralelné zapojenie
Ahoj len na uistenie, studer xtm 4000 ma tranfer rele 50A. Cize dokaze zo svojho AC in vstupu tahat napr 30A (230v) z axperta 8kw a ktomu pripojit svojich 17A (230v)a moze tlacit do ac out az 47A (230v) . Chapem to spravne?
- bol-St
- Příspěvky: 328
- Registrován: čtv bře 20, 2014 7:20 am
- Reputace:33
- Lokalita: Opavsko
- Systémové napětí: 48V
- Výkon panelů [Wp]: 9375
- Kapacita baterie [kWh]: 30
- Chci prodávat energii: NE
- Chci/Mám dotaci: NE
- Bydliště: Hlučínsko
Re: Studer XTM/XTH - paralelné zapojenie
Ano na výstupu XTM 4000-48 může být těch 10 kW, při AC - in vstupu 30 A.
- dusanmsk
- Příspěvky: 582
- Registrován: pát říj 15, 2021 10:41 am
- Reputace:62
- Lokalita: Kladno
- Systémové napětí: 48V
- Výkon panelů [Wp]: 11250
- Kapacita baterie [kWh]: 19.2
- Chci prodávat energii: NE
- Chci/Mám dotaci: NE
Re: Studer XTM/XTH - paralelné zapojenie
Ahoj,
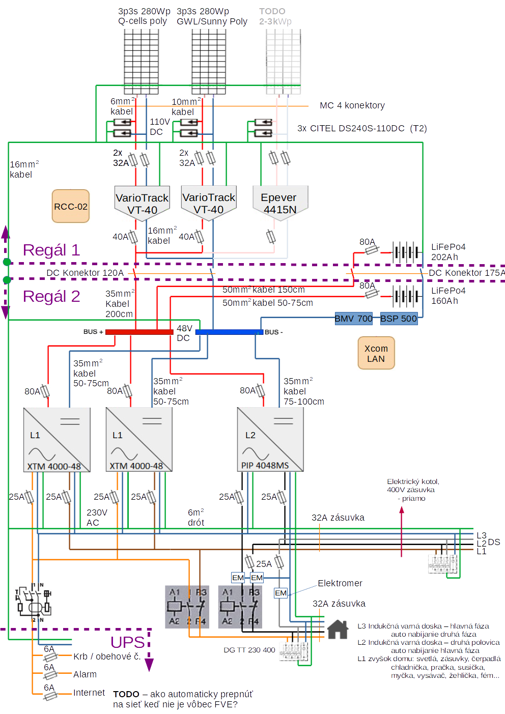
rozkreslujem si predbezne schemu zapojenia 2x XTM4000 do 3f baraku a neviem ake zvolit istenie pred a za xtm-kami. Nemate prosim niekto schemu o ktoru by ste sa mohli podelit?
Pozeral som do user manualu, tam pre paralelne zapojenie 1f vedu kable od xtm-iek na svorkovnicu a za nou je 1f istic.
Niektori tu na fore pisu, ze maju istic pre kazde xtm-ko (a spojene je to az za isticmi). Tak ako by to malo spravne byt? Ja osobne by som tiez istil hned za XTM-kom, takze 2 istice.
Hlavny rozvadzac mam dimenzovany na 3x 25A, 6mm2, takze toto musim dodrzat. 25A ale jedno xtm-ko vie v pohode poslat na vystup (ked si docucne, resp v mojom pripade by mohlo poslat az 25+17=42A). To je 84A jednofazovo. Jak toto nasledne rozdelit na rozvod 3x25, aby sa zaroven dodrzali nejak prierezy dratov a podobne?
Ak ma niekto cas, prilozil som predbeznu schemu, silova cast je od menicov smerom dole, jedna sa mi o istic medzi menicmi (?? A) a dimenzovanie vodicov medzi menicmi a prepinacom sieti.
EDIT - teraz mi to asi doslo - istic za xtm isti vlastne kabel medzi xtm a roztrojenim na 3f istici. Takze mozem dat kludne 32A istic, pouzit patricne hruby drat, spojit do seba a tromi 6tkami rozvetvit na 3f 3x25A istic. Je to tak?
Moznost 2 - este stale som na vazkach, ci namiesto 1f->3f neprejst s celym domom na 2 fazy (jednu nechat nevyuzitu). Znamenalo by to sice nemaly zasah do povodneho rozvadzaca a porozhadzovat L3 medzi L1 a L2, ale nemalemu zasahu by som sa tak ci tak nevyhol, pretoze v pripade 1f zdroja budem musiet povymienat niektore 3P istice za 4P (ochrana pretazenia N u cyky 5x2.5) - a to bude z priestorovych dovodov vacsi pruser (kdezto rozhadzat fazy ziaden dalsi priestor nevyzaduje). Zas na druhu stranu dedikovanim xtm-iek na vlastne fazy pridem o redundanciu v pripade smrti jedneho z menicov.
EDIT2 - alebo pridat este jeden sedondsol menic a mat to komplet 3f bez starosti...
Diky
rozkreslujem si predbezne schemu zapojenia 2x XTM4000 do 3f baraku a neviem ake zvolit istenie pred a za xtm-kami. Nemate prosim niekto schemu o ktoru by ste sa mohli podelit?
Pozeral som do user manualu, tam pre paralelne zapojenie 1f vedu kable od xtm-iek na svorkovnicu a za nou je 1f istic.
Niektori tu na fore pisu, ze maju istic pre kazde xtm-ko (a spojene je to az za isticmi). Tak ako by to malo spravne byt? Ja osobne by som tiez istil hned za XTM-kom, takze 2 istice.
Hlavny rozvadzac mam dimenzovany na 3x 25A, 6mm2, takze toto musim dodrzat. 25A ale jedno xtm-ko vie v pohode poslat na vystup (ked si docucne, resp v mojom pripade by mohlo poslat az 25+17=42A). To je 84A jednofazovo. Jak toto nasledne rozdelit na rozvod 3x25, aby sa zaroven dodrzali nejak prierezy dratov a podobne?
Ak ma niekto cas, prilozil som predbeznu schemu, silova cast je od menicov smerom dole, jedna sa mi o istic medzi menicmi (?? A) a dimenzovanie vodicov medzi menicmi a prepinacom sieti.
EDIT - teraz mi to asi doslo - istic za xtm isti vlastne kabel medzi xtm a roztrojenim na 3f istici. Takze mozem dat kludne 32A istic, pouzit patricne hruby drat, spojit do seba a tromi 6tkami rozvetvit na 3f 3x25A istic. Je to tak?
Moznost 2 - este stale som na vazkach, ci namiesto 1f->3f neprejst s celym domom na 2 fazy (jednu nechat nevyuzitu). Znamenalo by to sice nemaly zasah do povodneho rozvadzaca a porozhadzovat L3 medzi L1 a L2, ale nemalemu zasahu by som sa tak ci tak nevyhol, pretoze v pripade 1f zdroja budem musiet povymienat niektore 3P istice za 4P (ochrana pretazenia N u cyky 5x2.5) - a to bude z priestorovych dovodov vacsi pruser (kdezto rozhadzat fazy ziaden dalsi priestor nevyzaduje). Zas na druhu stranu dedikovanim xtm-iek na vlastne fazy pridem o redundanciu v pripade smrti jedneho z menicov.
EDIT2 - alebo pridat este jeden sedondsol menic a mat to komplet 3f bez starosti...
Diky
- Přílohy
Schematic_FVE_2022-05-27.pdf- (183.35 KiB) Staženo 299 x
30*375 Wp JJZ, 2xXTM4000, 2xVT-80, 4xUS5000
- oscar
- Příspěvky: 115
- Registrován: ned říj 14, 2018 6:53 am
- Reputace:22
Re: Studer XTM/XTH - paralelné zapojenie
Ahoj,
na inspiraciu: https://forum.mypower.cz/download/file. ... &mode=view
1) nemozes mat privedeny L1 na prve XTMko a L2 na druhe XTMko a potom to spojit do jednej ked mas jednofazovy dom, lebo ked pretazis menice, oni ti to cez transfer rele spoja dokopy a bude veselo.
2) neviem ake 3P istice mas, ale napr. indukcia bezne ide sice na 3P, ale je to realne max 7.4kw/230=32A, t.j. 2P*16A a mas jeden vodic (tretia faza) volny s cim mozes posilnit nulak (co asi malokto robi), alebo
2a) polku indukcie nechat na DS a naucit si zenu varit na FVE strane - ale ty chces 7kwp+ panely, tak je to blbost
2b) nastavit limit max 5kw na indukcii a uz nemas problem s kablom a setris aj menic aj baterky a zena realne nikdy nebude potrebovat max vykon
2c) ake dalsie spotrebice mas na 3P istice? To TC je 1-fazove?
ja sice mam 3x XTMko, ale stale mam 1F domacnost a jediny spotrebic co obcas prepinam na L2+L3 z DS je elektricky kotol (a zneho len vybrane fazy, nie cele pocas zimy) a zvysok ide na dedikovany L1*25A na FVE a je to v pohode.
na inspiraciu: https://forum.mypower.cz/download/file. ... &mode=view
1) nemozes mat privedeny L1 na prve XTMko a L2 na druhe XTMko a potom to spojit do jednej ked mas jednofazovy dom, lebo ked pretazis menice, oni ti to cez transfer rele spoja dokopy a bude veselo.
2) neviem ake 3P istice mas, ale napr. indukcia bezne ide sice na 3P, ale je to realne max 7.4kw/230=32A, t.j. 2P*16A a mas jeden vodic (tretia faza) volny s cim mozes posilnit nulak (co asi malokto robi), alebo
2a) polku indukcie nechat na DS a naucit si zenu varit na FVE strane - ale ty chces 7kwp+ panely, tak je to blbost
2b) nastavit limit max 5kw na indukcii a uz nemas problem s kablom a setris aj menic aj baterky a zena realne nikdy nebude potrebovat max vykon
2c) ake dalsie spotrebice mas na 3P istice? To TC je 1-fazove?
ja sice mam 3x XTMko, ale stale mam 1F domacnost a jediny spotrebic co obcas prepinam na L2+L3 z DS je elektricky kotol (a zneho len vybrane fazy, nie cele pocas zimy) a zvysok ide na dedikovany L1*25A na FVE a je to v pohode.
- dusanmsk
- Příspěvky: 582
- Registrován: pát říj 15, 2021 10:41 am
- Reputace:62
- Lokalita: Kladno
- Systémové napětí: 48V
- Výkon panelů [Wp]: 11250
- Kapacita baterie [kWh]: 19.2
- Chci prodávat energii: NE
- Chci/Mám dotaci: NE
Re: Studer XTM/XTH - paralelné zapojenie
Diky moc.
1. mas pravdu, kreslil som to do polnoci a uniklo mi transfer rele, to by bol pruser, diky opravim.
2. 3f mam indukciu (vlastne 2f), ale problem je asi len vyvod na zahradu, kam je pripojeny zahradny dom 5x2.5 3x16A. Ona tam taka zataz realne nebude, ale nahoda je blbec, v zahradaku mam pracovne zasuvky rozhodene do fazi, za zahradakom bazen (2.4 kW), staci nepozornost a v subehu tych 3x16A zatazim ako nic (bazen, kosacka a este nieco). Takze bud odpojim 2 fazy do zahradaku a pojdem 1x16 A, coz mi ale bude obcas malo a znemozni to 3f spotrebic navzdy, alebo dam 4P istic co isti aj nulak a spolahnem sa na to ze v pripade pretazenia vypne. Novy kabel tam tahat nechcem. Alebo spravim 3f fve.
Diky za pomoc, prekreslim.
1. mas pravdu, kreslil som to do polnoci a uniklo mi transfer rele, to by bol pruser, diky opravim.
2. 3f mam indukciu (vlastne 2f), ale problem je asi len vyvod na zahradu, kam je pripojeny zahradny dom 5x2.5 3x16A. Ona tam taka zataz realne nebude, ale nahoda je blbec, v zahradaku mam pracovne zasuvky rozhodene do fazi, za zahradakom bazen (2.4 kW), staci nepozornost a v subehu tych 3x16A zatazim ako nic (bazen, kosacka a este nieco). Takze bud odpojim 2 fazy do zahradaku a pojdem 1x16 A, coz mi ale bude obcas malo a znemozni to 3f spotrebic navzdy, alebo dam 4P istic co isti aj nulak a spolahnem sa na to ze v pripade pretazenia vypne. Novy kabel tam tahat nechcem. Alebo spravim 3f fve.
Diky za pomoc, prekreslim.
30*375 Wp JJZ, 2xXTM4000, 2xVT-80, 4xUS5000
- oscar
- Příspěvky: 115
- Registrován: ned říj 14, 2018 6:53 am
- Reputace:22
Re: Studer XTM/XTH - paralelné zapojenie
Bacha, v zahradaku ty nebudes mat nikdy plnohodnotne 3P, lebo to prve bude cez FVE niako posunute, ale vacsinou casu nesynchronizovane s DS L1, ked nato zapojis 3F motor, spalis ako ja ked zabudnes na "tajny prepinac"(spat na DS docasne), radsej zahradak prerob na 2F, budes mat cistych 2x16A a keby zacal hadzat istice, tak tam das 2x20A resp 2x25A (ten 5x25 kabel kratkodobo vydrzi aj viac)
- dusanmsk
- Příspěvky: 582
- Registrován: pát říj 15, 2021 10:41 am
- Reputace:62
- Lokalita: Kladno
- Systémové napětí: 48V
- Výkon panelů [Wp]: 11250
- Kapacita baterie [kWh]: 19.2
- Chci prodávat energii: NE
- Chci/Mám dotaci: NE
Re: Studer XTM/XTH - paralelné zapojenie
Nie som si isty ci rozumiem. Pokial budu 3 studery do 3f, nebudu voci sebe 120 stupnov? Ci myslis ze ked omylom zapojim 3f motor do 1f->3f rozvodu, tak ho odpalim? To je asi validny argument, ja o tom viem, pocitam s prepnutim na DS v takom pripade, ale riziko ze zabudnem prehodit na DS alebo ze to zapoji niekto neznaly v mojej nepritomnosti je nemale, to suhlas.
30*375 Wp JJZ, 2xXTM4000, 2xVT-80, 4xUS5000
- netko
- Příspěvky: 174
- Registrován: sob zář 01, 2012 12:43 am
- Reputace:10
- Lokalita: Orava
Re: Studer XTM/XTH - paralelné zapojenie
Dokaže pebytky tlačiť do siete ked ma nabite baterky?
- cipis
- Moderátor
- Příspěvky: 6999
- Registrován: pon srp 16, 2021 9:31 pm
- Reputace:984
- Lokalita: blízko Brna
- Systémové napětí: 24V
- Výkon panelů [Wp]: 13+ kWp
- Kapacita baterie [kWh]: 40+26
- Chci prodávat energii: NE
- Chci/Mám dotaci: NE
- Bydliště: blízko Brna
Re: Studer XTM/XTH - paralelné zapojenie
Tady nikdo přebytky do sítě tlačit nechce.
16+ kWp: 9850 Wp Jih, 2040 Wp Východ, 1490 Wp Západ, 2700 Wp mikroinvertory
Regulátory Epever a Victron
MP 24/5000 + Deye mikroinvertory 1+2,2 kW (můj byt + máti byt)
MP 24/1200 inet, sit, kamery atd.
Phoenix 24/5000 vytěžování do akumulačních kamen
Epever 3kW vytěžování do bojlerů + žebříky
1 kW "nabíječka" 24 V
40+ kWh staré olovo 26+ kWh Li-Ion
několik dalších MP jako záložní zdroje na různých místech
Modře píši jako moderátor, černě jako člen.
Regulátory Epever a Victron
MP 24/5000 + Deye mikroinvertory 1+2,2 kW (můj byt + máti byt)
MP 24/1200 inet, sit, kamery atd.
Phoenix 24/5000 vytěžování do akumulačních kamen
Epever 3kW vytěžování do bojlerů + žebříky
1 kW "nabíječka" 24 V
40+ kWh staré olovo 26+ kWh Li-Ion
několik dalších MP jako záložní zdroje na různých místech
Modře píši jako moderátor, černě jako člen.
Kdo je online
Uživatelé procházející toto fórum: Claudebot [Bot]
