FVE 4,5 kWp, baterie 10 kWh, 3F asymetrický střídač
-
- Příspěvky: 44
- Registrován: sob čer 25, 2022 9:45 am
- Reputace: 0
- Lokalita: Opavsko
- Systémové napětí: 48V
- Výkon panelů [Wp]: 5460
- Kapacita baterie [kWh]: 24,576
- Chci prodávat energii: NE
- Chci/Mám dotaci: NE
Re: FVE 4,5 kWp, baterie 10 kWh, 3F asymetrický střídač
I když není přítomen Hromosvod je řešení 2) správně?
Zdá se mi dost riskantní si tahat do domu blesky. Navíc stav centrálního zemniče je velká neznámá.
Zdá se mi dost riskantní si tahat do domu blesky. Navíc stav centrálního zemniče je velká neznámá.
-
- Příspěvky: 265
- Registrován: pát kvě 27, 2022 8:40 pm
- Reputace: 37
- Bydliště: naplavenina u OL.
Re: FVE 4,5 kWp, baterie 10 kWh, 3F asymetrický střídač
Nemám METkodl69 píše:jedině řešení 2 je správně, a je třeba použít odpovídající průřezy, stajně jako odpovídající přepěťovky nejen na DC ale i na AC... Není o čem diskutovat, všechno je napsaný v ČSN EN 62 305 -1 až -5...

++
-
- Příspěvky: 44
- Registrován: sob čer 25, 2022 9:45 am
- Reputace: 0
- Lokalita: Opavsko
- Systémové napětí: 48V
- Výkon panelů [Wp]: 5460
- Kapacita baterie [kWh]: 24,576
- Chci prodávat energii: NE
- Chci/Mám dotaci: NE
Re: FVE 4,5 kWp, baterie 10 kWh, 3F asymetrický střídač
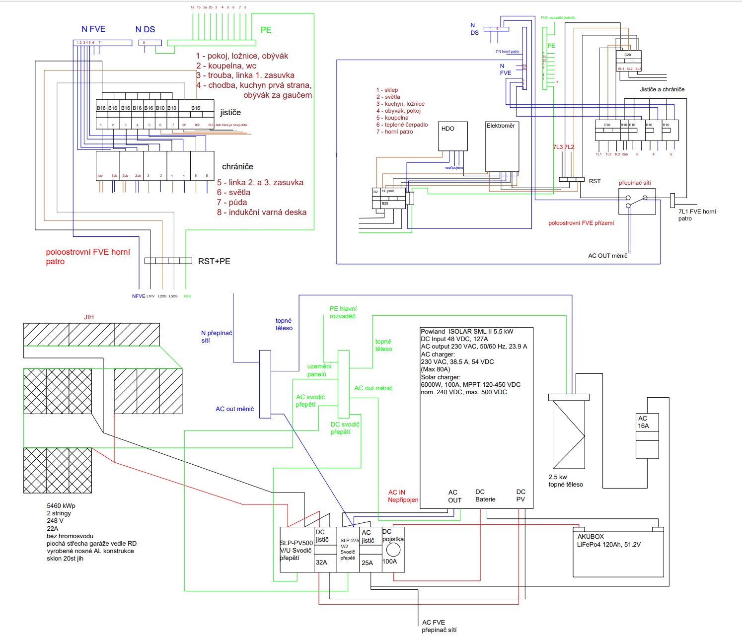
Udělal jsem si takový podrobnější plánek jak bych překopal elektrické rozvodů a zapojil FVE. Musí být současný odběr z DS i s FV. fáze i nulové vodiče by se potkat neměly. Varianta bez zapojeného AC IN s automatickým přepínačem sítí. Bude to funkční nebo tam vidíte nějaké chyby?
-
- Moderátor
- Příspěvky: 6278
- Registrován: pon srp 16, 2021 9:31 pm
- Reputace: 852
- Lokalita: blízko Brna
- Systémové napětí: 24V
- Výkon panelů [Wp]: 13+ kWp
- Kapacita baterie [kWh]: 40+15
- Chci prodávat energii: NE
- Chci/Mám dotaci: NE
- Bydliště: blízko Brna
Re: FVE 4,5 kWp, baterie 10 kWh, 3F asymetrický střídač
No to připojení z DS máš nějak divně. Buď máš dotažený modrý, tak pak musí být propojený s modrýma a uděláš si svůj zelený. Anebo máš dotažený zelený, pak ale z něho na svorkovnici musíš vzít modrým do toho HDO a elměru. Takhle ti to modré plave.
13,38 kWp: 9850 Wp Jih, 2040 Wp Východ, 1490 Wp Západ
Regulátory Epever a Victron
Phoenix 5 kVA + MP 24/5000 (můj byt + wifi/kamery/atd. + máti byt)
MP2 24/5000 vytěžování do akumulačních kamen
Epever 3kW vytěžování do bojlerů + žebříky
1 kW "nabíječka" 24 V
40 680 Wh staré olovo 15 258 Wh Li-Ion
záloha čerpadla ve sklepě MP12/3000/120-16 + 100Ah 12V monbat
Modře píši jako moderátor, černě jako člen.
Regulátory Epever a Victron
Phoenix 5 kVA + MP 24/5000 (můj byt + wifi/kamery/atd. + máti byt)
MP2 24/5000 vytěžování do akumulačních kamen
Epever 3kW vytěžování do bojlerů + žebříky
1 kW "nabíječka" 24 V
40 680 Wh staré olovo 15 258 Wh Li-Ion
záloha čerpadla ve sklepě MP12/3000/120-16 + 100Ah 12V monbat
Modře píši jako moderátor, černě jako člen.
-
- Příspěvky: 44
- Registrován: sob čer 25, 2022 9:45 am
- Reputace: 0
- Lokalita: Opavsko
- Systémové napětí: 48V
- Výkon panelů [Wp]: 5460
- Kapacita baterie [kWh]: 24,576
- Chci prodávat energii: NE
- Chci/Mám dotaci: NE
Re: FVE 4,5 kWp, baterie 10 kWh, 3F asymetrický střídač
Vedle toho hl. jističe úplně nevím co je zač ta svorkovnice, protože je to zaplombované. Ale vstup jsou 3 fáze + PEN a na té svorkovnici vedle hl. jističe se dělí na žlutý a modrý tzn PE a N.
-
- Příspěvky: 44
- Registrován: sob čer 25, 2022 9:45 am
- Reputace: 0
- Lokalita: Opavsko
- Systémové napětí: 48V
- Výkon panelů [Wp]: 5460
- Kapacita baterie [kWh]: 24,576
- Chci prodávat energii: NE
- Chci/Mám dotaci: NE
Re: FVE 4,5 kWp, baterie 10 kWh, 3F asymetrický střídač
Ahoj, ještě zvažuji zda je rozdělená na 2 stringy správné. Pokud bych udělal 3 stringy po 4 ks panelů pomohl bych si tím nějak z hlediska bezpečnosti, nebo je to jedno?
Kdybych se dostal s DC napětím panelů pod 230V nesnížilo by to pravděpodobnosti přetoku při přetížení sítě, nebo to při konverzi DC/AC nehraje žádnou roli?
Měl jsem menší diskusi s p. Kolaříkem a dle něj může při zakolísání odběru nebo dodávky dojít k přetoku do sítě a to i u měničů s dvojitou konverzí Axpert king II a MPP pip 5048 mkx, kvůli vysokému napětí z panelů.
Kdybych se dostal s DC napětím panelů pod 230V nesnížilo by to pravděpodobnosti přetoku při přetížení sítě, nebo to při konverzi DC/AC nehraje žádnou roli?
Měl jsem menší diskusi s p. Kolaříkem a dle něj může při zakolísání odběru nebo dodávky dojít k přetoku do sítě a to i u měničů s dvojitou konverzí Axpert king II a MPP pip 5048 mkx, kvůli vysokému napětí z panelů.
-
- Příspěvky: 581
- Registrován: pon kvě 09, 2022 8:31 am
- Reputace: 9
- Lokalita: Litomyšlsko
- Systémové napětí: 48V
- Výkon panelů [Wp]: 5,600
- Kapacita baterie [kWh]: 14,4
- Chci prodávat energii: NE
- Chci/Mám dotaci: NE
Re: FVE 4,5 kWp, baterie 10 kWh, 3F asymetrický střídač
Celý RE je vždy v TN-C. Vývod taky a standartně se dělí na TN-S až v domovním rozvaděči, kde má být přizemněn. Co se týká rozvodů, já mám jakoby čtvrtou fázi, která je z FTV.
5,6kW , RESACS, EPEVER, Pb-C 14,4kW
Teorie=vše víme ale nic nefunguje
Praxe=vše funguje a nevíme proč
Teorie spojena s praxí=nic nefunguje a nikdo neví proč
Teorie=vše víme ale nic nefunguje
Praxe=vše funguje a nevíme proč
Teorie spojena s praxí=nic nefunguje a nikdo neví proč
-
- Příspěvky: 44
- Registrován: sob čer 25, 2022 9:45 am
- Reputace: 0
- Lokalita: Opavsko
- Systémové napětí: 48V
- Výkon panelů [Wp]: 5460
- Kapacita baterie [kWh]: 24,576
- Chci prodávat energii: NE
- Chci/Mám dotaci: NE
Re: FVE 4,5 kWp, baterie 10 kWh, 3F asymetrický střídač
čtvrtá fáze by znamenala natahat nové kabely do rozvaděčů zásuvek atd. do toho nepůjdu, nevidím v tom žádný benefit.
Já jsem stávající instalaci nedělal, dělal ji elektrikář. Bod rozdělení PE je hned na svorkách u hlavního jističe..
do horního patra vede pouze 3F + PE, kde je N vyroben proklamováním s PE, což je asi špatně.
Už nemám možnost se dostat k PEN bez rozplombování krytu u hl. jističe.
Já jsem stávající instalaci nedělal, dělal ji elektrikář. Bod rozdělení PE je hned na svorkách u hlavního jističe..
do horního patra vede pouze 3F + PE, kde je N vyroben proklamováním s PE, což je asi špatně.
Už nemám možnost se dostat k PEN bez rozplombování krytu u hl. jističe.
-
- Moderátor
- Příspěvky: 6278
- Registrován: pon srp 16, 2021 9:31 pm
- Reputace: 852
- Lokalita: blízko Brna
- Systémové napětí: 24V
- Výkon panelů [Wp]: 13+ kWp
- Kapacita baterie [kWh]: 40+15
- Chci prodávat energii: NE
- Chci/Mám dotaci: NE
- Bydliště: blízko Brna
Re: FVE 4,5 kWp, baterie 10 kWh, 3F asymetrický střídač
Odplombovat je ta posledni vymluva 
Nahlasis odstraneni poruchy a hotovo.

Nahlasis odstraneni poruchy a hotovo.
13,38 kWp: 9850 Wp Jih, 2040 Wp Východ, 1490 Wp Západ
Regulátory Epever a Victron
Phoenix 5 kVA + MP 24/5000 (můj byt + wifi/kamery/atd. + máti byt)
MP2 24/5000 vytěžování do akumulačních kamen
Epever 3kW vytěžování do bojlerů + žebříky
1 kW "nabíječka" 24 V
40 680 Wh staré olovo 15 258 Wh Li-Ion
záloha čerpadla ve sklepě MP12/3000/120-16 + 100Ah 12V monbat
Modře píši jako moderátor, černě jako člen.
Regulátory Epever a Victron
Phoenix 5 kVA + MP 24/5000 (můj byt + wifi/kamery/atd. + máti byt)
MP2 24/5000 vytěžování do akumulačních kamen
Epever 3kW vytěžování do bojlerů + žebříky
1 kW "nabíječka" 24 V
40 680 Wh staré olovo 15 258 Wh Li-Ion
záloha čerpadla ve sklepě MP12/3000/120-16 + 100Ah 12V monbat
Modře píši jako moderátor, černě jako člen.
-
- Příspěvky: 265
- Registrován: pát kvě 27, 2022 8:40 pm
- Reputace: 37
- Bydliště: naplavenina u OL.
Re: FVE 4,5 kWp, baterie 10 kWh, 3F asymetrický střídač
PE se nerozděluje, když tak PEN se rozdělí na PE a N. Jsi si jistý že u hlavního jističe je PEN rozdělen?socirel píše:čtvrtá fáze by znamenala natahat nové kabely do rozvaděčů zásuvek atd. do toho nepůjdu, nevidím v tom žádný benefit.
Já jsem stávající instalaci nedělal, dělal ji elektrikář. Bod rozdělení PE je hned na svorkách u hlavního jističe..
Pravděpodobně ti elektrikář ti natáhl od hlavního jističe 3F+PEN do patra a tam jej rozdělil na 3F+PE+N.socirel píše:do horního patra vede pouze 3F + PE, kde je N vyroben proklamováním s PE, což je asi špatně.
Už nemám možnost se dostat k PEN bez rozplombování krytu u hl. jističe.
Což dává smysl, přívodní kabel do patra je jen 4xněco a při vyhledávání poruchy je bod rozdělení přístupný v patře.
cipis to píše správně stačí nahlásit rozblombování krytu z důvodu blikajících světel. Elektrikářská firma bude kontrolovat dotažení svorek.

++
-
- Příspěvky: 225
- Registrován: úte dub 13, 2021 10:45 pm
- Reputace: 23
- Lokalita: východ Prahy
- Systémové napětí: 48V
- Výkon panelů [Wp]: 13500
- Kapacita baterie [kWh]: 20
- Chci prodávat energii: NE
- Chci/Mám dotaci: NE
Re: FVE 4,5 kWp, baterie 10 kWh, 3F asymetrický střídač
ještě bych zvážil odjistit baterii na obou pólech, za prvé je dobré mít možnost odpojit celý obvod a za druhé se bude další akupack lépe připojovat. Použít lze obyčejný pojistkový odpínačsocirel píše:Přikládám schéma jak si představuju zapojení, nejsem elektrikář ani zkušený solárník, tak mě berte z rezervou a prosím o připomínky.
třeba tady takový
https://www.emas.cz/oez-12362-pojistkov ... fh000-3a-t
a nebo jistič (deon) s možností přidání vyrážecí cívky pro budoucí tlačítko "centrál stop"
ty DC jističe do 25A ti můžu za zlomek ceny tipa prodat
https://forum.mypower.cz/viewtopic.php? ... 60#p168916
9900Wp 6×ESM-450H, 6×UL-450M-144HV 8×VDS-S144 zzj 15°, 3600Wp 8×AS-6m144VV vvs 30° 2× Epever 4415, 1×Easun 8048, Axpert king 5kW, 240Ah staré olovo, 450Ah LI-ION mivvyenergy.cz
-
- Příspěvky: 44
- Registrován: sob čer 25, 2022 9:45 am
- Reputace: 0
- Lokalita: Opavsko
- Systémové napětí: 48V
- Výkon panelů [Wp]: 5460
- Kapacita baterie [kWh]: 24,576
- Chci prodávat energii: NE
- Chci/Mám dotaci: NE
Re: FVE 4,5 kWp, baterie 10 kWh, 3F asymetrický střídač
Mám už právě jističe nakoupené.
Na jištění baterií mám toto https://www.solarsun.cz/pojistny-odpina ... rii-100-a/
Myslíte že stačí jeden odpojovač na všechny batery packy, nebo dát odpojovač na každý zvlášt?
Ještě zpátky k tomu zapojení. Když chci čistý offgrid tak ze sítě dotáhnout do měniče pouze zelenožlutý PEN na svorku AC in a AC out. Modrý N a fáze mi pak bude začínat na výstupu z měniče a s žádnou fází, N, PE, nebo PEN z DS se již dále nepotkají?
Na jištění baterií mám toto https://www.solarsun.cz/pojistny-odpina ... rii-100-a/
Myslíte že stačí jeden odpojovač na všechny batery packy, nebo dát odpojovač na každý zvlášt?
Ještě zpátky k tomu zapojení. Když chci čistý offgrid tak ze sítě dotáhnout do měniče pouze zelenožlutý PEN na svorku AC in a AC out. Modrý N a fáze mi pak bude začínat na výstupu z měniče a s žádnou fází, N, PE, nebo PEN z DS se již dále nepotkají?
-
- Moderátor
- Příspěvky: 6278
- Registrován: pon srp 16, 2021 9:31 pm
- Reputace: 852
- Lokalita: blízko Brna
- Systémové napětí: 24V
- Výkon panelů [Wp]: 13+ kWp
- Kapacita baterie [kWh]: 40+15
- Chci prodávat energii: NE
- Chci/Mám dotaci: NE
- Bydliště: blízko Brna
Re: FVE 4,5 kWp, baterie 10 kWh, 3F asymetrický střídač
Tak pokud tam chces sit IT (a s tim pak hlidac izolacniho stavu atd.), tak ano. Jinak musis to N z menice uzemnit.
13,38 kWp: 9850 Wp Jih, 2040 Wp Východ, 1490 Wp Západ
Regulátory Epever a Victron
Phoenix 5 kVA + MP 24/5000 (můj byt + wifi/kamery/atd. + máti byt)
MP2 24/5000 vytěžování do akumulačních kamen
Epever 3kW vytěžování do bojlerů + žebříky
1 kW "nabíječka" 24 V
40 680 Wh staré olovo 15 258 Wh Li-Ion
záloha čerpadla ve sklepě MP12/3000/120-16 + 100Ah 12V monbat
Modře píši jako moderátor, černě jako člen.
Regulátory Epever a Victron
Phoenix 5 kVA + MP 24/5000 (můj byt + wifi/kamery/atd. + máti byt)
MP2 24/5000 vytěžování do akumulačních kamen
Epever 3kW vytěžování do bojlerů + žebříky
1 kW "nabíječka" 24 V
40 680 Wh staré olovo 15 258 Wh Li-Ion
záloha čerpadla ve sklepě MP12/3000/120-16 + 100Ah 12V monbat
Modře píši jako moderátor, černě jako člen.
-
- Příspěvky: 44
- Registrován: sob čer 25, 2022 9:45 am
- Reputace: 0
- Lokalita: Opavsko
- Systémové napětí: 48V
- Výkon panelů [Wp]: 5460
- Kapacita baterie [kWh]: 24,576
- Chci prodávat energii: NE
- Chci/Mám dotaci: NE
Re: FVE 4,5 kWp, baterie 10 kWh, 3F asymetrický střídač
o uzemnění výstupního N ze střídače se postará PE(N) vodič co jde do střídače, ne?
-
- Příspěvky: 581
- Registrován: pon kvě 09, 2022 8:31 am
- Reputace: 9
- Lokalita: Litomyšlsko
- Systémové napětí: 48V
- Výkon panelů [Wp]: 5,600
- Kapacita baterie [kWh]: 14,4
- Chci prodávat energii: NE
- Chci/Mám dotaci: NE
Re: FVE 4,5 kWp, baterie 10 kWh, 3F asymetrický střídač
Právě že to je výhoda. Vybrané obvody které chci na FTV, jen přehodím v rozvaděči. Pravda ten čtvrtý vodič chyběl, ale s tím jsme se vypořádali. Jsme doma všichni elektrikáři, bez prd....
5,6kW , RESACS, EPEVER, Pb-C 14,4kW
Teorie=vše víme ale nic nefunguje
Praxe=vše funguje a nevíme proč
Teorie spojena s praxí=nic nefunguje a nikdo neví proč
Teorie=vše víme ale nic nefunguje
Praxe=vše funguje a nevíme proč
Teorie spojena s praxí=nic nefunguje a nikdo neví proč
-
- Příspěvky: 44
- Registrován: sob čer 25, 2022 9:45 am
- Reputace: 0
- Lokalita: Opavsko
- Systémové napětí: 48V
- Výkon panelů [Wp]: 5460
- Kapacita baterie [kWh]: 24,576
- Chci prodávat energii: NE
- Chci/Mám dotaci: NE
Re: FVE 4,5 kWp, baterie 10 kWh, 3F asymetrický střídač
Může mi ještě někdo vysvětlit proč se u ostrovní FVE nedoporučuje spojení N z DS a N výstupní z měniče?
Zkusím se podívat jestli je uvnitř měniče proklemován PE a výstupní N.
Zkusím se podívat jestli je uvnitř měniče proklemován PE a výstupní N.
- bublich
- Příspěvky: 407
- Registrován: sob črc 11, 2020 12:42 am
- Reputace: 67
Re: FVE 4,5 kWp, baterie 10 kWh, 3F asymetrický střídač
Pokud to spojení neprovádí střídač automaticky při svém spuštění prostřednictvím kontaktu vnitřního relé,tak naopak to propojení musíte realizovat Vy,za předpokladu že výstup bude sít TNS.Navíc by tam mělo být provedeno přizemnění vzniklého PE.
-
- Příspěvky: 44
- Registrován: sob čer 25, 2022 9:45 am
- Reputace: 0
- Lokalita: Opavsko
- Systémové napětí: 48V
- Výkon panelů [Wp]: 5460
- Kapacita baterie [kWh]: 24,576
- Chci prodávat energii: NE
- Chci/Mám dotaci: NE
Re: FVE 4,5 kWp, baterie 10 kWh, 3F asymetrický střídač
Je toto připojení baterií Správně? kabely mám 35 mm2.
Pojistku mám zatím jednu https://www.solarsun.cz/pojistny-odpina ... rii-100-a/
myslíte že je 100A dostatečná hodnota nebo vzít raději 125A?
Měnič má maximální nabíjecí i vybíjecí proud 100A.
Každá baterie bude mít svoje BMS, kde se dá nabíjecí proud také nastavit?
Pojistka asi nebude úplně ok pro odpojování, že? lze baterky např. v případě údržby odpojit ze sběrnice izolovaným nářadím, nebo raději odpojovat např nějakým silovým konektorem?
Pojistku mám zatím jednu https://www.solarsun.cz/pojistny-odpina ... rii-100-a/
myslíte že je 100A dostatečná hodnota nebo vzít raději 125A?
Měnič má maximální nabíjecí i vybíjecí proud 100A.
Každá baterie bude mít svoje BMS, kde se dá nabíjecí proud také nastavit?
Pojistka asi nebude úplně ok pro odpojování, že? lze baterky např. v případě údržby odpojit ze sběrnice izolovaným nářadím, nebo raději odpojovat např nějakým silovým konektorem?
-
- Moderátor
- Příspěvky: 6278
- Registrován: pon srp 16, 2021 9:31 pm
- Reputace: 852
- Lokalita: blízko Brna
- Systémové napětí: 24V
- Výkon panelů [Wp]: 13+ kWp
- Kapacita baterie [kWh]: 40+15
- Chci prodávat energii: NE
- Chci/Mám dotaci: NE
- Bydliště: blízko Brna
Re: FVE 4,5 kWp, baterie 10 kWh, 3F asymetrický střídač
Tak všechno dej přes pojistkové odpínače, ne odpojovače. A na oba póly.
13,38 kWp: 9850 Wp Jih, 2040 Wp Východ, 1490 Wp Západ
Regulátory Epever a Victron
Phoenix 5 kVA + MP 24/5000 (můj byt + wifi/kamery/atd. + máti byt)
MP2 24/5000 vytěžování do akumulačních kamen
Epever 3kW vytěžování do bojlerů + žebříky
1 kW "nabíječka" 24 V
40 680 Wh staré olovo 15 258 Wh Li-Ion
záloha čerpadla ve sklepě MP12/3000/120-16 + 100Ah 12V monbat
Modře píši jako moderátor, černě jako člen.
Regulátory Epever a Victron
Phoenix 5 kVA + MP 24/5000 (můj byt + wifi/kamery/atd. + máti byt)
MP2 24/5000 vytěžování do akumulačních kamen
Epever 3kW vytěžování do bojlerů + žebříky
1 kW "nabíječka" 24 V
40 680 Wh staré olovo 15 258 Wh Li-Ion
záloha čerpadla ve sklepě MP12/3000/120-16 + 100Ah 12V monbat
Modře píši jako moderátor, černě jako člen.
-
- Příspěvky: 44
- Registrován: sob čer 25, 2022 9:45 am
- Reputace: 0
- Lokalita: Opavsko
- Systémové napětí: 48V
- Výkon panelů [Wp]: 5460
- Kapacita baterie [kWh]: 24,576
- Chci prodávat energii: NE
- Chci/Mám dotaci: NE
Re: FVE 4,5 kWp, baterie 10 kWh, 3F asymetrický střídač
takže 4x https://www.solarsun.cz/pojistny-odpina ... rii-100-a/ nebo něco jiného?
Baterii odpojit jen odklopením pojistek?
Jestli za baterií napojím pojistku zhora nebo zdola je jedno, že? Hlavně nespojit + a -
Baterii odpojit jen odklopením pojistek?
Jestli za baterií napojím pojistku zhora nebo zdola je jedno, že? Hlavně nespojit + a -
Kdo je online
Uživatelé prohlížející si toto fórum: Bing [Bot], Claudebot [Bot], Keraj, META, Neticle [Bot], Seznam [Bot], SiteExplorer [Bot] a 2 hosti